Fórum témák
» Több friss téma |
Valóban jól néz ki , és melyik szoftver van rajta ?
Köszi!
Azt hiszem az 1.06, Atmega 328. Nagyon pontos kondi és ellenállás mérésnél is! A hozzászólás módosítva: Máj 2, 2013
Szia Ha feltudnád gyorsan rakni a hozzávaló kapcsolást akkor minden egybe lenne.Már több féle kapcsolás, töbféle AVR miatt is gondolom hasznos lenne mindenki számára .Régebben én is megépítettem még az első variások egyikét.Ami azóta is jól működik .Üdv wegg.
Az 1,07K verziót nem próbáltad véletlenül , hogy hogy szuperál ?
Bár ez is teszi a dolgát szépen. Wegg: A kapcsolás fent van már kicsit visszább az új verzió is .Persze a megfelelő kontrollerhez a megfelelő tartalom kell.
Azt nem próbáltam! Ez is megfelel tökéletesen!
Igen gondolom hogy minden fent van valahol . Csak szép lett volna egy csokorba szedve .
Az eep ,hex , és kapcsolás . Mert ezek a visszatérő kérdések hogy kinek minek mia párja. További jó mókolást.
Ez a nyák hozzá!
Szia ! Ha már én hiányoltam a kompletséget a doksihoz .Akkor köszönöm a többiek nevében is a kiegésszítést . De a hozzávaló kapcsolással lett volna kerek az egész .De kérlek ne vedd piszkálgatásnak meggyegyzésemet.
Amikor én csináltam az enyémet akkor kipróbáltam a német a magyar az angol szoftvereket és nem volt jó egyse a kondenzátorokat mérték pontatlanul 30-40 % volt a hiba . Egy orosz oldalon találtam egy javítot hexet angol nyelven, amit annak idején közöltem is azzal viszont nagyon jól méri a kondenzátorokat is.
Szia!
Az Atmega8-as verzióval nekem is voltak hasonló problémáim csak az angol hexel mért pontosan ahogy Te is írod. A 328-as pedig azzal a hex,eep-vel megy tökéletesen amit feltettem. Hát kerek ez sem lesz mert a rajz nekem sincs meg!!
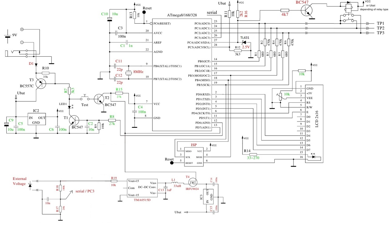
Na akkor felteszem nektek a rajzot , hogy legyen kerek a dolog.
Ez a jelenlegi komplett rajz az alkatrész vizsgálóhoz z dióda méréssel , külső feszültség méréssel , 1,2,3 mérőpont relés védelmével Atmega 8-168-328 processzorokhoz. A 8,168, illetve a 328 láb bekötéseire figyelni , ha smd változatban készül el , mert nem ugyan az . Sikeres után építést mindenkinek. A hozzászólás módosítva: Máj 5, 2013
Az én verzióm meg már , így alakul .Az előbb feltett kapcsolással megépítve a relés védelmet kihagyva.
Egyébként ilyesmi lesz a végeredmény.
Szia !
A két műszer egyesítésénél működik, ha többet is adok hozzá? Valahogy így jó lenne?
Szia!
Szerintem működik a dolog. Miután mindig csak az egyik műszer dolgozik, a leválasztást a diódák biztosítják, nem zavarják egymást. Üdv: Gábor
Szia!
A háttérvilágításnak is elég lenne 5V, az R8 meg lehet akár 100 Ohm is. Más baj nincs vele.
Az a 6mA azért nem hajtja szét.
Nekem eddig egyszer akadt csak 15mA feletti áramigényű LCD világítás 2x16-os LCD esetében. A hozzászólás módosítva: Máj 12, 2013
Pedig léteznek 200 mA-es típusok is:
Jogos, kozben azert utananeztem csak mar modositani nem volt lehetosegem a hozzaszolast. Bar az is biztos, hogy nem hasznalnek olyat aminek 200mA
kell . Csak energia pazarlas.
Rendben, akkor építem így .
Köszönöm mindenkinek a segítséget.
Szia köszönöm hogy kiegészítetted a kapcsolással a szoft-okat .
Jól néz ki az előterv amit csinálsz majd . Sajna én most leáltam ezekkel pedig az a zéner vizsgáló meg esr mérő egyben foglalkoztat egy kicsit . Csak időm lenne annyi mint amennyi kedvem van .
Köszi a dicsérő szavakat , és tulajdonképpen , azért került ilyen sok fajta mérő aljzat rá , mert különféle méretű alkatrészek vizsgálatánál mindig hajlítgatni a lábakat , és egy helyre bele nyomkodni nem egészséges .Bár ezt már biztos más is tapasztalta , hogy egy idő után kimondottan akadályozza a munkát , ha azzal kell foglalkozni , hogy miért nem megy bele a lába ennek , vagy annak a mérő helyre.
Sziasztok!
Enyhén szólva is zöld vagyok AVR témában, azonban nagyon tetszik az alkatrészvizsgáló és szeretném megépíteni. Különösen tomipap megoldása Bővebben: Link tetszik. A kérdéseim: Ezzel:Bővebben: Link fel tudom-e programozni? És milyen program kell a beégetéshez? (eddig PIC-el foglalkoztam, oda megvannak a szükséges dolgaim, de ez mint írtam ismeretlen terület) tomipap ne vedd zaklatásnak, de esetleg nem raknád fel pdf-ben a nyáktervet, beültetést, forr. maszkot, stb? Az ABACOM oldaláról letöltött "Sprint-Layout-Viewer" ugyanis azt mondja a felrakott NYÁK rajzra, hogy nem Sprint Layout file!
En pontosan egy USBasp-vel programoztam az enyemet. A program amit hasznaltam az AVR Burn-O-Mat. Sima egyszeru WinAVR -re alapulo grafikus felulet.
Szia!
Bővebben: Link Ezzel simán meglehet nyitni.
Szia! Mint írtam, nekem ez a progi mondja hogy nem Sprint Layout file! Ezért is kértem segítséget.
Akkor toltsd le ismet vagy nevezed at ugy a filet, hogy ne legyen benne semmi irasjel, ekezet esatobbi. En reggel kiprobaltam es minden ok volt. Azert itt is csatoltam, nezd meg igy.
Szuper! Tényleg az írásjelekkel lehetett baja.
Azt tapasztaltam, hogy a SprintLayout file elnevezesben kicsit kenyes arra, hogy mikor melyik kodlappal vagy lokalizacios beallitasokkal nevezem el a filet. En peldaul nem tudom megnyitni a magyar ekezetes betuket tartalmazo file-okat. Erzekeny a lelkem.
|
Bejelentkezés
Hirdetés |




Amikor én csináltam az enyémet akkor kipróbáltam a német a magyar az angol szoftvereket és nem volt jó egyse a kondenzátorokat mérték pontatlanul 30-40 % volt a hiba . Egy orosz oldalon találtam egy javítot hexet angol nyelven, amit annak idején közöltem is azzal viszont nagyon jól méri a kondenzátorokat is. 







Nekem eddig egyszer akadt csak 15mA feletti áramigényű LCD világítás 2x16-os LCD esetében.
kell . Csak energia pazarlas. 





