Fórum témák
» Több friss téma |
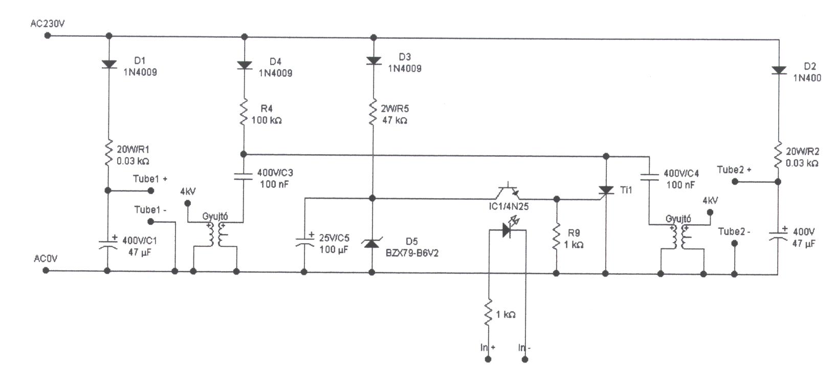
Na sikerült bexennelnem a rajzokat.Remélem hasznukat veszed.
Hali! Megjött a villanócső
De az a baj hogy a leírásában azt irja hogy 100v dc ami a csőre megy.... a kapcsi meg többet ad rá (dragon)... félek hogy kinyirja a csövet. Jah a csőnek a - kábele a gyujtó kábel felől van ugye???? Mellékeltem a képet a csőről meg a leírásáról... És még valami... a gyujtó feszültségnek mennyinek kell lennie??? 2-3 kV elég neki?
Tom
csak azt szeretném tudni hogy most jó ez az áramkör vagy nem (dragon kapcs rajz) mert már szeretném ha villogna a strobi
Ezzel a csővel nyugodtan megépíthezed a Dragont!Hisz ez a hozzávaló csőtipus!Én is ilyennel csináltam!
A multkori kérdésemre nem kaptam még választ
arra majd ird már meg a véleményedet, mert szeretnék tisztában lenni a dolgokkal (#144693) hozzászólás .
Sziasztok!
Van egy villanócsövem no meg hozzá gyári kapcsolás. Az egyettlen problémám csak az, hogy nem tudom melyik láb melyikhez megy. Mit kell ilyenkor nézni? HELP Köszi
Bocsi.Mi is a kérdés?Mert ami számot beírtál,az az én hszem.Vagy én nem jól nézek vmit??
Nekem is van!Sőt, nem is 1.Több is!És mind1ik másképp néz ki!R-GO típus,adatlapi link, vagy 1 foto alapján sztem sokkal könnyebben tudnánk segíteni.
Travolta
Sziasztok!
Sikerült jutányos áron beszereznem egyet az XOP-15-ös csőből, viszont a dragon kapcsolását túl bonyolultnak tartom és szeretnék egy egyszerűbbet. Szeretnék megkérdezni valakit, hogy neki a dragon kapcsolásáról hány volt feszültség jön le (+/-) a csőhöz? Csak szeretném tudni, h kb milyen feszültségtartomány közt műxik ez a villanócsőtípus,mivel a leírásában csak 100 V szerepel (még más csövek leírásában feszültségtartomány van leírva).
Vissza olvastál volna pár hozzászólást, akkor nem kérdeznél....
Melléklek egy képet a villanócsőről. Az a baj, hogy műszaki adatokat nem tudok leolvasni, mert nincs ráírva semmi. Melyik láb mit jelent? Hova kell kötni?
(A képet egy másik topicból vettem, de ugyan ilyen az enyém is) Davis
Kösz, h leszóltál! Ebből tényleg rá lehet jönni, h hány volt fesz jön ki a dragon1700W-os kapcsolásán a villanócsőöz!
Nem a gyújtófeszültségre voltam kíváncsi!!! Hanem a +/- tápjára....Valaki, akinek ilyen kapcsolás van megépítve..kimérhetné nekem...Thnx!
![]()
Travolta!
Idézet: ezt kérdeztem tőled, mert ha jól emléxek akkor így van.....„Jah a csőnek a - kábele a gyujtó kábel felől van ugye???? Mellékeltem a képet a csőről meg a leírásáról... És még valami... a gyujtó feszültségnek mennyinek kell lennie??? 2-3 kV elég neki?” szekegabi !! Nekem is XOP-15 van és ugyanugy 100volt van ráirva.... De a dragon kapcsin mintha kicsit több menne ki . AMugy én bescanneltem a mellékelt leírást a csőről, meg a képet is feltettem... szabi83 meg azért szólt rád, mert én ezeket a kérdéseket már egyszer feltettem, csak még előttem sem tiszta a kép....
nincsmit, én is kaptam
Skip-től mondhatnám, hogy a piacon , mert egy ilyen cuccból van a cső és a gytrf is, bár én 100ft -ot adtam érte a bolhapiacon
itt a két csöves verzió félig kész állapotban
DjGeorge : sajnos a bekoteset most nm tudom,de reggel megnezem neked.
A Dragon kapcsolasban a csore 600volt anodfeszultseg megy.A gyujtofeszt pontosan nem tudom,de kb 6kV lehet.Es a kapcsolashoz XOP15-os cso valo.Tehat nyugodtan megepitheto vele! Udv:Travolta
Ha minden igaz a piros potyos resze a pozitiv,a kozepsore m1 a gyujtofesz, a maradek meg ertelemszeruen a negativ.
így igaz ahogy Travolta fő mester mondja
a piros pötyözős a plusz ami a képen van cső még mindig működik középre megy a gyújtó fesz maradék meg a negatív.
Ebbe hány W-os cső való?
Egyébként az intenzitását azt hogyan tudnám szabályozni?
ha az IFK 120 as csőre gondolsz azt nem tudom hány wattos...talán 120 a nevéből következtetve...
intenzitáson a villogás sebességét érted vagy pedig a villanás nagyságát?! ha a villanás nagyságát akkor a cső kondijának méretét kell változtatni max 22µF ig. Skip |
Bejelentkezés
Hirdetés |




De az a baj hogy a leírásában azt irja hogy 100v dc ami a csőre megy.... a kapcsi meg többet ad rá (dragon)... félek hogy kinyirja a csövet. Jah a csőnek a - kábele a gyujtó kábel felől van ugye???? Mellékeltem a képet a csőről meg a leírásáról... És még valami... a gyujtó feszültségnek mennyinek kell lennie??? 2-3 kV elég neki? 

arra majd ird már meg a véleményedet, mert szeretnék tisztában lenni a dolgokkal (#144693) hozzászólás .


. AMugy én bescanneltem a mellékelt leírást a csőről, meg a képet is feltettem... szabi83 meg azért szólt rád, mert én ezeket a kérdéseket már egyszer feltettem, csak még előttem sem tiszta a kép....

Skip-től 
