Fórum témák
» Több friss téma |
Fórum » TV hiba, mi a megoldás?
Üdv.
Valószínű akkor a táp védelme oldogat le. Meg kéne nézni a tápkondikat első soron.
A panel kocogtatására nem reagál? Hátha mégis csak egy átkozott KH.
Sziasztok
Nem kaptam 16v os elkokat igy 470/25v es 100/35v os vetem es a tv mukodik. Csak a C813 sarkain15,47V van, remelem nem gond. meg egyszer nagyon szepen koszonom a segitseget.
És ugyan olyan értékűekre cserélted feszültség, kapacitás? A polaritás mindenhol rendben? Esetleg egy kép a panelről? Új kondikat raktál be?
Próbáld meg beállítani a 12V-ot a primer oldali VR801-es trimmerpotméterrel. Ha ez nem sikerül, akkor ki kell cserélni a táp-IC melletti kis elektrolitkondenzátorokat.
igen, olyan értékűekre cseréltem ,újak, panel bn96-03775-de a bn9603883a is jó,bele esetleg valakinek van e olyan?
Sziasztok, ma hoztak hozzám egy PHILIPS 26PFL3403/10-es modellű tévét és a képen látható figurát produkálja!, szerintetek mi okozhatja ezt a problémát, és milyen alkatrész?. És hol keresem a problémát?.
A hozzászólás módosítva: Jún 22, 2013
Sziasztok újra!
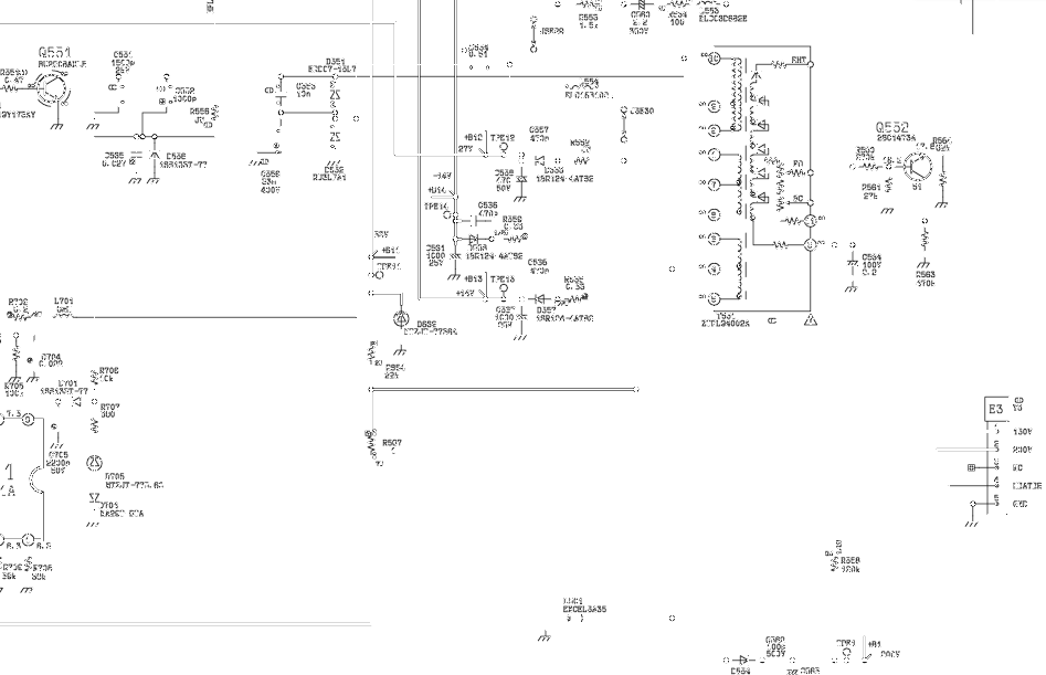
Most van megint időm foglalkozni a TV-vel. Lehet hülye kérdés, de így, hogy a sorvégtranzisztor kollektora és a panel közé be van téve az izzó, az izzónak jó működés esetén világítania kéne vagy sem? Amikor nem világít, akkor mérek 150V-t a kollektor-emitter között, ha világít, akkor már nem tudom mérni, 600V-ig mér max a műszerem (méréskor látszik, hogy "elszáll" a felső tartománynál). Talán így jobban be tudom határolni, hol lehet a gond. Kösz továbbra is!
Sajnos csak 14,4V lehetet allitani, hetfon veszek elektrolitkondenzátorokat es ki cserelem.
Sziasztok, hoztak hozzám egy TV-t a hibajelenség a képen látható, a kép nem az egész CRT-n jelenik meg. Gondolom a vízszintes eltérítéssel van a baj másik kép. De mi lehet a baj? Esetleg kondenzátor száradás? Merre induljak el? Eredetileg hang kontakt hibával érkezett, de mire javítás után összeraktam ilyenné vált. Üzem közben mozgattam az alkatrészeket, de semmi változás, tehát elvileg kontakt hiba kizárva. Az eltérítő IC ez benne.
Előre is köszönöm!
Ha esetleg van otthon valamilyen nem túl régi elektronikus készüléked, abból is lehet bontani alkatrészeket, nem kell rögtön újat venni üzletből.
Az izzónak indításnál kell világítani, kb félfénnyel. A 150V-t sokallom, ha magas a sortáp akkor is lövi a tranyót. Ha az izzót bekötöd a mondott pontra, a tranyót vedd ki!!! Azért nem tudsz mérni mert mikor indul a sorvégfok, a feszültség 1000 V fölé emelkedik. "Impulzusüzemben ", tehát tranyó nélkül égővel mérj a kollektoron feszültséget.
A hozzászólás módosítva: Jún 22, 2013
Szia!
Ez a függőleges eltérítés hibája és első körben itt is az eltérítő-IC tápfeszültségeit (3,6 lábak)kell ellenőrizni.
Szia!
A függő eltérítéssel van gond, illetve annak kondijaival. Valamint mintha a tápban is látnék " brummot" Ott is kellene néhány elkót cserélni. Először nézd át azért a forrasztásokat, különös tekintettel a függő ic-re.
Valaki tudna nekem is segíteni egy kicsit?.
Szia!
Át kocogtattam amit tudtam, de a kép nem változott. Azt hiszem, jobb ha szakemberre bízom, nem akarom még jobban elrontani. Azért köszi a segítséget.
kadarist, stevepapa
Köszönöm a válaszokat! Honlap megnézem a dolgot!
Így kötöttem az izzót, ahogy a tx28-izzo.png képen látszik. Így hülyeség, nem jó?
Hogy lenne helyes? 150V-ot azért gondoltam jónak, mert bár mellé nincs írva feszültségérték, de ahogy a másik kép alapján visszakövetve az E3 csatlakozó 1. pontjánál 150V-ot ír, ami elvileg a trafó 9. lábával közös, a 10. lábán meg a tranzisztor kollektora van - ha jól néztem. Találtam amúgy egy rossznak tűnő forrasztást a táptrafó 150V kimenetén, az egyik kondenzátornál, átforrasztottam, most jobb a helyzet, ha mozgatom a panelt bekapcsolás után, nem kapcsolt le az izzó olyan sűrűn (egyszer sikerült, sokszor próbáltam).
Helló!
Minden esetben látszik a sötétebb sáv, tehát ha filmet nézel rajta, nem csak a hangyaháborút, akkor is?
Ha filmet nézel rajta (adást), akkor nem látszik már annyira, de akkor is észre vehető hogy az az oldal halványabban látszik mint a többi része a képernyőnek.
Nem találom a hibát, még mindig ugyanaz a helyzet. Szétszedve elindul(na, ha nem az izzó lenne benn), de ha összerakom, nem világít az izzó..
![]() Méregettem, a +B2, vagyis a 150V megvan, 147V-ot mérek a TPE2 ponton, izzó világít. Később újra mértem a sortranyó kollektor-emitter között, most már csak olyan 50-60 V körül mértem.. érdekes..
Háát így egy picit érdekes, emeld ki a tranyó kollektorát és annak helyére kösd az izzót. Ha a rajzon 150 V volt van akkor az jó. Trafó bajos, nagy eséllyel !
Az égőt és a tranyót egyszerre nem bírja a táp, azért nem világít!!! Az égőt csak a sortáp méréséig használjuk. Azon már túl vagy 147 v-t az tökéletes, ha égővel is annyi akkor a táp jó!! Tehát az égő egyik fele a kollektor helyére a másik a testre meggy !! Tranzisztor nélkül !!
A hozzászólás módosítva: Jún 22, 2013
Ja, úgy értettem az összerakást, hogy visszaraktam a burkolatot, az izzó így volt, mint ahogy rajzoltam. Ha nincs rajta a burkolat, akkor világít az izzó. Múltkor is így jártam, az alaplap kiszedve elindult a tv, mikor felraktam a burkolatot, akkor kiütötte a sortranyót...
Na majd holnap átforrasztom az izzót, ahogy írtad, meg méregetek tovább.. Lehet veszek új elkókat, bár cseréltem már majdnem mindet, ki tudja. A hozzászólás módosítva: Jún 22, 2013
Szerinted mi okozhatja ezt a problémát hogy az a rész halványabb a képernyőn?.
A 200V-os katódtápfeszültség pufferét ellenőrizted?
Szia kadarist!, ez nem egy CRT tévé hanem egy LCD tévé.
Kedves Csaba! Odaírhattad volna, hogy LCD-ről van szó.
Scart-ról meg HDMI-ről is ilyen a kép?
Bekötöttem az izzót, ahogy mondtad, így mérve megvan a feszültség, 147V-ot mértem, sokszor próbáltam, a panelt több helyzetben, mozgatva közben, stb., az izzó világított mindig.
Most visszaraktam a tranzisztort, nem ütötte ki, sőt elsőre be is kapcsolt a tv, viszont mikor elkezdem összerakni a burkolatot, közben is be-be kapcsoltam, és van, mikor nem kapcsol be. Ilyenkor is megvan a kollektor-emitter között a 146 V, a képcső viszont nem gyújt be. Átforrasztottam a sorvégtrafó lábait, hátha, bár ez után is volt, hogy nem kapcsolt be.. A csatlakozók hátlapját felraktam, így nem akart bekapcsolni, volt, hogy nem jött be a kép. Azt mozgatva bejött, de kikapcsoláskor ütötte a tranzisztort... A hozzászólás módosítva: Jún 23, 2013
|
Bejelentkezés
Hirdetés |








