Fórum témák
» Több friss téma |
Fórum » NYÁK terv ellenőrzése
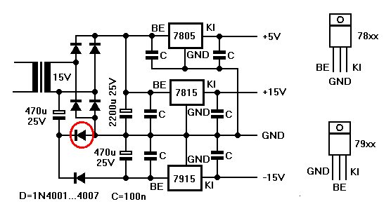
A kérdéses diódát bekarikáztam.
Akkor azt szerintetek ne építsem be? Sajnos annyira nem értek hozzá.
Idézet: „Ránéztem a rajzra is. Szokatlan!! A pozitív oldalon 2 utas egyenirányítás van, a negatívon meg talán egyutas, de mintha lenne ott egy számomra fura dióda.” Érdekes megállapítás....: Egy a Te közreműködéseddel készült áramkörben pontosan ilyen megoldással áll elő a negatív segédtáp. Csak abban a kérdéses dióda fordítva van bekötve... Mivel itt a pozitív oldal feszültsége azonos a negatív oldaléval, azt a bizonyos diódát nem a GND -re kötném, hanem a transzformátor másik kivezetésére. A kondenzátor felé a anóddal. A hozzászólás módosítva: Jún 25, 2013
Ez tuti, akkor így építsem meg? Kezdek teljesen elbizonytalanodni, mindenki mást mond.
Én a két rajz közti hasonlóságot nem látom olyan egyértelműen mint Te, de ez betudható felkészületlenségemnek.
Az általában nagyon nem mindegy merre is áll egy dióda. Valóban a Reloop által bekarikázott dióda az, ami nehezen értelmezhető nekem.
Nekiálltam bevinni ezt az egészet a Tinába, hogy lemodellezzem, és nekem is feltűnt hogy tényleg furcsa a puffer. az alsó 470-es helyett kéne 2200-as, jól gondolom? És ami a trafó lábáról lejön az mindkettőre "vonatkozik" a soros kapcsolás miatt?
Szia!
E szerint a rajz szerint építsd meg. A Negativ oldalon a 7915 előtti kondenzátor legyen 2200uF, a 47µF kondenzátor kapacitását is jelentpsen meg kell emelni. A hozzászólás módosítva: Jún 25, 2013
Köszönöm, de módosítanád inkább az én rajzomat?
Mindenképpen azt szeretném megépíteni, de úgy módosítva hogy működőképes legyen.
Maradtam annál, hogy saját magam készítem el, így tovább próbálkoztam.
Megnéztem ennek a kapcsolásnak az eredeti nyáktervét és abból ötleteket merítve vagy éppen lemásolva sikerült megcsinálnom a saját elképzelésem alapján a nyákot. Szeretném, ha átnéznétek. Köszönöm!
Köszönöm! Nem tudom mért piroskezezte le valaki ezt a hsz-ed, nem én voltam.
Lemodelleztem Tinában, és az a helyzet, hogy a +5V és a +15V-os ág működik, viszont a -15V-os nem, és az egész kapcsolás több száz(!!) Ampert vesz fel. Valami nem stimmel... Ha kiveszem azt a elkót ami AC feszkót kap a trafó lábáról, akkor kellemesebb lesz az áramfelvétel, de a - ág továbbra sem megy. Valami nagyon nem stimmel itt....
Itt a terv:
Fekete himlőt kapott a TINA? Már nem lehet a fát látni az erdőtől.. Egy kapcsolás, meg nem úgy működik, hogy kiveszem-beteszem a kondit. Mindennek oka van..
![]() Egyébként nem akarlak biztatni, ez a kapcsolás abban az alkalmazásban amit használni szeretnél, nem sokat ér. De majd ha terheled, meg fogod látni. Az 5V-os rész "füstölni fog". Ez igazán akkor használható, ha a +15V mellé, egy kisterhetőségű -15V-ra van szükség. Nem amikor mind két terhelés 200mA. De majd ha terheled, meg fogod látni. üdv!
Köszönöm szépen, ez működőképesebbnek tűnik, de a -15V nagyon lassan, percek alatt jelenik meg. A pufferek, kondik mérete rendben van? Az egyik 470-es az ugye 2200-as?
Akkor nem is érdemes megépíteni? Tényleg vegyek egy +-15V-os trafót? Akkor tényleg többe fog kerülni a lé mint a hús...
Mitől lehet az hogy a - ág később áll fel? Ez a valóságban lehet hogy csak másodpercek alatt zajlódik le?
Sziasztok!!
Elkeszitettem ezt a fulhallgato erosito NYAK tervet, es ehhez kernek segitseget, az ellenorzesbe. En atnezem, de hibat nem lattam, de tudjatok hogy van, a mas munkajaba mindig megkapjuk a hibat mint a sajatunkba.
Nézd meg a rajzot! Egy kisebb kondival "töltögeted" a nagyobbat. Ráadásul egyutasban, vagy is minden periódusban, egy félperiódus alatt. Trafót ne vegyél +-15V-osat, mert az váltót ad. Maximum tápot. (A +30V/-5V-os tápnál, kicsit más a helyet, ott messze van a két villany egymástól.) De most már messze offolunk egy jó ideje!
A hozzászólás módosítva: Jún 26, 2013
Hello! Mondjuk nincs az IC-nek plusz tápja, R3-ak hiányoznak. A tápon a 100nF-ok nézd meg a képen a tranyók közelében vannak. Szerintem nem vetted észre, hogy ez +-15V-al megy. Nincs kötéspontja a GND-ne a tápoldal felől. Vezető sávok vékonyak a tápnál. (De aki erősítőt épít, mást is fog mondani a topológiára..) üdv!
Oké, szerinted akkor összességében működőképes és jó ez a megoldás? Nem lehetne a - oldalt is módosítani úgy hogy olyan legyen mint a +os?
Szerk.: amúgy kezdem megérteni a működését, kezdem kapizsgálni a lényegét, úgyhogy a fenti kérédsem lehet hogy hülyeség A hozzászólás módosítva: Jún 26, 2013
Nézegesd még, a diódák és a velük párhuzamos elkók polaritása fordított.
De lehet, ha két trafó tekercs van.
A hozzászólás módosítva: Jún 26, 2013
Sziasztok!
Kijavitottam a jelzett hibakat. Itt az "uj" terv.
Szia! A D1,2 és C3,4 polaritását nézd meg tüzetesebben! Jeleztem a múltkor is.
A kapcsolasi rajzon is igy, forditva van. Akkor most hibas a rajz?
|
Bejelentkezés
Hirdetés |










