Fórum témák

» Több friss téma
Fórum » Elektronikában kezdők kérdései
- Ez a felület kizárólag, az elektronikában kezdők kérdéseinek van fenntartva és nem elfelejtve, hogy hobbielektronika a fórumunk!
- Ami tehát azt jelenti, hogy a nagymama bevásárlását nem itt beszéljük meg, ill. ez nem üzenőfal!
- Kerülendő az olyan kérdés, amit egy másik meglévő (több mint 17000 van), témában kellene kitárgyalni!
- És végül büntetés terhe mellett kerülendő az MSN és egyéb szleng, a magyar helyesírás mellőzése, beleértve a mondateleji nagybetűket is!
Lapozás: OK   2043 / 4061
(#) Lanemir válasza pjg hozzászólására (») Júl 5, 2013 /
 
Nagyon köszönöm!
Működik.
(#) resystance hozzászólása Júl 5, 2013 /
 
Sziasztok! Sikerült elfüstölnöm egy potit tekergetés közben. Már teljesen le is mondtam róla, de gondoltam, rámérek, hogy lássam, mi történt vele. Legnagyobb meglepetésemre tökéletesen működik, gyönyörűen végigjárta a tartományát, ahogy kell neki. Nem kéne ennek elromolva lennie?

Más. Nem rég írta valamelyikőtök, hogy hőelvezetésnél egy pici légrés is elég az alkatrész és a hűtőborda közt, hogy 200-szoros hővezető képesség-csökkenés történjen. Nem rég szétbontottam egy régi PC tápot, ahol a tranyók és a hűtőborda közt ezt találtam sorrendben: tranyó -> paszta -> műanyag fólia -> hűtőborda. Azt szeretném kérdezni, hogy a fólia milyen megfontolásból lehetett ott?
(#) vicsys válasza resystance hozzászólására (») Júl 5, 2013 /
 
A műanyag fólia, szigetelés miatt van ott, hogy ne érintkezzen elektromosan a tranya és a borda.
(#) Gergolein hozzászólása Júl 5, 2013 /
 
Üdv mindenkinek!

Megépítettem a cikkek között talált "Be-ki kapcsoló nyomógombból" áramkört.
Próbaként két ceruzaakksira kötöttem, és így 2,4 voltról remekül működött. Ezt a kapcsolót viszont nem ide szántam, hanem egy 4 ledből álló lámpába, ami USB-ről(5,12voltról) működik. Amikor beforrasztottam, azt tapasztaltam, hogy az első gombnyomásra bekapcsol, de a következő gombnyomásra semmit sem reagál. Azt tapasztaltam még, hogy ha a kondenzátort kisütve tartom, és úgy nyomom meg a gombot, akkor kikapcsol.

Mi lehet a hiba?

Előre is köszönöm a segítséget!
(#) szlori hozzászólása Júl 5, 2013 /
 
Sziasztok !

Egy elég egyszerű kérdésem lenne mini-erősítő bekötéssel kapcsolatban, csak sajnos egyszerűbben nem tudom leírni, úgy hogy meg is értsék, miről lenne szó.
Tehát: Hordozható, kis teljesítményű hangládát csinálok éppen, ami mobiltelefonba vagy laptopba illeszkedő 3,5"-es sztereó jack dugón keresztül kapja a tápot. A jack dugót közvetlen a 2 hangdobozra kötöttem és az szól is, de rettentő halkan. :/ Ezért gondoltam egy olyan ötletre, hogy közé teszek egy mini erősítőt, ami a leírása szerint 3-12 V között üzemel, tehát pl. egy laptopról táplálva már tudna szólni, vagy akár telefonról, de az sem baj, ha arról nem.
Az első kérdésem az, hogy az erősítő bekötése fog-e egyáltalán valami hangerő növekedést produkálni ?
És ha igen, akkor hogy is kéne bekötnöm ezt az erősítőt a rendszerbe ? -.-
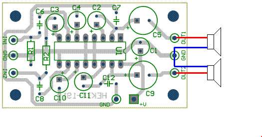
Erről a szerkezetről van szó: http://www.hestore.hu/prod_10028470.html
Na most a képen kinagyítva látom, hogy van rajta egy IN1, IN2, és GND. Ez rendben is lenne, ha mono kábelt csatlakoztatnék hozzá. De ha nekem stereom van, ami már 4 vezeték, akkor le kéne párhuzamosítanom őket, hogy egy erősítőre ráköthetőek legyenek? Azt nem hinném, hogy minden drótpárra vennem kell egy erősítőt (2 drótpár ==> 2 erősítő ? O.o ) mert elég hülyén hangzik.
Ja és mégegy: Ilyen esetben a GND-vel mit kezdek ? Hagyjam szabadon és csak az in1, in2 ami bekötésre kerül ?

Köszi előre is !
Szlori
(#) BEMcorp válasza szlori hozzászólására (») Júl 5, 2013 /
 
Az in1 és in2 a két csatorna. Azaz, pl az in1 a bal, az in2 a jobb. A sztereó jel 3 "kábeles": bal-jobb-föld(gnd).
Tehát a GND-re a közös (negatív) pontot kötöd a jack-ről.
Az erősítő tápfesz-csatlakozásai pont nem látszanak a fotón, a panel túloldalán vannak.
A hozzászólás módosítva: Júl 5, 2013
(#) reloop válasza szlori hozzászólására (») Júl 5, 2013 /
 
Szia! A GND-t kösd a Ground-ra. Az IN1 és az IN2 tetszés szerint a jobb és a bal csatorna.
(#) reloop válasza szlori hozzászólására (») Júl 5, 2013 /
 
Az első kérdésedre a válasz: a HEKIT-191 várhatóan nagyobb teljesítményt bocsájt ki mint a laptop, vagy a telefon. A táplálása akkumulátorról, elemről, vagy hálózati feszültségű tápegységről könnyen megoldható. Ha a laptop tápfeszültségét szeretnéd felhasználni hozzá, az várhatóan nagy alapzajt eredményez.
(#) szlori hozzászólása Júl 5, 2013 /
 
Aha, így már világos a bekötés egyik része. (elnéztem a sztereo csati drótjait, nem is kicsit :O )
Még annyi, hogy az outra ilyenkor tehetek párhuzamosan kapcsolva 2 hangszórót ugye ?
(#) reloop válasza szlori hozzászólására (») Júl 5, 2013 /
 
Lerajzoltam.
(#) prebuds hozzászólása Júl 5, 2013 /
 
Üdv! Laikusként lenne néhány kérdésem.

1) Adott egy 1,5 voltos ceruzaelem. Technikai okokból kb. 1 méternyi kábelt kell használnom az egyik érnél, milyen vezetéket ajánlotok, aminél a legkisebb az áramerősség csökkenése, azaz mi vezeti leghatékonyabban az áramot? Például mi a lényegi különbség az alábbi 2 termék között? http://www.hestore.hu/prod_10031888.html
http://www.hestore.hu/prod_10029068.html

Jobban járok, ha egy nagyobb keresztmetszetű audio kábelt használok (annak az egyik erét)? Bővebben: Link

2) Kellene nekem kanthal ellenállás huzal, de olyan, amiből egy pár centis darabot használva egy 1,5 voltos ceruzaelem fel képes izzítani. Többféle kanthalt vettem próbaképp, de csak 3 elemmel izzik jól a legvékonyabb, ami nekem van.

Nem tudom, milyen vastagságú, ellenállású kellhet...

3) A két pólust rövidre zárnám kanthal huzallal, így szeretném izzítani. A kérdésem az, hogy ti hogyan rögzítenétek? Ha sikán csak rátekerem a vezetékekre a kanthalt, sokszor elég rossz az érintkezés. Forrasztani meg gondolom felesleges, mert amikor izzik, akkor az ónt is megolvasztja... Vagy rosszul gondolom?

Előre is köszi a segítséget!
(#) szlori válasza reloop hozzászólására (») Júl 5, 2013 /
 
Köszönöm, így már minden világos !
(#) Viskoo hozzászólása Júl 5, 2013 /
 
Sziasztok!
Segítséget szeretnék kérni h a képen látható transzformátor (MI-SS 212DM)amit szétszedtem hogyan müködik? A Négy lábára megy be a 220V az érintkezőknek alap állapotba hogyna kell lennie? zárt vagy nyitott? annyira nem értek hozzá. Van még egy ilyen ha megütögetem akarna müködni de sajnos nem müködik. nem tudom érthető -e voltam.Kérném a segítséget. Köszönöm előre is!
(#) BEMcorp válasza Viskoo hozzászólására (») Júl 5, 2013 /
 
Üdv!

Ez egy relé, jelfogó, nem trafó.
Ha a tekercsre megfelelő feszültséget kapcsolsz (nem látom az értékét feliratozva), akkor elektromágnesként működik, megmozdítja az érintkezőket, és összekapcsolja a két réz érintkezőt.
Gyakorlatilag feszültséggel működtetett kapcsoló.
(#) prebuds válasza prebuds hozzászólására (») Júl 5, 2013 /
 
Másképp fogalmazva: 1,5 voltos AA elem esetén a vékonyabb, vagy vastagabb vörösréz audio kábelnél gyengül jobban az áram? Tehát melyiket célszerű vennem e célra?
(#) pjg válasza Viskoo hozzászólására (») Júl 5, 2013 /
 
Ez nem transzformátor! Ez egy relé, más néven mágneskapcsoló.
(#) pjg válasza prebuds hozzászólására (») Júl 5, 2013 /
 
A vezetéknek az ellenállása a keresztmetszettel fordítottan arányos.
(#) proli007 válasza prebuds hozzászólására (») Júl 5, 2013 /
 
Hello! Egy vezető ellenállása annál kisebb, minél rövidebb, minél nagyobb a keresztmetszete. Persze az anyaga is számít, de általában az réz. R=Rho*l/a összefüggés alapján. ("Rho" a vezetőképesség, "l" a hossz, "a" a keresztmetszet. ódv!
(#) Csupasz válasza proli007 hozzászólására (») Júl 5, 2013 /
 
Ez egy frappáns, pontos válasz volt!
(#) Viskoo válasza BEMcorp hozzászólására (») Júl 5, 2013 /
 
Ezek az értékek vannak rajt. a négy lábára 220V megy a 2 lábán meg viszont 12V kellene jönnie h jól gondolom annyira nem vágom
Az mitől van h ha megütödetem ovatossan akkotr müködni akar?

IMG_0895.JPG
    
(#) pjg válasza Viskoo hozzászólására (») Júl 5, 2013 /
 
Ez nem trafó! Relé.
12V-os a tekercse. Ennyivel kell vezérelni és 250V 5A kapcsolására alkalmas.
A hozzászólás módosítva: Júl 5, 2013
(#) BEMcorp válasza Viskoo hozzászólására (») Júl 5, 2013 /
 
Nem egészen, a 12V ugyan 12V, de oda megy, nem pedig leadja.
A hálózati feszültséget kapcsolja a relé, a 12V-os feszültség rákapcsolásával.
Ezért van a 4 láb: fázis-nulla be, fázis-nulla ki.
(#) Viskoo válasza Viskoo hozzászólására (») Júl 5, 2013 /
 
A két vastag fekete piroson 220 megy be a két vékonyon nekem 12V körül kellene kijönni....

IMG_0898.JPG
    
(#) pjg válasza Viskoo hozzászólására (») Júl 5, 2013 /
 
Te csak írni tudsz? Nem olvasol?!
(#) dudzsi válasza Viskoo hozzászólására (») Júl 5, 2013 /
 
Ez egy 12V-s relé ami 220V-t kapcsol. Valoszinü szorul vagy haldoklik. Cseréld ki egy másikra és jó lesz.
(#) BEMcorp válasza Viskoo hozzászólására (») Júl 5, 2013 /
 
Ha csak ennyi az összes áramköri elemed ( ha nincs több alkatrész kapcsolódva), akkor nem fog.
Ez nem trafó, hanem relé.
(#) erdgab válasza Viskoo hozzászólására (») Júl 5, 2013 /
 
Kedves barátom,ez akkor is egy relé,hidd el.A behúzó tekercse 12V működtethető és 220V feszültséget kapcsol valamilyen fogyasztónak,azért van a 4 lábára kötve,mert két áramkörös kapcsolóként működik,a "220V" mindkét szálát kapcsolja,avagy nem kapcsolja.Mondhatnám azt is,hogy ez egy két áramkörös mágneskapcsoló,aminek 12V a behúzótekercse.
(#) Viskoo válasza pjg hozzászólására (») Júl 5, 2013 /
 
Egy pill dolgozom az adatokat fel mert sok egy kicsit....
(#) Viskoo válasza erdgab hozzászólására (») Júl 5, 2013 /
 
Akkor nekem azért nem müködik mert nem kap 12 V ot ami átadja a 220? én pont fordított sorendbe gondoltam
(#) silent15 válasza Viskoo hozzászólására (») Júl 5, 2013 / 1
 
Szia, akkor bekapcsolódok én is , először is, úlj ezen a képen 5 percet, és akkor megérted a működését, ennél szemléletesebbet nem találtam.
Összegezve, goldolj el egy csapot, aminek a megtekeréséhez 12 ember kell (12V) és a csatolt képemen képzeld el, hogy 220-as csoportokban sétálnak az emberek, ha a 12 ember nem csinál semmit, balra, ha elfordítják a csapot (a 12 ember) akkor jobra fog menni a 220 másik, de a 2 sohasem fog találkozni, közük nincs egymáshoz
Következő: »»   2043 / 4061
Bejelentkezés

Belépés

Hirdetés
XDT.hu
Az oldalon sütiket használunk a helyes működéshez. Bővebb információt az adatvédelmi szabályzatban olvashatsz. Megértettem