Fórum témák
» Több friss téma |
Hát, megpróbáltam. A kapcsolási rajz tényleg csak elméleti, sok alkatrész nincs dimenzinálva, a 555-öshöz biztos potit tennék, de a vezérlőfokozat talán kivehető.
Mit szóltok hozzá? Első nekifutás csatolva.
Üdv!
A Fet bemenetét azért egy picit védeni szoktuk, mindjárt teszek fel egy rajzot, hogy én hogyan csináltam meg a 1.5KW-os dc pwm szabályozómnál. A feteknél lévő D5A és D5B elhagyható, ha olyan FETeket választol, amikben már van védődióda (általában ilyen nagy teljesítményűeknél már szokott lenni) A kapcsirajzomon a FET- nem olyan típus, amit használtam, de abban már van dióda.
nem tudom berakni a képet, leírom:
A gate-et húzd le egy 220K-val testre és kössél sorba egy 2K-s ellenállást. Itt megint menj le testre az optotranyó ellenállásával és felfele a tápra meg az optotranyóval. Tutira működik! 1.5kW-os halogénlámpa királyul megy!
Jópár probléma van a kapcsolással!
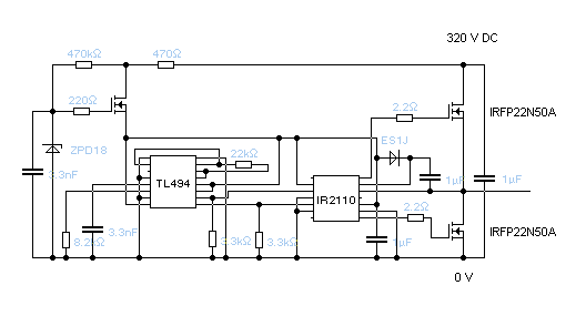
Az optók nem tudnak ekkora feszültséget kapcsolni, és a mosfet-nek gyors átkapcsoláshoz nagy gate-áramot kellene biztosítani (kb. 1-2 A-t!). Viszont a gate-eket védeni kell, Ugs nem lehet nagyobb 20...30 V-nál. Az egyik tranyó bekapcsolása előtt a másikat ki kell kapcsolni ("holtidő", "dead time"), különben egymásra nyitnak, iszonyú nagy árammal. Erre a feladatkörre vannak bevált kapcsolások, pl. az IR2110-es kombinált alsó és felső oldali gate-meghajtó. Mellékeltem egy működő 1 kW-os kapcsoló üzemű táp kapcsolási rajzának részletét, ami használható ilyen célra. A MOSFET-eket kicserélhetitek 2-2 db párhuzamos IRF740-re. A TL494 1-es lába a bal fölső sarokban van, az IR2110-é a jobb alsóban. Ezekkel az értékekkel 55-60 kHz körül megy, de föl lehet menni kb. 200 kHz-ig. Zárlat és túlterhelés ellen nem védett, ezért először mindenképpen kis tápfeszültségen próbáljátok ki, és ellenőrizzétek, hogy a rákötött terhelés megfelelő frekin (a generátor frekije alatt egy kicsivel) rezonál-e, és nem túl kicsi-e az impedanciája (áramváltóval és szkóppal ellenőrizzétek az áramot)! Egy soros bizti is kell a kimenetre.
A két fet egyszerre való működését tényleg ki kell védeni, de simán optoval is működni fog.
Az a nagy áramot maximum a fet belső gate-source kapacitása okozza, de simán kibírja az opto. Az optotranyót elég 12V-ra kötni, simán kapcsolni fog. Mi 2kHz-es frekin hajtjuk PIC-el és tökéletes 1.5kW-on! Nem kell még abba Ir meghajtó, a Lokátormérnök tanárom is így hajtja simán.
Aurum!
Csak érdekességképpen: nem létezik olyan diszkrét MOSFET, amiben nincs "védődióda", mert az nem pluszba van betéve, hanem a diódára épül rá a FET, dióda nélkül nem is lehet elkészíteni. Viszont azért, mert ez kényszerűségből van ott, nem tudják igazán gyorsra megcsinálni a diódát, és ez néha gondot okoz. Akkor, amikor a terhelő impedancia elkezd kapacitív jellegűvé válni, a diódának gyorsan kellene zárnia, de nem tud, ezért nagy áram kezd folyni, és fűti a túloldali FET-et. Ezért kell a terhelés rezonanciafrekijét a generátor frekije alatt tartani. Idézet: „Az a nagy áramot maximum a fet belső gate-source kapacitása okozza,” Nem okozza, hanem megkívánja, de attól hogy "csak" emiatt kell, attól még kell! Persze 2 kHz-en nem kell nagy áram, de 2 kHz szerinted elég lesz? A terhelő rezgőkör értékeiből ítélve biztosan nem. Ezekhez az értékekhez kb. 200 kHz jön ki. És honnét veszel 150 V-ot elviselő optót?
Egyébként nem csak a gate-source, hanem a gate-drain kapacot is föl kell tölteni, és ez kb. ugyanakkora áramot igényel.
Üdvözletem mindenkinek!
Engem is érdekel a téma, igaz a fűtőszálas verzió: Itt van egy nagyon f*sza leírás. Igaz ugyan, hogy angol de szerintem elég korrekt.
Szia!
Jópofa dolog, biztos lehet vele alumíniumot is olvasztani. Mi az a "Kanthal wire"? Valami speciális ötvözetből készült drót? Ez milyen anyaggal béleli ki? Porózus samott-téglával? Van aki belevág a megépítésébe? ---- Kipróbáltam az alumíniumot olvasztani egy indukciós melegítőn, kevés sikerrel. Ugye a készülék csak akkor enged bekapcsolni, ha elég vas, ill. induktív anyag van a tekercs közelében, különben nagyon felszökhet a feszültség, meg akkor minek is menjen feleslegesen. Ezt csak egy vaskoronggal értem el, amire tettem alumíniumot, de a vasat nem hozta izzásba az 1800W-os induktív "rezsó" , se az alumíniumot olvadásba. Üdvözletem a lelkes kemenceépítőknek.
Tényleg nincs senkinek ötlete, milyen fűtőspirál van ebben, illetve honnan lehet ehhez hasonlót beszerezni Magyarországról?
A falazat YTONG a főtőspirál Kanthal (FeCrAl ötvözet) elnevezésű anyagot fűtőkészülékekben és kemencékben használják. KANTHAL
KANTHAL adatlap beszerzés
A falazat tényleg sima YTONG? Én úgy vettem ki valami porózus samott-tégla.
Köszi a linket a fűtőszálra! Közben utánaolvastam pár angol nyelvű barkácsoldalon, lehet hogy mégis egy mobilis kis olvasztót építek. Pár link: Gázolajjal táplált 1 egy másik hasonló, propángázzal? Általános tudnivalók, különböző modellek Itt szó van a gázmentesítő tablettáról, de a képen egy lehetséges m...is van Remélem aki hasonlóakban gondolkodik tud valamit használni az összeszedett oldalakról. Ez nem maradhatott ki: Alumíniumolvasztás a legköltségkímélőbben Úgy néz ki, végül is egy ilyen fém "bojler házba" épített kemence a legmegfelelőbb mint a mobilitás, mint a helyigény szempontjából. És akkor itt merül fel a kérdés, hogy miből készül a falazat? Mert az oké, hogy YTONG téglából egy részét ki lehet rakni (bár ha hengereset készítek, kicsit szögletes lesz), de mivel tapasztom egybe a téglákat, amit nem csillagászati áron mérnek? Sima csemperagasztó nem jó? Mit szoktak használni cserépkályháknál? Üdv. deguss
Ha az a tégla samott lenne nem tudna bele a fűtőszálaknak helyet csinálni illetve nem kéne egy fűrész az asztalon, amivel méretre vágja ilyen könnyedén (samot egy kicsit nehezen vágható).
Az alumínium öntésről bővebben (magyarul): Link Válaszd a "használat + fejlesztés" pontnál a "Fémöntés házilag" sort.
Nah, köszi az infót, megnéztem az előadást, tényleg nagyon jól informál, igaz a formakészítés számomra már világos volt, meg már csináltam is.
Úgy tudom, meg az előadásban is említették, hogy az YTONG tégla nem igen hőálló, meg csak pár alkalomra használható. Én sokkal inkább szeretnék valami időállóbbat építeni. Ha samott téglát szerzek, és összerakok belőle egy hengert, akkor azt mivel tudom egybetapasztani? Nyugi, elmegyek a tüzépre, de csak hogy tudjam, mit keresek, meg hogy ne nézzenek annyira hülyének, mikor megkérdezik, mihez kell. Kérdés: Ha egy vashengerbe építem a falazatot samott-téglából, akkor a hőtágulás miatt nem fogja az egyik "megadni magát"? Van aki épít még, vagy tervez, vagy mostanra csak én maradtam? Mert úgy rémlik, páran egy hónapja nagyjából hasonlóan lelkesedtek a téma iránt. Majd megkeresem kik voltak...
Szia!
A samott-téglát samott por+vízüveg keverékével szokták egymáshoz tapasztani, ez veszi át a malter szerepét itt. Ha megvan a felépítmény, akkor ki kell égetni és kész. Jó, erős, strapabíró cucc lesz, nyugodtan építheted vashengerbe, mindenki így csinálja.
Bocs, de mit kell kiégetni? A vízüveggel feldolgozott samott-port?
Ez miből lehet?
Ma csináltam én is egy kis kemencét samott téglával, és habarccsal. Úgy halottam, hogy elválhat a habarcs a tégláktól. Ennek van valóságlapja? Só olvasztáshoz csináltam egyébként a kemencét, de szerintem az olvadékot egy külön kis valamiben fogom tárolni a kemencén belül, mert félek, hogy hozzátapad a samotthoz. Itt van néhány kép (még nem raktam fel a mai napi munka eredményét) Bővebben: Link
Ügyes-ügyes.
Az olvadékot, akármi is legyen, mindenképpen külön tárold, nehogy egyszerűen ráöntsd a samott-téglára. Nem vagyok vészjós, de szerintem a sima habarcs nem fok sokáig tartani, mert magasabb hőmérsékleten a gázok nem tudnak távozni belőle, és egyszerűen szétpattogzik. Meg tudja valaki mondani, hogy itt mivel fűtenek? Annyit látok, hogy van egy hajszárító is a képen.
Szerintem grafittégelyt csinálok neki, vagy lehet valami vékony kerámiát... majd kiderül
Grafittégelyt csinálsz? Azt meg hogyan?
Miért? Volt valamikor is olyan "lehetőség" , amikor nem külön edényben olvasztottál volna????
Szerintem nem. Ne hülyéskedjél már! Egyszerűen alap dolog, hogy vasöntvény vagy grafittégelyben kell olvasztani!
Még hogy nincsenek véletlenek. Egy frászt!
Egy régi ismerőssel összefutva máris hozzájutottam egy gázmentesítő tablettához, és egy alumínium-stoncium rúdhoz kedvezően, mely pont alumínumolvasztásra való. A gázmentesítő tablettából egy darabot bele kell nyomni az olvadékba, le az aljára, majd hagyni kell még feloldódik, és az összes gáz kijön. A stroncium-rúdból meg így kb. 2 cm-es darabot kell 1 kg alumínumhoz adni, valami "nemesítésről" beszélt, sokkal szebb kristályok képződnek tőle. Vagyis ennyit jegyeztem meg abból, amit mondott. ![]() Már tényleg nincs más hátra, "csak" egy olvasztókemencét építeni. Mit gondoltok, rendes fűtőszálat nem érdemes kipróbálni? Pl. ilyen mosogépből valót? Csak kibír nyavajás 700-800 fokot? Jótanácsként még leírom, amit megtudtam: könnyen elkészíthető tégelyt lehet csinálni sima vastag falú acéldobozból, esetleg öntöttvas-üstből, ha annak belső falát bevonjuk samottpor és vízüveg keverékkel, ahogy azt itt Aurum kollega említette. Grafittégelyt aligha tudsz készíteni házilag, kedves Collector kollega!
Üdv!
Ha már mégis az elektromos kemencéknél járunk, én kipróbálnám (ha lenne) egy elektromos fűtőtest fűtőszálját, ráadásul azt a fajtáját, ami körül van véve kvarcüveg csővel és abban izzik a spirál. 5000.- körül van a praktikerben, de az Isten tudja még, hogy hány helyen láttam ilyen kb. 1kW-os "patronokkal" szerelt fűtőtesteket... Egy próbát megérne, de elég lenne a hőmérsékletet megmérni fűtés közben egyenlőre, talán adhatna valami támpontot.
Ez valóban jó ötlet. Ha lenne lehetőségem, én is kipróbálnám, úgy ahogy írtad! Hátha akad valaki, aki még olvassa a témát, és lelkes buherálóként meg tudja mérni...
A fűtőszálas kemence idította be az én agyamat. Holnap megyek beszerezni a samottéglát (valaha cserépkályha volt) meg a vízüveget, remélem ez így működni fog, és van itthon egy még egy nagyon régi kvarcüveges fűtőspirál, melynek úgyse jó a szabályzólya, sajna mások gyakorlati tapasztalatait még nem olvashatom itt
, de szerintem megpróbálom ezzel, az a lényeg, hogy a hőfoka meglegyen de még ne olvadjon, szublimáljon el, megmérni sajnos nem tudom, így marad a kísérlet. Aztán ha lesz időm összerakom és beszámolok a fejleményekről ha valakit érdekel.
Nah, akkor megelőztelek Benneteket!
A következőket próbáltam ki: Vettem régi vasalóhoz betétet. Ez azt jelenti, hogy 2 db. egyenként 600mm hosszú fűtőszál (inkább drót), kerámiatesttel körbevéve a szigetelés végett. Marha jól fűtött az 1200W, le is izzadtam tőle. De sehogy sem tudtam vele használhatóan megolvasztani az alumíniumot. Egy konzervdoboz alá tekercsbe pakolva, illetve a dobozt körbevéve se sikerült az alumíniumfóliákat megolvasztani, a vas rossz hővezetőképessége és a kis érintkezési felület miatt. A második kísérlet alkalmával YTONG téglából egy igen kicsi teret hoztam létre, alul-felül oldalt, mindenhol YTONG, a beltérben spirál alakban a fűtőszál, és a közepén két alu-golyó. Az eredmény lesúlytó, negyed óra után puhult meg az alumínium, de annyira nem olvadt meg, hogy folyékony lett volna. Sajnos. Az YTONG téglák maradandó károsodást szenvedtek, szépen felrepedtek a fűtőszál alatt. Most nem tudom mi lehet a baj, de vagy a teljesítmény kevés, vagy egyszerűen rossz a hőáramlás, de így nem működik. Milyen tégyelyt érdemes kipróbálni? Valami vastag falú öntöttvas tégelyt? Azon látni lehetne rendesen, a színéről, hogy hány fokos. Úgy tudom, 750-800°C-nál már szép sárgának kéne lennie. A konzervdoboz még meggypiros sem volt. Ki mit tanácsol, illetve milyen konstrukcióban gondolkodik a fűtést illetően?
Hey!
Csak próbál már megmérni a kvarcüveges fűtőszál hőmérsékletét! :yes: Ha máshogy nem, akkor a digitális kéziműszerekhez szoktak adni hőelemet, azzal 1200C-ig tudsz mérni. Igaz, nem valami pontos, de közelítő adatot csak tudnánk... ![]() Üdv! Aurum |
Bejelentkezés
Hirdetés |







, de szerintem megpróbálom ezzel, az a lényeg, hogy a hőfoka meglegyen de még ne olvadjon, szublimáljon el, megmérni sajnos nem tudom, így marad a kísérlet. Aztán ha lesz időm összerakom és beszámolok a fejleményekről ha valakit érdekel. 





