Fórum témák

» Több friss téma
Fórum » LM1036 sztereo hangszínszabályzó áramkör
Lapozás: OK   11 / 91
(#) DJ Szabcsa válasza DRoland hozzászólására (») Nov 24, 2007 /
 
D-Audio.1500 forint+postaköltség.Egy nap alatt ideért.
(#) BTO válasza Krajcsooo hozzászólására (») Nov 24, 2007 /
 
nem értem minek erőlködsz nyák tervezéssel,mert itt kapható komplett,csak a potikat kell +venni.
http://www.d-audio.hu/category_53/product_117/product_info.html
(#) BTO válasza DJ Szabcsa hozzászólására (») Nov 24, 2007 /
 
való igaz!
(#) szabi83 hozzászólása Nov 24, 2007 /
 
jó tudni..

Lead Temp. (Soldering, 10 seconds) 260°C

(#) soskajoska válasza (Felhasználó 4577) hozzászólására (») Nov 25, 2007 /
 
OK! De az LM1036 lényege a szimpla táp! :yes: Honnan vegyünk egy negatív tápfeszt, csak a koppanásgátlóhoz?
(#) DJ Szabcsa válasza BTO hozzászólására (») Nov 25, 2007 /
 
nem értem minek erőlködsz nyák tervezéssel,mert itt kapható komplett,csak a potikat kell +venni.

Hát ez egyszerű.Mert ha az egészet magam készítem el az teljesen más érzés.legalábbis szerintem.
(#) BTO válasza DJ Szabcsa hozzászólására (») Nov 25, 2007 /
 
akkor időd az van bőven.
(#) szabi83 válasza BTO hozzászólására (») Nov 25, 2007 /
 
[off]1 nap míg ide ér igaz?

20 perc alatt lehet csinálni nyákot... legalább is nekem ennyi

24 óra vs 20 perc..


(#) BTO válasza szabi83 hozzászólására (») Nov 25, 2007 /
 
én már nem tökörészem iesmivel,és nem tartok hozzá már semmi cuccot.
ha kell valami akkor keresek KITT-et hozzá és összerakom,a koromnál fogva már nem lelkesit a teljes elkészités.
(#) banyaiakos hozzászólása Nov 26, 2007 /
 
Sziasztok!
Én is megépitettem de nem 100as
Az első problémám az hogy a bass/treble állito semit se csinál. A másik hogy a potikat majnem teljesen eltekerem és csak az utolsó 10-20 fokban változtatja a hangerőt. A 47k-s potik helyett csak 50k-s volt de tuti nem ez okozza az előbbit. Amugy irták az oldalon hogy sok bajom lesz vele. Ha vki tud akko segitsen nekem.
Melékelem a cuccot ami alapján csináltam.
kköszi
(#) szabi83 válasza banyaiakos hozzászólására (») Nov 26, 2007 /
 
a nyákot még én próbáltam tervezni.. de mai napig az úgy maradt...

sztem rakj össze egy másikat...
(#) titi válasza banyaiakos hozzászólására (») Nov 26, 2007 /
 
Hali!

A 0.22µF -os kondik ugye nem elkók?
Csak azért kérdem, mert a nyákterven jelölve van a + lábuk.
(#) DJ Szabcsa válasza banyaiakos hozzászólására (») Nov 26, 2007 /
 
Fentebb tettem fel egy nyáktervet az biztosan jó.
Amúgy a potik jól vannak bekötve???
Mekkora tápfeszt adsz neki???
Az hogy a poti 47k vagy 50k az sztem mindegy.Én már hallottam hogy valaki 100k potikkal üzemetette és jó is volt.
(#) frrrrr válasza DRoland hozzászólására (») Nov 26, 2007 /
 
Hátha érdekes infó atz újonnan építőknek:

Átfutottam az LM1036N pdf-t. Úgy látom, hogy a grafikonok közül a figure9 hasonlít (vizuálisan) a legjobban a fiziológiai görbéhez.
Ez viszont a 6. lábon 100 nF-os kondenzátort feltételez. Ha van kedve valakinek kondenzátort cserélni, adjon hírt a változásról, volt-e értelme a cserének (loudness bekapcs.).
(#) banyaiakos hozzászólása Nov 26, 2007 /
 
Nem elkók, azt csak benéztem miko a nyákot terveztem
De hogyha a 6os lábon 100nF akkor a 15ösön is anyinak kéne lennie nem? (csak tipp)
azé köszi a segitséget. Amugy loudness off
(#) BTO válasza DJ Szabcsa hozzászólására (») Nov 26, 2007 /
 
valóban! a 3 megépitettből csak 1-t raktam össze 47K potival,van 25k val összerakott is,nincs nagy különbség,kisssé másképp szabályoznak.

a ludness az érdekes mert jamperral észrevehetően müxik ,kapcsolóra kivezetve meg nem érzékelem a különbséget,pedig kimértem a kapcsolót , szakit -zár.
(#) Ricsi89 válasza frrrrr hozzászólására (») Nov 26, 2007 /
 
Helló
Én hétvégén kicseréltem az említett kondikat, mivel alig volt mély hang. Most ezzel tökéletes hangja van. Kicseréltem még a bemeneti 470nanós kondikat is 1µF-osra. Így tökéletes.
(#) frrrrr válasza Ricsi89 hozzászólására (») Nov 27, 2007 /
 
Köszi a választ. A későbbiekben én is meg szeretném építeni a loudness miatt. Nem tudom, tegyek-e elé egy NE5532-t.
(#) banyaiakos válasza Ricsi89 hozzászólására (») Dec 3, 2007 /
 
Idézet:
„kicseréltem az említett kondikat, mivel alig volt mély hang... Kicseréltem még a bemeneti 470nanós kondikat is 1ľF-osra. Így tökéletes.”


Szia. Nem igazán értelek. Váltakozó áramú körben, (mivel a hangjel az) ha sorba kapcsolunk kondit akkor minnél nagyobb a kapacitása annál inkább csak a magas hangogat engedi át( kisfrekvencián szakadásként, nagyfrekvecián rövidzárként viselkedik).
Szal nem értem, hogy ha kevés volt a mély akkor pont hogy kisebb kapacitású kondira lenne szükség.

Meg az lenne a kérdésem hogy ehez mekkora potik kellenek? http://www.d-audio.hu/product_117/category_53/product_info.html
(#) szilva válasza banyaiakos hozzászólására (») Dec 3, 2007 /
 
Ha megnézed az LM1036 adatlapját, vannak ott grafikonok, amik Cb/2 és Cb/4 értékeknél mutatják a frekvenciamenetet. Kisebb basszus-kapacitásnál feljebb kerül a mélytartomány töréspontja, "nagyobb mélytartomány" érintett a szabályozásban. Ez az oka a több basszusnak. A maximális szabályozási szint marad +/-15dB körül, csak a töréspont változik.
(#) szilva válasza banyaiakos hozzászólására (») Dec 3, 2007 /
 
Idézet:
„Meg az lenne a kérdésem hogy ehez mekkora potik kellenek? http://www.d-audio.hu/product_117/category_53/product_info.html


Ezt a kérdést nem is igazán értem, az áramkör a topic címében szereplő LM1036-tal működik, szerintem nincs egy oldalra a legutolsó hozzászólás, ami azt taglalta, hogy nem igazán érzékeny a potik értékére (lévén feszültségszintek alapján szabályoz), de a gyári ajánlásban 47k-s potik szerepelnek.
(#) AtomCity hozzászólása Dec 15, 2007 /
 
Sziasztok!

Lenne egy fontos és főleg sürgős kérdésem!

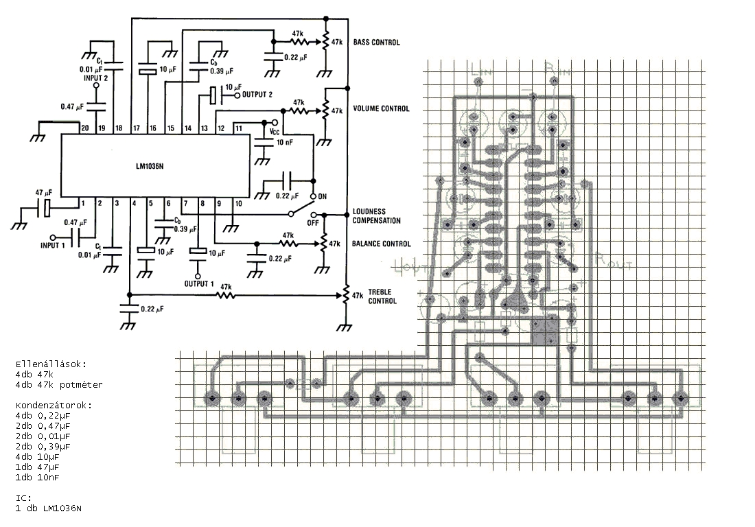
Szóval: ezen képen, amit csatoltam, hogyan kell bekütni a potikat, úgy hogy jó legyen? (balról-jobbra= minimumtól-maximumig)
A másik kérdésem, hogy a műveleti erősítőnek végülis ugye mindegy, hogy mekkora feszt adok, neki, attól nem változik meg semmilyen adata és a kapcsolásban sem okoz ugye gondot? (a mindegy, hogy mekkora fesz <= +-15V ) Az csak arra kell, hogy bekapcsoljon a műv. erősítő, ha jól sejtem... >
(#) banyaiakos válasza Ricsi89 hozzászólására (») Dec 18, 2007 /
 
gr89 énis kicseréltem a kondikat +kisebb potikat tettem de irdatlanul torzít, a terble-bass poti nem állit semmit és még halk is, pedig a NYÁKnak semmi baja. Szerintem abbahagyom és megveszem a D-Audio félét...
(#) Ricsi89 válasza banyaiakos hozzászólására (») Dec 18, 2007 /
 
Helló
Milyen potikat raktál bele? mert ha túl kis értékű van benne akkor lecsökkenhet a referenciafesz és akkor nem tudod szabályozni rendesen. A torzításról meg, a loudness funkciót hogy kötötted be? Ha bekapcsolt állásban van akkor lehet hogy azért torzít meg a lecsökkent referenciafesz miatt.
(#) irka hozzászólása Jan 21, 2008 /
 
Hali!
Mi a véleményetek az Urbánék által forgalmazott egységcsomagról? A rajz a Hobby elektronika 90 valahányas számában jelent meg, és a gyári ajánláshoz képest több alkatrész tartalmaz.(bár drágább is)
(#) suhanc hozzászólása Jan 25, 2008 /
 
Hali!
Én azt találtam ki van 4db ds 1669-100 am ami azt jelenti 100k .meg lehetne oldani hogy ez legyen a poti helyet nem lesz belöle semmi gáz?ugy értem hogy nem zavar be?nyomogombal jobb lenne a szabályzás szerintem.....
kösszi
(#) Ricsi89 válasza suhanc hozzászólására (») Jan 25, 2008 /
 
Hali
Nekem is ilyenekkel van megcsinálva csak az 50 kOhm-os változatával. De nyugodtan beleteheted ezt is semmi gond nem lesz vele. És nem lesz semmi zavarás. Pont most is az az erősítő szól. Meg azért jó nyomógombbal, mert később meglehet csinálni távirányításura.
(#) Ricsi89 hozzászólása Jan 25, 2008 /
 
Na akkor egy kis tapasztalat. Nekem magasnak és mélynek is 100nF-os kondi van berakva, mert csak így szól jól. Nemtudom miért, de ha kisebb kondit raktam a magas helyére akkor arányosan csökkent a hangerő is. A gyári kapcsoláson lévő kondival(10nF) alig volt hangerő. Maximumon úgy szólt, mint most negyed hangerőn. Nagyjából ennyi lenne amit tapasztaltam. Ha valakinek van ideje kipróbálhatja mi változik neki. Lehet, hogy csak nekem van ilyen mutáns IC-m.
(#) Kovidivi válasza Ricsi89 hozzászólására (») Jan 25, 2008 /
 
nekem is mutáns ic-m van... csak más problémákat produkál... meg sok zajt visz a rendszerbe... nem baj, erre vannak a szoftveres hangszínszabályzók
(#) Steven19 válasza frrrrr hozzászólására (») Jan 27, 2008 /
 
Helo Frrrrr! Szerintem egészen nyugodtan tegyél elé NE5532-őt nekem csak úgy hajlandó megfelelően szólni legalábbis az Urbán-féle verzió mert ha direktbe adom neki a jelet naggyon torzit és még az NE5532 bemenetén is eggy kicsit de ez a bemenő jel kis mértékű csökkentésével orvosolható úgyhogy kell oda az NE5532.Nekem amióta megvan az Urbán-os verziója ennek az IC-s kapcsolásnak eleinte döcögős volt a dolog de azóta semmi gondom nincs vele.
Következő: »»   11 / 91
Bejelentkezés

Belépés

Hirdetés
XDT.hu
Az oldalon sütiket használunk a helyes működéshez. Bővebb információt az adatvédelmi szabályzatban olvashatsz. Megértettem