Fórum témák
» Több friss téma |
Fórum » TV hiba, mi a megoldás?
Szep estet!
Van nekem egy grundig TV-em , amelynek a kepe keskeny, mivel meg nem tekertem helyere. Azt szeretnem megkerdezni , hogy me'g vagytok erre fele, birjatok energival? Udv
Sziasztok
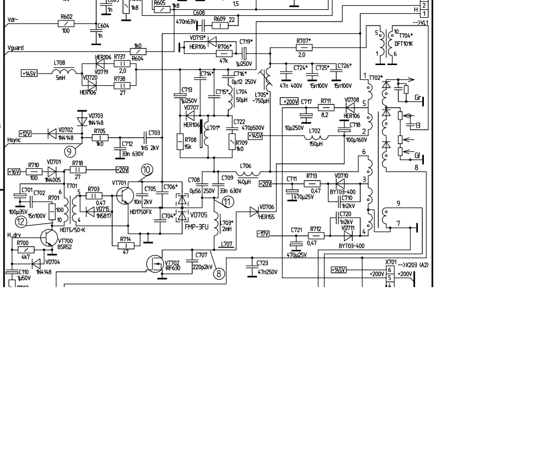
Videoton C29s11 tipusú TV-n a képernyő kb. fele becsíkozódott. Csatolok egy képet róla, és a TV rajzát. Ez valamilyen eltérítési gond lesz? Merre kellene a hibát keresni? (esetleg a rajzon megjelölni azt a részt) Köszönöm.
Ezt a kört nézd át , hogy minden feszültség annyi e. Az alkatrészeket mérni ellenállásokat kondenzátorokat stb
Mindenféle képen keskeny ?Vagy csak mondjuk az M1 HD csatornán , mert akkor az úgy helyes .Persze abban az esetben , ha a tévé nem tudja a HD t.
Melyik kört? Mert nem látok semmilyen mellékletet a hozzászólásodban.
Most már látom.
Hú, hát ez egy elég nagy kör...
Első körben ellenőrizd le , hogy a feszültségek , amik meg vannak jelölve stimmelnek e.Az nem olyan nagy kör.
Üdv! Én azt szeretném kérdezni, hogy a három kivezetésű PTC-ellenállást be lehet e helyettesíteni a két kivezetésüvel? Képeket mellékeltem! Előre is köszönöm!
Azt a keskeny keernyot reggeb letargyalruk, helyre kenne csavarjam a kis tekercs vasmagjat. Azert firkalta ide ,hogy megkerdezem hogy vagytok.
Hello! van egy hyundai kis tévém és bekapcsolom a piros villog és pittyeg de se kép se hang nincs. mi lehet a baja és meg lehet csinálni házilag??
Üdv! Valószinüleg a sorvégtranzisztor adta meg magát!
és az kb merre találom?? ki lehet cserélni?
és van még egy hyundai az meg bekapcsolom és egyből ki is kapcsol azt érdemes megcsinálni? köszi a válaszod
Ha tudsz egy képet feltölteni a TV paneljéről, megmutatom hogy hol van! A hyundai-al kapcsolatban pedig, szerintem megér annyiz hogy belenézz! Először forrasztási hibát keress, vagy púpos kondikat stb!
Üdv! Ha mérnem múltival a 3 kivezetésű PTC-t, akkor milyen értékeket kell hogy kapjak? Merthogy kiszedtem a TV-ből, szétszedtem és a két kis karika valami van benne! Abból a nagyobbik el volt törve plussz megégve! Szétszedtem a két kivezetésü fajtát, és abban találtam pont ugyanolyan méretű épp karikát! Azt beletettem, de még nem próbálom ki! Mértem, az 1-2 lábak között kb 2-2,5kohm, a 2-3 lábakon pedig 18ohm! Ez így jó?
Próbáld ki, úgy, legfeljebb nem lesz teljesen jó a lemágnesezés.
hello itt a kis tévének a képe!
Kb ő lessz az, de jó lenne egy kapcsolási rajz is! Mi a TV pontos száma?
Szia Anita!
Van műszered és nem félsz az áramtól? Kezdd a mondatokat nagy betűvel és használj írásjeleket!
Anitaaaaaa???? Női szerelő? Ez igen, pláne ha még bele is mer fogni! Respect! És igen, tényleg!
Kellene egy múlti is, kiszedni azt a tranyót és lemérni, hogy mizu! A hozzászólás módosítva: Aug 28, 2013
Csak ha nem vagy felkészülve rá. Használj nagybetűket és a válaszgombot a fejléceben, hogy tudni lehessen kinek írsz.
Ha meg van az alapfelszereltség: forrasztópáka, forrasztóón, múltiméter, egy kis kézügyesség és esetleg néhány szerszám mint csavarhózó stb, akkor meg tudod oldani Te is! Ha ezek hiányában szenvedsz akkor sajnos csak szerelő, de az drágább mulatság lessz! A lényeg az, hogy egy ilyen hiba javítása nem túl drága! Végülis olcsóbb mint egy új TV! Úgyhogy csak bátran, ha segítség kell ittvagyunk!
hello! Egyedül multimérőnk nincsen de többi mind van! néztem a kondit az nem púpos meg nincsen elégve ott a forrasztása az ic nél sem,de viszont nézd meg ezen a képen olyan barnás színű az lenne a gond vele vajon??
|
Bejelentkezés
Hirdetés |













Kellene egy múlti is, kiszedni azt a tranyót és lemérni, hogy mizu!

