Fórum témák
» Több friss téma |
Fórum » TV hiba, mi a megoldás?
Sziasztok!Sony KV29X5-K televízióm van,dec. 31.-én lesz 13éves,eddig tökéletesen elégedett vagyok vele,mostanában lett egy olyan problémája,hogy az osd és a txt képet nem látom,mert gyakorlatilag marha gyorsan "szalad".Van valakinek vmi ötlete erre,javítható gazdaságosan?
hali aztszeretném kérdezni venék egy TEVION-LCD 406 televiziot 102cm es 50 000 ft szerintetek megéri e és megbizhatotipus ez a fajta tv.?
Sziasztok!
Van egy Samsung LE26A330J1 26"-os LCD TV. Bekapcsolás után szürkés a kijelző, gondolom valami alaplapi gond, mit érdemes megnézni?
Szia! Átmértem a szekunder kört! Minden feszültség a rajz szerint, jó és megvan! Hova tovább?
Vedd ki újra a tunert , és utána kapcsold be a tévét , és várj , hogy úgy kikapcsol e .Ha nem , akkor kellesz bele egy tuner valószínű elfáradt .
A tunert még nem szedtem ki, de nézcsak mire lettem figyelmes? (videó) Azt tudom hogy a TV árzékeny volt mondjuk a hírtelen képarányváltásra, és azonnal kikapcsolt! És bekapcsoláskor volt a jobb felső sarokban egy fekete folt ami lassan felfelé kúszva eltünt! Namost a videón látott dolog, csak egy szín ágyujánál van, a másik kettő, szépen befűtődik! Nem lehet hogy itt érzékel valami problémát és azért nem jön be a kép hanem leáll a TV?
Ha ilyesmi lenne , akkor az látszana a képernyőn , hogy valamelyik szín nem ok.
Vagy , ha zárlat lenne , akkor a táp letiltana , és el sem indulna. Egyébként ez a részlet az amikor indulna a tévé , de mihelyt megjönne a fény , ki is kapcsol ?
Gyanús nekem még mindig a táp az U155 ös ponton fixen meg van mindig a +155 volt ?
Nem csökken le pláne amikor kikapcsolási fázisba kerül a tv ?
Megvan míg be nem kapcsol a TV, utána leesik 142-re, de miért vajon? A kondikat kicseréltem ott, más mi lehet?
A videó végfokokat ki kellene mérni a panelon vannak ami a képcső foglalatára megy .
Helló, lenne egy tv, a baja az volt, hogy ha csatlakoztattam a scart - ot, nem volt kép csak hang. De nem kontakt hiba. Ha nem volt bejövő jel, természetesen csak a szürke - fehér habozás volt a kép. Egy kis idő után pedig elfeketedett. Találtam benne púpos kondit, mikor kiforrasztottam, az egyik láb kijött a kondiból, mintaki kioxidált belőle. Mindegy.... Kicseréltem, a kép megy, nem sötétedik el, csak most egy idő után összefut a kép, és a távirányítora nem reagál, hang sincs. Vannak benne még helyek ahol barnult a nyák, és egy ellenállás is mintaki megadta magát, mert nem látni rajta a színsávokat.
És milyen névre hallgat ez a tévé , sasszi szám esetleg stb ?
Kivettem a tunert, nélküle is kikapcsol! Mindjárt kimérem, és írom!
A hozzászólás módosítva: Szept 2, 2013
Nem tudom most a pontos nevét, egy régebbi Philips, valami ilyesmi
Nem tudod most , akkor jelenleg nincs ott a tv a közeledbe ?
Akkor még egyet kéne , hogy a képcsőfoglalatról lehúzod a panelt , és , hogy úgy kikapcsol e a tv . Csak vigyázz ne érjen addig sehová.
Persze, nincs nálam, melóban vagyok este megirom
Lehúztam a panelt a képcsőről, de akkor is kikapcsolt!
Ne add fel ezzel csak azt néztük meg , hogy a képcső zárlat van e , de nics.
A következőt kell tenni ahol a +155 volt os kimenet van a táp szekunder kimenetén , azt el kell függetleníteni , és ha ez meg van , akkor arra a +115 volt os kimenetre kell egy 230/100 w os izzót tenni , és figyelni , hogy úgy is kikapcsol e a tv , ha nem , akkor mérd meg , hogy fixen meg marad e a +155 volt , és természetesen az izzónak világítania kell majd . Ennek a lényege az lenne , hogy kiszűrjük , hogy csak maga a táp rossz , és a tv többi része jó , vagy , ha izzóval stabil lesz , akkor máshol keresgélünk .De ezt meg kellene nézned , így , mert ez fontos lépés lenne.
Szóval kössem úgy be ez izzót hogy, rajta keresztül menjen a 155V? Vagy szakítsam meg, hogy a sorvégtafó ne kapja a 155V-ot és csak úgy kössem be az égőt?
Szakítsd meg , és az izzót a +155v , és a test közzé kösd.
A hozzászólás módosítva: Szept 3, 2013
Na megvolt! A TV bekapcsol, az izzó világít, 154.3V van! De, ugynúgy 5-7 mp után kikapcsol a táp, kb 1mp-re most viszont újra be! Aztán ki, 1mp újra be 3-4mp és újra ki! És így tovább! Az égő viszont folyamatosan ég! Szóval standby módban is megvan az a 155V! Az izzó bekötése előtt mértem, hogy kikapcsolt állapotban, (mikor nincs fogyasztó)165V van, ha beindúl a sortrafó akkor esik le 155V-ra!
A hozzászólás módosítva: Szept 3, 2013
Ok a 154v az jó egyszerűsödött a dolog a táp körben lesz a hiba .Addig nem is érdemes mást méregetni , amíg a táp nem lesz jó.A következő lépés lenne az , hogy , ha kikapcsol is a tv mérni , hogy a szekunder oldalon minden feszültség meg van e.Az égő maradhat addig rajta sőt kell is nehogy megfusson a táp.Szóval mérj.
Minden feszültség megvan, akkor is ha a kis időre leáll a táp! Kivétel a eltérítés 27V-ja. De ez érthető, mert a sortrafóról jönne, ami ugyebár most nem kap áramot!
A hozzászólás módosítva: Szept 3, 2013
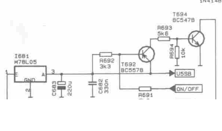
Igen az úgy jó .Viszont kiemeltem egy részletet a táp részből , amit esetleg felelős lehet ezért a kapcsolgatásért.A T692 , és a T694 környékén lévő alkatrészeket a tranzisztorokat kimérni.És ha minden rendben van , akkor az ON/Off ra tenni a műszert , és bekapcsolás után figyelni , hogy jön e oda olyan parancs aminek hatására meg kikapcsol a tv.
A hozzászólás módosítva: Szept 3, 2013
|
Bejelentkezés
Hirdetés |










