Fórum témák
» Több friss téma |
Fórum » PIC égetési hibák, problémák, kérdések
Szia.Na en akkor valamit jol beneztem.Holnap akarta picet csereni,de akkor csak programot kell.De igen arrol van szo.Na holnap letoltom megint.
Sziasztok.A fejlemények.Program letöltve,mivel két Db van,az első rádugva az égetőre,frankon beégeti,próba megvan a program.Következő,rádug ,azt mondja nem talál ilyen IC-t.Mindenféle beállítást megpróbáltam,semmi.Na gondoltam ez be halt,akkor csere.(de miért is álltam neki)a padok felszakadtak.A SO tolozást nekiálltam légszerelve összekötni,egy DE megvolt.Ok rá az égetőt.Megint nem talált IC-t.Kezdtem morcos lenni.Az égetőt végigmértem, minden OK.Gyári ICSP kábelem volt,és egy hirtelen ötlettől,kimértem azt is, egy szála szakadt volt.vagy is vagy érintkezett vagy nem.Ha ilyesmi problémátok van mérjetek az ICSP végén is.
Sziasztok!
Egy PIC16C54-et szerettem volna kiolvasni Pickit2-vel. A következő hibaüzenetet kaptam: "device not detected" Van valakinek valami ötlete miért nem ismeri fel?
Szia!
Több oka is van annak: - A C sorozat tagjai (kivéve a 16C83, 16C84, 18C601, 18C801 -et) olyan nagy áramot fogyasztanak a Vpp tápról, amit a PICkit2 és PICkit3 nem képes biztosítani. - A C sorozat tagjai (kivéve a 18C -ket) nem rendelkeznek típusazonosítóval.
Szia!
A tápot kivételesen megmértem (4.9V). Akkor ne is próbálkozzak vele?
A Vpp-ről volt szó... Szerintem azt írták, hogy nem kezeli...
Valóban bocsánat.
Megmértem és tényleg nem megy (0V).
Mennyire lenne fontos a PIC beégetése, vagy csak ki kéne olvasni? Nem védett program van benne? Mert ritka az olyan készülék, amiben nem védik le. A védettség kérdés csak azért érdekes, hogy érdemes-e egyáltalán vele kínlódni.
A hozzászólás módosítva: Aug 26, 2013
Valószínű, hogy védett, de egy próbát megért volna. Egy motorvezérlő elektronikában van ami kb 60e ft. Egy működőből próbáltam volna kiolvasni a programot mert van egy rossz is amiben tönkrement a PIC túlfeszültség miatt.
Sziasztok!
Csak egy kérdés. PICkit 2-vel lehet írni-olvasni PIC12F683-at? Mert nem ismeri fel a PICkit. Ha nem,akkor mivel lehetne. Válaszotok előre is köszönöm.
Lehet. Annak, hogy nem ismeri fel, sok oka lehet. Elkötés, vezeték szakadás, a kontroller belső órajelről jár, a MCLR letiltva és a PGC és/vagy PGD lábakat kimenetnek állítja be a program elején... Próbáld meg a Use Vpp first programming entry módot használni.
Szia!
Köszönöm válaszod. A tanácsolt módban se ismeri fel. Amiket írtál további hibákat,azokat hol tudom ellenőrizni,illetve beállítani. Illetve furcsa,hogy a device family-nál hihcs is benne ez a PIC. Ez jogos? Leírom a bekötést is,légyszi nézd meg,hogy jól csináltam-e. Pickit 2 Pic12F683 1 Vpp/MCLR 4 2 Vdd + 1 3 GND - 8 4 PGD/DATA 7 5 PGC/CLOCK 3
Sikerült a programozás. Annyi volt a baj,hogy a PGC volt rossz helyen( 6-es lábra kell tenni) és a device-t manuálisan kellett kiválasztani.
Sziasztok!
Rájöttem hogy az én kérdésemnek itt a hely ebben a topicban. Bővebben: Link Ez lenne a kérdésem, és csináltam hozzá videót is hátha segít valamit: Bővebben: Link Okozhatja a gondot a túl hosszú kábel? Most a gép és az égető között 1 méteres lpt kábel van. Nagyon megköszönöm annak aki segít mert így nem tudok tovább haladni.
A WLPT_mini mellé van szoftver is. Van valami oka, hogy nem azt használod? Mert támogatás nélkül nem megy a mini, legalább is ritkán. A másik, hogy a kábel nem lehet hosszabb 60cm-nél, de inkább rövidebb és nem lehet a gyári LPT kábeleket használni. A többi kábel se lehet hosszú.
A hozzászólás módosítva: Szept 9, 2013
Konkrétan melyik programra gondolsz? A cikkedben olvastam hogy lehet ezzel is, ezért ezt használom. Próbáltam oshon-al is, az be is írta viszont visszaolvasna ugyan azt láttam mint winpic-ben a hibás írás utáni visszaolvasáskor. Megpróbálom majd közvetlen a gépre kötve az égetőt, remélem csak ennyi a gond.
Az enyémmel, amit ehhez illesztettem. Oldalamról letöltheted.
Megtaláltam és kipróbáltam. Beégettem a programot, majd visszaolvasva tökéletesen egyezik a forrással. Azonban még egyszer visszaolvasva már megint zagyvaságot kapok. A PIC nem is működik. valami ötlet hogy mit tudnék még kipróbálni?
Kábelt lerövidítetted? Sebességet állítottad? Be van pipálva a mini támogatása és úgy kapcsolgatod, ahogy a program mondja?
Igen, kb. 5cm kábel van az LPT port és az égető között. Bepipáltam a minit és a szuper lassút, és kapcsolgatom ki-be az égető feszt ahogy a program irkálja. Teljesen tanácstalan vagyok hogy miért csinálja ezt... Előfordulhat hogy az LPT port vacakol?
A szuperlassút azért nem kell, csak a csúszkával érdemes próbálkozni, ha 10..20-on nem éget rendesen. Túl sokmindentől nem mehet, pl. az áramkörtől, vagy ha nincs akkor a PIC bekötésétől. Minden táplábat be kell kötni, minden Vdd-re 100n kerámia a gnd felé, lehető legrövidebb bekötéssel, 10k a Vpp-től a Vss-re, vagy ha van saját tápja az áramkörnek, akkor a Vdd-re, és még lehetne sorolni, de inkább olvass bele az égetők élesztésébe az oldalamon, ott elég részletesen leírom a bemérést.
Még akkor áttanulmányoztam amikor ajánlottad az oldalad. Most sikerült szépen beégetni és kiolvasásra is mindig helyes a tartalom. Összedobtam a próba kapcsolást hozzá de nem működik... Azt hiszem lehet megtréfál a dugdosós panelom. Eléggé ramaty állapotban van már, az is lehet hogy minden jó csak épp tiszta kontaktos mindenhol. Csinálok neki egy kis nyákdarabot amibe bele tudom pattintani a kész pic-et, aztán meglátjuk működik-e. Addig is köszönöm a segítséged!
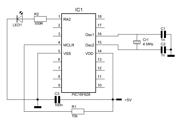
Először nézd meg az oszcillátort, az 1 nF sok lesz oda.
Azok az 1nF-ok nem jók. Oda 22pF kell és HS-re kell állítani az oszcit, ha nem ott lenne.
Nahát, működik
Nagyon szépen köszönöm mindkettőtöknek! Van erre valami általános képlet vagy valami hogy hány pikós kondit használjak milyen quartz-hoz? Bár valószínűleg csak 4MHz-eseket fogok használni, így gondolom a 22pF használható minden esetben.Még egyszer köszönöm!
Benne van az adatlapban, az oszcillátor részen.
Igen, benne van az adatlapban, ahogy mps mondja, de annyit még segítek, hogy 20MHz-ig jó a 22pF felette érdemes 10MHz-es kvarcot használni és 4x-es PLL-t, már amelyik PIC-ben van és tudja a 40MHz-et.
Idézet: „Van erre valami általános képlet vagy valami hogy hány pikós kondit használjak milyen quartz-hoz?” Sajnos ha képletet szeretnél használni, ahhoz kéne a kvarc adatlapja, ami az esetek 99%-ában nem áll a hobbistának rendelkezésére. A 22pF egy jó általános érték, nagyjából 10..33pF között szoktak ezek normálisan menni. A "jó" értéktől kisebb-nagyobb kondival is fog menni a kvarc, csak nem a névleges frekijén - a pontos értéket úgy lehetne leginkább belőni, ha egy elég precíz frekimérővel nézed az eredményt, és változtatod a kondikat.
Kedves Fórumtársak!
Kezdő vagyok pic témában. Egy érdekes problémába futottam: Egy 12f675 -be kellett volna kész hex-et égetnem. Először saját építésű pickit2 klónnal próbáltam. Később vásároltam egy k150-es soros égetőt(hátha a klón bugos). Az eredmény ugyan az. A 12f675 5-ös 6-os 7-es lábán kéne kiadnia pwm modulált 5V-ot. Azonban a 6-os lábán 0,9-1,2 V-ot ad ki modulálva.(szkóppal mérve). Kb 8-9 darab pic-el jártam így. Van ötletetek mitől? program:Bővebben: modlamp
Üdv. Az mitől van hogy egy tökéletes működő programot csak sokadszorra bírok működésre a pic-ben? Azaz beégetem vagy 10x mire elindul. A pickit2-őmnek lenne valami baja?
|
Bejelentkezés
Hirdetés |





Nagyon szépen köszönöm mindkettőtöknek! Van erre valami általános képlet vagy valami hogy hány pikós kondit használjak milyen quartz-hoz? Bár valószínűleg csak 4MHz-eseket fogok használni, így gondolom a 22pF használható minden esetben.



