Fórum témák
» Több friss téma |
Fórum » TV hiba, mi a megoldás?
Nem baj, de rakhatsz még rá kiegészítő hűtőbordát is, ha nagyon melegnek ítéled.
Engem túlzottan nem zavar, ha bírja vagy 5-6 évig, vagy addig mint a gyári. (Lehet talán ha visszaraknám a régit az is feléledne így kondicsere után) Elméletileg 150fok a max az IC-nek de hát hiszi az aki úgy gondolja, hát én nem, de ha olyan 60-65 fok fölé nem megy akkor szerintem nem túlságosan veszélyes, bár azért így is el tud fáradni ha olyan 45 fok lenne nagyobb lenne az élettartama. (Legalább is szerintem...)
Akkor jöhet a Philips TV. Szerintetek melyik kondikat cseréljem benne? Én cserélném a szekunder táp körben lévő kondikat, és talán a 47µF 200V-os kondit. (Vagy ha nem segít akkor még talán a 470nF-os 210V os kondit) A hiba az vele, hogy kikapcsolgat. Bekapcsolást követően kicsit elhalványodik a piros led és ha bekapcsolt van hogy egyből visszakapcsol Standby-ba, van hogy csak mondjuk 10 perc múlva. Amit beszéltünk, hogy a kép részhez van köze amit megkókányolt valaki, abban a körben van egy BD237/238-as páros gyárilag és a BD237 adta meg magát benne és ezt cserélte valaki bd241-re viszont a párt hagyta ott a BD238-at. A BD241-et szembe fordítva forrasztotta be mivel a lábkiosztása fordított a 237-hez képest ezért a hűtőlemezzel a tok érintkezett és nem a hűtőzászló. Mit ajánlotok, cseréljem ki mind a kettőt újra vagy tegyek bele nagyobbat és tegyem be fordítva a borda másik felére valahogy, pl.:BD241/242-es párost? Persze "C" jelzésűre cserélném.
A hozzászólás módosítva: Szept 9, 2013
Ha az eltérítő fokozatról van szó ott eredetileg is BD241 van.
Bocsánat nem mellékeltem doksit, de 1000% hogy 237/238 páros volt benne, a BD238 az teljesen érintetlen forrasztás ügyileg is. Ez a rajz hasonlít jobban hozzá (6-ik oldal "Frame amp"), bár ebben BD228/229 páros van feltüntetve, nem találtam hozzá való rajzot sima L6-os szasszi. De teljesen biztos, hogy ebben a 237/238-as páros van benne ezeknek a lábkiosztása E C B (szemből) és a nyákon is ez szerepel, a BD 241/242-nek pedig B C E.
A végfok kivitele képcsőfüggő, az sem mindegy, hogy 90 vagy 110°-os az eltérítési szöge és hogy mekkora a képcső mérete.
Ok értem utána nézünk , de most sajna mennem kell .
Akkor mit ajánlasz? Vagy nézzek még utána pár dolognak? Esetleg feltételezzem a lehetetlent, hogy felül van méretezve ez a rész amit kétlek. Valami befolyással lehet, ha a 241/242 párost teszem be? Szerintem nem követek el akkora hibát sem mint az előttem lévő tette, egy felemás párossal. Kondik ügyében elégnek tartod a felsoroltak cseréjét?
[/off]Sziasztok!
Segítsetek! Hol lehet beszerezni STV9306A IC-t? Az urobeat.hu oldalon rendeltem de sajna "A" nélkülit kaptam amivel nem jól működi a tv.[off] Köszönöm.
Reklamálj a kereskedőnél, hogy nem megfelelő terméket kaptál. Ha A vagy B nélküli kivitelt kaptál, akkor az tényleg nem lesz jó az eredeti helyett.
Már reklamáltam. Az eladó bizonygatta hogy annak jónak kell lennie. Még 8 napon belül vagyok szeretnék elállni a vásárlástól de azt a drága embert nem válaszol a megkeresésre.
Én máshol nem találok ezért kérdezem hátha itt tud valaki egy megbízható forrást. A hozzászólás módosítva: Szept 9, 2013
Sziasztok! A fény nem jött meg,se felfűtés se semmi.Ez lehet a sortrafó halála?
Nem jutottam düllőre. Szerinted méretezzem felül inkább BD241/242 párossal vagy cseréljem ki őket? Esetleg jól működhet az említett nagyobb párossal?
Üdv mindenkinek!
Van egy Sony TV-m! Az volt vele a gond, hogy nagyon homályosan mutatott. Szétszedtem, és a képcső végi csatlakozót megette az oxidáció (konyhai TV, gondolom a pára tette a dolgát). Sikerült egy ugyan olyan egészséges csatlakozóra szert tennem, kicseréltem, azonnal bejött a szép tiszta kontrasztos kép, egy kis hibával! A mellékelt kép is mutatja. (az Magyar 1-es logója akar lenni, amúgy az egész kép, ugyan így 3 színből áll) Ez a képhiba szerintem már benne volt mikor elkezdett homályosan mutatni, csak nem látszódott! Hol kell ennek keresni a baját? A válaszokat előre is köszönöm! A hozzászólás módosítva: Szept 9, 2013
Szia!
A mágnesgyűrűket nem piszkáltad?
Multiméterrel mérd ki a tranzisztorok jóságát.
Nem értem. Melyik tranzisztorok jóságát? Nem rosz egyik sem.
Ha nem rosszak, akkor miért cserélnéd őket?
Szóval. Valaki javította már a tv-t és a frame ampnál lévő 2 tranyó egy komplementer pár BD237/238. Valószínű elszállt a BD237 ezért valaki tett bele kontár módon egy BD 241-et a helyére de mivel ennek nem ECB a lábkiosztása, hanem BCE ezért nem a hűtőzászló van hőkapcsolatban a hűtőlemezzel (alu) hanem a tok része és ez nekem szúrja a szemem főleg úgy, hogy az illető a BD 238-at hagyta úgy a helyén ahogy gyárilag volt és ez így nem alkot párt. És ez nekem egyáltalán nem tetszik és kérdezem, hogy tegyek bele BD237/238-at (direkt vettem előre) vagy tegyek bele nagyobbat pl.:BD241/242 párt? (A hűtőlappal való kontaktust én megoldom mert a borda másik oldalára teszem a tranyót)
A hozzászólás módosítva: Szept 9, 2013
Ahoz nem lett nyúlva, bár előttem egy tv szerelő piszkálta, lehet hogy elmozdúltak! Én is a gyűrűkre gondoltam, de az nem csavarral állítódik, oda vannak ragasztva.
Cseréld ki a vásárolt párra, de szerintem a "kontár" munka eredménytelenségét ne előlegezzük meg addig, amíg biztosan nem vagyunk a saját sikerünkben.
Oké köszönöm. De akkor ez csak nekem érdekes de szerintem nem csak én lepődtem volna meg rajta hanem ha te előtted is előtted lett volna lehet te is ezen a véleményen lettél volna. Az a hűkontaktus nem ér túl sokat, nagyon könnyen el tudna melegedni. Arról nem is beszélve hogy eléggé meg van kaparászva a hűtőlemez azon a helyen ahol a tranyó felfekszik, hővezető pasztát meg nem is látott a két felület. De elnézést ha megsértettem ezzel bárkit is.
A hozzászólás módosítva: Szept 9, 2013
Hello! Van egy katódsugárcsöves daewoo tévém, és a kép tetején ugról egy szines csík. Ez mitől lehet?
Itt lehet kapni például cirka 2000FT / db.
Azt nézd meg nem lettek e cserélve a nyakrészen a tekercsek , mert ha igen lehet , hogy nem rendesen lett pozicionálva , vagyis nem oda került ahol az eredeti , akkor is lehet ez a hiba.
A hozzászólás módosítva: Szept 10, 2013
Szerintem máshol kell keresni a hiba okát .Mivel az L6.2AA rajzon gyárilag is szerelik , így a tranzisztorokat , és szerintem aki bele tette a BD241 az lehet ezen rajz alapján csinálta .Szóval , ha szerelték , így is , akkor olyan nagy baj nem lehet belőle.
Kezdjük az elején , azt írtad , hogy a tv kikapcsolgat.Ok ilyenkor se kép se hang.
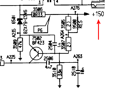
Ha bekövetkezik ez az esemény rögtön meg kellene mérni a mellékelt ábra szerint , hogy a +150v meg van e.Ha nincs az a jó , mert akkor meg van a hiba , ha meg lesz , akkor megyünk tovább.
Valószínű a kondik száradtak ki, ezeket cserélni fogom. Köszönöm a segítségeket. Most néztem és 2x egymás után kapcsolt le egy pillanatra a hangyaháború is megmaradt, de utána a távirányítóra sem reagált, hanem rendesen ki kellett kapcsolni és vissza a második után több mint egy órán keresztül ment. Egyenlőre biztos vagyok a kondicserék utáni sikerben és ha kicseréltem írok fejleményeket. Nem azért kapcsolgatott le a TV, mert valaki azt a tranyót és úgy tette be, de mindegy is már nem szeretnék magyarázkodni, mert nem sikerül. A lényeg, hogy az a páros van benne amelyik gyárilag és mind a kettőt cseréltem kapott pasztát és csillámlemezt. És ez még mindig sima CHASSIS L6 simán ez van ráírva és nem is találtam hozzá ugyan olyan rajzot, de a BD238 ami érintetlen volt annak a párja 237. Szóval lépjük túl már nem szeretnék róla többet írni mert nem sikerül.
Az Akainál még annyi volt érdekes, hogy ha Scart-ra kötöttem mondjuk a DVD-t akkor ha nem AV állásban volt a TV akkor is az Scart-ról jövő jel ment, ha átnyomtam közben is AV-ra vagy simán a csatornákra akkor sem volt változás, de ennél lehet ez normális. Még a hangját találtam torznak a "mélyeknél". Még egyszer köszönöm a sok segítséget. A hozzászólás módosítva: Szept 10, 2013
Most már rájöttem, nem lett ott cserélve semmi csak elpiszkálva. Korábban egy másik szerelőnél volt aki biztos azt hitte hogy a homályos kép az a gyűrűk vagy a tekercsek hibája, és elpiszkálta. Az még egy érdekes procedúra lessz míg visszaállítom.
|
Bejelentkezés
Hirdetés |












