Fórum témák

» Több friss téma
Fórum » Akkumulátor töltő
 
Témaindító: josephx, idő: Jan 18, 2006
Lapozás: OK   137 / 310
(#) Polly válasza proli007 hozzászólására (») Szept 20, 2013 /
 
Szia !

Köszönöm a gyors választ,ezeket fogom végígzongorázni amit leírtál .Bizom benne ,hogy így jó lesz,mert normális leírást nem adtak hozzá a conrádnál.

Mégegyszer is köszi : N.J.
(#) orcika70 válasza Polly hozzászólására (») Szept 20, 2013 /
 
Talán nem probléma ha beleszólok, a belinkelt rajzhoz gondolom az első pdf-es magyar fordítást kaptad. Mert valójában a másodig pdf-es állomány fordították és csatolták.
(#) Polly válasza orcika70 hozzászólására (») Szept 21, 2013 /
 
Igaz ezt kaptam de nem jó mert 4 V-okat amit ír sehol sem tudok mérni !Ezen a rajzon valami rossz !
(#) Polly válasza proli007 hozzászólására (») Szept 21, 2013 /
 
Szia proli007 !

Mégegyszer megköszönöm mert így már szuperúl működik .Az volt vele a gond,hogy nem adtak hozzá normális leírást olyant amilyent Te írtál itt nekem !

Üdv: N.Józsi
(#) Lala58 hozzászólása Szept 21, 2013 /
 
Üdv mindenkinek. Hozzáértők véleményét kérném az alábbi kapcsolásról ami egy 20A savas akkutöltőnek készülne kisütéssel kiegészítve.Köszi előre. Lala
(#) Polly válasza proli007 hozzászólására (») Szept 21, 2013 /
 
Szia proli007 !
Légyszives nézzél rá erre az általam kreált rajzra,hogy jó e,nem teszi e tönkre a töltésszabályozómat.Szeretném 10 A -nál nagyobb árammal tölteni az akksit meg még szeretném ha nem lenne mindig fesz.alatt a trafó ,mármint a fogyasztás miatt, vagy esetleg változtassak rajta valamit ?
A hozzászólás módosítva: Szept 21, 2013
(#) proli007 válasza Polly hozzászólására (») Szept 21, 2013 /
 
Hello! Elvileg jó ez, de azért azt meg kell gondolni, hogy szükséges-e a 12V-ot is kapcsolni. Ha töltő olyan, hogy kikapcsolt hálózatnál nem fogyaszt, (mondjuk egy egyszerű trafó-dióda) akkor nem érdemes küzdeni a 10A kapcsolásával. Mert olyan relé kevés van, ahol 10A egyent és a 230V váltót biztonságosan lehet vele kapcsolni. A 12V-os oldalon egyébként is elég az egyik ág bontása. üdv!
(#) Polly válasza proli007 hozzászólására (») Szept 22, 2013 /
 
Szia proli007 !
A trafóim olyanok amilyenre tekercselem őket .Van készen 100 W-os meg itt a képeken amiket feltettem ide ,a kisebbik 300 W-os a nagyobbik meg 1500 W-os . Az akkuim zselés 12 V 150 A/h és 4 db is van,amit párhuzamba szeretnék kötni.Az inverterem SW300-12 típus.Szerinted melyik trafó jobb a 100 W-os vagy a 300 W-os vagy megtekercseljem az 1500 W-osat ?

A másik akkor egy 12 V-os relével egy mágneskapcsolót huzatok meg és akkor az szerintem már biztonságos nem ?,és azzal akkor a 12 V DC-t is lehetne biztonságosan egyszerre kapcsoltatni nem !
(#) proli007 válasza Polly hozzászólására (») Szept 22, 2013 /
 
Hello!
- Hogy melyik trafó jobb, az csak Te és az általad kiválasztott töltőáram értéke fogja meghatározni. Mert ha 4db. 150A-órás aksit párhuzamosítasz, Az 600Ah lesz, amit C/10 töltőárammal töltve, 60A tesz ki. Ez minimum 14V..15V-al számolva 870..900VA. Vagy is 100-300VA-es soványka, 1500-as meg kicsit nagy. De kérdés, mennyi idő alatt szeretnéd hogy feltöltődjön. Ha C/10-el töltesz, akkor teljes merülés esetén a töltés 12 órát tesz ki. Ha lassabban, elég a kisebb trafó. De egyenirányítónak is tudni kell a dolgát.
- Ha Te tekered a trafót, célszerű a primeren leágazásokat készíteni. pld. 20V-onként. pld. 230-250-270-290V-ra és ezzel beállítani a kívánt töltőáramot. Mert kiszámolni előre szinte aligha lehet a rendszer belsőellenállását, legjobb kísérleti úton beállítani. Mivel a trafó tartós terhelés alatt lesz, jobb, ha amúgy is alá lesz gerjesztve.
- Még mindig azt mondom, hogy a 12V-ot szükségtelen kapcsolni, ha egy trafó/egyenirányító lesz. A diódák miatt áram nem folyhat vissza, a védelmet meg egy biztivel meg lehet oldani. (még ott is gondba leszel a 60A miatt. Böszme trafóhoz, várhatóan lágyindító is kell, főleg ha toroid, mert bekapcsoláskor lehet leveri a biztit. Mágneskapcsolóra meg a 230V kapcsolását bízzad. Azok érintkezői (kevés kivétellel), egyébként sem egyenáramra készülnek..
üdv!
(#) Polly válasza proli007 hozzászólására (») Szept 23, 2013 /
 
Szia proli007 !

A töltési idő lehet akármilyen hosszú mert csak szerintem 300 W-os az inverter ,tehát hincs nagy fogyasztása .Én olyan 15 A körűl gondoltam a töltést , ráadásúl nem is mindig lesz rajta csak télen ha áramszünet lesz.Ezért nemtudom,hogy 300 W-os vagy az 1500 W-osat tekercseljem meg ? A diódahidam meg bírni fogja mert 600 V-os és 35 A -os . Az áramot meg ahogy írod prímér megcsapolással fogom megoldani.Akkor a 12 V-ba nem teszek megszakítást ,mert azt csak azért írtam mert abban nem voltam biztos ,hogy visszafolyó áram nem lesz e és nem e meríti az akksikat !Viszont ha csak a 230 V-ot szakítom meg akkor egy izmosabb relé is megteszi ha a 300 W-os trafót tekerem meg ?

Üdvözlettel : N. Józsi
(#) proli007 válasza Polly hozzászólására (») Szept 23, 2013 /
 
Hello! Akkor egyértelmű, hogy a 300VA-set tekerd meg, már csak a dióda híd miatt is. A töltőáram így maximum 20A lehet. Azt bírja majd az egyenirányító is, de ne feledkezz el, a hűtéséről sem. Mert a két dióda nyitófeszültsége elérheti a 2V-ot, az meg már 40W hőtermelést jelent. Szóval rendes tenyérnyi borda illik hozzá. üdv!
(#) Polly hozzászólása Szept 23, 2013 /
 
Szia !Köszi szépen a gyors választ .

Üdv!
(#) Lala58 hozzászólása Szept 23, 2013 /
 
Üdv mindenkinek. Kösz a hozzászólásokat, ezek szerint marad a barátom a Google és a rádiótechnika újság és ha elég türelmes vagyok megtalálom a válaszokat.Tisztelettel Lala58.
(#) proli007 válasza Lala58 hozzászólására (») Szept 23, 2013 /
 
Hello" Öszintén szólva, nem tudom milyen segítségre-hozzászólásra gondoltál.
- A rajz meglehetősen "oroszos" (inkább a meg nemértést segíti, mint a megértést), elég "digitális gondolkodású stílusban" készült, nem mint egy analóg áramkör.
- Készíthettél volna egy vázlatot, az analóg részek kapcsolatáról, funkciójáról, elképzeléseidről.
- A PIC programja nélkül nem érthető egy processzoros áramkör működése. De ha a forrás file-t teszed fel, azt sem fogja átnézni tövéről-hegyére senki. Mert más gondolkodását átvenni sokkal nehezebb, mint megírni egy programot.
Szerintem ezért nem volt hozzászólás. Jó munkát!
(#) Vacok válasza proli007 hozzászólására (») Szept 24, 2013 /
 
Szia!
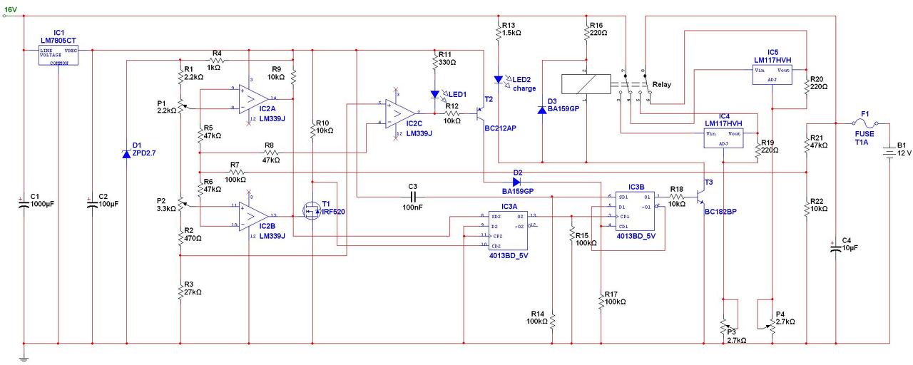
A feszültségkomparátor témában írtam egy ablakkomparátoros akkutöltőről, amiben CD4013-as IC is van. Ezt sikerült belőle összehozni, kísérletek alapján működik.
Az elgondolás az lenne, hogy az IC4 kimenetén beállítok kb. 15V-ot, és ha az aksi kapcsain a feszültség eléri a 14,4V-ot, amit a P1 trimmerrel állítok be, a komparátor átbillen és kikapcsolja a töltést, ezzel egyidejűleg a relé az aksit a 13,6V-ra beállított stab IC-re kapcsolja és csepptöltére áll át a töltő
Az IC2C pedig letiltja a töltést, ha olyan aksit kapcsolok rá, aminek kapocsfeszültsége 11,8V alatt van.

töltő.JPG
    
(#) proli007 válasza Vacok hozzászólására (») Szept 24, 2013 /
 
Hello! Ezt én nem látom jónak.
- IC2a és IC2b egy ablakkomparátort alkot. kimenetük huzalozott ÉS kapcsolatban áll. Vagy is ha az aksi feszültsége kisebb mint a P1-el beállított (14,4V) ÉS nagyobb mint P2-vel beállított érték, akkor a komparátorok kimenetének magasnak kell lenni. Egyéb esetben alacsony szinten. De nézzük meg.
Ha a leosztott feszültség P1 és P2 között van.. IC2a alacsony, IC2b alacsony. Vagy is a kimenet alacsony.
Ha P1 felett van. IC2a magas, IC2b alacsony. Vagy is a kimenet alacsony..
Ha P2 alatt van. IC2a alacsony, IC2b magas. Vagy is a kimenet megint alacsony.
Nem volt váltás, egyik esetben sem. Avagy az ablakkomparátor csak akkor működik, ha IC2a "+" bemenete csatlakozik a P1-re, IC2b "-" bemenete csatlakozik P2-re. Ekkkor ha az aksi feszültsége P1 és P2 között van, a kimenet magas szintű. Egyéb esetben alacsony.
-
(#) Lala58 válasza proli007 hozzászólására (») Szept 24, 2013 /
 
Üdv mindenkinek
Elsősorban több szem többet lát alapon inkább az esetleges el kötések vagy a nem meglétük érdekelnének, az elgondolás valóban zavaros picit DE a PIC analóg jeleket mér 4 helyen 4 időben viszont digitálisan vezérel 2 optót, az első tölt csökkenő kitöltéssel a második 55W-tal kisüt és az is csökkenő kitöltéssel (ahogy emelkedik az akku feszültsége) majd megszűnik és marad a csepptöltés 0.5A-nál leáll a töltés. 100Hz a 20A-es egyenirányítás után az 1;2; periódus tölt a 3; kisüt a 4; mér. Nagy vonalakban valami ilyesmi lenne az elképzelés, a rajzért elnézés de a TinyCAD nem igen ad sok lehetőséget, vagy még csak ez az első rajzom vele?. Egy analóg töltőt már leégettem 230Ah akkuval pedig az is tudott 24V-on 10A. csak nekem négy darabot kell szulfátmentesítenem mert nincs kedvem cserélni.(alsó hangon 400000Ft) A programozást majd kiizzadom valahogy mint ezt a rajzot. (hobbi szinten űzöm a dolgot és tényleg a Rádiotechnika újság az iskolám) a FET-ek 100V 60A az opto4N35 a táp 300VA toroid.KB ennyi remélem így már érthetőbb az "orosz" rajz. Köszönettel LALA58
(#) proli007 válasza proli007 hozzászólására (») Szept 24, 2013 /
 
- A D1 zéner felesleges, mert az IC1 által szolgáltatott 5V stabilabb,mint a zéner 2,7V-ja. A 16V és a C1 közé, egy diódát tennék. Minek szűrje a C1 az egész töltésre szánt 16V-ot..
- A komparátor az IC3-at vezérli mint RS tárat a T1 inverter segítségével. Csak éppen a tároló tárolási tulajdonsága nem érvényesül, mert ha a komparátor kimenete vált, a tároló azonnal átvált. Vagy is így nem működik az ablakkomparátor. Pedig szerepe az lenne, hogy ha a feszültség átlépi P1 értékét, a töltés átvált, csepptöltésre, csak éppen ha ekkor csökkenne a feszültség, P1 alá, egyből visszaváltana. Pedig gondolom akkor szeretted volna hogy visszaváltson, mikor P2 alá került..
- Tehát sokkal célszerűbb lett volna ha a két komparátor külön-külön vezérelte volna az RS bementet ekkor tényleg ablakkomparátor lenne. De így nem az. (egyébként R5-R6-R7-R8 alkalmazásának semmi értelme sincs.)
- Az IC3b-t, ha az aksi fesz 11,8 alá esik Reset-ben van. ez jó. Azt leszámítva, hogy ha IC2 kikapcsol (magas a kimenete) a tranyó bázisa "lóg a levegőben", mert Led1 "lezár". Célszerűbb lett volna a bázisellenállást az R11-re kötni. Kollektorban a D2, és az R17 is felesleges. (Ha máshonnan is törlő jelet szerettél volna ide vinni, akkor R17 kell, de a kollektor amúgy is úgy viselkedik, mint egy dióda.) De R15 is felesleges.
- Amúgy IC3b üzemmódja sem szimpatikus. Mert ugyan T2 törölheti és beállítja az alaphelyzetét, Vagy táp bekapcsoláskor C3, de ha egy impulzus érkezik IC3a felől, akkor eltéveszti a működését, és fordítva is kapcsolgathatna.
- A relés váltás nem jó, mert ugyan átkapcsolja a töltést csepptöltésre, de ha az aksi feszültsége alacsony, akkor is csepptöltés van. Tehát nem "letiltja a töltést" ahogy írod. Vagy ez volt az eredeti szándékod?
- Felesleges két LM117. És relével kapcsolni is felesleges, Az IC feszültsége a P3 söntölésével is átállítható, a 13,6V-ra. Minek két teljesítmény fokozat?
- Az aksi feszültségének (áramának) visszafolyása nincs megakadályozva, ha a 16V nincs meg. Vagy is valami dióda nem ártott volna a kimeneten. A 10µF felesleges az aksin, inkább az R22-őt kellett volna szűrni, hogy a komparátorok ne kapkodjanak. Ugyan is IC2c-nek nincs hiszterézise..
üdv!
(#) Vacok válasza proli007 hozzászólására (») Szept 28, 2013 /
 
Szia!
Módosítottam a rajzot az instrukcióid alapján. A komparátort valóban rosszul kötöttem be, eddig műveleti erősítőben gondolkoztam, az zavart be.
Az IC3A-t nem tárolónak szántam, a tároló funkciót az IC3B látja el. Ahogy korábban írtad, hogy a CD4013 CLK bemenete csak egy bizonyos felfutási idejű "órajelet" képes feldolgozni, míg az R és az S bemenet szintvezérelt. Közvetlenül a komparátorral nem tudtam vezérelni a a tárolót, ezt a problémát próbáltam áthidalni az IC3A-val.
Én úgy gondolom, hogy a kapcsolás olyan módon működik ablakkomparátorként, hogy alapesetben ha az akku feszültsége a P1 és a P2 által beállított feszültség között van, akkor az akkumulátor az áramkör bekapcsolását követően elkezd tölteni, IC3A Q kimenet L szintű. Amint az akku feszültség eléri a P1 által beállított értéket IC2A kimenet L szintre ugrik, átbillenti IC3A-t, a Q kimenet H szintre ugrása pedig átbillenti IC3B-t és a kapcsolás csepptöltésre vált, és ez egészen addig így marad, amíg IC2B felől nem érkezik egy L szintű jel IC3A felé, amikor is a kapcsolás visszakapcsol töltésre. Javíts ki, ha ez nem így van.
Konkrétan ez a töltő egy szünetmentes tápegységbe lesz beépítve így hálózati feszültség híján az akku lemerülhet a P2 által beállított szintre.
Beépítettem T3-at, ami letiltja a CLK bemenetet, így nem fordulhat elő fordítva kapcsolás, T4 pedig a töltést tiltja le teljesen.

töltő.JPG
    
(#) proli007 válasza Vacok hozzászólására (») Szept 28, 2013 /
 
Hello! Most már "alakul a molekula", bár én még látok számtalan csapdát.
- Ha nincs hálózat, és lemerült az aksi 11,4V alá, akkor már nem is fogja megengedni, hogy töltődjön az aksi, hiába jön vissza a hálózat. Erről fog gondoskodni IC2c
- IC2c szerintem fordítva működik. Ha az aksi leosztott feszültsége R3 feszültsége alatt van (kicsi az aksi feszültsége), akkor IC2c kimenete magas, így T2 zár..
De mint írtad, a tároló Clk lába csak egy gyors felfutású jelre tud csak működni. Viszont ha T3 lehúzza az órajelet, hogy ne lépjen, akkor mikor T3 lezár, megint nem lesz meg a sebesség, Így hiába van az, hogy IC3a Q kimenete magas, T3 zárásakor, még sem fog váltani IC3b. Egyébként minek megakadályozni. Ha a feszültségek úgy állnak had váltson. Hatni nem tud, mert T4 lehúzta a villanyt. Amikor meg az megszűnik, akkor meg majd ha a T5 ha a tároló kimenete ezt akarja. (Amúgy két bázist nem kötünk párhuzamosan, mert kitudja melyik bázisba mekkora áram fog folyni. És nem hagyjuk lógni a levegőbe amennyiben T2 lezár. Valamint a D2 és R11 mit tesz? Közel semmit..)

- De én elhagynám a 4013 D-tárolóként való üzemeltetését. Az IC2a és IC2b-vel lehet működtetni a 4013-at RS üzemmódban. Így a Q kimenet megmondja, hogy tölteni kell az aksit vagy éppen pufferüzem van.
- Egyébként az is elgondolkodtató, hogy a töltő feltölti az aksit, és át megy pufferüzembe. Ekkor az aksi feszültsége csökkenni fog, és megáll pld. 13,6V-on. Vagy is pufferfeszültségen. És itt is marad, amíg az inverter el nem indul. Ami akkor van, mikor kimarad a hálózat. Amikor meg visszajön a hálózat, a C3 elindítja a töltést. Mikor fog kapcsolni, IC2b? Kb amikor az aksi lemerült az invertertől a szintje alá. De ha nincs hálózat, akkor bekapcsol valami? Nem. Amikor meg megjön C3 bebillenti a tárolót? Szóval számomra ez nem egészen kerek.
- Másik az alacsony feszültség védelem IC2c-vel. Minek ez a sok macera? Ha a Led1 anódját bekötöd IC4 ADJ lábára és működik IC2c, a kimeneti feszültség, kb. a Led feszültsége, plusz 1,2V lesz. A Led is világítani fog, mert az IC4 R14 árama kb. 5,4mA lesz, 3V közeli feszültséget, meg nem igazán tudja terhelni majd P4 vagy P3. Egyébként meg túl nagy a szabályozási tartományuk, kb. 1,2..16V. Nehéz lesz beállítani 14,4-re.
- Egyébként az sem biztos hogy jó, hogy a hálózati feszültség táplálja az áramkört. Hiszen amikor az megjön, ki tudja mit fognak a komparátorok, meg a 4013 csinálni. Pld. egyáltalán nem biztos, hogy C2 feszültség emelkedése működteti majd C3/R9-et. A hálózati feszültség megjövetelét, meg a fennmaradó IC2d komparátorával, szépen meg lehet oldani. Az egész fogyasztása meg nem sok.
üdv!
(#) Vacok válasza proli007 hozzászólására (») Szept 29, 2013 /
 
Szia!
Ez lenne a teljes kapcsolás, amire gondoltam. Lehet, hogy egy kicsit túl van bonyolítva, de szeretnék egy olyan szünetmentes tápegységet, ami hasonlóan működik, mint a gyáriak inverter nélkül, folyamatos 5V-ot biztosítva hálózatkimaradás esetén és az akkukat is teljesen feltölti 14,4V végfeszültségig.
A töltést illetően az alapelgondolást leírtam. Ha az akku feszültsége 11,4V alá esik, akkor nem is szeretném, hogy visszakapcsoljon töltésre, jelezve, hogy az akku már régi és mélykisütött állapotba került, amit cserélni kell. Úgy gondoltam, hogy ha T5 kinyit, akkor a töltőfesz leesik, a relét meghúzó tranzisztor lezár, hogy a relé elejtsen és az IC3B átbillen alapállapotba.
Ezzel a kapcsolással próbáltam meg megoldani azt, hogy ha elmegy az áram akkor az akkuról üzemeljen a meghatott fogyasztó és az akku feszültségét figyelő áramkörök is kapjanak áramot. Ha az akku feszültsége IC2B szintje alá csökken, tehát ha az akku lemerült a relé elejt. IC2D IC1A pedig egy bizonyos idő eltelte után ha visszajött az áram az akkut töltésre kapcsolja a relét pedig elejti a fogyasztót így ismét visszakapcsolva a hálózatra.
Nekem ebben a formában működött, igaz sokat kellett kísérletezni R4, R23, R36 és C8 értékével, de végül is. Tehát jelenleg légszerelve bár, de a töltés ki-bekapcsolása, hálózatkimaradás esetén a relé meghúzása, hálózat meglétében pedig pár másodperc elteltével a relé elejtése működik.
A hozzászólás módosítva: Szept 29, 2013

ups.JPG
    
(#) proli007 válasza Vacok hozzászólására (») Szept 29, 2013 /
 
Hello! Tényleg szereted bonyolítani az életedet. De Te tudod. Minden esetre egy csomó kényes áramköri részletet használsz. A tranyók bázis-emitter feszültségét felhasználva, egymás után előre-vissza csatolással. Igazából nem így kell tervezni egy áramkört. Fel kell írni, vagy vázlatosan lerajzolni mi is a feladat, aztán kell áramkörökkel azt realizálni. Nem dugdosni a tranyókat jobbról-balról mi ki nem jön valami. Van egy csomó időzített rész. Csak hogy olyan tranyós fokozatok után vannak kapcsolva integráló és differenciáló tagok, aminek működése függ a meghajtó fokozat átváltási sebességétől. Vagy is ezeket a feladatokat úgy kell megoldani, hogy minden differenciáló-integráló tagot határozott jellel kell kapcsolni, az után pedig a jelváltozási sebességet hiszterézises komparátorral, hiszterézises bementű CMOS IC-vel helyre lehet/kell állítani. A logikai feladatokat logikai IC-vel kell megoldani. Akkor annak működése átlátható, és még ekkor is lehet a kapcsolásban időhazárd. (Hogy egyik jel előbb érkezik meg mint a másik, és addig átmeneti állapotok lépnek fel.) Sok felesleges fokozatot is alkalmazol. Nem véletlen, hogy több kritikus méretezésű alkatrészre is leltél. Az mindig jelzi, hogy valami nincs rendben.
Én most már nem fogom számtalanszor töviről-hegyire átböngészni az áramkört. Csak rávilágítok néhány dologra.
- Pld. a hálózati feszültséget detektáló T1 után, van a C2-R4 integrátor. C2 feszültségét dolgozza fel a T2-T3. Ami ugyan két egymás után kötött inverter, ami ugye nem is invertál így. A jelváltozási sebességet ugyan növeli a két tranyós fokozat erősítése, de minek?. Mögötte van az IC2d, ami röhögve feldolgozza a C2 feszültségét a két tranyó nélkül is.
- Megint ott van T2 -T9 bázisainak "összekötése". Csodálkozol, hogy kritikus R23 értéke? T2 limitálja a feszültséget kb. 650mV-on. T9 bázisa meg ebből van leosztva? Alig tud majd kinyitni. Mögötte van a C8 differenciáló tag. Hogy tudná így azt korrekten vezérelni.
- Ott van C4 és C5 esete. Ha T6 "felhúzza a kollektort", akkor a két kondi közötti töltés megoszlik, a kapacitásuk arányában. Vagy is az IC3b Set lábát féltápra tudja felrántani. Mivel annak ott van a küszöbfeszültsége, az vagy figyelembe veszi, vagy nem.
- Hogy működik,és egyáltalán minek van C1-D8-R1? Van egy kondink, ami feltöltődik ha van tápfesz, mi meg örülünk hogy van egy feltöltött kondi? A töltőáramkörnek meg nincs szűrése? De ha a C1-ről megy a betáp, nem a BR1-ről, akkor minek a dióda? Ha meg még is ott van, akkor minek a D1-D2? A BR1-ről is levehető a puputeve, ha van D8..

Egyszóval én a "Cipőt a cipőboltból!" jelszó értelmében, logikai feladatokat, logikai áramkörre bíznák. Nem átláthatatlan tranyók garmadára. De ha számodra jól működik, akkor részemről minden rendben van.. üdv!
(#) pmaster hozzászólása Szept 30, 2013 /
 
Helló!
Végigkerestem böngészővel a 90 oldalnyi hozzászólást de nem találtam meg, hogy milyen alkatrésszel helyettesíthető az UAA145?
Eéőre is köszönöm a választ!
(#) proli007 válasza pmaster hozzászólására (») Szept 30, 2013 /
 
Hello! Az UAA145 egy speciális gyújtásszög vezérlő IC, így közvetlenül módon nem helyettesíthető. De ha a 20A-es töltőre gondolsz, amit felraktam, ahhoz terveztem kiváltást. (Pontosabban máshogy oldottam meg a feladatot.) De hogy működik-e arról fogalmam sincs, mert akinek csináltam, szerintem nem jelzett vissza. üdv!
(#) villanyipi hozzászólása Okt 5, 2013 /
 
Üdvözletem!

Bővebben: Link
Érdekelne hogy ez vajon hogyan működhet és után építése mennyire lehet bonyolult vagy olcsóbban jönne-e ki? Igazából azért érdekel a dolog mert nekem van itthon autó is motor is és van pár AH különbség a kettő közt, de ez fizikai méretekben is szimpatikus, ellenben a pénztárcám már haragudna ha megvenném !
Köszönöm előre is a véleményeket!
Ipi
(#) Csongi_ hozzászólása Okt 9, 2013 /
 
Sziasztok!
Van egy 9Ah-s 12V-os akkum, ami le van merulve. Fel kellene toltsem, csak nincs meg akkutoltom. Arra gondoltam, hogy labortapot beallitom14-15V-ra, az aramerosseget 900mah-ra korlatozom, es arrol toltom fel. A kerdes az, hogy tolthetem-e igy? Es mennyi ideig hagyhatom/kell hagyjam?
(#) proli007 válasza Csongi_ hozzászólására (») Okt 9, 2013 /
 
Hello! Töltheted, de a táp kimenetével tegyél sorba egy diódát. Mert nem tudni mit szól a táp ha mondjuk töltés közben a villany elmegy, és az aksi visszatáplál. A feszültségnél vedd figyelembe a dióda feszültségesését. Vagy is a 14,2..14,5V töltési végfeszültséghez kb. 15V-ot állíts be a tápon. Hogy mennyi ideig hagyd rajta, az főként az aksi jelenlegi töltöttségi szintjétől, és a tényleges kapacitásától függ. Ha meg van a teljes kapacitása, viszont teljesen lemerült állapotban van, akkor 10 óra lenne 900mA-el. De mivel hatásfok is van a töltésnél, 12..13 óra alatt töltődik fel. Mivel Te a tápon a töltési végfeszültséget korlátozod, addig hagyod rajta, míg a töltőáram az kb. ötödére nem esik. Mert ekkor időtől függetlenül fel van töltve. üdv!
(#) Csongi_ válasza proli007 hozzászólására (») Okt 9, 2013 /
 
A tapom birja, ha visszafele kap feszultseget, nincs ilyen gond, igy nem fog kelleni a dioda. Az aksi feszultsege jelenleg 10.4V, ez az elso, hogy a gyari toltesbol lemerult, es most lessz "eloszor" toltve. Ezert nincs toltom. Akkor ugye nem kell feljek, hogy tul sok ideig valo toltestol valami baj tortenik? Esetleg, hogy ottfelejtem, vagy ilyensmi.
(#) proli007 válasza Csongi_ hozzászólására (») Okt 10, 2013 /
 
Ha beállítod a töltési végfeszültséget, akkor nem kell félni, hogy baja lesz. Minden esetre azért a végtelenségig nem szabad rajta hagyni a 14,5V-ot. Ha lemerülve adja ezt a 10,4V-ot, akkor mielőbb töltsd fel, mert ez a maximális kisütési feszültsége az aksinak, de ha leveszed a terhelést, kb. 12V-ig vissza kellene menjen. üdv!
(#) Csongi_ válasza proli007 hozzászólására (») Okt 10, 2013 /
 
Most levettem a szekrenytetejerol "lemerulve, es 11.2V-on van. Delutan odateszem telni, ameddig lefekszek.
Következő: »»   137 / 310
Bejelentkezés

Belépés

Hirdetés
XDT.hu
Az oldalon sütiket használunk a helyes működéshez. Bővebb információt az adatvédelmi szabályzatban olvashatsz. Megértettem