Fórum témák
» Több friss téma |
- Ez a felület kizárólag, az elektronikában kezdők kérdéseinek van fenntartva és nem elfelejtve, hogy hobbielektronika a fórumunk!
- Ami tehát azt jelenti, hogy a nagymama bevásárlását nem itt beszéljük meg, ill. ez nem üzenőfal! - Kerülendő az olyan kérdés, amit egy másik meglévő (több mint 17000 van), témában kellene kitárgyalni! - És végül büntetés terhe mellett kerülendő az MSN és egyéb szleng, a magyar helyesírás mellőzése, beleértve a mondateleji nagybetűket is!
Nem értem mi a probléma. Szinuszos váltakozó feszültséget minden valamire való váltakozó feszültséget mérni tudó műszer meg tud mérni. Erre vannak kitalálva. Nyugodtan elhiheted azt, amit mutat. A műszerek terhelése mindig elhanyagolható a nagy általánosságban, csak pontos precíz méréseknél kell figyelembe venni, de egy 24 V 150 W -os izzóhoz képest egészen bizonyosan elhanyagolható. Nem elhanyagolható viszont a trafó belső ellenállása az izzóhoz képest, Mert az elhanyagolhatóság csak egy 1000 W -osnál nagyobb trafó esetén állna fenn. A trafó belső ellenállásán is esik valamennyi feszültség, amit kimérhetsz az üresjárási és a terhelt állapotban mért feszültségek különbségeként. Az izzók (különösen a gk -ba való izzók bizonyos ideig elviselnek 10 - 20 % túlterhelést, ezért nem égnek ki rögtön. A gk izzóknál pedig eleve min 32 V -ot üzemszerűen ki kell bírniuk, mert ez nagyjából egy 24 V -os autóakkumlátor töltési végfeszültsége.
A hozzászólás módosítva: Szept 27, 2013
Meg ne felejtsd el az izzók melegellenállását! Szikorapéternek: jó a multiméter, de még az Univo is 50 Hz-re, tehát mindegy mit használsz fel. Az meg egy dolog, hogy a trafóra mit írtak rá, az számít, hogy mit mérsz, illetve miként: terhelve, és/vagy terheletlenül.
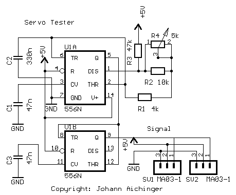
Sziasztok! Egy kicsit hosszú lesz amire mindent leírok, de csak így tudom elmondani, az a lényege, hogy van egy brushless szenzor nélküli motorom, egy hozzá tartozó vezérlő, és ehhez építettem egy tesztert, mivel nem modellezéshez használnám a motort, így nekem csak arra lenne szükségem hogy max. fordulaton működjön, nem kell szabályozhatónak lennie, de az a lényeg hogy minden működött, bekapcsolt, lehetett szabályozni is, kb 2 perc után a motor vezérlőjén elkezdett forrósodni a kondenzátor, majd ki is durrant, azóta hiába cserélem ki, mindegyik kidurran, kb 4-5mp-el azután hogy bekapcsolom, az a kérdésem hogy egy gyári hibás vezérlőt sikerült vennem, és azért halhatott meg, vagy az én általam készített teszter adhat olyan jelet, ami megölte a vezérlőt? Mellékelek egy képet a teszterről, a vezérlő elméletileg 8-18V-ig jó az adatlapja szerint, és 30 amperig. Vagy esetleg a motor többet vesz fel és ezmiatt halhatott meg, bár az adatlapja szerint a motor max. 280w teljesitményű.
A trafóra konkrét érték nincs sajnos írva mivel bontott erősítőjé volt valamikor...2X100W-os STK-t hajtott csak már nem tudom milyen típust,most pedig TDA7294-hez szeretném felhasználni.A műszerről pedig annyit hogy ez egy 1977-es ruszki műszer,se gyártó se típus infóm nincs róla,150V-os méréshatárán mértem de ott általában 10%-ot téved! (am ebben az esetben +-10V
)Pontosabb méréshez gondolom digitális lenne a megfelelő.
Szia,
Mekkora tápfeszt adtál a szervóteszterre? Az általad mellékelt áramkört 5 V-ról kell járatni, mert az RC komponensek (vevő, szervók, szabályzó) ezt igényli. A vezérlőbemeneten is max. 5V-os PPM jelet várnak. Ha a motorszabályzód vezérlőbemenetére nagyobb feszültség kerül, az nem egészséges... szerintem már a vezérlőd sem hibátlan...
Megmértem még összerakás elött és 5V jön ki a vezérlőből, és az megy be a teszterbe, ezért gondoltam hogy ott minden ok lehet.
Ha nem akarod, hogy túl nagy legyen a hiba, használj feszültségváltót. Ezt méretezd úgy, hogy a mutató túl legyen a 2/3-os álláson. Ha 150 V a méréshatár, egy 1:3 arányú váltóval megoldhatod, hogy tulajdonképpen 50V-ig mérjen, vagyis ennyi lesz a végkitérése. Ezzel csak váltófeszt mérhetsz.
Javagyúgy, tehát a szabályzó BEC-ről tápláltad a tesztert. Azt hittem, külön tápon vannak.
És a szabályzó mekkora tápot kap? Az akkubemeneten mérve. A szabályzón a nagy kondi az akkuval van párhuzamosan kötve. Nézted a feszültségtűrését a cserekondiknak? A hozzászólás módosítva: Szept 27, 2013
A szabályzó olyan 12.4-12.2 voltot kapott, azt nem mondtam, hogy abban a kis időben ameddig ment, nem számított hogy csak kis fordulaton vagy teljes fordulaton ment, melegedett, de az a része a vezérlőnek ahol a hűtés is van, meg alatta a FET-ek (nembiztos hogy az, de ilyesmit olvastam) szóval ott semennyire sem melegedett. Lebontottam róla a műanyag rázsugorított akármit, gyárilag 470µF 25v kondenzátor volt ami elszállt, próbáltam ugyanilyennel, 48V meg 100v-ossal is, mindegyik meghalt, lehet hülyeség volt?
A hozzászólás módosítva: Szept 27, 2013
Szia! Így sikerült végül megoldani. A biztosíték villába menő lábára forrasztottam egy 0,75-ös vezetéket és érvéghüvellyel csavaroztam be, a másik lábát csak forrasztottam. A cseréje nem egyszerű, de induljunk abból, hogy ideális esetben soha sem kell majd cserélni, ha pedig mégis, annak valószínűleg oka lesz. Azt csak halkan jegyzem meg, hogy borzasztóak a mai dugvillák... Nem ez az első földeletlen dugvilla, amibe ha normál 0,75-ös kábelt szerel az ember, a lefogató fül el sem éri, nem hogy nem szorítja le, úgy kell bedugnom alá mindig egy darab külső szigetelést. 3x0,75-ös már jó lenne hozzá, de vajon miért használna bárki is földelt kábelt egy földeletlen dugvillához?!
A másik dolog, hogy manapság már a törésgátló is luxusnak tűnik, úgy kellett faragnom rá a levágott dugvillából. Szörnyű... A hozzászólás módosítva: Szept 27, 2013
Feszültségváltót hogyan lehet készíteni/beszerezni ilyenfajta műszerhez?
Google a barátod, ne félj tőle: Feszültségváltó. Gyakorlatilag kell egy trafó, aminek a primerjére kötöd a mérdendő feszültséget, szekunderre a műszert. Esetedben a 150 V-os műszerrel akarsz mérni, úgy, hogy a mérendő feszültség a skála vége felé legyen. Hogy egyszerű legyen számolni, azért választottam az 1:3-as áttételt, így a 150V-os műszerrel 50 V-ot fogsz mérni végkitérés esetén. Egy olyan trafóra van szükség, amelynek a primerje 230 V-os, a szekunder pedig 76.6V-os. Amennyiben nem tudsz ilyen értéket kihozni, pont jó lenne abból a trafóból még egy, amit le akarsz mérni(mert 2*38V=76V, ugye sorbakötöd a két tekercset). Remélem, érthető.
Sziasztok, meg szeretném kérdezni jó lesz-e ez a nyák? Amúgy egy tranzisztor tesztelő lesz ha működni fog.
Érhető,csak sajnos a megfelelő trafó nincs meg hozzá,ugyhogy lehet holnap kölcsönkérek egy digitális műszert és azzal lemérem.De azért köszönöm a segítséget újabb dolgot tanultam ma is.
Sziasztok, segitsegeteket kernem egy kapcsolasban. Adott egy jel 0 es 1,5volt kozott ingadozik, ebol szeretnek elosztast csinalni ugy ,hogy legalabb 7(ha lehet akar tobb is) kimenet kovese az erteket. DE Egy (kozep ertek) kovetne a jel ertekeit, harom also kisebb ertekeket generalna 0.10, 0.20, es 0.30volt-al kevesebet, a felso agak 0.10, 0.20, 0.30 volt-al tobet. Egyik jel se lepjen ki a bemeneti jel hatarain kivul, csak legyen kevesebb vagy tobb a fent leirtak szerint.
Elore is koszonom!
Kiderítettem a hibát.
Az ULN-nek nem vot semmi baja. ![]() ![]() ![]() Én voltam a Helyes, ügyes, lyóravaló, emberke. Emítettem, hogy a LEDekkel párhuzamosan relék is vannak amik nem látszódtak a rajzon. Na hát azoknak az egyik kapcsa közösítve van. Betettem eléjük egy diódát, így már jó.
Sziasztok!
Meg tudnátok mondani, hogy mit csinál itt a 470 ohm?
Lehet ,hogy motor fek? Azon keresztul sul ki az az aram amit a motor termel a tap megszuntetese utani szabad forgasbol?
Hasonlo kerdesem nekem is van, hogyan lehet megoldani egy 220Vac motor eseteben. A motora direkt modon ra van kotve az ego (kapcsolo utan, vagyis ugyan arrol a kapcsoorol kapja a feszt) . Mivel a motor meg termel valamenyi aramot amig leall (keveset) az uj takarekos egok nem birjak , izo szalast mar alig lehet kapni.
Sziasztok!Szeretnék építeni egy sustain rendszert a gitáromba. Meg is találtam, hogy miképp kell, viszont tekercselni kellene hozzá egy kb 8 Ω ellenállással rendelkező driver-t, amit egy lecsupaszított single coil hangszedőből tekercselnék újra. Miképp tudom kiszámolni, hogy ekkora ellenálláshoz hány menet szükséges?
Sziasztok!
Van egy működő PS3, ami néha-néha nem kapcsol be (maga az eszköz javított, mert elengedte pár IC lábát a forrasztás, ezért hőlégfúvóval lett korrigálva, de működni működik gond nélkül), egyelőre más hibát nem látok rajta. Az induktivitás ilyen jellegű sérülése okozhatja ezt a problémát? Mellékelem az induktivitásról készült képet. A választ előre is ksözönöm! vtnagy
Sziasztok!
Tudna segíteni valaki, hogy a mellékelt trafónak melyik a primer és szekunder oldala kép alapján? Köszönöm.
R= ró*l/A A ró betűt nem találtam a billentyűzeten. Ha tudod melyik betű micsoda, akkor csak ki kell számolnod. Ugyanakkor számolnod kell a frekvencia okozta tekercs ellenállással. Ha rosszat mondtam volna, akkor a kollégák kijavítanak.
Szia! A burkolt rész kapja az érintésvédelmileg kockázatos feszültséget. Az lehet akár a hálózati feszültség is, de ez még nem garancia arra, hogy direkben 230V-ra köthető. Miből származik ez a trafó?
Szia!
A nagyobb ellenállású a hálózati tekercs, ami valóban a nagyobb, burkolt tekercs lesz. Úgy látom, hogy van benne egy hővédelmi biztosító is.
Az szinte biztos, hogy a vekonyabb drot a nagyobb feszultsegu tekercs. Hogy melyik a szekunder es melyik a primer? Hany voltos traforol van szo? Ha ez egy 230V/kisfeszultseg trafo, akkor a masodik kepen az also tekercs a primer.
Ez egy nyákba ültethető még új trafó, csak így kaptam, 12-18V között lehet a feszültsége. Konrádban volt még anno valami 80 Ft...
Hello! A tranyó bekötése "mókás". Mert ha BC lesz benne, akkor miért nem annak lábbekötését tetted rá. Mert ez a TO220-as, vagy a TO126-os tok ha jól látom, de egyikhez sem stimmel a bekötés. BC-nél meg filózni kell, hogy dugod bele.. Amúgy meg nyákhoz van külön topik! üdv!
A hozzászólás módosítva: Szept 28, 2013
Hello! Már bocs, de olvasd már el amit írtál! Mert ember legyen a talpán aki ezt érti. Nem lehetne egy grafikonnal lerajzolni mit is szeretnél? De gondolom a lambda szondáról lenne szó, aminek macerálásának amúgy is kb. annyi értelme lesz, mint ahogy a kérdést feltetted.. üdv!
A hozzászólás módosítva: Szept 28, 2013
Helló resystance!
Idézet: „Meg tudnátok mondani, hogy mit csinál itt a 470 Ω?” Melegszik.
Hálózati trafónak kicsit karcsúnak tűnik. Esetleg valami méreteket láthatnánk, és még egy oldalnézet sem ártana.
|
Bejelentkezés
Hirdetés |





)Pontosabb méréshez gondolom digitális lenne a megfelelő.
A másik dolog, hogy manapság már a törésgátló is luxusnak tűnik, úgy kellett faragnom rá a levágott dugvillából. Szörnyű... 













