Fórum témák

» Több friss téma
Fórum » Analóg feszültség tároló
Lapozás: OK   1 / 1
(#) Sir-Nyeteg hozzászólása Dec 7, 2007 /
 
Üdv!
Szükségem lenne: egy olyan áramkörre, vagy alkatrészre. amelyre ha adok egy bemeneti feszültséget (és egy vezérlő jelet), akkor az megtartja a kimenetén a továbbiakban ezt az U-t, amíg nem kap új vezérlő jelet.

Modell vasútba lesz a különböző sínrészletekhez, hogy a vonat a különböző szakaszokban más-más sebességgel tudjon haladni, és ez beállítható legyen.

Sok ilyen sinszakasz van, így nem megoldás a 30 db külön vezérlés, se az, hogy a szakaszok külön kapjanak egy-egy bonyolult áramkört, (pl pic), mert annak már brutális ára lenne.

Légyszi segítsetek, biztosan létezik valami ilyesmi áramkör, vagy alkatrész(IC)!
Köszönöm!
(#) kingkey válasza Sir-Nyeteg hozzászólására (») Dec 7, 2007 /
 
Üdv !
Éppenséggel lehet analóg módon tárolni, csak szerintem nem lesz olcsóbb, mintha valami kontrollerrel csinálod.
Mivel modellvasúthoz kell, gondolom , nem 100 évig kell tartania.
Én úgy csinálnám az analógot, hogy az alapjel tárolását egy supercap-pal oldanám meg, ezt egy nagy bemenőellenállású műveleti erősítő pufferelné, aztán azzal a jellel lehetne vezérelni a szakasz feszültségét. Dehát ez így ahány szakasz, annyi tápegység.
Míg ha PIC, vagy AVR PWM-mel hajt egy-egy szakaszt, szakaszonként 1db 200Ft-os processzor, meg kb. annyiért FET, és egy tápról elmegy az egész.
Ja, szakaszonként két kapcsoló, a fesz növelésre-csökkentésre.
Szóval én digitalizálnám...:}}
(#) árpix válasza kingkey hozzászólására (») Dec 7, 2007 /
 
PWM-el próbáltad? bocsi ,Sir-Nyeteg-nek
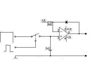
(#) Pafi válasza Sir-Nyeteg hozzászólására (») Dec 7, 2007 /
 
Tessék!

Ugyan ez nem pont azt a feszültséget adja ki a kimenetére, amit a bemenetén kapott, hanem levon belőle 4 V-ot, de szerintem ez nem tragédia, csak arrébb kell tekerni a potit.

Kapcs.GIF
    
(#) ferci válasza Sir-Nyeteg hozzászólására (») Dec 7, 2007 /
 
Esetleg ezt is megpróbálhatod, ha csak pozitív a vezérlőfesz.... Ut: +/- 10-12 volt, a max. vezérlőfeszt figyelembevéve. Egy nullázó-tüske után tárolja a diódára adott feszt.
A kondi polisztirol v. hasonló legyen.

analog.JPG
    
(#) Pafi válasza ferci hozzászólására (») Dec 7, 2007 /
 
Ferci!

Tök profi kapcsolás, de mi van, ha egy másik csatornán nagyobb feszültséget akar beállítani? Akkor a dióda kinyit, és följebb tölti a kondit. Be kellene tenni elé egy kapcsolót/nyomógombot! De akkor meg fölösleges a dióda és a kisütő.
(#) ferci válasza Pafi hozzászólására (») Dec 7, 2007 /
 
Szerintem úgy van, ahogy a témanyitóban fel van dobva a kérdés. Sebességjelek nullázás után bedobva, gondolom, valami programból, aztán az áramkör tartja a következő törlés-beírásig.
A törlés ideje értelemszerűen pár tized ms nagyságrendű.
(#) Pafi válasza ferci hozzászólására (») Dec 7, 2007 /
 
Idézet:
„aztán az áramkör tartja a következő törlés-beírásig.”


De ez nem tartja, mert a diódán keresztül följebb töltődik, ha nagyobb feszültséget állít be! Valahogy le kellene választani a forrásról! De ha már le van választva, akkor minek a dióda? És akkor már nullázni is fölösleges, ha úgyis rögtön újra föl kell tölteni!

Ez a feladat egy teljesen közönséges mintavevő-tartóval hibátlanul megvalósítható. Egy kapcsoló, egy kondi, egy buffer. A kapcsoló esetleg lehet IC is, vagy relé.
(#) ferci válasza Pafi hozzászólására (») Dec 7, 2007 /
 
Pafi... ne csináld már... pont ez a lényeg. Minden törlés után rá van téve a "minta-fesz" és azt tartja a következő beadásig. A dióda csak azért van, mert nem tudni , hogyan veszi el a mintát a kolléga.
Egyébként nem értem, mit akarsz a folyamatos feszültséggel input oldalon - szó sincs arról. Akkor minek kellene az egész?
Kiszálltam.
(#) Pafi válasza ferci hozzászólására (») Dec 7, 2007 /
 
Idézet:
„mit akarsz a folyamatos feszültséggel input oldalon - szó sincs arról.”


Senki nem mondta, hogy a két mintavétel között garantáltan 0 lesz a bemeneten! Miből gondolod, hogy ezt az egyetlen mintavevőt akarja beállítani? Talán más mozdonyoknak nem kell haladniuk? Nyilván kell. Akkor pedig muszáj megváltoztatni a bemeneti feszültséget, és ez lehet nagyobb is a beállítottnál.

Te nem mintavevő-tartót, hanem nullázható csúcsérték-tartót rajzoltál, de nem ez volt a feladat!

Olvasd el újra a feladatot! A pálya több szakaszra lesz bontva, és mindegyiken más lesz a sebesség!

Egyébként meg ha kidobnád a diódákat, kisütő tranyót, és kapcsolnád a bemenetet, azzal az általad vázolt feladat is megoldható lenne.
(#) ferci válasza Pafi hozzászólására (») Dec 8, 2007 / 4
 
1 adott pályaszakaszon , 1 adott pillanatban csak 1 fajta fesz lehet... , ebből adódik, hogy az ott haladó mozdony/ok ugyanolyan sebességgel halad/nak - gondolom, ez logikus....
Az természetes, hogy más szakaszhoz és vonathoz (!) más sebesség tartozik és ha ezt egy időben kell teljesíteni, akkor több tároló is kell, ezt nem is vitatom; .... de ez már más tészta.
A feltett kérdésből egyébként az nem látszik, hogy egyszerre több mozdony is megy...
A felesleges kritika helyett inkább olvass te, én már megtanultam... , valamint fordulj a téma felvetőjéhez "kérdéseiddel"**. Szerintem ott "a vonat a különböző szakaszokban más-más sebességgel tudjon haladni, és ez beállítható legyen." szerepel.
További hsz-ben kérlek, ne velem foglalkozz, hanem mint írtam....**
(#) Sir-Nyeteg válasza ferci hozzászólására (») Dec 8, 2007 /
 
Üdv!
Köszi az eddigi megoldásokat, mindkettőtök megolása jó lehet valamire
Ferci: az analóg.jpg nagyon tetszik, de Pafi-nak igaza van:

a bemenet folyton változhat, hisz lehet hogy a következő szakaszon megint száguldoznia kell a vonatnak,

és ekkor a kondi is feljebbtöltődik, így ez így télleg egy csúcsérték tartó, de az igazi megoldást ebből tudtam kikövetkeztetni: a kisütő tranzisztort a dióda helyére betéve sorosan leválasztható a bemenettől a kondi.
(#) Pafi válasza ferci hozzászólására (») Dec 8, 2007 / 4
 
Idézet:
„de ez már más tészta.”


Szerintem meg ez maga a feladat!

Ha csak annyi lenne a feladat, hogy egy darab időben változó feszültséget kapcsoljunk az egész pályára, akkor ahhoz fölösleges lenne bármilyen tároló! Ezt már az FZ-1 is tudta!

Arról volt szó, hogy a pálya szakaszokra van bontva! Ha csak egy tároló van, akkor hogy tudod szakaszokra bontani?

Időzítés, meg programozás egy ilyen egyszerű feladathoz? (És a te verziódban még a vonatok pozícióját is ki kellene nyomozni valahogy!) Ehhh! Minek? Betesz 20 db FET-et, 20 kondit, 20 kis nyomógombot, 1 potit, egy fél perc alatt beállítja a 10 szakasz feszültségét, és már megy is a vonat (akár több is!), mindenhol olyan sebességgel, amilyennel az adott pályaszakaszon kell! Sőt azt is meg lehet csinálni, hogy ez ne az aktuális sebességet állítsa, csak a maximálisat. (Automatikus sebességkorlátozás kanyarban.)
(#) Sir-Nyeteg hozzászólása Dec 8, 2007 /
 
Így még egy kérdésem lett: egy sima bipoláris tranzisztor jó a dióda helyére?
Mert hogy ott ezek szerint mindkét irányba kell majd folynia az áramnak:
vezérlőjel a bázisra, megfelelő fesz ráadva, kondi feltölt, vezérlőjel levéve, kondi megtartja.
De a megfelelő jel nagyságától függően a kondi lehet h jobban töltődik, de lehet h a tranzisztoron keresztül a töltöttsége csökken.



Ui: meg lehet osztani a pontokat? Egymás nélkül nem jött volna ki a megoldás. Azt elismerem, hogy nem írtam a több mozdonyt, pedig van egy pár. Ezért kellett olyan tároló, ami a bemenettől függetlenül tartja a kimenő feszt.
(#) ferci válasza Sir-Nyeteg hozzászólására (») Dec 8, 2007 /
 
Azt csinálsz, amit akarsz természetesen, de a sebesség-program.JPG képen mintha azt rajzoltam volna, hogy állandóan változik a szakasz sebessége...
te változtatod. A kondi egyébként nem feljebb töltődik, hanem a szakaszra általad megadott mintát kapja, vagyis mindig újat - ez lehet kisebb is és nagyobb is.
Passz...
(#) Pafi válasza Sir-Nyeteg hozzászólására (») Dec 8, 2007 /
 
Sir-Nyeteg!

Szívesen!

A tranyó nem igazán jó leválasztónak, bár lehet trükközni, de igazából a DG411-et találták ki erre!

(#) kaszarobert válasza ferci hozzászólására (») Dec 8, 2007 /
 
Jól gondolom, hogy a nullázó jelnek közvetlenül a bemeneti feszültség előtt közvetlenül kell jönnie, különben megáll a vonat? Így ez mintha nem vezérlő jel lenne, hanem "fesztörlő" jel. Tehát a feszültségnek akkor kéne rákerülni a tartóra amikor a vezérlőjel jön! Persze nullázhat is a vezérlőjel, de ő is tegye rá a feszt...
Mit alakítanál át rajta, hogy ezt tegye?
(#) kaszarobert válasza kaszarobert hozzászólására (») Dec 8, 2007 /
 
Esetleg?
(#) Sir-Nyeteg válasza kaszarobert hozzászólására (») Dec 8, 2007 /
 
Sokkalta egyszerűbb, ha így oldom meg.

De azért köszi!

222.JPG
    
(#) kaszarobert válasza Sir-Nyeteg hozzászólására (») Dec 9, 2007 /
 
Igen, és jobb is oda a kapcsoló.
(#) Pafi válasza Sir-Nyeteg hozzászólására (») Dec 9, 2007 /
 
Már csak a diódát meg az ellenállást kell kihagynod, és jó is lesz! (A dióda helyét rövidre zárva, az ellenállást megszakítva.)

Aztán hogy terhelhető is legyen, mögétenni két tranyót. (pl. BD241/242)
(#) Sir-Nyeteg válasza Pafi hozzászólására (») Dec 9, 2007 /
 
A fene, csak a bemenetet figyeltem, a kimenetet nem. Nem lesz nagy terhelés rajta, így nem kell teljesítménytranyó.
(#) ferci válasza kaszarobert hozzászólására (») Dec 9, 2007 /
 
Próbáld úgy felfogni a kérdést, hogy törölsz egy tárat pl. 1 ms széles jellel ( addig a vonat nem áll meg, hi...).
Utána, ahogy megszűnt, a bemenetre rákapcsolod az aktuális feszültséget, ami a 2u2-t feltölti - ennek az ideje csak annyi legyen, amíg ez lezajlik, aztán lekapcsolod.... tehát időbeni átfedés tiltott ! Ez már digitális technika, nem vonat...

A mintavevob.jpg, általad módosított rajz nem jó, mert az éppen bekapcsolt mintafeszt rövidre is zárod az alsó tranyóval és ebbe ne keverj bele, hi...
Azonkívül ebben a kapcsolt üzemben már egyik dióda sem szükséges, valamint a 2M2 sem.
Egyébként már kiszálltam a vonatból....
(#) ferci válasza kaszarobert hozzászólására (») Dec 9, 2007 /
 
Szigorúan csak a tároláshoz ( nem vonat...).
Itt az idődiagram, a kapcsolást 4016-tal javasolom, mert kisebb a szivárgóárama, mint a 4066-nak, a bekapcs ellenállása nagyobb ( 330 ohm 90 helyett ), de ennek nincs jelentősége a relatív nagy impedancia miatt be oldalon. A kisütésnél tranyó sem kell, párszáz ohm maradhat sorosan .
A 4016 vezérlését tetszés szerint oldd meg.
1., 4016/1 - törlés 1...2 ms;
2., 4016/2 - utána minta min. 3 ms;
3., 4016/3 egyidejűleg /2-vel, 1...2 ms.
Az impulzusidők kapacitás és alkalmazásfüggőek.
(#) proli007 válasza Sir-Nyeteg hozzászólására (») Dec 9, 2007 /
 
Igazából, csak azért szólok bele, mert nem értem a vita tárgyát. Az alapfelállás az volt, hogy:

Idézet:
„Szükségem lenne: egy olyan áramkörre, vagy alkatrészre. amelyre ha adok egy bemeneti feszültséget (és egy vezérlő jelet), akkor az megtartja a kimenetén a továbbiakban ezt az U-t, amíg nem kap új vezérlő jelet.”


Ez nekem azt jelenti, hogy egy mintavevő-mintatartó áramkörre van szükséged. Sample & Hold. Erre konkrét IC van, több évtizede.

S&H

Az, hogy meddig lehet analóg módon tárolni feszültséget, az csak a kondi jóságától és a szivárgási áramoktól függ. Hosszú időre Én nem készítenék ilyent.

Ha nem akar az ember kontrollereket használni, attól még számlálók lehetnének (Bár ezt sem értem, mert legutóbb vettem AVR Tiny12 IC-t mindössze 60Ft-ért, ennyiért egy jó kondit sem kapsz). Egy 4 bites számláncba 16db sebességfokozat is betárolható lenne, és ennél töb szerintem nem kell. Így egy közös órajellel és egy beírójellel (Strobe) szakaszonként megoldódna a tárolás és az addig tart, míg a tápfesz megvan. A számlálóból 5db ellenállással az analóg jel visszanyerhető.

De ,Ti tudjátok, mert Én változatlanul nem értem.

üdv! proli007


(#) Sir-Nyeteg válasza proli007 hozzászólására (») Dec 9, 2007 /
 
Köszönöm a segítséget!
Igen, pont ez az amit az első pillanattól kezdve kerestem, nagyon köszönöm. Sajna a megoldást már elfogadtam, így neked nem tudok pontot adni

Számláló azért lenne bonyolultabb, mert ott minden kimenethez kell pár ellenállás, meg vezetékek. Viszont igaz, h az mindig stabil állandó kimenetet biztosít.

Nagyon köszönöm!
(#) Dragon hozzászólása Máj 12, 2009 /
 
Hello mindenkinek

Már régóta szeretnék építeni egy 25x40-es led mátrixot, ami ugye 1000db nagyfényerejű ledből állna. Ezt AVR-el fogom meghajtani, de nem ebben kérem a segítségeteket hanem mert egy ekkora mátrixnál ugye jelentős a fényveszteség mivel egyszerre csak egy led ég. Ha pedig nagyobbra venném a feszültséget vagy magasabbra az órajelet, azt olvastam, hogy nem bírnák a ledek vagy jelentősen csökkenne az élettartamuk. Fontos lenne hogy teljes fényerővel vílágítsanak az apró fényforrások, ezért úgy gondoltam mindegyikhez kéne egy ilyen analóg feszültség tároló ami szépen eltárolja a faszkót amíg a következő jel nem jön, persze mindegyik kapna egy állnadó feszültséget is. Biztos van ennél egyszerűbb megoldás pl: (modulokra bontani "mondjuk 5x4-esekre" és digitális jelekkel kommunikálni a modulokkal, így nőne a fényerő) meg még sok ötletem lenne de kíváncsi lennék melyik lenne a legegyszerűbb és legolcsóbb megoldás a fényerő maximalizálására. De ha van ötletek bármi másra is kezdve a megépítéstől a működtetésig vagy tapasztalatotok a dologról, azt nagyon magöszönöm.

Üdv. Dragon
(#) Sir-Nyeteg válasza Dragon hozzászólására (») Máj 12, 2009 /
 
Üdv!
Azt hiszem ebből ki tudnál indulni.
Bővebben: Link
Következő: »»   1 / 1
Bejelentkezés

Belépés

Hirdetés
XDT.hu
Az oldalon sütiket használunk a helyes működéshez. Bővebb információt az adatvédelmi szabályzatban olvashatsz. Megértettem