Fórum témák
» Több friss téma |
- Ez a felület kizárólag, az elektronikában kezdők kérdéseinek van fenntartva és nem elfelejtve, hogy hobbielektronika a fórumunk!
- Ami tehát azt jelenti, hogy a nagymama bevásárlását nem itt beszéljük meg, ill. ez nem üzenőfal! - Kerülendő az olyan kérdés, amit egy másik meglévő (több mint 17000 van), témában kellene kitárgyalni! - És végül büntetés terhe mellett kerülendő az MSN és egyéb szleng, a magyar helyesírás mellőzése, beleértve a mondateleji nagybetűket is!
Sziasztok!
Ismerősömnek van egy Palmtopja aminek a háttér világi tásának az invertere meghalt. Sajnos még az univerzális is arany áron van, így arra gondoltam, hogy át kellene alakitani ledes háttérvilágításra. Sajnos ez pont egy olyan fajta kijelző „8,4-s” amihez szintúgy aranyárba adják a ledes kittet. Led backlight Arra gondoltam csinálok én egy Led sort ami a cső helyére bemegy ugyan úgy ahogy a boltinál. 28-30db 1206 fehér 3,0-3,2V 25mA led kel bele és ha megoldható ehez egy egyszerű Led meghajtás „inverter” mert ha direktbe kötném a táprészéhez akkor ha kivan kapcsolva a gép és töltőn van akkor is folyamatosan világítana. Találtam egy ilyet nemtudom hogy használható e lenne nekem? Előre is köszönök minden segítséget
Sziasztok! Egy abszolút kezdő kérdést szeretnék feltenni. Adott egy kapcsolási rajz (előerősítő), ahol a tápfesz. jelöléséhez egy + és egy "fordított T" jelet használnak, valamint a bemenetek jelöléséhez az "IN1-fordított T" és "IN2-fordított T" jelet használják.
Nekem a fenti logika szerint a bemenethez használt árnyékolt vezetékek árnyékolásai így a táp mínuszára kerülnek (a NYÁKON a fordított T jelölések össze vannak kötve.). Ha a kapcsoláshoz nem szükséges szimmetrikus táp (+ GND -) akkor hová kell bekötni a bemenet árnyékolásait, hogy azok ne kerüljenek a táp mínuszára???
Miért ne kerüljenek? A fordított T a testet, árnyékolást, föld pontot jelöli.
A hozzászólás módosítva: Okt 3, 2013
Köszönöm a tanácsot! Egyelőre csak breadboardon van összerakva az áramkör, ezért jobb lenne DIP/TO-92 tokozású alkatrész az SMD helyett, ilyet azonban nem nagyon találtam a kívánt paraméterekkel.
Lehet barkácsolok egy kicsit, hogy ki tudjam próbálni a javasolt alkatrészt. Addig is várom a további tippeket, ötleteket!
Szia!
Ha nem szimmetrikus a tápellátás, akkor a negatív tápág és test ugyanaz lesz és így az árnyékolást össze kell kötni ezzel a közös testponttal.
Az előerősítőt KIT-ként rendeltem egy webáruházból, összeraktam, de nem igazán működik. Megkérdeztem a készítőt, hogy mi lehet az oka, aki azt válaszolta, hogy a bemenet árnyékolását és a táp minuszát ne kössem össze, mert ez a hiba oka. Az áramkör leírásánál viszont az írják, hogy sima, +/- -os tápról hajtható meg az áramkör.
Most akkor mit kellene tennem, hogy mindkét kritérium meglegyen?
Szia !
Olyan MOSFET-et keress aminek alacsony az Ugs feszültsége. Én ilyen alacsony feszültségre NDS332-t használok, bár ez smd. Ha nem jó az ilyen pici eszköz, akkor érdemes PC alaplapból bontani FET-et, azok általában alacsony Ugs feszültségűek. Engedj meg egy kérdést, minek kell kikapcsolni a GPS-t, nem lehet valahogy (paranccsal, láb le, vagy felhúzással) hibernált állapotba küldeni?
Mi a csoda az a
Idézet: „sima, +/- -os tápról” Ez akkor kettős tápot jelent? Nem ártana látnunk legalább a KIT -hez kapott bekötési rajzot.
Nem, nem kettős tápot jelent, hanem olyat, amiből csak + meg - fesz. jön ki. Tehát nem plusz-nulla-minusz.
Délután beszkennelem a rajzát, s felteszem.
Köszönöm a segítséget, úgy néz ki megépítem nyáktrafóval, hiszen olcsóbb mint két elem, és külön nyákra tudom illeszteni az egész előfokot.
Kedves kollégák. Nyüglödök egy dvd implzustáppal. A primer oldalt már összehoztam de nem akar indulni. ennek a tipusa /model:453B / Elég egyszerünek tünt /de mégse/.A fett tranyó IRFBC20F /csereIRFBC30/ KA431AZ C3203Y is csere. 2 ohmos 2W és nagy elko csere. Sajnos azt nem értem mi hajtja meg a fettet és miért ne indul a táp.Ehez kérnék segitséget . eddig is nehezen rágtam át magamat hisz 1954 ben kezdtem az amatörséget egy rádio amatör clubban. De nem adom fel. ... _ _ _ ...
Szia!
Menj át valamelyik DVD-s vagy kapcsolóüzemű topikba. Addig is nézd meg, hogy mi a DVD-játszó típusa.
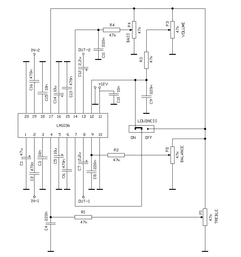
Itt az ígért rajz az előfokról.
Mondjuk, én nem előfoknak nevezném. Ez egy hangerő, és hangszínszabályzó fokozat, egy erre a célra kifejlesztett áramkörrel, aminek azért elég bonyolult belső kapcsolása van. A kapcsolási rajzodat hasonlítsd össze az adatlapján levő ajánlott kapcsolással, és a magyarázatokat is el lehetne/kellene olvasni.
Az árnyékolást a testre kell kötnöd, nem is lehet máshová, mert a bemenet az IN- pontok, és a test között van. Biztos nem ez a hibás működés oka.
Itt egy téma a kérdésedhez. Gyakorlatilag minden hibára le van írva benne az orvosság.
Sziasztok!!
Segítségeteket szeretném kérni .S.O.S Van egy Quasar 24 kombi cirkóm,eddig semmi baj nem volt vele,de ahogy bejött a hideg kipróbáltam,hogy működik e.Légtelenítettem a radiátorokat..stb..szóval mindent megcsináltam rendesen.Szépen működött.Viszont tegnap este,azt vettem észre ,hogy kicsit hangosabb a kelletnél,és a víznyomás felment 2.5 bárra.Leeresztettem a vízből.Bekapcsoltam...ment egy ideig aztán megint felment a nyomás 2.6 ra.kérlek segítsetek mi lehet a probléma????Köszönöm .
Szia!
Eresszél még le abból a vízből. De ennek is van külön témája.
Sziasztok!
Hosszútávon mennyire működőképes a csatolt kapcsolás? Ha mágnes van a Reed mellett, a relé nyugalomban van, amit a mágnes eltávolodik, a relé meghúz. Összeraktam, működik, de nagyon picikét melegszik az optó (éppen kéz meleg...). A tápfesz 12V az optó mindkét oldalán. Bocsánat a Móricka rajzért.
Hello! Ha tényleg így van elkövetve, és a tápfesz mind két oldalon 12V, nem melegedhet. Tehát mérj áramot. A dióda oldalán kb. 13mA folyik, a tranyónál, kb. 3,6mA. Vagy nem így van, vagy az "éppen kéz meleg" csak hallucináció. Mert ha tényleg annyi, hogy érzed, hogy meleg?
üdv!
A forgatopompa lehet akadozik, vagy teljesen meg akadt, ilyenkor a viz felfor es megno a nyomas .
Ha a megadott ertekekre feltoltoted a nyomast nem szabad tulmenjen a bisztonsagos hataron, tehat le ereszteni sem kell a vizbol. Ha a szurok rendesen fel voltak teve ahova szukseges , takaritast igenyel, ha dugulva vanak szinten felforr a viz mert nincs hocsere. A forgato pompat is ki kell levegoztetni, ott a csavar a tengely vegen.
A tápfesz egy picit magasabb, 13,3V. A dióda oldalon 16mA, a tranyónál 4mA-t mérek. Mellé raktam egy üzemen kívüli opót, jelentem az hidegebb! Akkor nem követtem el semmi törvényen kívülit, ugye?
Egyébként egy riasztó ajtónyitás érzékelője van rákötve, a relé meg kétmorzés, egyik megy a riasztóhoz tovább, a másik villanyt kapcsol. Azért kérdeztem az egészet, hogy mennyire stabil a dolog, nehogy téves riasztást csináljon, Azért tettem bele az optót is, hogy ne legyen a 2N2219 bázisán 20m "antenna", a Reed-hez menő kábel képében
Nekünk egy új BOSCH cirkónk van, 2bar van benne nyugalomban, mikor fűt, kb 10 perc alatt 2,5-re megy fel...
Sziasztok!
Szereztem 4db főzőlapot mit egy-egy triakkal szeretnék be ill kikapcsolni a hőmérséklet függvényében. Viszont ezeknek 4 kivezetése van. Tud valaki segíteni hogy mit hova kell kötni?
Akkor nincs itt semmi baj, azon kívül, hogy képzelődsz..
Sziasztok!
Egy ilyen univerzális led invertert szeretnék csinálni. Tud valaki valahol egy kapcsolást? köszi
Fogsz egy ellenállás mérőt, és kiméred. Valószínű több darabból van a fűtőszál, hogy fokozatokat lehessen kapcsolni.
Az sok szerintem mind nyomas, de a fel bar kulombseg az mar szemet szur, kenne legyen benne egy piros cseszeajnak, amibe levegot lehet fulyni , es amiben egy labda van, tipustol fuggoen 1.1- 1.8bar-a kell felfujni( viznyomas nelkul, de hibas is lehet), ebben az esetben a viznyomas keveseb kell legye mint a levego nyomasa a labdaban. A foyamat a kovetkezo; a viz melegedik es tagulni kezd, igy nagyobb lesz a nyomasa mind a labdae, azt elkezdi oszenyomni, oda csinalva helyet a viz maganak. Hanem szetnyomja a rendszert valahol.
Nem kell ehhez triak, megfelel a bimetálos kapcsoló, ami elvileg van hozzá. Fel kell erősíteni a főzőlapra és kész! A triakkal szabályozni szokás a teljesítményt(dimmer). Ezen kívül lehet szabályozni, mert a fűtőszál inkább ohmos terhelés. Ezekből pont jó lenne csinálni mondjuk... talán... esetleg... tűzhelyet! Persze mérd meg előtte, amit qvasz2 javasolt.
Üdv újra.
Találtam egy kapcsolást ami leválasztja nekem a földet. Hogy biztosra menjek bekereteztem pirossal azt a részt amit hozzátennék, illetve ha jól értelmeztem, a sárgával jelölt a leválasztás. Kérdésem hogy a két ellenállásnak mennyire kell egyezniük, valamint hogy értékben mekkora lehet a max és a minimum érték? Kondiból csak 10µF/50V van itthon a 25volt helyett. Ha kell mivel helyettesíthetem? Illetve vannak még bontott alkatrészeim pc tápból, meg egy erősítőből. Most sajnos ebből kell válogatnom. Köszi a segítséget! |
Bejelentkezés
Hirdetés |






üdv!
Egyébként egy riasztó ajtónyitás érzékelője van rákötve, a relé meg kétmorzés, egyik megy a riasztóhoz tovább, a másik villanyt kapcsol. Azért kérdeztem az egészet, hogy mennyire stabil a dolog, nehogy téves riasztást csináljon, Azért tettem bele az optót is, hogy ne legyen a 







