Fórum témák
» Több friss téma |
- Ez a felület kizárólag, az elektronikában kezdők kérdéseinek van fenntartva és nem elfelejtve, hogy hobbielektronika a fórumunk!
- Ami tehát azt jelenti, hogy a nagymama bevásárlását nem itt beszéljük meg, ill. ez nem üzenőfal! - Kerülendő az olyan kérdés, amit egy másik meglévő (több mint 17000 van), témában kellene kitárgyalni! - És végül büntetés terhe mellett kerülendő az MSN és egyéb szleng, a magyar helyesírás mellőzése, beleértve a mondateleji nagybetűket is!
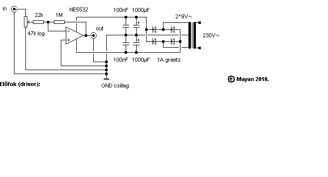
Szia! Illene egyezniük, elvégre ezért írták oda az 1%-ot. Műszerrel válogass! Azért kell, mert ennek egyformának kell lenni a két erősítésnek. Az, hogy 50V-os kondi van, az sose baj, még 350V-os is mehetne bele
. A hozzászólás módosítva: Okt 3, 2013
Jó a kapcsolás, csak egy kissé túlkomplikált. Egy hangfrekvenciás reősítőnek nem tudom miért kell neminvertálónak lennie, ez bonyolít rendesen. Ha invertálóként használod, jónéhány ellenállás megspórolható, és az offset probléma sem túl lényeges. A féltápfesz feszültség osztó ellenállásainak egyformasága sem létkérdés, de csak így biztosított a lehető legnagyobb kivezérelhetőség. Ha csukott szemmel kiveszel két 47 - 100 kOhm értékű ellenállást, mér jó.
A kondenzátorok feszültség tűrése nagyobb legyen, mint a tápfeszültség, és akkor nem lesz gond.
Azért oda felesleges a 1% -os ellenállás. Nem attól lesz szimetrikus. Sokkal inkább az erősítést beállító ellenállásoknak kellene mindkét oldalon egyformának lenniük, már ha a szimmetrikus erősítés a cél.
De ez nem szimetrikus erősítő, hanem csak egy két csatornás erősítő. persze nem árt, ha a két csatorna paraméterei megegyeznek.
Rendben, úgy néz ki meglesz minden!
Bemeneti elkónak megfelel egy 1µF/50 voltos? Ekkor a bemenet felől legyen a + része?Thx
Az, hogy merre legyen a bemeneti elkó + vége, azt meghatározhatod azzal, hogy meklyi pont milyen potenciálon van. A bemeneti jelforrás a földhöz képest adja a jelet, az IC bemenete pedig féltápon van, tehát ide jön a pozitív kivezetése.
Sziasztok!
Lcd kilyelző led háttérvilágitásánál mit jelentenek a 6P-1, 6P-3? Hogy vannak a ledek csoportositva? Egyátalán hogy szokták csoportositani a ledeket pl. amibe csak egy megvilágítás van? A hozzászólás módosítva: Okt 4, 2013
Szeretnék vásárolni magamnak egy 12 volt / 30 watt SMA autós pákát. (szivargyujtó aljzatba dugható dugóval). Vennék hozzá egy lengőaljzatot. Erre az aljzathoz szeretnék csatlakoztatni egy AC/DC trafót. És itt jönne a kérdésem, nekem egy 12 volt / 500 mA - t leadó trafóm van, (6 watt)
lehetne e jól müködtetni a pákát ezzel az áramforrással?
Szia!
Nem. A 30w-os pákához a 6w-os trafó kevés lesz.
Szia!
De ha 12V-os a pákád, akkor minek a "trafó"?
Szia!
A páka 12 V 30 W, ez hogyan működne egy AC/DC transzformátorról? Egyáltalán mi az az AC/DC transzformátor? Minek kell ide bármi, ha a 12 V a szivargyújtó aljazatban rendelkezésre áll? Bedugod a szivargyújtó aljazatba, megvárod míg felmelegszik és használod! Üdv.: Feri
Azt hiszem, bobear84-nek nincs autója, csak autós pákát szeretne, ami 12V-ról megy. Namármost kell neki erre a célra egy hálózati transzformátor, aminek a secunder feszültsége 12V és legalább 50W-os.
Ami az "AC/DC trafó"-t illeti, szerintem valaki bemagyarázhatta neki, hogy az autós páka csak egyenfeszülségről működik
Egy 120VA 24V trafóról üzemel a 24V 50W kattogós Wellerem. Fészerből előkerült régi dobozolt trafó, a bemenő hálózati ágon van 1-1 biztosíték, persze meg vannak patkolva... Mekkora biztosítékokat rakjak be, hogy biztonságos legyen, illetve hogy kell ezt kiszámolni?
P=U*I ; U=R*I ; I=U/R
Itt a lényeg, hogy 50W max. teljesítmény kell. Ezután már ugye nem gond a behelyettesítés.
No nem egészen úgy van az, mert ha trafó, akkor váltakozó áram, ha pedig váltakozó áram, akkor effektiv feszültséggel kell számolni a teljesítményt.
[off] És én honnan tudjam, hogy a kérdező ezt tudja-e és teljesítmény alapján áttudja-e számolni? 50W kell neki.
250mA (biztonság kedvéért 500mA) bizti jó lehet a 230V oldalon. Ezt olyan nehéz kiszámolni?
Merthogy ezesetben a 24V az az effektív feszültség, tehát az 50W is eff. teljesítmény stb. Azért kissé túlméretezni a biztit (pl. 400mA) nem árt, mert a hideg fűtőtest a felmelegedés során kissé több áramot kér.
A gyári Weller állomásban 315mA-es biztosíték van.
Sziasztok!
Valakitol kaptam 5db ilyen Szénmikrofont, valamire hasznalhatom, erdemes kiserleteznem veluk? Esetleg tudtok segiteni kapcsolasi rajzba. Elore is kosz.
Hello! Egy szénmikrofon jó nagy jelet ad, meg zajosat és jó torzat. Ma már nem igazán érdemes vele foglalkozni. Valaha sorba kötöttünk a fejhallgató-mikrofon-telep és akkor kettő telepes telefonként használható volt. Korlátozott használattal, mert önhang csökkentés ugye nem volt benne. De kábelerek "kicsengetésénél" jó szolgálatot tett. Jókat koppant mikor rátaláltál egy érre, és utána megbeszélhető volt, merre keresünk tovább..
De az utolsó vezetékes telefonoknál is már formára ilyen volt, de belül egy elektret kapszula volt, lényeges jobb hangzással. Ma ezt az elektret típus könnyen és olcsón beszerezhető, vagy kibányászható vacak kazettás magnókból.. Amúgy tápfesz kell hozzá, és egy soros ellenállás, mert a szénmikrofon hangra változó ellenállást produkál. üdv! A hozzászólás módosítva: Okt 5, 2013
Sziasztok!
Egy olyan kérdésem lenne, hogy van egy 3 voltos villanymotorom (DC) ami meg kapja a feszültséget. Van amikor eszt a vilannymotort terhelés éri és le megy a fordulatszáma. Egy olyan elektronika kellene ami figyelné, hogy mikor terhelődik le a villanymotor és akkor adna rá még feszültséget.( nem a motor feszültsége lenne állandó, hanem a fordulatszáma) Úgy tudom eszt úgy szokták megoldani, hogy inpulzusokba kap a motor feszültséget és amikor nem kap akkor (mint egy kis dinamó) feszültséget indukál és ebből tudja az elektronika, hogy kell-e még pluszba feszültség vagy nem. Gondolom ha meg is lehet oldani akkor is csak PIC-kel, de engem olyan megoldás érdekelne amihez nem kell PIC. A válaszokat előre is köszönöm.
Szia!
Vannak itt visszacsatolásos állandó fordulatszámot biztosító kapcsolások. De a keresővel sok hasonló kapcsolást is találhatsz.
Hello,
szerintem az AC/DC trafó egy trafóból és egy egyenirányitóból akar állni, és a pákát a hálózatról szeretné használni.A biztonság érdekében nem árt 50 százalékkal felülméretezni a tápegység részét, hogy ne legyen túlterhelve semmi
Ezek szerint nem volt eddig tiszta, hogy ha azt a pákát nem az autóban akarja használni, akkor teljesen felesleges az egyenirányító, merthogy 12V eff. szinuszos váltófeszej hőteljesítménye pontosan azonos 12V egyenfesz.-el(amit pl. az akkumulátor biztosít), a feszejt nem is szabad nagyobbra engedni, mert az a páka halálát okozza. A teljesítményt lehet (pl. nagyobb vaskeresztmetszet, vastagabb huzal) túlméretezni.
Ismét sziasztok!
Sajnos a pic programozásban nem jutottam előre. Feltettem a kérdést a pic fórumban. MARAD ITT AZ EREDETI KÉRDÉS!* 0,9V pwm-el kellene vezérelnem egy powerledet(min 2,5V tip 3V max 3,9V 700mA) 5V-ról menne. Milyen kapcsolást javasoltok? *Ne kiabálj! A hozzászólás módosítva: Okt 5, 2013
Szia es koszonom a felvilagositast!
Eleg sokat olvasgatam ma rolla, tobek kozott hogy nem igazan erzekeny hoszu vezetekre, teszi a dolgat. Igy az ugrott be mint otlet , hogy tudnam hasznalni(?) , 70-80 metere mind hang jelado(akar tobet is, sorba kotve). Vagyis kert vegeben mikor csortetnek a vad disznok a kukoricasban, kapcsolna valamit, ami fel koltene, feny hang , stb. Mas megoldast nem igazan talatam, mivel nincs arram foras, a nap elemet elso ejjel el lopnak, Radio ado is mesze all meg a tudasomtol. Esetleg segitenel valamilyen kapcsolasban? Meg anyit hogy meregetem tobb szaz kilorol esik az ellenalasa par tiz kOhmra.
Csak az a baj, hogy a szénmikrofon hangkeltőnek, hangszórónak nemigen válik be. Hangszórónak valamilyen dinamikus, vagy piezo hansugárzót kéne használnod.
Sziasztok!
Köszönöm a választ! Tehát lényegében ennek a kapcsolásnak a neve: visszacsatolásos állandó fordulatszámot biztosító kapcsolás. Egyébként a modellvasútban eszt úgy hívják hogy terhelés szabályzós chip.( természetesen jóval drágábban és bonyolultabban) Még annyit, hogy a linkben az első kapcsolásnál 6volt helyett meg lehet- e táplálni 3 voltal? |
Bejelentkezés
Hirdetés |




.
Bemeneti elkónak megfelel egy 1µF/50 voltos? Ekkor a bemenet felől legyen a + része?Thx 
