Fórum témák
» Több friss téma |
Fórum » Kapunyitás gombnyomásra olcsón! - avagy automata kapu házilag
Témaindító: szabi83, idő: Feb 2, 2006
Az infrakapu reléje mindegy hogy relé vagy optocsatoló, a jelenség ugyanaz!
De akkor hogy oldjam meg hogy jól működjön?
Betetted már a 470ohm-ot, vagy csak beszélgetünk? Nem hiszed el, de valami egyszerű hiba van csak, amin elbuksz.
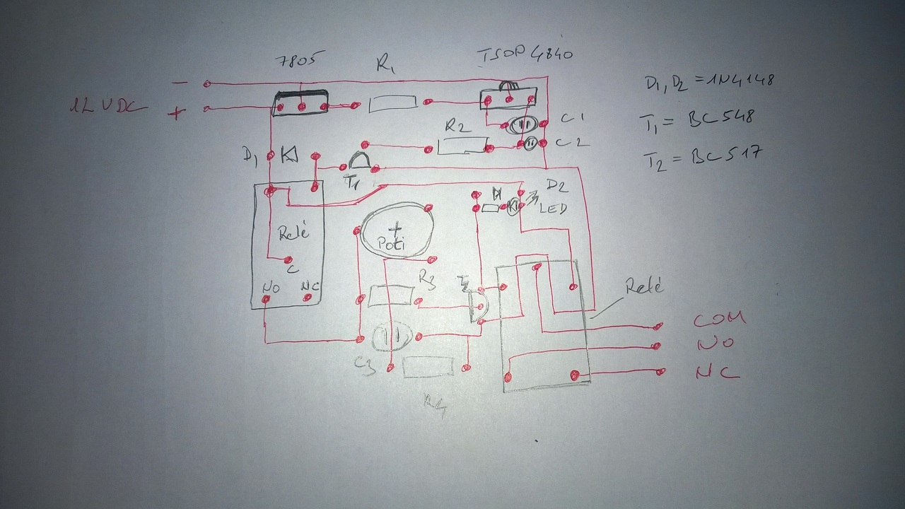
Amit mellékelt rajzot az időzítőről, az nem így néz ki. Azon a potin keresztül tölti a kondit.
Bővebben: Link A hozzászólás módosítva: Ápr 2, 2014
A tranzisztor fele menő ellenállásnak, akkor is meg kellene akadályozni a zárlatot... (egyébként igaz.)
Ha gyorsan a végére akar jutni, leggyorsabb ha valaki mással rajzoltatja vissza, vagy teljesen szétszedi, és egy másik panelen újra építi. A legnehezebben észrevehető hiba, amit mi követünk el, és a keresésnél megszületik az első téves kiindulópont, ehhez az ember ragaszkodni szokott.Kezd azzal a két panel tápját összekötöd (csak azt) mi történik? Ez után mindkét panel még működik? Következő a nyomógomb két végét helyettesíted a jelfogó érintőjével.( jut eszembe a elfogó jól van bekötve???? , nincs benne semmi meglepetés? ) (két panel között 4 vezeték) Ekkor is működik? Már csak az érintő egyik felének a tápra kötése marad, ami után már egy vezeték elhagyható.Ha a stab IC-t is kipusztítja, akkor a tápokkal/stab ic bekötéssel is van némi gond.(kimenete megkapja a 12V-ot) mindenhova az előírt félvezetőt tettél, nem cserélted össze az emitter kollektort ? (tudom azt írtad külön működnek, de az ördög nem alszik) A hozzászólás módosítva: Ápr 3, 2014
Én ezért kértem, hogy fotózza le az áramköröket, de nem értjük egymást úgysejtem mert még most se láttam képet róluk.
Hello! Azért más a rajz,mert máshogy használja az időzítőt. (Amúgy meg jó lenne így, ha jó lenne.) Egyébiránt ez a BBS rajz is rossz! Mert ha a poti kis ellenállásra van tekerve, a kondi töltőárama leégetheti a poti csúszkát.. De a probléma megoldás szempontjából, nem sok értelme van, hogy így "jól elbeszélgetünk itt egymással".
üdv!
Helló! Igen igazad van, de jó párat összeraktam abból az "időzítő"-ből már és sosem volt vele gond. Én igaz saccolónak hívom csak, mert 10-ből 2-ször van ugyanannyi idejű időzítés, de ilyen diszkrét elemekből álló kapcsolástól nem is kell csodákat várni. A potival sorba kötök mindig egy 10k-s ellenállatot, biztos ami biztos alapon. Ha volna olyan kedves tápos és rakna fel képet az áramkörökről, sokkal könnyebb volna megoldást találni rá, mert így vakon csak találgatunk, de a beszélgetésen kívül nem sok értelme van.
Rajzot, minek. Úgysem azt építette meg.Ilyen tömeges elhalálozást csak elkötéssel lehet elérni, azt meg ugye nem tudja lerajzolni.
Jogos a válasz DE!, ha elolvastad volna figyelmesen amit írtam...
Idézet: „Ha volna olyan kedves tápos és rakna fel képet az áramkörökről, sokkal könnyebb volna megoldást találni rá”
Hello Mindenkinek!
Igazatok van, elbeszéltünk egymás mellett,DE képeket azért nem tettem még fel, mert sajnos nem sok időm van foglalkozni a munkám miatt az áramkörrel, valamint mivel sokszor meghibásodott, szétszedtem az egész panelt, majd összeraktam az egészet újra panel nélkül! A jelenség mindig ugyanaz, a két áramkör jól működik magába, a kettőt összekötve tönkremegy! Ha ilyen "vezetékes kapcsolásról" teszek fel képet lófa....z se fog látszani! Valamint mivel kb. 10-szer átnéztem a panelt, és nem találtam sehol hibát, átforrasztgattam a panel kapcsolását, hogy külön-külön működjön az időrelé és az infrakapu is! Ezt a panelt ha lefényképezem és felrakom akkor azt senki nem mondja meg mi van jól és rosszul kötve.... Abban is igazatok van, hogy ez BSS elektronika-i rajz, kicsit eltér attól, amit rajzoltam az elvi kapcsolásról, mert van benne + 1 db ellenállás, de azt hiszem a lényegen nem változtat semmit... Ha lesz kis időm foglalkozni a dologgal, akkor átrajzolom az "eredeti" nyák rajzot és felteszem a képeket! Mindenesetre köszönöm a segítséget!
Tiszteletem mindenkinek !
Azzal kapcsolatban érdeklődőm hogy a központi zárvezérlő beépített reléi közvetlenül kapcsolhatnak -e 230 v-os relét vagy hány amperig terhelhetők ? Válaszokat tanácsokat előre is köszönöm.
Nem világos a kérdés.
Autós központizár vezérlésről beszélsz, vagy miről? Mire akakarod és hogy használni? Nézd meg a relé feliratát és rajta lesz, meddig terhelhető. Mivel relékimenetről beszélsz, lehet vele (velük) kapcsolni másik relét (reléket). Hogy a kapcsolt relé mit tud, attól függ, milyet teszel bele. (Ilyen kevés infoból ennyit tudtam válaszolni.) A hozzászólás módosítva: Ápr 8, 2014
Szia! Nekem amik vannak benne és láttam is, azok 4-5A-es kapcsolással bírnak, az index villogtatók meg 15-20A-esek. Ha ezeknek a reléknek a kimeneteivel akarsz kapcsolni egy másik 230V-os relét, akkor azt nyugodtan megteheted velük.
pontosabban 12-24V -os tekercsű 230V-ot kapcsoló relét. Szerintem az autó iparban olyan reléket használnak, amelyeknek az érintői 125V AC feszültséget tudnak megbízhatóan kapcsolni.
Autós központizár vezérlés.
Kapu mozgató motort kapcsolna, a motor lehetne 230 v-os illetve 12-24 v-os. Az ön tartás illetve a forgás irányváltás miatt kell másik relét kapcsolnia ( itthon 12v-os csak 2 morzés relém van 230 v-os 3 morzés. Azért nem hozzá férhető az egységben levő alkatrészek értékei mert most még garanciás nem akarom megbontani.
Én simán rákötöttem már ilyen relére a 230V-os relé tekercsét és mái napig megy. Áramot nem vesz fel sokat, hogy félni kelljen tőle, az érintkezők beégésre meg egy kondi a biztosíték. Ez a gyakorlatban működik.
A hozzászólás módosítva: Ápr 8, 2014
Lehet, az oldálára azonban 125V szokott írva lenni az autós reléknek. Szerintem is el kellene viselniük, de mióta egy ránézésre méretes , megbízhatónak látszó kétsarkú hálózati kapcsoló, a két oldala között átégett egy garantáltan száraz koszmentes helyen, azóta nem tudom miben higgyek.
Mellékesen ha biztos akarnék lenni benne, hogy a hálózat nem néz vissza az akku sarkon, nem feszegetném ezt a bekötési módot. A hozzászólás módosítva: Ápr 8, 2014
Persze igazad lehet, nem vitatom, de én a gyakorlatra vetítve a dolgot, járható útnak mondom ezt a verziót.
Ha a motor lehet 12 -24V-os, akkor könnyen lehet hozzá a zár kimeneteiről jelet varázsolni egy Tranzisztoros H-híd-nak és egy áramkorlátnak, amivel kiváltod a relétengert és a beégésekkel kapcsolatos negatív tapasztalatokat.
Mint írtam, szerintem is tudja.Lehet én is bevállalnám (ha zárlatos lesz többet ilyet nem teszem....) A fő ok talán az előző hozzászólás módosítása rejti. A riasztóban ki tudja mivel van összekötve, hol megy a vezeték...
A kivezetésekkel nincsenek problémák, szinte mindig a csatlakozónál közvetlenül helyezik el a reléket erősített fóliával, ezek a tapasztalataim ezekkel a központi záras NYÁK-okkal. Ha Atis41 rak fel egy képet a zárról, akkor meg tutira megmondom.
Köszönöm szépen a tanácsot de sajnos az elektronikához egyáltalán nem értek.
Viszont relékkel simán megtudom csinálni a vezérlést. Nekem ennyi a tudásom .
125 AC felirat nem a terhelést jellemzi, hanem az átütési feszültséget szerintem. Valószínű ennyi a megengedett maximális a távolságok miatt a belsejében.
Azért nem fognám meg az akku sarkot egy akármilyen szerkezetre kötött 230V esetén, hacsak nem látom mérem ki , nincs közösítve sem a + sem a - táppal a relének egyik érintője sem. (akár a relén belül, lehet úgy szokott lenni, de mi van ha nem.)
Ha igazán biztosra akar menni, akkor marad a kisfeszültségű motor, vagy a pótjelfogó. Ha garanciás a kütyü akkor meg szinte teljesen egyértelmű a pót 12V tekercsű jelfogó.
Egyedül az indexeket villogtató relé egyik kivezetése van a pozitívval összekötve a panelon alapból. Azt amúgy se használja semmire, csak a 2 másik nyit-zár relét, amik meg függetlenek a zár tápjától.
Azért így látatlanban elég felelőtlenség bármilyen kisfeszültségű berendezés (még típusszámot sem tudsz) összekötését javasolni a 230V-al egy kezdőnek.
A hozzászólás módosítva: Ápr 9, 2014
Igen, de ha olvastad volna amit írtam, akkor látnád hogy kértem képet róla!
Ha ezt építetted meg...Először is, ha ezt a kapcsolást építetted meg, milyen ellenállást tettél be R3 nak? Ha ez túl kicsire sikerült (min 2-3 kohm) akkor lehet ez oka a BC517 tranzisztor pusztulásának, de a stab ic-t szerintem csak elkötéssel tudod kiirtani ebben a kapcsolásban.Kezdeném azzal, az első jelfogó érintőjét leválasztanám az időzítőről.így mit produkál? (ha nem akarsz halálozást, lehet a tápnak valami áramkorlátot készítenék, pl egy égőt tennék be) Más kérdés, szerintem ebben a formában mindkét jelfogó állandóan húz, csak infra jel esetén esne be, ha túl sokáig világítod, ami nem hiszem hogy cél.
|
Bejelentkezés
Hirdetés |





üdv!





