Fórum témák

» Több friss téma
Fórum » Villanypásztor
 
Témaindító: bernardo, idő: Feb 5, 2006
Témakörök:
Lapozás: OK   163 / 301
(#) Bártfai Ferenc válasza erdgab hozzászólására (») Okt 13, 2013 /
 
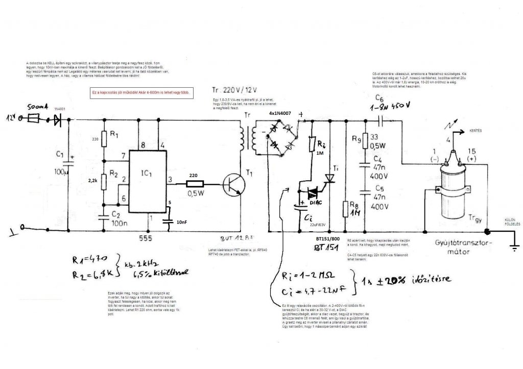
Igazad van, csak mire olvastam az üzeneted akkora megrendeltem az alkatrészeket. A trafó jó lesz, csak a tranzisztort cseréljem?
(#) ferci válasza erdgab hozzászólására (») Okt 13, 2013 /
 
A BD249C bázisárama max. lehet 5 A, de ezt ne keverjük ide. Főleg, hogy a feltett kapcsolás 12 voltról megy és 500 mA a bizti...
Katalógust meg kéne nézni először.
Jelen esetben jó, ha 50 mA bázisáram, a BD-t ismerve 3 A lenne a kollektoráram csúcsban.
Megnyugtatásképp 100 ohmig is el lehet menni a bázisellenállással, akkor is csak 100 mA lesz a bázisáram, de nem ezen fog múlni az egész kapcsolás jósága..
A hozzászólás módosítva: Okt 13, 2013
(#) erdgab válasza ferci hozzászólására (») Okt 13, 2013 /
 
Köszönöm a kiegészítést,értem én,de nem nekem van problémám a kapcsolással.Én meg tudom építeni úgy,hogy megkapjam a kondin a kellő feszültséget és "jól működjön" a pásztor a kapcsolás "gyermekbetegségei" ellenére is.Van ami 4 éve megy hibátlanul.
(#) ferci válasza erdgab hozzászólására (») Okt 13, 2013 /
 
Csak az 1. sorodra reagáltam.
(#) erdgab válasza ferci hozzászólására (») Okt 13, 2013 /
 
Semmi gond,Tisztelettel köszönöm a hozzászólásodat.
(#) Bártfai Ferenc válasza erdgab hozzászólására (») Okt 13, 2013 /
 
És én mitévő legyek? cseréljek trafót is meg tranzisztort is, vagy csak tranzisztort?
(#) erdgab válasza Bártfai Ferenc hozzászólására (») Okt 13, 2013 /
 
Egyenlőre csak tranzisztort cserélj,és a diódát vedd ki az 555 ic 6-7 lábáról.
(#) Bártfai Ferenc válasza erdgab hozzászólására (») Okt 13, 2013 /
 
Ott konkrétan az a dióda micélt szolgál?
(#) erdgab válasza Bártfai Ferenc hozzászólására (») Okt 13, 2013 /
 
Arra szolgál,hogy az ic rövid tüskékkel hajtsa meg a tranzisztort,ha jól értelmezem,de nekem nem vált be és kivettem,egy villanyparasztomban sincs bent.
(#) Bártfai Ferenc válasza erdgab hozzászólására (») Okt 13, 2013 /
 
Szia! Kivettem a diódát és mindjárt 180-200V lett a feszültség! Köszönöm a segítséget.
(#) erdgab válasza Bártfai Ferenc hozzászólására (») Okt 13, 2013 /
 
Ha most ellenőrzöd a tranzisztort (BD249) előfordulhat,hogy kissé melegebb s az egész áramkör áramfelvétele nőtt.Cseréld ki a tranzisztort is,ha lehet és mindjárt más lesz a kondin a feszültség,kell,hogy növekedjen.Meglátjuk az eredményt és még tovább "gondolkodunk". El lehet érni azt a feszültségszintet,amit említettem.
(#) Bártfai Ferenc válasza erdgab hozzászólására (») Okt 13, 2013 /
 
Nem melegszik a tranzisztor. De holnap veszek az általad említett típusokból.
(#) ferci válasza Bártfai Ferenc hozzászólására (») Okt 14, 2013 /
 
Felesleges a BD-t kicserélni. Ha maradsz a trafód típusánál, inkább játsszál a frekivel 1. körben.. 1 kHz környékén, ahol most megy az oszci, ez a tranyó nagyon is jó... még a bázisellenállását is növelheted esetleg.
A másik lehetőség az lenne, hogy az impulzusszélességet variálnád ennél a frekinél. Biztos találsz ehhez rajzot a fórumban.. a 6k8 helyén 2 ellentétesen bekötött dióda, egy 4,7 k-s poti, 2 ellenállás és be tudod állítani a max. szekunder feszültséget..
Közben méred az áramot, amit felvesz a 12 voltból és amikor már nagyon pici a "javulás", cseppet visszaveszel a kitöltésből ( poti..).
Szkóppal persze könnyebb lenne nézni, mikor érsz a telítés közelébe és akkor "stop"..
Ha olvasol a pwm-es fórumban, sokat tanulhatsz ilyen témakörben.
A hozzászólás módosítva: Okt 14, 2013
(#) Bártfai Ferenc válasza ferci hozzászólására (») Okt 17, 2013 /
 
a 470 ohmos ellenállás maradhat a 7-es és a 8-as láb között?
(#) deak francis válasza deak francis hozzászólására (») Okt 17, 2013 /
 
Helo.Uraim azt szeretném megkérdezni ,hogy mi a szerepe az Rx ellenálásnak amelyik párhuzamosan van kötve a Cx -re .A második kérdés az volna hogy ugyanaz a Rx milyen értékű kell legyen ha a Cx 2ou-45oV.Köszönöm szépen előre is.Csatolom a rajzot(ha sikerül)
A hozzászólás módosítva: Okt 17, 2013
(#) Bártfai Ferenc válasza deak francis hozzászólására (») Okt 17, 2013 /
 
Az Rx süti ki a kondit, ha leállítod az áramkört! 1Mohm-os van nekem betéve oda. Jah és én nem kötném össze a 12V -át a nagyfeszültségű rész GND-vel mert elég kellemetlen meglepetés érhet ha mondjuk a földelés nem jó és le akarod venni az akkumulátorról a sarut..
A hozzászólás módosítva: Okt 17, 2013
(#) deak francis válasza Bártfai Ferenc hozzászólására (») Okt 17, 2013 /
 
Köszönöm szépen
(#) deak francis válasza deak francis hozzászólására (») Okt 18, 2013 /
 
Szia .Akkor azt kérdezném hogy a R6 nem ugyanaz a szerepe ?Kösz
(#) deak francis válasza (Felhasználó 13571) hozzászólására (») Okt 18, 2013 /
 
Ok köszi
(#) deak francis hozzászólása Okt 19, 2013 /
 
Bővebben: LinkJó napot Uraim.Elkészitettem az alábbi generátort és vannak gondjaim vele.Tápot adva ami cca.11,5Vcc, a diodák után a fesz 230-330V.A C6 1-4µF kb. 2cm szikrával és kattog elég erősen.Na most ha 20-30µF cserélem a C a feszültség automatikusan 80-160V -re esik,ez esetben a szikra csőkken ,sárga szinű nem kék.A fogyasztás kb. 130mA.Az lenne a kérdésem mit tegyek hogy megnöveljem a feszültséget? A trafo egy PCB 9V/230V/­2,8Va.Köszönöm szépen a segiségeteket.http://www.hobbielektronika.hu/forum/getfile.php?id=168600
A hozzászólás módosítva: Okt 19, 2013
(#) deak francis válasza (Felhasználó 13571) hozzászólására (») Okt 19, 2013 /
 
Köszönöm.Akkor milyen trafó kellene hogy a feszültség legyen 300V meg a kondi 20-30uF?
A hozzászólás módosítva: Okt 19, 2013
(#) ferci válasza Bártfai Ferenc hozzászólására (») Okt 19, 2013 /
 
Az természetesen maradhat, mert kell abban a pozícióban, de inkább 1 k-t tegyél oda.
(#) erdgab válasza deak francis hozzászólására (») Okt 19, 2013 /
 
Emeld meg a tápfeszt kb. 13 voltra és Ri=1M értékét 1,5M -ra. Vagy cseréld a trafót 6V/230V/4W.
(#) deak francis válasza erdgab hozzászólására (») Okt 19, 2013 /
 
köszönöm szépen
(#) saba hozzászólása Okt 25, 2013 /
 
Próbált már valaki TV sorkimenő ferrittrafóval villanypásztort csinálni? Eredmény?
(#) dokidoki válasza saba hozzászólására (») Okt 25, 2013 /
 
He-he, a nagyfatertól örökölt 50-literes üvegballonnal mint Leideni-palackkal előre megfontolt ideggyógyász eszköz lehetne.
(#) deak francis válasza saba hozzászólására (») Okt 25, 2013 /
 
Szia .Én csináltam FF tv és egy Normende trafoval .A FFtv trafoja kissebb szikrát produkált,mig a másik nagyobbat.Nem tudom ha elegendő -e 3-5KM:
(#) saba válasza deak francis hozzászólására (») Okt 26, 2013 /
 
Tirisztoros (320V-ról mint a gyújtotekerccsel erőltetettnél), vagy csak 12V-ról?
(#) deak francis válasza saba hozzászólására (») Okt 26, 2013 /
 
Szia .Tirisztoros és 220V -ről.
(#) nik6868 hozzászólása Nov 2, 2013 /
 
Jónapot kivánok.Bocsánatot kérek a zavarásért,szükségem­ lenne a segitségetekre.Megal­kottam a lenti kapcsolást és problémáim akadtak.Műkődik ,de nem ugy ahogy kell.Pontosabban.3 x1µF párhuzamosan a konvertorban kék 2cm szikra van .Na most ha beteszek egy 20µF/450V kisebb a szikra ,sárga szinű kb.4mm.Kicseréltem a trafót 9V/230V 4W és ugyanaz a gond.Amikor beteszem a 20u kondit leesik a feszültség cca 105V.Amikor visszateszem a 3x1µF /1000V a fesz. 250V.Hogy tudnám megoldani a 20µF kondival a kapcsolás normális műkődését?Előre is köszönöm és teszem a rajzot.
http://www.hobbielektronika.hu/forum/getfile.php?id=168600
http://imageshack.us/photo/my-images/89/dl4o.jpg/
Következő: »»   163 / 301
Bejelentkezés

Belépés

Hirdetés
XDT.hu
Az oldalon sütiket használunk a helyes működéshez. Bővebb információt az adatvédelmi szabályzatban olvashatsz. Megértettem