Fórum témák
» Több friss téma |
Fórum » TV hiba, mi a megoldás?
Üdvözlöm! Helyes működés esetén készenléti állapotban a processzor kék és zöld lámpái egyszerre teljes fénnyel villognak. A tv bekapcsolása után ha szinkronban van a processzorral egy kék led világítana teljes fénnyel,és a tv -n is egy kék led teljes fénnyel. Ha a távirányítóval bekapcsolom a tv-t, a processzor átvált egy zöld fényre,ekkor működik helyesen.Tanácsát megfogadva a színkerék és környékét kitisztítottam,de összeszerelés után is ugyan úgy működik: Bekapcsolom 5-10 másodperc és elsötétedik a képernyő,a processzor lámpája pedig az erős zöld fény helyett nagyon halvány kéken világít.
Köszönöm előre is a lehetséges megoldást!
Meg kellene mérni, hogy a " forgásérzékelő " ad é jelet. Mert ha nem lekapcsolja a lámpát. Azonkívül maga a lámpa is, meg a meghajtója is (ballast ) szóba jöhet. Ezek a gyakori hibái. Ellenőrizni kell, szemmel, hogy mikor a lámpa elalszik forog e a kerék. Vagy forog e egyáltalán.
Köszönöm válaszát,privátban mailt küldtem,kérem majd reagáljon rá!
Sziasztok!
Pár napja egyik ismerősömnek az Orion TV-je kékben úszik. Teljesen kék/kékes a kép, 4 sarka kicsit zöldes. (Olyan mintha nem lenne piros szín...) DE!!! Amikor váltogattam a csatornákat egy meccs jött be, és a zöld fű teljesen pirosos rózsaszínes volt. Szóval elvileg van, megjeleníti, de mégsem. Olyan hatást kelt, mintha negatívba nézném a TV-t vagy valami hasonló. Valami ötlet mi lehet a baj? Mit nézzek meg? Sorkimenőn tranyókat néztem, mennek. Köszönöm előre is mindenkinek aki ad valami okos, hasznos ötletet!
Első sorban szerintem forrasztási hiba vagy kontakt hiba. Persze a többieket várd meg
Meg jó lenne tudni egy pontosabb típust a felépítés miatt.
Amit tudok még, hogy elég nagy, síkképernyös.
(Most nincs a közelembe.) A hozzászólás módosítva: Nov 4, 2013
Szia!
Rossz a képcső lemágnesezése. Keress egy ilyen kinézetű alkatrészt.
Ja, ha csak a sarkokban olyan, nekem nem sikerült megértenem, akkor az lesz amit "kadarist" ír, hogy nem mágnesezi le a képcsövedet a lemágnesező. De előtte tehetsz egy próbát, hogy kihúzod a konnektorból és vársz 5 percet és visszadugod, hátha lemágnesez, ha nem akkor az említett.
Szia!
Kimértem az ellenállásokat,két darabot találtam ami rossz. A legérdekesebb az hogy sehol sem tudnak üzletbe segíteni. mert vagy nem akarnak vagy pedig lusták.Tehát nem kapok ilyet sehol. Az egyik színkódja: szürke-zöld-kék-fekete-barna a másik: szürke-narancs-sárga-zöld-ibolya Tudtok valamit segíteni,megköszönném Nektek!
Üdv!
Egy Orion CTV025A osd-s képméret problémákkal küszködik, de már nem tudom mi a fene baja lehet. Kezdődött ott, hogy a tápja elfüstölt, sorkimenő kilyukadt és egyéb geometriai problémák. Ezek rendbetétele és az alaplapon lévő szinte az összes kondi újra cserélése után egy picike képméret problémája van. Bekapcsoláskor a kép kép teteje és alja 1-2 cm-re bentebb van. Melegedés hatására ez kitolódik kb 1 cm-re, ha az R556 képméret és R559 linearitás állítót végállásba tekerem, akkor nincs gond, de nem hiszem, hogy ezt az állítási lehetőséget ennyire kicentizték. Ha végállásba tekert potikkal indítom, akkor jó a kép, de bemelegedés után jóval nagyobb lesz a függőleges képméret. Szóval itt még valami gáz van csak nem tudom, hogy hol. Talán a KF-ben? A TDA3654 környékét teljesen átkondiztam nano-tól µF-osig. Vagy maga az IC lenne a hunyó? Itt van a rajza A hozzászólás módosítva: Nov 5, 2013
A kérdésedre a megoldás: -ez első, sz-z-k-f-b : 856 ohm 1% tűréssel
- a másik: sz-n-s-z-i:83,4 Mohm 0,1% tűréssel. Persze ez csak akkor igaz ha jó sorrendbe olvastad le a színeket. Egy jó képet esetleg tudnál feltenni róluk? Amúgy itt a segédprogramok között van ellenállás érték számoló A hozzászólás módosítva: Nov 5, 2013
Hol lehet ilyeneket kapni,mert a HQ-ba hülyének néztek ezekkel az
értékekkel...:?Képeket töltök fel mindjárt.....Köszönöm a segítséget!
Talán láthatóak a színek......
Sajnos nemigen. Miből állapítottad meg, hogy rosszak?
A hozzászólás módosítva: Nov 5, 2013
Az egy dolog hogy nem sípol... Nem is fog sípolni a műszered, már 20 ohm felett sem és sípolós állásban max kb 2k-ig mér.
De ha 20 ohm os határban mérsz egy nagyobb értékű ellenállást akkor nem is fog semmit jelezni.
Egy LG 32LB75 TV bekapcsoláskor teljesen fehér a kép, a távirányító gombjaira reagál de nem ír ki semmit, kép nem jelenik meg egyáltalán.
Ez az alapvető probléma egyébként,az ellenállásokat kimértem,és ez a kettő volt az
amelyik nem sípolt......
Mint írták nem is fog. Nagyobb az ellenállásuk a sípolás csak 20 ohm alatt van. Az ellenállásokat nem hangra, hanem értékre válogatjuk.
Javaslok ennél egyszerűbb megoldást leírod milyen típusú tévében van ez , és rajz alapján megmondjuk neked pontosan az értéket ehhez mit szólsz ?
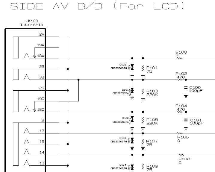
ok és ahonnan kivetted ezeket az ellenállásokat ott mi van a nyákra írva , tehát a pozíció számra gondolok R126 , vagy ilyesmi.
Biztos , hogy ezek a számai .Mert ha az AV részről vetted ki , akkor R100 as az 0 ohm.az R102 es pedig 470 ohm.
Ok a rajz szerint ezek az értékei.
|
Bejelentkezés
Hirdetés |




Meg jó lenne tudni egy pontosabb típust a felépítés miatt. 








