Fórum témák
» Több friss téma |
- Ez a felület kizárólag, az elektronikában kezdők kérdéseinek van fenntartva és nem elfelejtve, hogy hobbielektronika a fórumunk!
- Ami tehát azt jelenti, hogy a nagymama bevásárlását nem itt beszéljük meg, ill. ez nem üzenőfal! - Kerülendő az olyan kérdés, amit egy másik meglévő (több mint 17000 van), témában kellene kitárgyalni! - És végül büntetés terhe mellett kerülendő az MSN és egyéb szleng, a magyar helyesírás mellőzése, beleértve a mondateleji nagybetűket is!
Idézet: „kapcsolókkal, csak meglehetősen babrás” Ez jól hangzik , esetleg írnál 2 szót hogyan kell?
Ebbe olvastam bele, ezt talaltam a neten, de magas egy kicsit
Idézet: „11.-ik oldalt ott a lényeg” A kezdő kérdések topikban van?
Ha megtanultad az adatlapon a komunikáció módját, kapcsolókkal is beállíthatod, sorba egymás után. Ez sem egyszerű.
Mikrokontroller és mikroprocesszor. Talán még logikai áramkörökkel lehetne megoldani a vezérlést de ahhoz is egy tucat IC kellene, plusz digitális világban jártasság.
Milyen feszültség tartományban vannak azok a négyszögjelek?
Én azóta se juttam egyről a kettőre pedig mar szédülök annyit néztem a képernyőt.
Sziasztok tudna valaki egy olyan 2 ledes villogót amiben egy potméterrel lehetne szabályozni a ledek villogását?
ITT van, a bázis árami ellenalast cseréled potmétere.
Szia! A kapcsolás adott. Az R1-ek helyére tégy sztereó potenciométert. A potival köss sorba 1k ellenállást, hogy a végállásban korlátozza a tranzisztor bázisáramot.
Már pedig vezeklés nélkül nincs bűnbocsánat!
A hozzászólás módosítva: Nov 18, 2013
Hihetetlen ,hogy sehol nem írnak 2 szót a jelek feszültség tartományról, vagy hasonló kőnyű dolgokat amit egy kezdő is megért. Egyes IC adatlapja olyan szépen meg van szerkesztve hogy ha életedben lattal nyákot akkor mar tudjál valamit kihozni belőle.
Nincs vezeklés amíg van kuka elment az elektronika örök vadászmezejére , pedig olyan szépen írta open, close, stb.
Hello! Azért még néhány dolgot meg kell tanulnod, amíg egy ilyen vezérlését megérted, és alkalmazni is tudod. Minden egyszerű, mint a faék, csak éppen lehet több száz faéket kell megismerned. üdv!
Már hogyne lenne. Az adatlapon ott van az IC tápfeszültsége, Vcc. A kimenet 0 V (GND), és Vcc között változik, ezeket nevezik logikai szinteknek.
Csak olvasgasd szorgalmasan. Ha elfáradt a szemed, tarts szünetet, vagy ha jobb, nyomtasd ki.
Sziasztok!
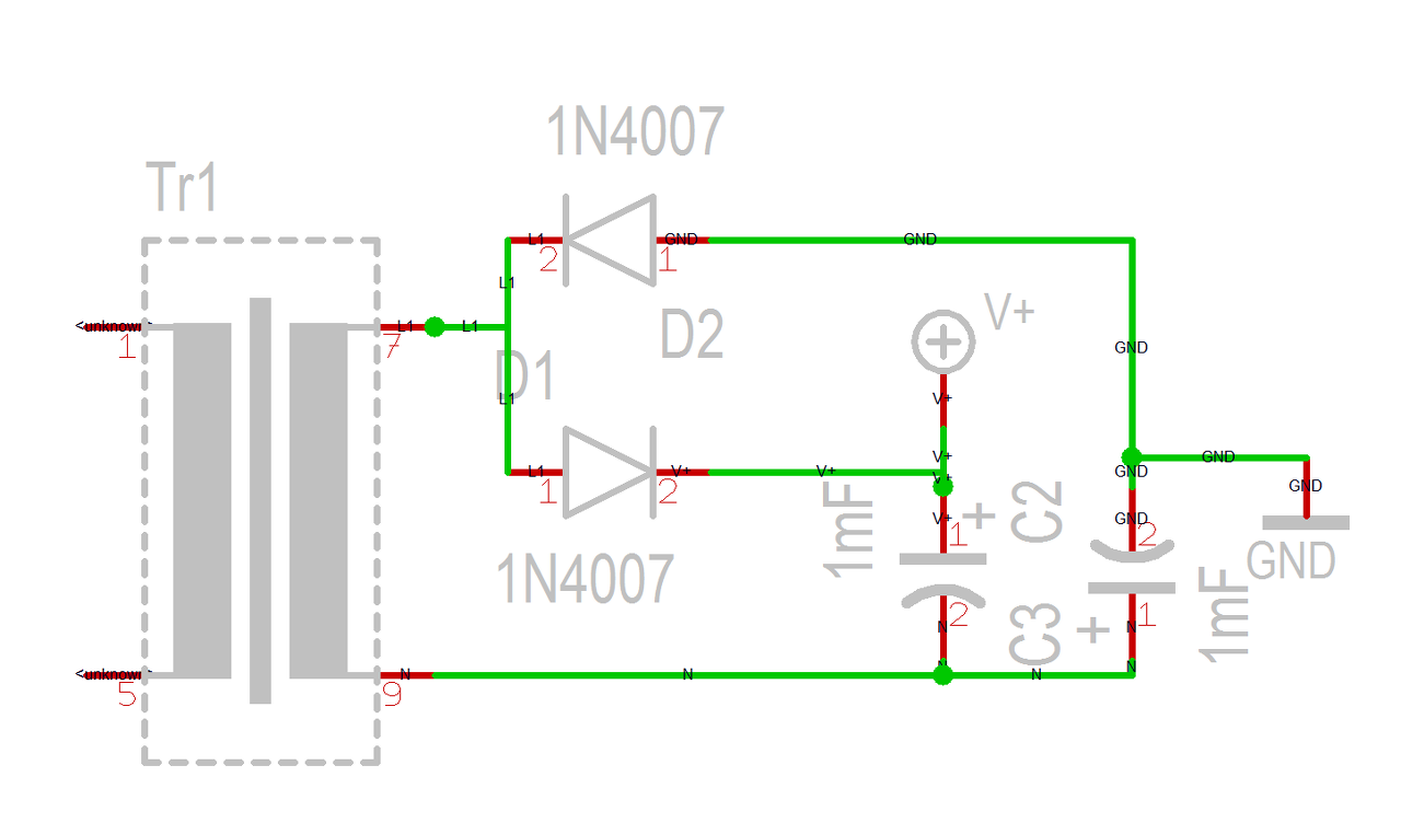
Van egy 220/12V-os kis trafóm, de nekem stabil 24V 100mA-ra van szükségem. Ha egy feszültség háromszorozó egyenirányítással csinálok olyan 35V körülit, majd beteszek egy 7824 IC-t, megoldható a 100mA?
Lehet úgy is, de megoldható egyszerűbben is. Nem kell háromszorozó.
*A hibás kép törölve! A hozzászólás módosítva: Nov 18, 2013
Ez így nem lesz "stabil", és ha jól figyeltem az lenne az igény.
A diódák rosszul állnak, és a pufferek is megfordultak! Vagy a polaritást kell megfordítani, és akkor jók az alkatrészek. A hozzászólás módosítva: Nov 18, 2013
Sziasztok!
Valaki segítsen, olyan problémám lenne van egy szellőztető ventilátor amit termosztát vezérel a nap 24 órájában ki-be kapcsol, természetesen mágneskapcsoló és társai segítségével. A mágneskapcs behúzója leégett, nem működött a szellőztetés, jelentős az anyagi kár! Hogyan tudnám ezt kiküszöbölni hogy ez ne forduljon elő és figyelni kell, hogyha a motor nem indul el!
Miből van a ventillátor lapátja? Lehetne például mágneses forgásérzékelőt csinálni/használni.
Nincs a másik végén zsalU? Ha megy a ventillátor és huzat (pontosabban "fuvat " ) van, akkor annak a nyitását lehet érzékelni. Hődrótosan is lehet áramlást érzékelni. Mindenképpen valami olyasmi kellene, ami koszosan is működik, ezért optikai megoldásokat nem használnék.
Egy step up konverterrel stabil lesz...
A "mF" mikrofarad akar lenni? A polaritást megfordítom, és ezután jöhet a 7824?
sziasztok honnét tudok szerezni 10nanofarad-os kondit ,mert amik itthon vannak olyanok vannak rájuk irva pl 682j meg 100volt vagy csak 15 és aláhúzva. Légyszives segitsetek.
A lapát anyaga azt hiszem acél, de lehet alu is nem igazán emlékszem, szerdán akarom megnézni. A huzat érzékelő jó ötlet, de azzal is az a baj, hogy ugye a motor ki-be kapcsol és vagy ezt vagy azt jeleztetem és nekem csak azt kellene ha tartósan nem működik a levegőztetés.
Igen. Még nem sikerült úrrá lennem a rajzprogramon.
A kondenzátor kapacitása az áramtól, és a felhasználástól függ. 1mF az 1000uF. A 7824 jó lehet, de nem tudjuk, milyen trafód van, mi a felhasználás célja. A hozzászólás módosítva: Nov 18, 2013
Az első, jelen esetben két szám, (68) az értéket jelöli, a harmadik szám pedig a hatvány szorzó, jelen esetben 2, ami azt jelenti hogy 10 a másodikon. Tehát a kondid 68*10 a másodikon, és pF-ban azaz 6800 pF tehát átváltva 6,8 nF. Az utána lévő betű a tűrése ami azt mutatja meg hogy mennyiben térhet el a kondenzátor értéke a névleges értéktől. neked J ami +-5%-ot jelent.
Kondenzátorokat és egyéb alkatrészeket erre szakosodott boltokban tudsz venni, tehát szét kell nézned a lakóhelyed közelébe hogy merre található legközelebb elektronikai bolt, vagy rendelsz Interneten valamilyen webáruházból, mint például a HEStore. üdv! A hozzászólás módosítva: Nov 18, 2013
Szia.Azt szeretném kérdezni lehet-e késziteni (barkácsolni )DIAK-ot ,vagyis DB3 megfelelőjét házilag?És ha érdemes-e?köszönöm
találtam egy 103j 100v akkor az 10nf?
Igen!
Ha megnézed az elem struktúrát, magadtól is rájössz, hogy nem lehet. De nincs is értelme. Többe kerülne a leves, mint a hús. Olcsó alkatrész.
Köszi ,mert eddig ezt nem tudtam azt hittem ,hogy ugyan úgy rá van irva mint a sima kondira hagy pl 100uf 25v
Hello! Bemész egy olyan helyre, ahol gyűjtik az elektronikai hulladékot, és kukázol egy olyan fénycsövet, amit foglalatba lehet tekerni. Abban van Diac, gondod megoldva. üdv!
|
Bejelentkezés
Hirdetés |




elment az elektronika örök vadászmezejére , pedig olyan szépen írta open, close, stb. 
