Fórum témák
» Több friss téma |
Fórum » Akkumulátor töltő
sziasztok az a tápegység jó lenne ami 13,42voltotad és 26,7voltot
Teljesen racionális amit mondasz.
A műszert nem láttam, azt sem tudtam, hogy ez táblaműszer. Látatlanban csak tippelni tudunk.
Próbálj meg olyan trafót szerezni, amelyiknek két egyforma 14-15V szekunder tekercse van, tehát párhuzamosítható. 12V esetén párhuzamosan, 24V esetén sorba kell kötni a tekercseket.
a* műszerek táblaműszerek lesznek.
A hozzászólás módosítva: Nov 27, 2013
s*zia ilyen trafóm az van.
A hozzászólás módosítva: Nov 27, 2013
Sziasztok. Van egy akkutöltőm amin lehet szabályozni a töltö áramot, és ehhez szeretnék egy kapcsolást. A lényeg az volna, hogyha beállittom pld.2A töltsön és ennél jobban huzná az aksi akkor azt egy led jelezze addig még elnem éri a beállitott töltőáramot és ez alatt már ne világitson a led.
Elôre is köszi .
Hello! Amit kérsz, abban ellentmondás van. Vagy is mikor jelezzen? Mikor a beállított alatt, vagy felett van az áram? Egyébként nem túl egyszerű, mert a töltő várhatóan tirisztoros. (bár fogalmam sincs) Minden esetre a töltőáram lüktető. És ennek az átlagát kell kijelezni. Vagy is az áramjelet egy Shunt ellenállásról kell levenni, integrálni (átlagolni) kell, majd komparálni. A műszer ezt teszi ha van benne magától.. üdv!
Arra gondoltam,hogy mikor felette van az áram addig jelezz egy led. De ha ennyire bonnyolult akor lemondok róla, egyébként tirisztoros. Műszer nincs benne, de akkor teszek inkább bele, azért köszönöm. Volt nekem valamikoreg töltös kapcs.rajzom ott lm324 -re épült a kapcdolás és az tudta amit szeretnék de sehol nem talàlom.
Sziasztok!
Építettem két akkutöltőt a csatolt rajzok alapján. Mindkettő működik, de érdekelne, hogy szeritetek melyik a jobb? Az egyik a reszursz-1, amit gondolom nem nagyon kell bemutatni. Ebben a kapcsolásban be lehet állítani a töltőáramot és a töltési végfeszültséget. Ami nem igazán tetszik benne, hogy folyamatosan a beállított árammal tölt. Azaz, ha csak például 0,3V-tal kevesebb az akku feszültsége, akkor is ugyanúgy pl. 3A-rel tölt, mint az elején. A másik kapcsolásban csak a töltési végfeszültséget lehet állítani, de ez az áramkör folyamatosan csökkenti a töltőáramot, ahogy az akku feszültsége közelít a töltési végfeszültségig. Ezzel az a problémám, hogy egy 5A-es trafóm van és az elején jóval többel töltene, és nagyon melegszik a trafó. Illetve az is probléma, hogy a töltés végét jelző led, az nem a töltés végén gyullad ki, hanem gyakorlatilag folyamatosan világít, amíg a hibajelző led nem. Mindezek ismeretében szerintetek melyik az amelyiket érdemesebb használni elsősorban az akkumulátor szempontjából?
Ha csak a végfeszültséget tudod beállítani, a töltőáramot a trafó korlátozza. Ez nem igazán korrekt megoldás, mert a kezdeti nagy töltőáram tönkreteheti az akkut. Ráadásul az akkut is végtelen idő alatt töltené fel 100 % ra.
Az igazi automata töltőn beállítod a töltőáramot, és addig ezzel az árammal tölt, amígg teljesen feltöltődik, és eléri a beállított töltési végfeszültséget. (hasznos lenne még az akkumlátor hőmérsékletét is figyelni) Mi ebben a probléma? Ez sokkal jobb, mint az elején a nagy töltőáram, ami veszélyes is lehet. A hozzászólás módosítva: Dec 1, 2013
Az állandó töltőárammal az a bajom, hogy kb 13V felett nagyon erős a gázképződés az akkuban.
Szia!
Ebben az esetben rossz az akkud, mert intenzív gázképződés csak 14,4V felett van, ha jó az akkumulátor.
Igen, azért hívják töltési végfeszültségnek.
Köszönöm a pontosítást! Még annyit ehhez, hogy e feszültség felett már a bevezetett áram energiájának nagyobb része a vízbontásra kezd fordítódni és ezért lesz pezsgés a cellákban.
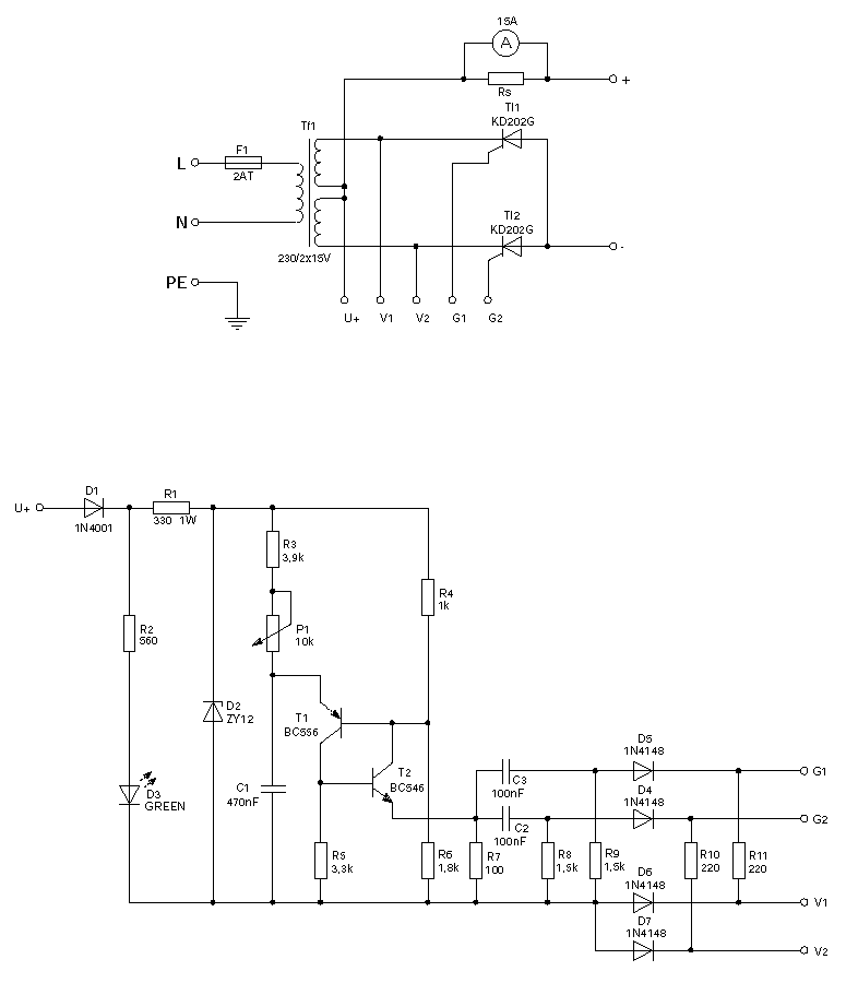
Az autó akkumulátor töltéséhez készítettem a következőt. Tirisztoros, automata. 16 Volt szekunder feszültség, lehetőleg 160 VA-s trafóvas. A tirisztor kimenetének feszültség szintjét zener dióda (12 V.) és a vele záróirányban sorosan kötött Si diódákkal lehet 14,4 V.-a behatárolni. A töltő áram annyi amennyit az akku igényel. A 14,4 V. feszültség szinten a tirisztor lezár. Mire ezt a feszültséget eléri, a töltőáram is lecsökken. Utána csepptöltést végez. Rajta lehet hagyni a töltőn az akkut. A fokozat kapcsolóval azt lehet elérni, hogy ne legyen túl nagy a kezdő töltőáram. A kapcsolási rajz sajnos nem töltődik fel.
A hozzászólás módosítva: Dec 1, 2013
Lehet, hogy tényleg rossz az akku. Mondjuk nem autóba szoktam használni, hanem csak a műhelybe.
50Ah-s akku, amin próbáltam, és 300mA töltőáramnál már buborékozik.
Annál a cellánál amelyik 300 mA töltőáaramnál erősen pezseg meg van szakadva, cellabevezető csonk és a lemezek közötti folytonosság, csak az elektroliton keresztül van
vezetés. Ugyanilyen erős pezsgés tapasztalható hasonló kisütőáram esetén is. Az egész akku használhatatlan.
Szia olyan kérdessem lenne hogy a reszursz-1 töltőt milyen átalakítás kenne hogy 24 v feszültségél működjön illetve nagyon áram érőségél tudjon tölteni ?
Értem. Akkor megnézem egy másik akkuval is. Köszönöm.
Hello!
Nagyjából újra kéne számolni a kapcsolást, ha 24V-os töltőt szeretnél, amiben sajnos megflelő szaktudás hiányában nem tudok pontos segítséget nyújtani.
Azon se milyen. Egy teljesen másik töltő kell a trafótól kezdve. Talán még a doboza is kicsi, szóval nem igen van benne ehhez a projekthez való alkatrész.
Vegyél ki egy kis mintát fecskendővel az elektrolitból minden cellánál, ha nem tökéletesen
víztiszta az a cella már nem jó, belevilágítva az elektróda lapok éle nem sima, repedezett duzzadt deformált. Az ilyen cella és az egész akku használhatatlan.
szia és az alkat részeket hol lehet beszerezni vagy lehet őket helyettesítődni illetve vd7 és a vd8milyen alkatrész lenne típusa?
Sziasztok! A mai nap folyamán elhalálozott az akkutöltőm, kölcsönadtam, és leégve kaptam vissza. Szeretnék építeni egy újat, de ezt már "komolyabbra", mint az előzőt. Kinéztem magamnak egy egyszerű tirisztoros kapcsolási rajzot, de ilyen téren nem vagyok jártas, a véleményetekre lennék kíváncsi. A tirisztorok helyett én KT 707-eseket tennék be, azok vannak itthon bőven. Működőképes ez a kapcsolás, és ha igen, akkor mennyiren megbízható, és esetleg hogyan lehetne beletenni egy töltési végfesz lekapcsolást?
Ha esetleg megvolna az RT ÉK 2004-es, ott mindenre meg van a válasz.
Megvan az RT ÉK 2004, de abban nincs benne ez a kapcsolás, csak egy szerintem feleslegesen túlbonyolított tirisztoros töltő, amihez ráadásul az én trafóm nem is jó.
Nekem nem akar rendesen működni, ha feltekerem az áramot 10A fölé, akkor utánna nem tudok 4-5A alá menni, de ha nem megyek 10A fölé az elején, akkor 1,5-2A-t is be tudok állítani. Mi lehet a hiba? Próbálkoztam tirisztorcserével, de ugyanaz a hibajelenség. Próbáltam BTW69-1200 tirisztorokkal is, hátha a KT707-eseknek sok a 10A, de a BTW-kkel abszolút nem is működik.
|
Bejelentkezés
Hirdetés |



















