Fórum témák
» Több friss téma |
Fórum » Akkumulátor töltő
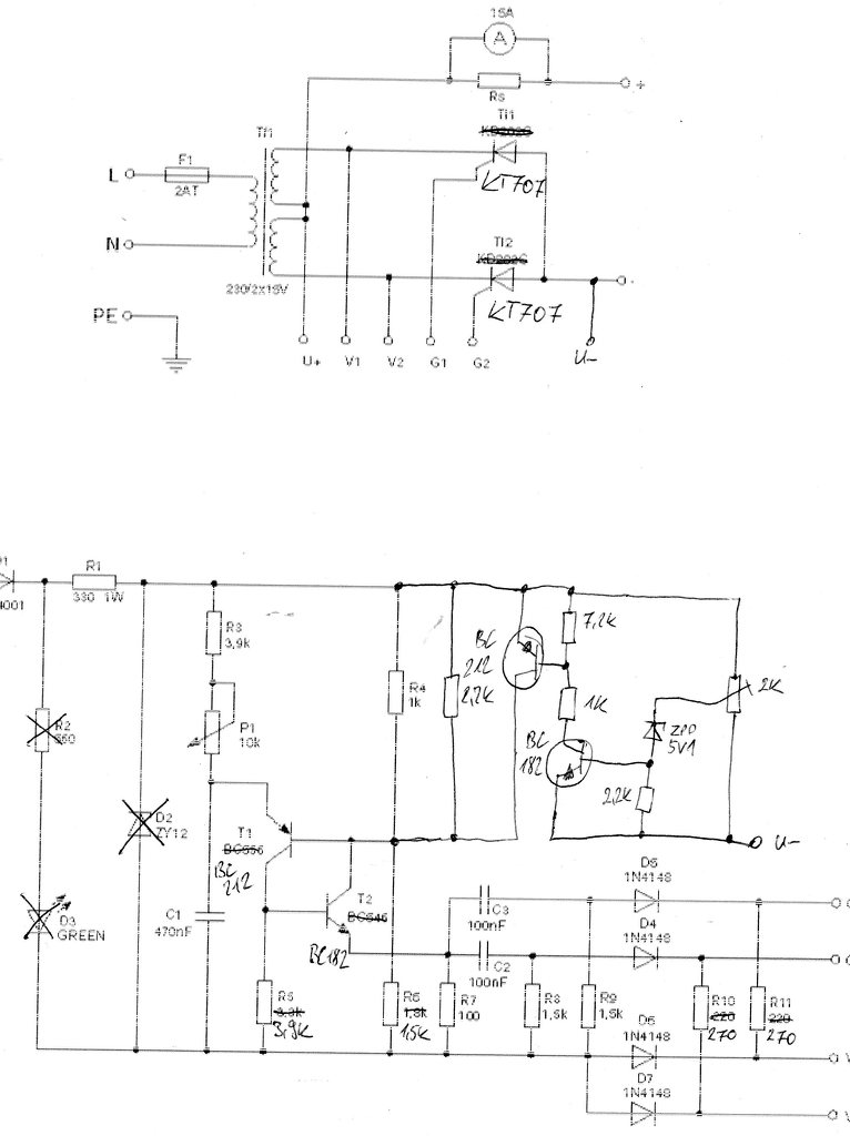
Megoldódott a problémám, a 12V-os zéner volt a ludas. Kivettem a panelből, hogy leellenőrizzem, hogy jó-e, közben hívtak telefonon, elterelődött a figyelmem, és zéner nélkül kapcsoltam be a töltőt és láss csodát, tökéletesen működik. Próbáltam benne 6-7 darab zénert, ugyanúgy nem lehetett rendesen állítani az áramot, ha bent volt a zéner. Éjjel megvolt a próbaüzem, a traktor akkujait töltöttem fel (2 db 154Ah-s akku párhuzamosan kötve). A végfeszültséglekapcsolás gyönyörűen működik, reggel 14,52V-on voltak az akkuk és az ampermérő 0,5A körül volt. Felrakom az általam módosított kapcsolási rajzot.
Elvágnám egy primitív aksitöltő trafójának szekunder tekercsét 14.2V körül és kivezetést készítenék majd az első és az utolsó menetnél kivezetést kialakítva visszatekerném a lehajtott meneteket amivel 15.6V-ot tudott eredetileg ez az akkugyilkos töltő. Egy nagyobb Reed-et tennék az aksitöltőm trafójának tekercsére. A töltés kezdetén fellépő nagyobb áramfelvétel miatt a nagyobb mágnesesség zárná a Reedet ami meghajtana egy relét. Ez a relé bekötné az eredeti teljes menetszámot és 15.6 jönne ki a töltőből lehetővé téve egy gyors töltést. Amikor az aksi áramfelvétele csökken és vele az mágneses erő a trafó közelében, a Reed oldana és ezzel megszakítaná a relé táplálását mire a töltő a 14.2V-os kivezetésről folytatná a töltést és nem forrna az elektrolit. A Reed trafótól való távolságával lehetne "finomhangolni", hogy milyen áramfelvétel körül váltson alacsonyabb feszültségre a töltő.
Működne ez az elképzelés? A hozzászólás módosítva: Dec 9, 2013
Köszönöm a választ. Láttam egy képet ahol Reednek kinéző valami van egy trafón és ötleteltem magamnak, hogy mire lehet jó egy aksitöltőben?
Hello! Ez inkább egy bimetal lehetne, mint reed. Az egyébként is egyenáramra, vagy mágnesre működik, a trafóban meg váltó van.. üdv!
Kedves "proli007" és "köbzoli"! Köszönöm, hogy megvilágosítottatok az üvegcső ügyében!
Az áramot milyen határértékek között tudod változtatni?
Sziasztok! Készítettem egy egyszerű feszültség stabilizátort, de akku töltésére használnám. 24voltos aksikhoz töltő gyanánt. A lényeg, hogy 28,8voltnál feljebb ne töltsön, de addig viszonylag nagy árammal. A kérdésem az, hogy ebben az elrendezésben áramgenerátorként működik a tranzisztor? Kb. 4 amper van a végén amíg el nem éri a 28,8 voltot, onnantól meg csak pár nano amper. Valójában egy feszültség figyelős áramgenerátorra lenne szükségem, egyenlőre itt tartok.
Segítségeteket előre is köszi. A hozzászólás módosítva: Dec 11, 2013
Sziasztok.
Egy EUMIG PTC-75B típusú akkutöltőm van,sajnos kapcsolási rajz leírás nincs hozzá,ezért a működése jóságáról, majd a segítségetekre szorulok.. Az akkumulátorom 50Ah-s optima red top spirálcellás,használtan kaptam,indít rendesen.Viszont az autóban egy 25mA-es fogyasztás van állandóan,gondolom a fejegység,esetleg az autó fedélzetije ehet,,és a reggeli hideg,ill a rövid táv gyengíti.. Ma feltettem tölteni az írt Eumig készülékre,18:00 kor kezdtem a kapocs feszültséget ekkor még nem mértem csak a töltő százalékos arányait jelző ledet.. A töltő ampermérője 5amperrel indult,majd kb 1 óra alatt fokozatosan lentebb-lentebb,most 19:28 kor 1amperrel tölt a ledek 75%os töltöttséget jeleznek,jelenleg a kapocs feszültség 13,9volt.. Rendben van ez a folyamat így? Köszönetem előre is.. A hozzászólás módosítva: Dec 11, 2013
A 75% a 13,9V hoz kicsit magasnak tűnik, de a fene sem tudja mennyire jó az a kijelző. Ha a kezdeti feszültséget is tudnánk jobban lehetne okoskodni. Várd meg amíg feltölti, hagyd pihenni és mérj feszültséget a töltés befejezése után egy órával. Abból már lehet következtetni az állapotára.
A hozzászólás módosítva: Dec 11, 2013
A 13,9 voltot töltés közben mértem a kapcson.
A 75%-ot úgy mutatja hogy a töltő rajta van,,4 ledje van az előlapon a töltőnek,25% -50% -75/ 100%,jelenleg a75%-os led ég. Ebben a percben mérések )2és fél óra távlatából): A soros ampermérő fél amper átfolyást jelez,eközben a kapcson 14,53volt feszültség van,tehát folyamatosan emelkedik a feszültség.. Nem tudom a töltő lekapcsol e automatán vagy mit csinál ha kész van,még nem teszteltem,ezek az első tapasztalatok.. Igyekszek folyamatosan ránézni,miből látom ha feltöltődött? Elvileg ez a típusú akku hamarabb töltődik mint a normál társai.. A hozzászólás módosítva: Dec 11, 2013
Jelenleg 14,22 a feszültség töltés közben a kapcson,és 400mA csordogál..A ledek közül még mindig csak a 3db világít 75%ig..
Hello! Ez eddig nem túl jó.
- A tranyó így, maximum azért "áramgenerátor", mert esetleg nem képes magából több áramot kisajtolni a béta és a tápfeszültség miatt. De korlátozás igazából itt nem igen van. - A tápfeszt használod referenciának. AZ a 35V stabil? Mert ha nem, akkor a referencia feszültség sem lesz az. - Nem vetted figyelembe, hogy az IC maximális feszültsége 32V. Azt megközelíteni sem illik, nem fölé menni. Az IC bemenetére sem illik közvetlen az aksi feszültségét rávezetni. Mi van, ha kimarad a tápfesz? A bementi feszültség, csak pár száz mV-al lehet nagyobb a tápnál. Különben lekönyökölhet az IC. üdv! A hozzászólás módosítva: Dec 11, 2013
Szia,ne haragudj ha megzavarlak,,ha van egy kis időd,ránéznél esetleg az én töltésemre amit most kezdtem 18:00kor?
Rendben van e.. Mindent szívesen fogadok és köszönöm.. A hozzászólás módosítva: Dec 11, 2013
Most néztem ismét,kigyulladt a negyedik 100%-ot jelző led is,a kapocs most töltés közben 15,28volt..Ez normális még?
Az ampermérőn most 300mA folyik.. Az akku spirálcellás gondozásmentes,és 14,4v van ráirva töltésre.. A hozzászólás módosítva: Dec 11, 2013
Hello! Olvastam de fogalmam sincs mit mutatnak a Led-ek a valóságban. Vagy is az aligha lehet mérvadó a töltöttség megállapításánál. A feszültség viszont elérte a töltési végfeszültség szintjét, a 14,5V által. Vagy is elvileg meg kellene szakítani a töltést. De ha a töltőáram már ilyen alacsony, (400mA) akkor az sok kárt nem tud tenni egy aksiban. De ez a feszültség többek között az aksi hőmérsékletétől is függ. Vagy is az sem mindegy, milyen hőfokon megy a töltés, mert a 400mA már jelentősen nem fűti az aksit. Ennyit tudok segíteni.
ui: Ha már 15V felett van, akkor biztos feltöltődött. (Már amennyire bírt..) üdv! A hozzászólás módosítva: Dec 11, 2013
Ha eléri a 14,4V-ot akkor feltöltődött. Bármi is mutassanak a LED-ek. Aztán hagyd pihenni és mérj feszültséget rajta.
Rendben leállítom..Mennyit hagyjak pihenni mire rámérek?
Szia.Létezik hogy feljebb megy a végfeszültségnél de még pl 300mA megy átfelé?Tehát még töltődne?Sajnos a töltőben a végfeszültségre állítási lehetőség nincsen,esetleg ampert lehet 2-6-12 állítani,feszültség 6-12v és töltés vagy bikázás..Ill csepptöltésféle de azt még nem néztem..
Kinn mínusz van,így töltöttem az akkut,,21:20kor levettem a töltőről azóta az üres akku kapcson 12,48 voltot mértem..
Ha a töltőben nincs feszültség korlátozás, akkor nem sokat számít az, hogy "töltődne". Hiszen a hálózati feszültségtől is függ a kimeneti feszültsége a töltőnek, és ezzel a töltőáram értéke is esetleges lesz.
Hogy mit mutatnak a Led-ek, az a kapcsolás precízségétől függ. De ehhez én sok reményt nem fűznék. A 12,48V nem túl sok nyugalomban, bár én ezt a típust nem igazán ismerem..
A savas 12 V-os akkukat gépkocsiban generátor, régen dinamó tölti, igen nagy áram leadására képesek 40-45 A hogy ellássák a gk. összes bekapcsolt fogyasztóját és még az akku töltése is biztosítva legyen. A töltőáram lemerült akku esetén igen nagy is lehet, lényeg a a töltésszabályzó rendszer megfelelő beállítása és működése.
Az autókban 13,8 -13,9 V között van beállítva a töltési végfeszültség, az akkukapcsokon ezt elérve a töltés megszűnik.Kritikus pont a 14,4 V ekkor van az akku teljesen feltöltve, ha tovább töltöd a töltőfeszültség emelésével a cellákban lévő elektrolitban egy erős pezsgés kíséretében megindul a hidrogén és oxigén kiválása és erősen kezd az akku melegedni. Ez nem kívánatos, a töltést be kell fejezni. 40 celsius fölé sem érdemes menni az akkuhőmérséklettel. Ha az akkutöltőddel ezeket a kritikus paramétereket nem léped túl akkor használhatod. Általában a jobb töltők figyelik a 14,4 V végfeszültséget , addig állandó árammal töltenek 5-6 A körül, elérése után pár 10 mA csepptöltő áramra kapcsolnak amit addig adnak amig azt akkut le nem veszed a töltőről. Az akku hőmérsékletét Neked kell figyelni, de ilyen kis töltőáram esetén ez nem szokott problémát jelenteni. Lehetőség van még jó akku esetén gyorstöltést is alkalmazni 20-30 A töltőáram, a töltöttség 75 % eléréséig szigorúan a cellahőmérséklet figyelésével !!
Ennek az akkunak már csökkent a kapacitás, ha durván tíz perc alatt ennyire visszaesett a feszültsége. Mérd meg most reggel mit mutat. Mondjuk ez egy jó fajta akku, még csökkent kapacitással is nagy indító áramokat tud produkálni. Az a kérdés, mekkora az önkisülése. Sajnos az évek alatt elpárolgott elektrolitot már nem tudod pótolni benne. Valami ilyesmi még jót tehet neki.
Átalakítottam a kapcsolást. Az opamp egy LM1875 ami bőven bírja a tápfeszt. Az invertáló bemeneten van ellenállás, és a nagy áram végett 10 db Tip 3055 került bele, plusz 1 pótméter amivel az áramot lehet állítani. Ez így már jobb valamivel? A kérdésem az, hogy hogyan tegyek bele áram korlátot illetve rövidzár esetén, hogyan tudnám levédeni a kapcsolást? Valójában ez egy impulzustöltő áramgenerátora lenne, olyan 10-12 amperig.
Hello! Én minden esetre nem így indulnák ki, a kéréseid alapján. (Bár nem szeretek "komplett tanácsokat adni, mert aztán örök garancia "nálam lesz"..) De lerajzoltam. A töltőáramot kikapcsolhatod T5 lezárásával..
A kazal végtranyót persze nem, de ha az áramot túlságosan nem szeretnéd állítgatni, lehet így is megfelel, vagy ötletet meríthetsz belőle. üdv! A hozzászólás módosítva: Dec 16, 2013
Helló! van egy autó akkutöltöm aminek valoszinü hogy a tekercse rosz mert mértem de semmir nem igért kérdésem h miböl lehetne egy ilyen tekercset belerakni ha lehet egyáltalán!?
A trafó szigetelése alatt van egy hőbiztosíték az esetek nagy részében az a hunyó. Bntsd ki és meglátod.
Megtaláltam 2A van benne mivel helyetisethetem?
Helló tettem bele egy hagyományosat 230v 5A müködik jol remélem nemlesz baj belöle a simával!!??
Ok egyenlöre marad ez mert itt ahol én lakom nehéz beszerezni ha feltölti az aksit lekapcsol a töltö vagy nem?
sziasztok segítséget szeretnék kérni mert az előző hozzá szollásaimban leírtam hogy szeretnék töltőt csinálni minden adatott csak azota nem kaptam rá választ ebben szeretnék segítséget kérni.
|
Bejelentkezés
Hirdetés |

















