Fórum témák
» Több friss téma |
Kísérleti verzió de ez a mi hobbink szépsége, kitalálunk valamit és reméljük hogy működni fog
A hozzászólás módosítva: Nov 19, 2013
Üdv!
Eszembe jutott egy kérdés. Ha jól értelmeztem a rajzodat te egy pc táp ferrit trafóját tervezted felhasználni. Én viszont egy 3,6 VA es gerth 220/ 2x9 V os nyáktrafót gondoltam oda ami ugye lemez vasmagos. Nem tudom milyen frekvencián menne az oszcillátor, jó lehet bele ez is?
Az oszcillátor frekvenciáját hozzá kell hangolni a trafóhoz, én azért "terveztem" pc trafót bele mert az magasabb frekvenciákra készült mint egy hálózati trafó ,és jóval nagyobb az áttételi arány .
Sziasztok!
Nincs valakinek eladó gyár vp.trafója? Tönkrement az enyémben és kellene egy bele.Gyári volt. Előre is köszi! Attila A hozzászólás módosítva: Nov 25, 2013
Lenne egy kérdésem.
Milyen biztosíték kell bele?
http://www.hobbielektronika.hu/forum/files/34/t_34117c2817546ccb045...67.jpg Helo. Szerintetek ezt a fajta trafót hogy lehet szétszegni? Le van ragasztva gyárilag .Köszönöm szépen .Üdv. D. ferencz
Higitóban ártatni kb. egy hetet,vagy hőlégfúvóval okosan körbemelegíteni vagy a szikszalagot lebontani és kályha tetején melegíteni esetleg vízben forralni.Óvatosan szét lehet venni melegen,kesztyű mindenképpen ajánlott,fém fogókat kerülni,vigyázni !!!! nagyon törékeny.A lényeg,hogy az éppen használt ragasztó valamilyen formában meglazuljon,felolvadjon,akkor szétszedhető,de a maradványokat el kell távolítani,le kell kaparni.
Köszi szépen.
eider landgerate gmbh
Weidezaun Netzgerate NE7500 10w 7,5J 9000V
Helo.Probálkoztam házilag tekerni HV trafót a pásztornak,pontosabban háromszor ,mind a három üzembehelyezés után csak 2-3 mm szikrát produkált.Mi lehet a *pakli*?Az oszcillátor feltölti a kondit(20u) 300V-re.köszönöm .
Valószínű hogy a trafón belül átüt .Én a mikrosütő trafóját próbáltam az is átütött! A primer-szekunder közt van vastag szigetelőpapír? A szekunderben van soronkénti szigetelés? Impregnáltad a trafót? ...
A hozzászólás módosítva: Nov 29, 2013
Szia. A primer és a szekunder közt milyen vastag szigetelő papir kell?Soronkénti szigetelést tettem.Hogyan kell
Idézet: ???és mivel ?köszi szépen. „Impregnáltad”
Szerintem legalább 4-5 réteg papír kell a primer szekunder közé . és az impregnálást (régen ) csónaklakkal csináltuk, egy réteg "derót" egy réteg papír -lekenve lakkal , és jöhet a következő sor.
A hozzászólás módosítva: Nov 29, 2013
Szia. Szerintem valami gyors kötő lakk kell ehhez a metodushoz nem?Tudsz-e valami hasonlót ehez a lakkhoz?
Szedtem szét egy simson 12V gyújtótrafót.A primer és a szekunder között kb. 3mm vastag olajjal átitatott lakkozott szigetelőpapír henger volt.Olajjal átitatott kifejezés arra utalna,hogy maga a trafó olajjal volt feltöltve.A szekunder soronként 2 rétegű lakkozott (prespán,kondenzátor papír?) papírszigeteléssel volt megoldva,lakkozás nem volt.A tekercsek mindkét oldalon kb,8-10mm -rel szűkebben voltak tekercselve,mint maga a cséve.
A tekercselők (a profik) Vákuum impregnálást csinálnak , a kész trafót egy légmentesen zárható edényben lakkba merítik és a lezárt edényt le vákuumolják . így a tekercsben lévő levegő eltávozik és amikor a vákuumot elengedik a külső levegő nyomása bepréseli a tekercsbe a lakkot . Ezután egy kemencében szárítják és kész is az impregnált trafó.
Köszi forumtársaim.
Szervusztok Villyanypásztorkodók.
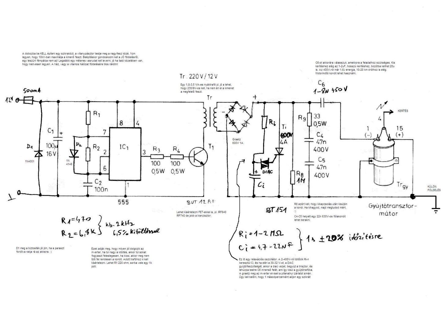
Ezt kapcsolást építettem meg, egy Lada gyújtótrafóval. 12 voltot akksiról kapja. működik csak rettentően "pörög". a trimmerek szabályozása nem elégséges, jó ötlet-e hogy a C3-as 6,8 µF-os kondit lecsökkentettem 150 nF-ra? (a többi alkatrész a rajz szerint) Így már elértem, hogy kb 0,7 sec-ként ad kb 10-12 mm-es szikrát, de a szikra nem "egy szálú" hanem többszörös.. - bocs a pongyola fogalmazásért. Egyébként a BU326A eléggé melegszik, 2 perc után már inkább forró. Ugye jól gondolom, hogy a kimenetre KELL a szikraköz. minden ötletnek örülök és előre is megköszönök minden választ. ja még egy: a gyújtó trafó házát kössem össze a BU326a kollektorával? Idézet: „...szökik a kutya...” A hozzászólás módosítva: Dec 9, 2013
Helo .Én nem tudok sokat erről a kapcsolásrol .Bővebben: Link ezt ajánlanám inkább.
Sziasztok. Kérném a segítségeteket egy 12V-ról működő villanypásztorban. A rásütést nagyon jól elvégzi az inverteres kapcsolás 2. része, de a 12V megszaggatását szeretném oszcillátorral megoldani. Itt a fórumban már említettétek a blocking oszcillátort, és ebben szeretném a segítségeteket kérni. Hogy tudnám megoldani és milyen alkatrészekkel? A trafóra milyen vezetékből és hány tekercset kell tekerni, milyen tranzisztorral kellene megoldani, meg a tranzisztorhoz milyen collektor illetve bázis köri alkatrészek kellenének?
Üdv!
Előre is elnézést kérek a primo kérdésért, de már teljesen összezavarodtam... építettem egy oszcillátort IR2153 IC vezérli. Ez szolgáltatja a kb 300 V egyenfeszt a pásztoromban. De figyelmen kívül hagytam az ic fesz tűrését, illetve azt, hogy a Vcc táplábra csak bizonyos fesz kapcsolható. Kinyírtam egyet és rájöttem. Szóval a kérdésem: nem bírok eligazodni az IR2153 adatlapján és nem tudom kiszámolni mekkora ellenállat kell a Vcc láb és a pozitív táp közé ill. elé, ha meg akarom védeni egy teljesen feltöltött akkumulátor cca. 14-15 V fesztől. Mellékeltem egy adatlapot, remélem tud valaki gyorsan segíteni. Vagy lassan... Köszönöm!
Helo .Valami stabilizátor koczkával nem lehet-e????kérdezem.
Lehetne, de akkor nem fog rögtön leállni amikor elkezd a fesz csökkenni ahogy az akksi merül?
Merthogy nem nyit ki a megadott fesz alatt... A hozzászólás módosítva: Dec 12, 2013
Sziasztok! Építettem egy villanypásztort, vicsys tervei alapján, a szikraköz 2-3mm az jó? ; és hol tudom megmérni hogy jó-e, a kimenő feszültség nagysága? Üdv: Elli
A hozzászólás módosítva: Dec 15, 2013
Hogy jó e azt majd Te eldöntöd,ekkora szikrával talán 30 méterig jó lesz.
Szia.Én még nem hallottam 2-3mm szikraközt.Olvass vissza barátom.
Szia. Mi lenne a bekötése ennek a fajta megoldásnak? Szeretnék én is egy ilyen oszcillátoros megoldást készíteni, de sajnos visszakeresve nem találtam meg, amikor ez volt taglalva. Válaszodat előre is köszönöm.
Hello Misi,
A kérdéses oszcillátor ugyanaz mint a Spectraman által közzétett blocking oszcillátoros megoldás. Csak én a menetekkel variáltam annyi az eltérés. Valahol a 164-ik oldal körül ha vissza lapozol igen preciz leírást adott közre spectraman. A lényeg , hogy Blocking oszcillátoros a megoldás. Remélem meg találod! |
Bejelentkezés
Hirdetés |




Köszönöm! 




