Fórum témák
» Több friss téma |
- Ez a felület kizárólag, az elektronikában kezdők kérdéseinek van fenntartva és nem elfelejtve, hogy hobbielektronika a fórumunk!
- Ami tehát azt jelenti, hogy a nagymama bevásárlását nem itt beszéljük meg, ill. ez nem üzenőfal! - Kerülendő az olyan kérdés, amit egy másik meglévő (több mint 17000 van), témában kellene kitárgyalni! - És végül büntetés terhe mellett kerülendő az MSN és egyéb szleng, a magyar helyesírás mellőzése, beleértve a mondateleji nagybetűket is!
Egyenfeszültséget 450 V -ot. Ha az egyenfeszültségen váltófeszültség is van, akkor az egyenfeszültség + a váltakozó feszültség pozitív csúcsértéke. Ezek a névleges feszültségek, amiket üzemszerűen használhatunk. Az előállt feszültségek szélső maximum értékeit kell figyelembe venni. Ennél azonban többet is elbírnak, azonban akkor semmi garancia a meghibásodás ellen.
Ez egy puffer kondi lenne. Ha úgy méretezem, hogy AC*1,41 < Uelkonévleges, akkor elvileg jó.
Csak azt hittem ez alá sem árt egy kicsit menni. ![]()
Érdemes alább menni, vedd figyelembe a hálózati fesz + 10 % ingadozást is.
Akkor az 15%-al aláméretezést jelent.
Köszi, akkor így állítom be.
Megcsináltam,de nem úgy néz ki hogy ott a hiba,ahogy te is írtad.Esetleg valamivel lehet még próbálkozni?
"erdgab" a mozdítás nem segít rajta próbálgattam,hát igen- "kici ócó,kicit megy aztán kakukk.
Bocs a pluszmunkáért, de én egy 3 hetes Mastech műszerrel jártam így, igaz, hogy nekem csak az egyik dp nem működött. Tisztítás segített.
Akkor viszont vagy a panelon van probléma, vagy maga az IC hibásodott meg.
Értem.Semmi gond,nem sokat dolgoztam rajta. Hát ha az IC-vagy panel akkor küldöm Maradra. Köszönöm!
Sziasztok ! Még kezdő vagyok , arduino , robot építéssel ismerkedem . Van nekem 6db pici hxt900 servo motorom , ehhez szeretnék építeni egy shield féleséget . Ahogy olvasgattam , minden motor elé egy 100 qF os kondenzátort kell építenem , ezen kívül , hogyan érdemes csinálnom ? Máshol olvastam , hogy ilyen chippel oldották meg , de ezt nem ismerem . Elektronikai ismereteim még nem túl széleskörűek , ezért ha esetleg egy kapcsolási rajzot ismerne valaki ebben a témakörben , azt nagyon megköszönném . Megjegyzés : Sokat keresgettem , és én úgy találtam , hogy a motorok , kb 400 mA on működnek , és 4,8-6 V a működési tartományuk , milyen táppal , elemekkel tudom megoldani ? nem szeretném használni az arduino belső 5V -ját .
![]() ![]()
Szia!
Néhány neked való topik: Bővebben: Link
Köszönöm válaszodat , mindenképp , nekiállok olvasgatni , de nem bánnám , ha a jelenlegi problémámra itt is kaphatnék választ .
Azért mutattam ezeket a topikokat, mert a kérdéseid oda valóak, tedd fel őket ott. Ez a kezdő elektronikusok topikja.
Köszi a választ és bocsi hogy csak most írok. A rendszer kb vízszintes lenne, és ez a két tekercses megoldás igen csak jónak tűnik már csak a a kérdés hogy honnan szerezzek tekercset. És az érdekelne még, hogy ugye ha van egy szabályos vas rudam, és egy cső alakú tekercsem akkor a tekercs a rúd közepét pont a saját közepéhez fogja rántani, ugye?
Helló!
A kérdés mellékelve, remélem nem baj. A hozzászólás módosítva: Jan 2, 2014
Üdv!
Esetleg megpróbálhatod az LCD átvezető gumiját is megtisztítani, lehet, hogy az koszolódott be.
Üdv, és Boldog Új évet mindenkinek.
Nem tudom az oldallal kapcsolatos kérdéseket hol lehetne fel tenni, ezért ide írom, biztos olvassa valamelyik moderátorunk. A kérdés pedig az, hogy mi van a keresővel? Nem ad be találatot felhasználóra, még ha saját hozzászólásomat keresem is csak egyet ad be.
Jobb lenne, ha a morzés kérdésedet a Rádió amatőrők topikjában tennéd fel. A rádió amatőrők használnak automatikus morse kód felismerő programokat.
Egyszerűen nem oldható meg a feladat, leginkább programmot kell írni hozzá. A kézi adásnak változó a sebessége, ezért a mintavevő órajel szinkronozása sem egyszerű feladat.
Csak van olyan áramkör ahol a led 1 másodperc után kapcsolódik fel, akkor megoldható lenne a feladat.
Sziasztok!
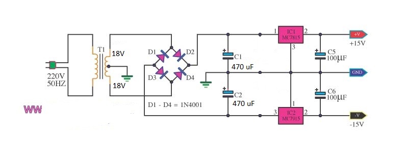
Megépítettem a képen látható tápegységet ,de valamiért nem jó. A 7915 és a GND- között megvan a 15 V de a 7815 és a GND között 35V jön le. Illetve a trafóra 2*18V van írva ,de 26V ,(de szerintem csak azért mert nincs rajta terhelés) Mi lehet a gond?
Üdv!
A trafó középkivezetését összekötötted a GND-vel, ami a kapcsoláson van? A 26V pedig teljesen normális, hiszen, hogy ha a 18V-ot, ami a trafóról lejön (váltóáram) egyenirányítod és puffereled, akkor megközelítőleg 26V egyenfeszültség lesz belőle. Esetleg egy képet tudnál mellékelni az általad épített szerkezetről?
A trafó kivezetéseit igen összekötöttem.Sajna már váltóban 26V jön le róla.
Képek: Bővebben: Link Bővebben: Link Illetve felteszem a LAY fájlt is.
Azt ugye tudod, hogy a két IC-nek nem ugyaz a bekötése?
Igen tudom a LAY fájlban látszik is
Furcsálom, hogy a kondenzátorok közös pontja nincs rákötve a GND-re, így a két kondin különböző feszültség lehet. A diódahíd utáni kondenzátorokra gondoltam.
A hozzászólás módosítva: Jan 2, 2014
Szia!
A 7815 középső lába a GND-re megy?
kadarist: Igen.
Gyimate:A Valóban nincsenek összekötve.lehetséges hibaforrás?
Köszönöm, ott meg is találtam a választ.
Minden GND-pontot össze kell kötni egymással, tehát a trafó közepét a pufferekkel is össze kell, mert így nem lesz referenciafeszültség és aszimmetrikusan sem lehet terhelni a tápot.
Köszönöm.Ha meglesz a kellő terhelés mennyivel fog lejjebb menni a trafó 26V-ja?
Mint látható van rajta 2 db relé illetve 2 db fázisfordító áramkör. Illetve mekkora előtét ellenállás kellene a relék behúzótekercsének ha nem menne lejjebb ? CSak azért mert max 24V-ot bír a relém.
Még annyit hozzátennék, hogy a stab IC ki és bemenetére tegyél egy-egy100nf-os kerámia kondit, sok bosszúságtól megkímélhet. Illetve, ha már úgy is újra csinálod, a kimeneten levő kondit egy diódával vissza kéne kötni a bemeneten levőre, hogyha elmegy a táp a "visszafolyó"áram ne a stab IC felé menjen...
A hozzászólás módosítva: Jan 2, 2014
|
Bejelentkezés
Hirdetés |