Fórum témák
» Több friss téma |
Teljesen normális, ha pontos nem szabad bántani. Meg kell adni a 10 perc bemelegedést neki. A szignálom ugyanezt teszi. Az elkók mellé esetleg lehet tenni egy egy modern 20 µF-ot, de ha amúgy mindne helyére kerül én nem bántanám.
Sziasztok!
Ismét problémám lenne, egy ELKIS Q84-6 táphoz lenne szükségem kapcsolási rajzra, valami miatt megszalad a B oldal árama, hogy miért még, nem sikerült kideríteni. Ha esetleg lenne még ELKIS Q84 minitorony kapcsolási rajzotok az is megköszönném! Üdv! Megott
Mi ebben a rádiófrekvencia, a mérés, és műszer? A többi stimmel...
Nem inkább a Kapcsolási rajzot keresek topikba kellett volna feltenni a kérdésed? Vagy valamelyik HIFI javítás topikba?
Bővebben: Link
Lhanzi oldalán van rajz a műszerről, a tápban az egyik képen látszik pl, hogy egy 7805 van, tesla gyártmányú, bár ez csak a frekimérő ami itt van, de talán a többi darabban se használtak bonyolultabb megoldást a táphoz.
Sziasztok!
Lehet házilag építeni valami olcsó kábel tv jelszint mérőt? Amikre gondoltam pl. kábelmodem, tv-tuner kártya, videomagnó alapanyagként.
Lehet. Valamelyik rádiótechnikában volt MiniVidi TV átalakítása.
Szia!
Ha jól emlékszem, akkor a 91-es vagy a 92-es RT évkönyvben van egy leírás úgy, ahogy Pucuka írja.
Sziasztok!
Megépítettem a képen lévő rezonátort (RTÉK 2006), csak nem skálázott forgatógombbal, hananem a trióda rácsáról egy 10pF-os kondival kicsatoltam a jelet egy frekimérőre. Kvarcokat nagyon szépen berezegteti, pontos frekvencián szépen nyílik a varázsszem, de rezgőkörök (pl 10,7MHz-es kf) esetén teljesen más frekin (~2,5MHz) elkezd rezegni, picit nyílni kezd a varázsszem, aztán tovább hangolva hirtelen teljesen kinyílik, és néhány száz kHz-et jelez a frekimérő. Oszcilloszkópon figyelve magas tűimpulzusok vannak, amiket széthúzva látszik a rájuk szuperponálódott lecsengő nagyfrekis jel. Feltételezem, hogy valamiért begerjed, de mitől, és mit tehetek ellene?
Sziasztok, egy kis információt kérnék RF témában. Ezzel az IC-vel és az adatlapban található ajánlott kapcsolás és NYÁK-tervvel ill. megfelelő antennával szerintetek szabad téren mekkora az a távolság ami még stabilan áthidalható? Nekem sajnos nem nagyon van összehasonlítási alapom az érzékenység, kimeneti teljesítmény, frekvencia és távolság függvényével kapcsolatban. (Illetve arra is kíváncsi lennék hogy jelenleg Magyarországon, a 2,4 GHz-es frekvencia környékén működő kütyüknek mekkora lehet a max. kimeneti teljesítményük? (Lassan el kellene mélyednem ebben a témában is, mivel egyre gyakrabban merülnek fel hasonló dolgok.
)
Ugyan nem ebbe a topikba tartozik, de ajánlom figyelmedbe a csatolt táblázatot. Ez tartalmazza a jelenleg érvényes szabályozást.
Hogy a kérdésed első felére is válaszoljak. Az állandó helyű összeköttetéseknél az összeköttetés távolságát szabad térben aránylag egyszerű meghatározni.
Pv= Pa- Aak + Gan - Asz + Gvn Pv vételi teljesítmény Ak antenna kábel csillapítás Gan adó antenna nyereség Asz szakasz csillapítás Gvn vevő antenna nyereség Avk vevő antenna kábel csillapítás Ha az egyenletből kifejezd a szakaszcsillapítást, abból a egy terjedési táblázat segítségével meghatározhatod az összeköttetés távolságát. (ilyeneket találhatsz a .net -en) Ha nem szabadtéri az összeköttetés, akkor a szakaszcsillapítást korrigálni kell, a szintén táblázatokból kinyerhető akadálytípus csillapítás növelő hatásával. Ha mozgó hálózatról van szó, akkor a fix állomás által ellátott területet kell meghatározni, úgy hogy az ellátás határát annál a minimális térerősségnél kell meghúzni, ami a mobil állomások vevőinek számára elegendő vételi teljesítményt nyújt. Ez elég bonyolult művelet, erre manapság léteznek méregdrága programmok.
Sziasztok!
Valamikor, tizenéve URH szervizelésből éltem, dolgoztam többek között a rendőrségen is URH szervizesként. (Ezt csak azért írom, hogy lássátok, nem vagyok kívülálló) Most van egy régi analóg Marconi műszerem, egy TF2955-ös rádióteszter. Sajnos ennek nagyon mászik a frekvenciája (gyárilag is) 400 MHz-es sávban gyakorlatilag használhatatlan. Arra gondoltam, hogy egy FLL-t kellene alkalmazni bele. Van-e itt valaki, aki eléggé benne van a FLL-ek lelkivilágában? Kérdeznék néhány dolgot, akár privátban is.
Igazából nem ezt javasolnám. FLL működik rövidhullámon... Csináltam egyet, de aztán jött DDS...Azt javaslom, hogy a műszer jó paramétereit kihasználva inkább egy PLL-t építs (van cikk itt a HE-n) Maga rezgéskeltő lenne PLL oszcillátor, a többi része a műszernek maradhatna. Ezt a jelet akák kívülről is bele lehetne vinni, és akkor nem járna nagy rombolással.
A hozzászólás módosítva: Jún 4, 2013
Szerintem biztos van lehetőség külső időalap használatára. Ha van, akkor kell építeni egy atomstabil 10 MHz -es oszcillátort, (ha van ilyen lehetőség) és akkor megoldódott a gond. Ezt a műszert konkrétan nem ismerem, de másikat igen, más gyártóktól is, azoknál mindegyikben van ilyen lehetőség.
A másik, hogy beleépíthetnél egy kristálykályhás alaposzcillátort, úgyis minden erről meg, és van benne PLL, nem is egy. Lehet megoldás még TCXO használata is. Doksi van hozzá? A hozzászólás módosítva: Jún 5, 2013
Doksi van. Ez még egy régi analóg hangolású műszer, analóghoz könnyebb egy FLL_t összehozni, mint PLL-t. Ráadásul a FLL-nek tisztább a jele.
Sziasztok!
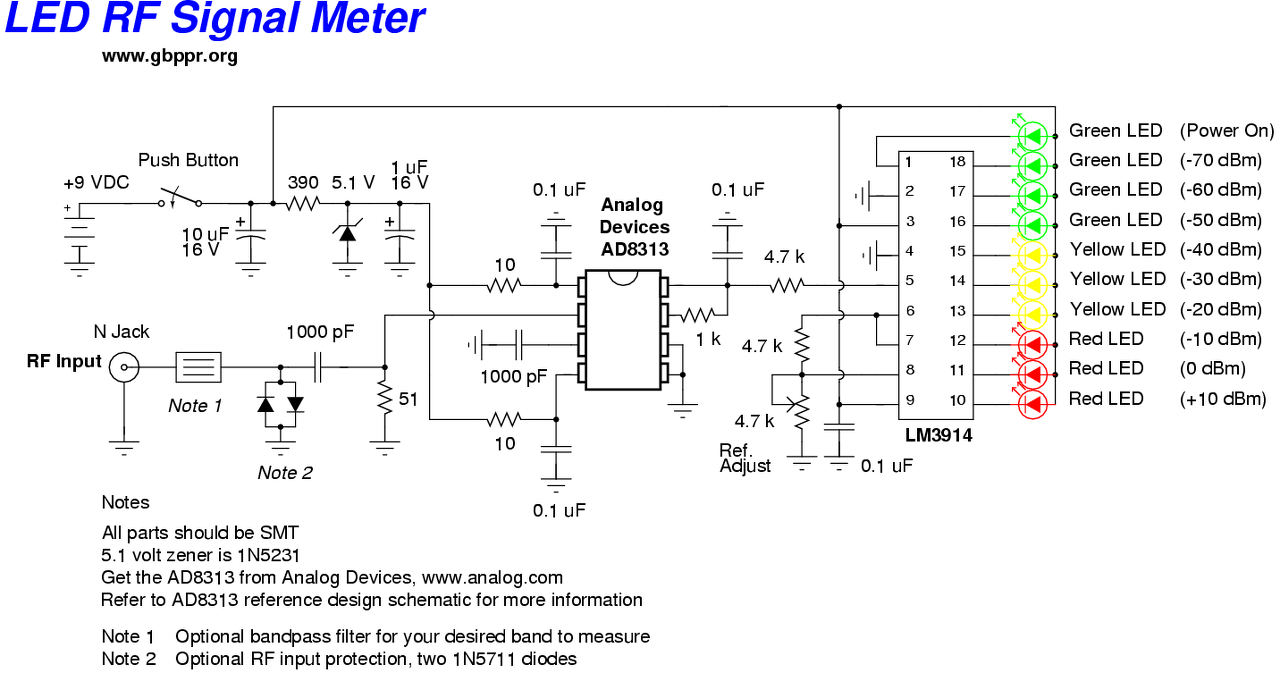
Nagyon rég nem jártam erre, az elektronikára is csak minimális szabadidőm jutott. Mostanában próbálom újra elővenni a régi dolgaimat. RF cuccokhoz legelőször egy szint/feszültségmérőt szeretnék összeállítani. Évekkel ezelőtt kísérleteztem ilyen-olyan dolgokkal, de a végén egyik sem lett megépítve műszerként. Most viszont elkezdtem megint ezzel bütykölni. Itt van egy olyan cucc, ami nekem elég szimpatikus kiindulásként: http://www.sm0vpo.com/_visitors/inst/rf-vmetr.htm Az ötletem az, hogy a diódás linearizáló fokozat helyére egy lineáris mérőerősítő, majd ezt követően egy PIC-es program kerül, ami A/D bemeneten méri a mérőerősítő kimenetét és egy táblázat alapján eltorzítva azt, PWM segítségével egy mutatós műszeren jelenít meg. A méréshatárváltás maradna egy 5 állású forgókapcsolón, a műszer nullázása (offset) egy potméterrel történne. Egyenirányítónak jelenleg OA1182-esek vannak beépítve. A műszer 50-es skálázása miatt 50/250/500/2500/5000mV-os állásokra számolok. A PIC-es program tudni fog arról, hogy milyen méréshatárban van a kapcsoló, mivel a torzítási táblázat méréshatárfüggő. A lineáris erősítő és a PIC-es program alapja működik, kvarcos-tesztoszcillátorral mérve jónak tűnik. Most majd azt kellene kitlálni, hogy a torzításhoz szükséges táblázatokat hogyan lehetne létrehozni, vagy valami egyszerű kalibrációs módszerrel "betaníttatni". Egy LED és egy nyomógomb a PIC mellett rendelkezésre áll ehhez ![]() Érdekelne a véleményetek, javaslataitok.
Ami neked kell nem más mint egy AD gyártmányú logaritmikus erősítő és 500 MHzig 1 dBel pontos
900MHzig meg saccolni is tud közel 90dB átfogású . AD8307 nek hívják. Amennyiben kisfreki (kb 30MHzig)elég neked akkor ca3089 kf erősítő és fm demodulátor térerömérö kimenete szintén ekkora átfogású. Ha ez túl bonyolult akkor meg 1diódás csúcs egyenirányító + 1 multiméter.
Szia!
Bocs, de nekem úgy tűnt a kapcsolásból, hogy az csúcs egyenirányítóval kezdődik. Az IC csak DC-t erősít. Amúgy a logaritmikus erősítő engem is érdekel, szintén kis frekin. Wobbler jelet szeretnék logaritmikusan felrajzoltatni a szkópommal. Szintén csúcs egyenirányítóval indulna a mérőfej, kisjelű shottky diódákkal. Üdvözlettel, papus51
Itt 1 "wobblerszerű " áramkör ...
Kb.:40-50MHzig rezeghet a tda1072 oszcija,és ezt kapja meg a ca3089 direktben. Kézi tekerős sweep, de ha valami fűrésszel meghajtod és szkóp X/Y ra viszed, akkor már élvezhetőbb látványt kapsz. Marker ?! Valami pontosabb külső másik generátorral megzörgeted, aminek a koaxát a mérendő áramkör mellé teszed.Persze ez nem éppen egy ideális wobbler de mint lehetőség jól használható ötlet. A hozzászólás módosítva: Jan 14, 2014
Köszi, de van sweep generátorom, markerrel együtt.
Csak azt szeretném, ha az átviteli görbét logaritmikusan tudnám megjeleníteni, hogy nagyjából decibelben lehessen leolvasni a szkópról. Van HSMS 2850 shottky diódám. Ez már 0,3mV-tól működik. Ezt szeretném lekövetni egy logaritmikus erősítővel. Nálam a sweep söprési frekije 100Hz alatt van, tehát az erősítőnek nem igen kell nagyfrekisnek lennie. Üdv.
A CA3089 meg kb.: 5-10 uV körül kezd elhatárolni mint FM demodulátor , a térerőmérő műszer kimenete pedig kb.: 90dBes átfogású logaritmikus . 500mV (eddig talán "lineáris" a schottky de nem biztos )/ 0,3mV közt kb.:60dB átfogás van...
Sziasztok! Meg tudná nekem valaki mondani, hogy MAS my68 műszerrel hogyan tudok frekvenciát mérni? sorosan vagy párhuzamosan kell kötni az áramkörbe? Max 200ma irt a használati.
A hozzászólás módosítva: Jan 15, 2014
Sziasztok
Kezdő hobbista vagyok és már rég szeretnék egy olyan müszert (akár 10 LED) építeni amivel meg tudom mérni hogy milyen eröve sugároz illetve milyen folytonossággl a táviránytóm. Amugy 2,4GHz-es modell távrol van szó. Van erre valami egyszerübb kapcsolás? A hozzászólás módosítva: Jan 15, 2014
Ajaj itt valami szezonos/fazoni keveredésről van szó!
Más elektromos paraméterek mérési elvével tisztában vagy? Frekvenciát valami aktív áramköri környezet szokott előállítani. Ennek a kimenetén jelenik meg a valamilyen hullámformájú váltakozójel. Általában a test és a rezgéskeltő áramkör kimenete között lehet mérni a frekvenciát. Hasonlóan mint a váltakozó feszültség mérésekor.(amplitudót mérsz a frekvenciától részben függetlenül) Frekvenciamérés esetén pedig az ismétlődés gyakoriságát részben az amplitudótól függetlenül. Tehát párhuzamosan kell kötni a frekvencia mérőt. Áramot sorosan kapcsolva kell mérni.Persze a méréshatárt és a maximális határértékeket be kell tartani.
Talán ezt tudnám ajánlani egy kezdő hobbistának.
Széles sávú adszorpciós rf indikátor, adott frekvenciára hangolt rezgőkörrel kiegészítve az érzékenysége ott növelhető. És egy másik már komolyabb de elkészítése nagyobb gyakorlatot kíván.
Igen, "ismerem" (adatlapból) az AD8307-et, de itthon olyan ára van, hogy nemigen foglalkoztam vele korábban. Igaz, hogy most év végén rendeltem az ebay-ről 5-öt, mert így annyiba jött ki, mint itthon egy darab. Szóval itt van már az alkatrészek közt, de még nem foglalkoztam vele. Az majd egy másik műszer lesz.
Ezt viszont már korábban elkezdtem összerakni, készül, mint a Luca széke. Azért csak befejezném, csak lenne belőle egy talán használható RF millivoltmérő. Egyedül a diódás linearizálót akarnám kiváltani a programvezérléssel. Ja, és mivel legalább az FM műsorszoró sávon működő rádióvevők bütyköléséhez is szeretném használni (min. 120MHz-ig), ezért az FM KF IC-s megoldások nem nyerők. A hozzászólás módosítva: Jan 16, 2014
Köszönöm, lehet hogy még ma neki is látok.
Azt hiszem gerenk kollega félreértette a kérdésedet, mert ugye TÁVIRÁNYÍTÓ-ról beszélsz. A távirányító infravörös tartományban ad jeleket a vevőegységnek. Innentől nem egészen értem, hogy a "milyen erővel" pontosan mit jelent. Viszont egy olyan mobiltelefonnal, amelyik fényképezni is tud - ma már szinte mindegyik - tudod ellenőrizni, hogy működik-e vagy sem. Egyszerűen a távirányítót ráirányítod a mobil kamerájára és ha a távirányító valamelyik gombját megnyomod, akkor a mobil képernyőjén látnod kell az infra sugárzását. Ha nincs semmi, akkor vagy döglött a telep, vagy az infra-LED halt meg, vagy az egész kuka.
Vannak modell távirányitok amik RF (2,4GHz-es) és én ilyet szeretnék, amugy már ez benne volt a kérdésemben is.
Bocs, akkor én értettem félre, vagy szemüveget kell cserélnem.
|
Bejelentkezés
Hirdetés |





) 










