Fórum témák
» Több friss téma |
- Ez a felület kizárólag, az elektronikában kezdők kérdéseinek van fenntartva és nem elfelejtve, hogy hobbielektronika a fórumunk!
- Ami tehát azt jelenti, hogy a nagymama bevásárlását nem itt beszéljük meg, ill. ez nem üzenőfal! - Kerülendő az olyan kérdés, amit egy másik meglévő (több mint 17000 van), témában kellene kitárgyalni! - És végül büntetés terhe mellett kerülendő az MSN és egyéb szleng, a magyar helyesírás mellőzése, beleértve a mondateleji nagybetűket is!
Üdv!
A 4V abból adódhat, hogy a mobiltelefonok akkumulátor feszültsége átlagolsan ekkora a majdnem teljesen feltöltött állapotban. Gondolom ezek a modulok is a jól bevált mobiltelefon alkatrészeket tartalmaznak, így megspórolták az áttervezést.
Nem nagy a valószínűsége, hogy annak a modulnak precíziós táp kell. Még nem nagyon láttam GSM körben precíziós stabiliztátorokat. A Processzorának viszont valószínűleg az kell (2.85V, 1.8V, stb), de ezt nagy valószínűséggel megoldja házon belül.
9.1V zener dioódát mivel tudom helyettesíteni?
Egy 4.7V-os zener, egy 3,9V-os zener, és egy normál szilícium dióda soros kapcsolásával.
köszi
Arra keresem a választ, hogy van egy debug portom.
- +5v - RxD - TxD - GND - NC - NC Ezt arra a portra milyen kábellel tudod rákapcsolódni? Nokia DKU5 -s vagy Rs232 kábellel? Az 5V kell e pluszba? Köszönöm a segítséget előre is! Csatolok egy képet is! A hozzászólás módosítva: Feb 4, 2014
Az NC re is kell valamit kötni? Vagy elég a Txd Rxd GND 5V ?
A csatolt rajz jó? Az 5v az melyik ág? A hozzászólás módosítva: Feb 4, 2014
NC = Not Connected.
Szia, bocsi félrenéztem, az RS232 nem ad +5V-ot, ez csak komunikációs csati.A rajz pedig jónak tűnik.
Akkor Rx Tx GND szálakra van szükségem?
Ez a port DKU5 kábellel rx tx portja nem olvasható ezek szerint? Az 5V az szükséges?
Sziasztok!
A különféle fm adókban a rézdrótból készült tekercset mindenképpen lakkszigetelt drótból kell tekerni? Nem jó a sima szigeteletlen?
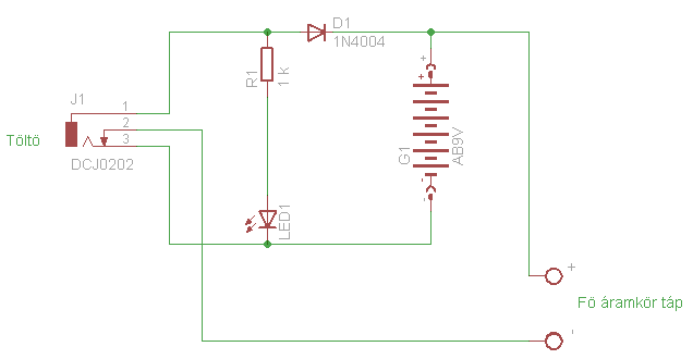
Automata töltőről kívülről szeretnék feltölteni egy készüléket, amibe az említett akkumulátor van beépítve.
De jó, ha olyan a tekercs, hogy nem érnek egymásba a menetek. ilyen tekercsnél jó, ilyen tekercsnél nem jó.
Szép jó estét mindenkinek. Szükségem lenne egy kis szaktudásra. Az alábbi kis rendszert szeretném megalkotni csak nem tudok beszerezni hozzá "Tip 31"-es tranzisztort. Esetleg lehet valami mással helyettesíteni. Nem fontos de jó lenne ha tudna valaki segíteni. A segítséget előre is köszönöm
A hozzászólás módosítva: Feb 4, 2014
Akkor nem kötehetsz sorba LEDet az akkuval.
Kellene oda ellenállás is, sorba a LEdekkel.
Sziasztok!
Mennyire jó választás egy Delock USB RS232 átalakító? Ilyen átalakítóm van, de nem sikerült flash tartalmat olvastatni és feltölteni vele. Lehet, hogy rossz a kábel? Putty terminál sor sem írt ki semmit. A hozzászólás módosítva: Feb 4, 2014
Mit értesz azon, hogy párhuzamosan? AZ áramkör így tönkreteheti a LEDeket. Kell egy ellenállás, ami korlátozza az átfolyó áramot.
Ha a töltő, és az akkumulátor közé bármit kötsz, becsapod a töltőt.
Idézet: „Hello! Mert senki nem tudja, mint én sem mi a helyzet. Honnan tudod hogy elektronokat adsz át? És mihez képest? ...” Azóta megkérdeztem egy amolyan igazi polihisztor ismerősömet, aki még tévészerelőként kezdte, hogy mi az elektromosság. Ő is azt mondta, hogy csak sejtései vannak. Nem hittem volna, hogy ilyen mély titkot rejt ez a kérdés...
Tegyél egy hal elemet a töltö vezeték mellé és az kapcsolja a ledre a delejt.
Hello!
Az Alapkutatások, bizony mély titkokat rejtenek minden szinten. Amik kezdetben stabilnak mutatkoznak, majd 10 évenként átértékelődnek. De egy atomreaktor is komoly magfizikai törvényeken alapul. A gépész számára akkor is csak egy hőtechnikai berendezés. Forralja a vizet oszt annyi.. Hogy ténylegesen milyen folyamatok zajlanak le benne, azt szerintem csak egy marék ember tudja felfogni vagy sejti a világban. Viszont ha nem jött volna rá Einstein, hogyan lesz a tömegből energia, akkor ma itt ülhetnél számgép helyett egy gyertya fénye mellett. De nem is kell messzire menni. Mi a tömeg? Vagy mi a mágnesesség. Van itt kérdés ezernyi. De ma már alig hiszem, hogy polihisztorok lehetnének, szerintem egy egyszerű "szakbarbár" is minősített komoly tudós műszaki ember.. üdv!
Azért nem jó, mert ez az átalakító szabványos RS232 portot csinál, ahol a jelszintek -12V és +12V között változnak. Neked a debug porthoz USB-->TTL-RS232 átalakító kell, ahol a jelszintek 0 és 5V kötött változnak.
A debug porton csak az RX, TX, GND vezetékeket kell bekötnöd, az 5V csak a TTL-->RS232 szintilesztő áramkörhöz kellene, amit a soros porta dugnál. Neked valami hasonlóra van szükséged: Bővebben: Link
Sziasztok! Egy kis útmutatást szeretnék kérni tőletek. Itt van ez a kapcsolás. Az interneten próbáltam rájönni arra hogy hogyan lehet kiszámolni a két ellenállás értékét de csak annyit találtam hogy az ellenállások értékét úgy kell kiválasztani hogy a kollektor feszültsége a tápfeszültség fele legyen.
http://www.circuitdiagram.org/audio_preamplifier.html |
Bejelentkezés
Hirdetés |













