Fórum témák

» Több friss téma
Fórum » Joystick bekötés javítás
 
Témaindító: jimmy47, idő: Márc 25, 2009
Témakörök:
Lapozás: OK   2 / 2
(#) szel.balazs hozzászólása Nov 23, 2012 /
 
Sziasztok.!

Van nekem egy régi joystickom, ami Genius flight 2000 f-16 típusú és arra lennék kíváncsi hogy van-e valakinek valami technikai leírás róla például, hogy van egy távirányítós autóm amit evvel szeretnék irányítani akkor hogyan kell összerakni persze vezetékes formában, szóval a vezetéknélküli dolog egyenlőre nekem sok lesz.
Előre is köszönöm a válaszotokat.

Pacsi.! szel.balazs
(#) hajdu patrik hozzászólása Feb 15, 2014 /
 
Üdvözlet minden fórumtagnak!
Szeretném a segítségeteket kérni. Van nekem elfekvőben egy Sigma márkájú joystick-om és a csatlakozóval van egy kis problémám. Nekem a gépen nincs tüskés játékport bemenetem csak "szuka". Ezt a fajta joystickot esetleg egyáltalán lehetne PC-re kötni vagy ne is foglalkozzak vele? Azt hiszem ez még a jó régi Comodor 64-hez volt tartozék. Mikrokontroller nincs benne, össz-vissz 6 nyomógomb, ellenálások és tranzisztorok. A panelról nem készítettem képet de ha szükséges akkor készítek. A képeket telefonnal csináltam, kicsit homályosak lettek.
Segítségeteket előre is köszönöm!
Üdv.: Patrik.
(#) bbalazs_ válasza hajdu patrik hozzászólására (») Feb 16, 2014 / 1
 
Ezt nem lehet, nem erdemes PC-hez kotni. A Commodore joystickja nyomogombokbol allt (4db iranyra, 1 tuzgombra). A PC-nel potmeterek plusz par tuzgomb.
Tuz es viz.
(#) hajdu patrik válasza bbalazs_ hozzászólására (») Feb 16, 2014 /
 
Köszönöm a válaszod. Sajnálom hogy nem lehet, elrakom akkor emlékbe .
(#) kzozo válasza bbalazs_ hozzászólására (») Feb 17, 2014 / 1
 
Megoldható, de a pc-n kell lennie analóg GAME-portnak. Volt egy régi Hobbielektronika újságban egy rajz, ami megcsinálja a szintillesztést (két tranzisztor és pár ellenállás volt benne). Én megépítettem, működött is. A lényeg az, hogy a game port feszültségeket(0-5V) figyel, ebből tudja hogy melyik hol áll a kar. A modul annyit csinált, hogy az irányoknak megfelelően 0V-ot vagy 5V-ot adott az adott tengely bemenetére. Ha megakarod építeni, megpróbálom megkeresni a rajzot otthon.
A hozzászólás módosítva: Feb 17, 2014
(#) hajdu patrik válasza kzozo hozzászólására (») Feb 18, 2014 /
 
Üdv! Nekem a pc-n két game port is található, egy az alaplapon egy pedig a hangkártyámon viszont azt nem tudom hogy analóg e vagy nem. Ha nem túl bonyolúlt megépíteni akkor megpróbálkozok vele. Köszönöm a segítséged!
(#) kzozo válasza hajdu patrik hozzászólására (») Feb 18, 2014 / 1
 
Találtam egy cikket, de sajnos nem az amit régen megépítettem. Az 1993/09-es lapszámot kellene előkeresni, és az 1995/02-es, 03-ast. Az alapoknak szerintem ezek a képek is jók.
(#) hajdu patrik válasza kzozo hozzászólására (») Feb 19, 2014 /
 
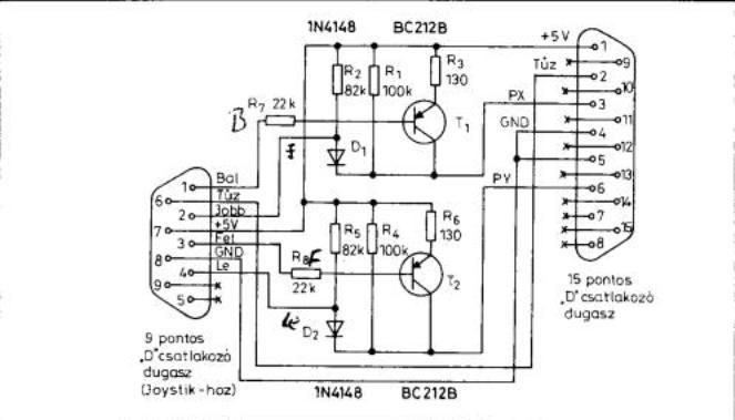
Nem tudom, nem erre a kapcsolásra gondoltál? Amelyik lapszámokat nekem írtad a netröl valahogy leszedtem és kutatgattam. Csak annyi a bibije, hogy nekem két tűz gomb van a rajzon meg csak egy, de végülis attol el lehet tekinteni. Esetleg a joyon az auto fire kapcsoló nem zavarja be a dolgokat?

joystick.JPG
    
(#) kzozo válasza hajdu patrik hozzászólására (») Feb 19, 2014 /
 
Igen, erre. Elrakom, köszi. Az, hogy csak egy darab tűzgomb van, az a Commodore joy sajátossága. Én megcsináltam két tűzgombosra: A két gombot különválasztottam, és a 9tűs csatiba kivezettem. Csak azok a tűk vannak bekötve, amiket használ az eszköz, a többi üres, ezért én a 7-es lábra kötöttem. Azon csak az auto-tűz kap +5V-ot, ami most nem kell.
(#) hajdu patrik válasza kzozo hozzászólására (») Feb 19, 2014 /
 
És ha hagyom az egy tüz gombot és nem iktatom ki az autómata tüzelést, tehát mindent úgy csinálok meg mint ahogy a kapcsolásban van akkor is működne?
(#) kzozo válasza hajdu patrik hozzászólására (») Feb 19, 2014 /
 
Igen, de akkor csak egy lesz használva, a másik nem. Ha az adott játék nem használja mindkettőt, akkor nem baj.
(#) hajdu patrik válasza kzozo hozzászólására (») Feb 20, 2014 /
 
Ha majd kell a másik is majd utólag átépítem. Nagyon szépen köszönöm a segítségedet, nélküled nem tudnám megcsinálni. Ha megépítettem akkor majd küldök képet.
(#) zsolt58 hozzászólása Nov 24, 2015 /
 
Hello!
Vettem egy ilyen joystikot!
De a számítógépen rögtön felismerte működik is szépen!
A laptopon pedig semmi!
Kaptam vele CD-t is fel is instaláltam de akkor se ismeri fel!
Mit csináljak?
Üdv Zsolt
(#) bbalazs_ válasza zsolt58 hozzászólására (») Nov 24, 2015 /
 
Ahogy latom, ez force-feedbackes, azaz egy pici motor tekereg benne ilyenkor. Ez viszont elegge sok aramot igenyel. Szoval szerintem a laptopod portja nem tud adni eleg aramot, ez lehet TALAN a gondja.
Az eszkozkezeloben sem latsz semmit? Bedugaskor kiir valamit? Masik portban?
Következő: »»   2 / 2
Bejelentkezés

Belépés

Hirdetés
XDT.hu
Az oldalon sütiket használunk a helyes működéshez. Bővebb információt az adatvédelmi szabályzatban olvashatsz. Megértettem