Fórum témák
» Több friss téma |
Egyébként ez a +-2 fok nem tág tartomány kicsit?
Ha ennyi szabad láb van, akkor betehetnél egy fotoellenállást (LDR) is, ami segítene automatizálni a kijelző fényerejét. Az LDR egy osztó alsó vagy felső tagja legyen, s a leosztott feszültséget az ADC-vel meg tudod mérni.
Gondoltam rá, de felesleges. A fényerő csökkentés, csak akkor kell, ha felkapcsolom a világítást. Ilyenkor fixen a felére fog csökkenni a kijelző fényereje, ahogy az gyárilag is van az ilyen típusú autókban. A jelet, gondolom az autó központi számítógépe adja, mert a benne lévő órát méricskélve, ami hasonló elven működik, a világítást felkapcsolva, +5V jelent meg az egyik vezérlő vezetékén, amit ha 10k-val GND-re húztam, teljes fényerővel jelzett ki.
VaZso8 Multival mértem, mV-os állásban. Ahogy írtam, a vezeték nélkül nem mutatott a műszer ekkora eltéréseket, akkor csak 1-2mV eltérés jelentkezett, ami szerintem normális. Még annyit hozzá kell tegyek, hogy a TC1047-es tápja, 100nF-al szűrve van. Közvetlen a lábakra van forrasztva (1206-os SMD kondi).
Bocs, nem erre gondoltam - az adatlapja írt +-2 fok pontosságot.
Bár ahogy elnézem, végül is +-0.5 fok tipikus érték szerepel a táblázatban. Egyébként nem lehet, hogy a vezetéked afféle antennaként összeszed némi zavart?
Ugyanezt a kísérletet, eljátszottam egy MCP9700A-val (TO92) is. Annál nem tapasztaltam ilyen drasztikus kilengéseket, ha rajta volt a vezeték. Természetesen ugyanaz a vezeték. Lehet, hogy inkább ezzel a típussal oldom meg a méréseket.
Még egy kérdésem lenne a 7 szegmenses hőmérőmmel kapcsolatban.
Bővebben: Link A videón látható jelenséget, hogy lehet korrigálni. Tehát, hogy az átmenet ne ilyen lassú legyen. Idézet: „Tehát, hogy az átmenet ne ilyen lassú legyen.” Szerintem nem lassú, hanem túl gyors, azaz túl sűrűn változtatod a kijelzett számot. Én külön választanám a mérést és a kijelzést olyan módon, hogy amikor a végtelen ciklusban (pl. Energia loop() függvény) csinálok egy mérést, akkor nem írom ki azonnal az adatot, hanem hozzáadnám egy változóhoz későbbi átlagolás céljából. Azután csinálnék egy megjelenítési ciklust az utolsó átlagot megjelenítve, s kezdeném újra a ciklust, léptetve valami ciklusszámlálót. Minden valahányadik (mondjuk 1024-dik) ciklusban számolnám csak ki az új átlagot, s nulláznám ki az összegző változót. Lényeg az, hogy a kijelző rutin csak másodpercenként, vagy félmásodpercenként kapjon új adatot.
Összeállt a 7 szegmenses hőmérőm. A kapcsolási rajz és a program is, igazából csak össze lett "dobva".
A próbapanelon megy szépen. Köszönöm a segítséget!
Köszönöm, hogy közzétetted, érdekes projekt.
Én a while(1) cikluson belül nem szerveztem volna külön blokkoló alciklusokat, hanem ahogy korábban írtam: while(1) { 1 db megjelenítés (gyk. villantás) a kiválasztott csatornából 1-1 ADC konverzió a két csatornában 1 számláló léptetés. Ha a számláló elérte a kívánt darabszámot, akkor számláló visszaállítása, és a kijelzendő értékek frissitése a kiszámolt átlagokból. }
Igen, próbáltam az általad leírtak szerint is, de a kijelző folyamatosan, zavaróan villogott, pláne a "fényerő" csökkentésnél, azaz, az OE láb ki-be kapcsolgatásánál. Ahogy a kapcsolásból és a programból is kiderül, végül az OE láb ki-be kapcsolgatós variációnál maradtam, hogy szabályozzam a kijelző fényerejét. Az általad említett LDR szabályzást sem vetettem el és ezért próbáltam úgy kialakítani a programot, hogy ha beépítésre kerül, akkor egyszerű legyen beilleszteni.
Sajnos túl sok időm nem volt foglalkozni a programmal és a kapcsolással sem, ezért maradtam ennél a verziónál.
Kétéves hallgatás után végre megjelent a Wolverine Launchpad. Az ára kicsit húzós ($29.99), de egy szép és energiatakarékos kijelző is ját hozzá. Érdemes megnézni a fenti linken található videót!
Az MSP430 Launchpad kártyák honlapja is bővült, már szerepel rajta az új kártya. A hozzászólás módosítva: Feb 20, 2014
Sziasztok...
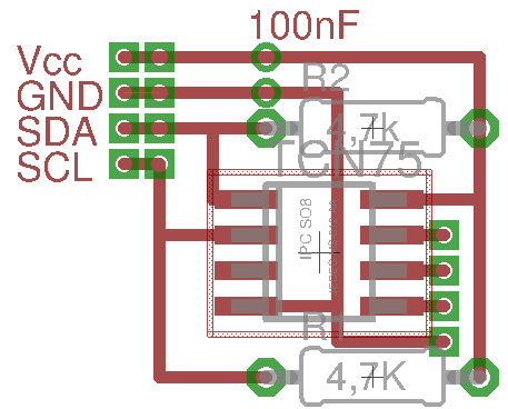
Most kezdenék az MSP430 Launchpad-el TCN75 hőmérő I2C kapcsolatot kezelni.És kezdőként bizonytalan vagyok. Az SDA/SCL melletti csatik a további slave-ek felfűzéséhez lenne ha jól értelmezem a protokolt... Továbiakhoz ellenállás már nem kell... Eagle-el is most ismerkedem... Érdeklődnék, hogy a képen látható elképzelésem helyes? Előre is köszönöm... A hozzászólás módosítva: Feb 25, 2014
1. Az SDA, SCL mellett legalább a GND-t is tovább kell vinni bővítés esetén, de praktikus okokból a tápfeszültségre is szükség lehet. A felhúzó ellenállások valóban csak egy helyen lehetnek.
2. Az Eagle tervben úgy tűnik, hogy a vezetékezés alul van, a felületszerelt alkatrész meg a felső oldalon. Így nem találkoznak össze a lábai a vezetékekkel. Egy kézenfekvő megoldás a felületszerelt alkatrész tükrözése, s akkor automatikan átkerül az alsó oldalra. A tükörkép miatt, persze, át kell tervezni a vezetékeket. 3. Az IC mellé kellene egy 100 nF-os kondenzátor a táp és a föld közé. Digitális technikában ez minden IC-nél kötelező. 4. Az A0,A1, A2 címvezetékeket célszerűbb lenne úgy kialakítani, hogy átkötésekkel vagy átforrasztásokkal egyenként földre vagy tápfeszre lehessen kötni. Így akár 8 db hőmérő is felfűzhető az I2C buszra. 5. Nem tartozik szorosan a tárgyhoz, de már 3 db levelemre várok választ.... A hozzászólás módosítva: Feb 25, 2014
Köszönöm a segítséget, átnézem...
Amennyiben a korábbi érdeklődésemre gondol, nem kaptam semmit. Kissé csalódott is voltam. ![]() Kérem küldje a l0m3x@gportal.hu - címre...
Természetesen oda küldtem, meg az iwiwre is, de a jelek szerint hiába. Most itt a fórumon küldtem privát üzenetet.
Sziasztok!
Elkészült az instrukciók alapján az előrelátóbb javított verzió... Meglesnétek szakszemmel? Ha nincs benne szarvas hiba akkor holnap megcsinálom... Előre is köszi...
Az előző hozzászólásom el sem küldtem, mert írás közben rájöttem, hogy a tüsik nem is lehetnek ilyen közel, így azt javítottam...
De alapjában így maradt... Idézet: Füst-, hang-, fény- és szagjelekkel is lehet vezeték nélküli kommunikálni. De remélem, nem azt várod, hogy mi találjuk ki helyetted, hogy mit is szeretnél csinálni... „Ötlet?”
Üdv mindenkinek!
Lehet hogy bugyuta kérdés, de SPI buszra lehet több eszközt kötni? Egy SD kártya és egy CC3000 wi-fi menne.
Volt egy kis időm befejezni az autó hőmérőt. Tökéletesen működik. Egy 5x5cm-es dobozba terveztem a nyákot, de a tápellátás sajnos már nem fért rá az mikrovezérlő paneljára. Ezért egy külön panelra készítettem el és tüskesorral csatlakozik a főpanelhez.
Más! Az ez430 chronos eredeti forráskódját hol találom meg? A leírtak szerint, feltelepítettem a slac341d.zip-ben lévő programot és a dokumentáció szerint a "C:\Program Files\Texas Instruments\eZ430-Chronos\Software Projects" könyvtárban kellene lennie a programnak, de nálam ez a mappa üres. Már egy párszor újratelepítettem, de a mappa üres maradt. Idézet: Azért busz, hogy lehessen!„SPI buszra lehet több eszközt kötni?” Két megközelítés van (eszköze válogatja, hoyg melyikre alkalmas): 1. Minden slave eszköz a közös MOSI, MISO, SCLK vezetékere van kötve (párhuzamosan), de mindegyiknek külön kiválasztó (Slave select, vagy más néven Chip Enable) vezetéke van, s a master gondoskodik róla, hogy egyszerre csak egy legyen aktív. 2. Láncba kötött (daisy chain) eszközök: a slave eszközök sorosan vannak felfőzve az adatvezetékre, s az utolsó adatkimenete hurkolódik vissza a masterre. Ez abban az esetben jó, ha több, egyforma eszköz van felfűzve (pl. digitális potméterek). Az órajel és a kiválasztó jel értelemszerűen párhuzamosan csatlakoznak (egy közös órajel és egy közös kiválasztójel).
Köszönöm. Azt hiszem én az egyes számú változatnál maradok, mert egy SD kártya, és egy CC3000-es Wi-Fi csatlakozna egy MSP430F5529-es kontrollerre.
Lenne még egy kérdésem. A Spy-By-Wire az teljes körűen kompatibilis az MSP430 családdal? Tehát az MSP-EXP430G2 launchpad-ommal fel tudom programozni az F5529-es MCU-t?
Szia!
Igen feltudod vele. Hackaday-en van egy cikk is róla. inkább maga a chip "életre" keltése lesz kicsit nehézkes otthon. nekem is van de házi beültetés az ki van zárva annyira kicsi.
A kérdés arra irányult, hogy hátha van valami egyszerű kommunikációs modul az MSP-hez, ami RF alapon működik.
A beültetés nekem nem lesz gond, folyasztóval és egy sima 25W-os pákával be tudom rakni ezeket a lábsűrűségű IC-ket. A lényeg hogy akkor tudom majd programozni. Nem szerettem volna ezért pluszba venni egy F5529 LaunchPad-ot. Nekem ez egy afféle fejlesztőeszköz lesz ha elkészül. MSP430F5529 MCU, CC3000 Wi-fi, bluetooth, SD kártya foglalat, 16x2 LCD.... Hamarosan elkészül. Talán majd cikket is írok róla, ha lenne rá igény.
Idézet: „Nem szerettem volna ezért pluszba venni egy F5529 LaunchPad-ot.” Egy kis olvasnivaló (aki érti, majd magyarázza el nekem is!): MSP430f5529 programming with launchpad http://forum.43oh.com/topic/1196-f5529-breakout-dev-board-now-with-pics/ A hozzászólás módosítva: Feb 27, 2014
Nekem azt sikerült kihámoznom hogy gyakorlatilag vagy működik, vagy nem. De javítsatok ki ha nem így van. Elég gyatra az angolom.
Én úgy értelmeztem, hogy az mspdebug esetleg tudja, a CCS pedig nem.
|
Bejelentkezés
Hirdetés |















