Fórum témák
» Több friss téma |
Fórum » Bascom-AVR
A gosub sorosknak nem látszik a cimkéje.....
Üdv!
A 89. sor után hiányzik a 'next"... Legközelebb leírhatnád a hibaüzenetet is.
Sziasztok!
Olyat szeretnék h 12v-ból 47volt kimenő legyen van két (állítólag) 500w-ot bíró kapcs.üzemű trafóm ami eredetileg egy 12/230 as inverterben szolgált. a primer bekőtése: +------+-------+ | | |egyik kapcsolt bemenete | |másik kapcsolt b. |állandó pozitív ha valakinek mond valamit a típusa ei40-b44fs.. Én egy attiny13 al próbálkozok pwm-mel de nem jutottam sehova . A feszt egy osztón keresztül 50/5 osztásba nézi majd a kimenőt és ha kell utána állítana fel/le. Áramot is figyelne és frekvencia hibákat is (hiába van maximumon/minimumon a freki még kellene akkor is leállna) Megoldható ez vagy csak én gondoltam hogy igen. Válaszokat köszönöm előre is!
sziasztok.
Valaki dolgozott-e már Bascom alatt az ACS712 nevü icével? Esetleg tudnak valaki segíteni a működésében?
Én úgy látom, hogy Bascom felöl csak simán analóg feszültséget kell mérni.
Azt értem.De mivel 66mv/A érzékenység van,akkor milyen referencia feszültséget választasz?
Milyen képlettel számoltad az áramerősséget?
Nem használtam, én biztos csak valami referencia műszerrel bekalibrálnám.
A referencia feszültségre meg valaki okosabb majd biztos válaszol.
Sziasztok.
Segítséget szeretnék kérni egy Attiny2313 led villogtató program kiegészítésében. A mellékelt programban az S1, S2, S3 -as nyomógombok használatához, mivel a főprogram futása közben nem használható. Odáig már eljutottam, hogy megszakítással kellene bővíteni, de nem értek a programozáshoz. Ha valaki segítene ezt megoldani megköszönném. Rest
SD kártyára szeretnék írni sok adatot, működne-e úgy a dolog hogy ATMEGA162 használnék de külső 62256 RAM-mal, elvileg lefordult de a hardver még nincs kész.
Illetve mekkora kristályt használhatok? $regfile = "m162def.dat" $crystal = 11059200 $hwstack = 128 $swstack = 64 $framesize = 80 $default xram config xram = enabled $xramstart = &h500 $xramsize = &h8000 $include "config_mmc.bas" $include "CONFIG_AVR-DOS.Bas" $baud = 57600
Megy. Viszont a külső SRAM sebességével vigyázz, én megadnám, hogy lassabb van a chipen.
Mindenesetre ezzel a külső RAM-os megoldással akár ATMEGA8515 tel is kezelhetünk SD kártyát, míg az AVRDOS magas memória igénye miatt külső RAM nélkül csak ATMEGA64.. vagy feletti kontrollerrel oldható meg.
Mellesleg a BASCOM file kezelés szempontjából jobb mint az Arduino.
Pontosítanék:
bascom alatt a mmc.bas illetve az CONFIG_AVR-DOS.bas állományokban konfigurálhatsz: Módosítandók: Const Cfilehandles = 1 'elég 1 file egyszerre, soha nem hazsnálsz 2 nyitott file-t egyszerre. Const Cfatdirsaveatend = 0 'minden fileiras utan azonnal FAT frissites Adatbiztonsag! Dfilesystemstatusfat Alias 0 : Const Dfilesystemstatusfat = 1 ' 0 = FAT16, 1 = FAT32 Kell a FAT32! Így 2K SRAM elég (~1040 byte kell neki). Flash: 4.5k (2K SD + 2.5K DOS) ATMega328, ATMega32, Mega32U4, Mega32U2 chipek is OK. Bascom: ~79EUR, AVRDOS ujabb 79 EUR. Filekezelés: kokeFAT esetén nincs plusz ktsg, csak a Bascom ára. Arduino: GPL/Free
Sziasztok!
Kellene egy kis gyors segítség. Attiny13 chipet prtóbálok életre kelteni de már az idegbaj kerülget. Bascomban programozom de még egy ilyen egyszerű program sem akar elindulni. Valamit talán fusebiteknél rosszul állítok vagy , hwstack framestack nem megfelelő? Proteus leszimulálja, de a chip nem indul sehogysem.
Config Portb = Output
helyett próbáld Config Portb.0 = Output Nem biztos csak tippelek. Do Loop után kell end is. A hozzászólás módosítva: Feb 27, 2015
Stack-ot , egyebeket felezd le.
Tiny13 SRAM: 64 byte. Reset lábad nem marad aktív?
output portb.0 val sem megy de elvileg ez mindegy
Reset lábon 4,8 v Lefeleztem én már mindent kezdem azt hinni rosszak a chipek, de hát mind az 5 ?
Nézd meg hogy a portb.0 láb output-ra vált-e egyáltalán.
Olvastam most a chip adatlapját van benne órajel osztó regiszter, próbáld meg waitms 1 is. A hozzászólás módosítva: Feb 27, 2015
Reménytelen. Port lábakon 300mV körül mérek. Waitms nem segít . Igazából a programban nincs hiba. Ennek menni kellene. Regiszter osztót is állítgattam sehogy se megy. Gondoltam hátha van valmi trükk a bascomban ami miatt ez a chip nem akara működni. stack framestack dolgokkal nem vagyok tiszátban de ott is állítgattam már mindenfelé. De szerintem egy ilyen egyszerű programnak még magasabb értékeken is el kellene menni.
Kapcsold ki a watchdog timert.
Hiába. Volt az kikapcsolva úgy sem indul. A fura ,hogy a gyári fuse bit beállításokkal elvileg el kellene indulni a chipnek. De egysem ment. Most vagy a bascom csinál valamit rosszul, vagy a chipek valóban rosszak . Akadt a kezembe már pár atmega azokkal sosem volt semmi gondom, de ez a chip asszem nem lesz a kedvencem.
$tiny fordítási direktíva?
Melyik Bascom verzió?
Ez a $tiny új nekem . bascom 1.11.98
Bascom fordító kb. 6 éves.
Most 2.0.7.8-nál jár....
Szia. Köszönöm , de sajnos nálam sehogy sem megy. Pedig már mindent megpróbáltam. Még a programozóra gyanakszom, jövő héten talán megjön az új égető még azzal teszek egy próbát ha azzal sem megy akkor mennek a kukába a chipek.
Köszönet mindenkinek aki segíteni próbált.
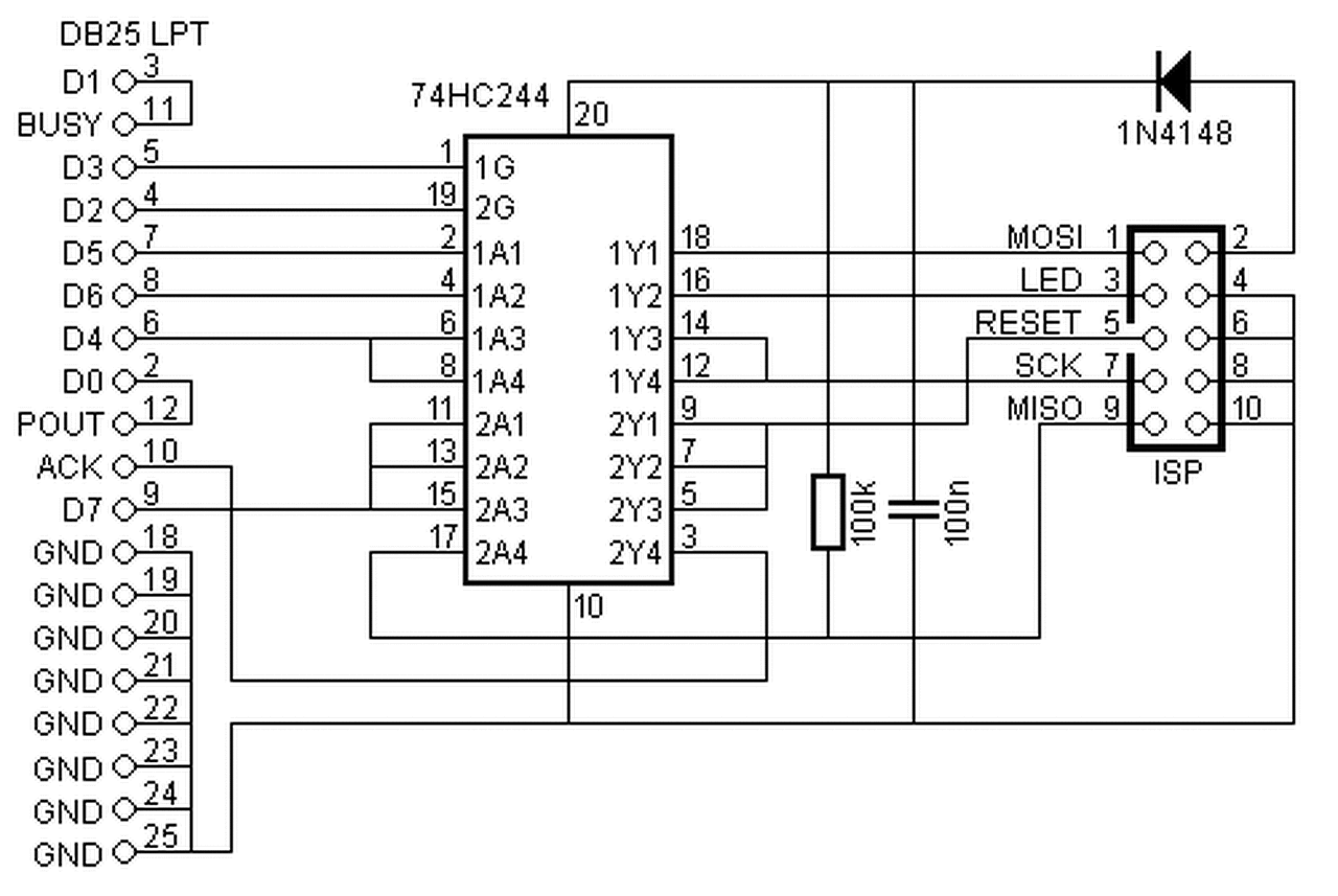
Én egy sima printer portos STK200-at használok évek óta és még sosem hagyott cserben.
Probléma megoldódott. Beszereztem egy frisebb bascom verziót, feltelepít kipróbál örül. Mégsem mennek a kukába a chipek.
Üdvözlet!
Ide írom a problémámat, mert a tavir forum haldoklik, de hátha itt is tudtok nekem segíteni. Adott egy logger program ami teljesen jól működik emulátorban, a mikrovezérlőben, de amint befűzöm az AVRDOS-t, hogy SD kártyát kezeljek, teljesen meghülyül. Akkor is működik a program, de az adatok teljesen mások, a "loggolásnál", mint AVRDOS nélkül. A SD kártya kezelést külön leteszteltem. Írni/olvasni tudom,ez rendben van. A külső kommunikációt viszont teljesen megöli. A portlábak nem keverednek az CONFIG_MMC-ben beállítottakkal. Kódot, most nem tudok felrakni, mert ezen a gépen nincs fent. De bármilyen kis programot kipróbáltam egyszerű nyomógombokkal kapcsolgatva a port lábakat csak addig működött, amíg hozzá nem fűztem az AVRDOS-t. ![]() Köszönöm!
Megoldottam!
A
aktiválja a Mega1284P-ben a PC6, PC7 lábakon lévő "TOSC1", TOSC2"-t. Mivel a PINC-t használom adatfogadásra, így bezavart. De egy
megoldotta a problémát! |
Bejelentkezés
Hirdetés |











