Fórum témák
» Több friss téma |
Fórum » Házilag építhető fémkereső
Sziasztok.
It volna a következő agyament kérdésem. Remélem ez egyszerűbb mint az előző.Valakinek építési leírása v bármi más használható pointerhez? Köszi, B.P.
Sziasztok látom Mateatek tett ide egy pinpointer kapcsolási rajzot , azt szeretném kérdezni menyire használható mert láttam egy kettő gyárit teszt alatt semmit nem ér a garetté jó de irreális ár érte inkább csinálok én is nézegettem egy két rajzot de nem találtam sokat van ennél egyszerűbb? és használható ,nem mintha gondot okozna megcsinálni de nem szeretem az smd dolgokat inkább nem baj ha nagyobb megépítem normál alkatrészekből .
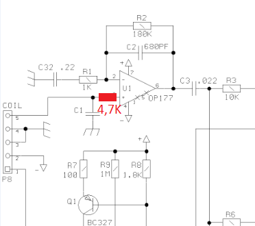
Megépíthető normál alkatrészekből is, az oszcillátorba jó a BC327/337-es páros, a fet helyére BS170, BAV99 helyett pedig jó két 1N4148. MCP602-ből van sima DIP tokos, de szerintem bármelyik duál műveleti erősítő jó helyette ami képes működni 3V alatt. Teszt pedig itt: YOUTUBE LINK Ami szerintem hátránya, hogy dinamikus működésű ami egy pinpointernél nem célszerű.
A hozzászólás módosítva: Márc 1, 2014
Nem értem hogy miért rángatja az emberke az érmét,addig szól amíg elé tartja.
Bővebben: Link
Köszi amúgy jól érzékel alighanem beleteszem az Eagléba és megtervezem norma alakatrészek
kel
Igazad van az elmélettel van egy kis gond.De utánna olvastam a dolgoknak Rádió technika évkönyve 2003 Hobby elektronika füzetek fémkeresők.
Valószínűleg megtaláltam azt a kapcsolási rajzot amiből a korábban tárgyalt IDX kapcsolási rajza született. Ennél már jelöl egy ellenállást a vevőerősítő bemenetén ami az IDX rajzán nincs ott. Viszont azt is hozzá teszi hogy ennek az ellenállásnak az értéke csak a Surfmaster II esetén 270 Ω és a Coinmaster Classic II-III-nál nincs ott (R59=000 CC2/3). Az erősítő pedig LF411.
A hozzászólás módosítva: Márc 2, 2014
Sziasztok ---ez egy érdekes gép http://youtu.be/ZMsEVkXxQy4
Én ezt Bővebben: Link használom (a jó kapcs rajz a következőben van). Kis érmét 2cm körül hoz. A távolság nagyban múlik a tekercs kialakításán. Egy kis papírhengerre kell tekerni, amit a beállításkor lehet toligálni. Nagyon érzékenyt nem szabad csinálni, mert annak nincs értelme, arra ott a gép.
A hozzászólás módosítva: Márc 3, 2014
Korábban írtam, hogy valószínűleg az IDX előfokával egy nagyobb fázistolást hoznak létre. Ez azt jelenti, hogy a legnagyobb erősítés nem ott van, ahol a gép dolgozik. Ez egyrészt növeli a zaj , zavar érzékenységet, másrészt kissebb eltérések is alaktrészekben, frekiben nagyobb fáziseltérést okoznak, ebböl adódnak a problémák. Gondolom, valami fejhez illesztették valaha ilydn módon.
Valóban, gyári koncentrikus Whites fejeket aggatnak rá legtöbben. Nem is nagyon látom DD fejjel, még az utánépítetteket sem.
Sziasztok szép estét , ma megjöttek a 308 asok bele is forrasztottam rákötöttem a tekercset és bekapcsoltam a gépet , egyből működött - igaz még se árnyékolva nincs a tekercs csak blindre összeborítottam, egy régi 20 ft 20 cm érzékelt a frekvenciája kereken 15 Khz ------megpróbáltam a vevő tekercset rákötöttem az adó oldalra az meg 13,5 Khz rezeg a színusz az tökéletes csak a frekó nem mert 14,500 kell működnie --kérdésem az lenne az adóra lehet párhuzamba kondit tenni hogy lehúzzam 15-ról 14,5 re ? --előre is köszönöm a segítséget meg az idáigi infót mindenkinek
Ha frankón működik 15 kHz-en, és nincsen semmilyen dolog, ami gátol téged a 15 kHz-es gép használatában, akkor nyugodtan hagyjad úgy.
Long Range detektor. Egyre terjed, de nem egészen értem a működési elvét. Igen lekötelezne valaki, ha elmagyarázni.
be kell tenni egy fázis szabályzó fokozatot a kapuzójel komparátorai elé, az előfokba meg betenni a normál alkatrészeket és a működési frekire hangolni, szerintem jó gép úgy lenne.
Érdekes főleg az hogy néztem ahogy keresőznek vele, 3-vagy akár több méterről előre lát mellette a földben is és nem akár menyit -kb re behatárolja azt fogja a pálcát gondolom valami blutuszal össze van kötve evvel a fő készülékkel gondolom ez a pinpointere , én láttam olyan vidit róla hogy az ember több mint egy méterről kiszedett vele egy kis érmét --még ki is nevették hogy képes volt ennyit ásni egy érméért --nem semmi gép
Szia Mateatek igaz minden jó idéző jelesen de hiányzik kb 10-13 cm mert papír és videók szerint 30-34 cm nekem egy eurónál nagyobb régi 20 ft ra 20 cm
Ezen a videón egész szép érzékenységet produkál, jó mélyre leásnak. Az elvéről én sem tudok semmit, olyan mintha a föld mágneses mezejének elhajlását mérné, de szerintem azt nem okozhatnák apró fémtárgyak ekkora távolságból mérhető, kijelezhető mértékben.
Ha az IGSL TGSL valamelyikéről van szó, akkor annak elvben mindegy hogy milyen frekin megy. Gyakorlatilag persze nem, a fokozatok fázistolása miatt. Nekem az SMW fejével a maximum 26cm lett az 1Ft-ra, és olyan 31-32cm körül a 20Ft-ra. Kipróbáltam a hétvégén, a közepesen nedves talajból kb. 21cm mélyről tudtam kivenni vele az 1Ft-ot.
Ez egész jó ha azt nézzük hogy az adótekercsen csak 14Vpp jel van, a fej nem hozzá való, ráadásul nagyon ki van egyenlítve, így a vevőerősítő kimenetén is kb. negyede-ötöde akkora jel van csak mint kellene. Nézd meg a potik beállítását, illetve nekem a más fej miatt ki kellett vennem a kondikat a vevőerősítő bemenetéről. Jó nagy oszcillátorjellel és a vevő átalakításával szerintem nagyon jó gépet lehet csinálni ebből. Idézet: „a vevőerősítő kimenetén is kb. negyede-ötöde akkora jel van csak mint kellene.” Erről meghallgatnék valamit, amiből tudok meríteni. Mekkora kellene és miért? Ha szerinted a nagyobb jel jobb, akkor miért nem borítod föl a fej kiegyenlítését egy apró ferrit darabkával? Tehát, ha nagy az ofszet, az nem jó, ha kicsi az offszet, az jó, ha nagyon pici az megint nem jó, majd átfordul a fázis, de még mindig nem jó, növekszik, és jó, majd ha túl nagy lesz megint nem jó?
Sajnos ezt a módosítást most még nem tudnám megcsinálni, várom hogy megérkezzen az irodalom és majd a kellő ismeretek megszerzése után vágok bele.
Annyit viszont már megcsináltam, hogy tettem be egy ellenállást, ahogy írtad korábban és megszüntettem azt a pozitív hurkot és végigmentem szkóppal a panelen, ledokumentáltam hol milyen jel van, ha megfelelően működik minden funkció. Amúgy, köszi a tippeket és a segítségeteket.
Előfordulhat hogy a tgsl nél 30 -cm helyet csak 20 cm tudok belőle kicsikarni az hogy a j 107 fett helyett j 201 van benne
Azt az ellenállást szt. az U1 3.láb,és a test közé kell rakni.
Szombaton leteszteltem a tgsl-t,szinte mindent visszaállítottam gyárira,a sens. poti test helyett negatív tápon van,terepen a kis bronzot 17 centi mélyről látta határozottan vas szűréssel,kb. 30v körüli adójellel köves talajban.
Most feltornáztam 60 voltra az adót,a disken picit kellett variálni,levegőben max. sens,ferritszűréssel és "fogó"szűréssel ez lett a vége,hétvégén megint megy terepre. Bővebben: Link A hozzászólás módosítva: Márc 4, 2014
Én most végeztem vele 16 volt 14.200 Khz adójel 15 Khz volt csak tettem az adó tekercsel párhuzamosan egy 2,2 n kondit így jobb lett igaz még a tekercs nincs kiöntve meg árnyékolva sincs még csak melegragacsal kicsit megcsípettem diszkbe kb 20 cm a régi kicsi egyforintos most már a 20 ft a régit határeseten érzékelte úgy hogy elétettem egy diszperzites vödör földet úgy 35 cm nem tudom hogy ennél a tgsl edunál jó e ez
A hozzászólás módosítva: Márc 4, 2014
Hülye kérdés, de ferrit magot hogy lehet beszerezni?
Elég érdekesen néztek rám az elektronikai boltban, amikor azt kértem ![]() esetleg reszeljek vasat, és valami ragasztóval rakjam egybe henger alakra? már csak az a kérdés, h milyen vas lesz nekem jó (azt tudom h lágyvas, de mégis .... honnan tudom, h az az )Nincs kedvem hetekre napokra mágneshez hozzátenni, és aztán nézegetni, nahh, most mágneses maradt-e v sem ![]() Még egy kérdés. A pointerben a tx és rx tekercseknek milyen elhelyezésben kell lennie ebben a Bővebben: Link ill a köv hozzászólásban szereplő kapcsolásban? Köszi, V. A hozzászólás módosítva: Márc 4, 2014
|
Bejelentkezés
Hirdetés |




mint az előző.










