Fórum témák
» Több friss téma |
Mielőtt kérdezel, a következő két dolgot ellenőrizd!
I. A helyes tápfeszültségek megléte.
II. A kimeneten van-e egyenfeszültség.
Élesztés.
Ha ez a fölött pár mm-t jelent, akkor közönséges vezetékkel is átköthetsz.
Az a probléma, hogy egy bemenetválasztóhoz kell előbb elvinnem a jelet és úgy vissza a PGA-hoz.
Egy ilyen oda-vissza úton, ha szépen egymás mellet futnak a kábelek, nem szokott zaj bejönni, mert kioltás jön létre. Persze itt is meg kéne vizsgálni lehet-e a konverter, a hangerőszabályzó és a bemenetválasztó szorosan egymás mellett. Egy mágnesesen árnyékolt dobozkában (például bontott tuner) elég szabadon lehet kábelezni.
Egy tunerben nem férek el. Valójában csak egy kapcsolóhoz kell elvinnem a jelet a DAC-ból majd vissza a konverter feletti PGA-ba.
A figyelmedbe ajánlom Alkotó ezen hozzászólását.
Nekem toroidom van, azt forgathatom
![]() De azert megpróbálom mozgatni, bár nagyon zsufolt.
Sziasztok!
A mellékelt kapcsolással kapcsolatban lenne szükségem némi segítségre. A problémám az, hogy a kapcsolás a bemenetre kapcsolt szinusz jelnek levágja az alsó félperiódusát. A Q1-es FET (2N5457) Gate-jére hiba nélkül megérkezik a vezérlő jel, de a Drain lábán közvetlenül mérve már hiányzik az alja. (a teteje viszont szépen megvan.) A source lábán nem jelenik meg a vezérlő jel érdemben. Zárlat a föld felé egyik lábbal sem mérhető. FET hibára gyanakodtam, kivettem, és a bemenetet direktbe tettem a Gain potméter egyes lábával, a hiba a következő FET Dain lábán is ugyan így jelentkezett. Tápnak stabilizált 9V-ot kap. 220µF közvetlen szűrés van a panelen. A kapcsolási rajzhoz képest annyi változtatásom van, hogy a 2db 1µF-os kondenzátor sima elektrolit kondi. Ötleteket várok, mire mérjek, hol keressem a hibát? Szerk.: A drain lábaknak elvileg ugye olyan 4,5-4,5 Volton kellene lennie vezérlés nélkül, nekem csak 0,85Volton van. De az összes. A hozzászólás módosítva: Márc 2, 2014
Szia!
Nem lehet ,hogy rosszul ültetted be a feteket? A 2n5457 és a J201 lábkiosztása is szemből nézve (homorú fele néz feléd), balról jobbra Gate, Source, Drain. A kapcsolásnak önmagának működnie kell, itt valami olyan hiba lesz szerintem, amit mindegyik fetnél elkövettél. Első körben a lábkiosztásra gyanakszom. Ellenőrizd szerintem , nézd meg hogy a tranzisztor adott lábának milyen alkatrészre kell kerülnie és , hogy ott is van e valóban! Mérj a gate-eken is feszültségeket, ha nullától jelentősen eltérő lesz (kivéve az utolsót, ott a tápfesz fele lesz kb), akkor ez is valószínűsítheti a "rosszul beültetést"! Szép napot! Zs. A hozzászólás módosítva: Márc 2, 2014
Szia! Néztem a 2N5457 adatlapját, és megrajzoltam egy fokozatot szimulátorban, sajnos ez a FET ilyen, nem működik együtt ezekkel az ellenállásértékekkel. Lehet éppen jól megépítve az áramkör.
A Q8, Q9 miatt erős fenntartásaim támadtak a rajzzal kapcsolatban.
Sziasztok!
Jól vannak beültetve a FET-ek. Megkérdezhetem melyik szimulátorban nézted? LTSpice-ban és Tina-ban kipróbáltam, de egyik sem ezt a végeredményt produkálta nekem. Akkor rendelem a j201-et hozzá, más ötletem nincs. Q8-Q9-es résszel mi a baj? Amúgy azt a részét nem építettem meg, feleslegesnek tartottam, csak a fő áramkör készült el. Köszönöm mindkettőtöknek a választ! A hozzászólás módosítva: Márc 2, 2014
Tina szerint annyi a drain feszültség mint amennyit mértél. A helyes source ellenállás kiválasztása megoldja a problémádat.
A hozzászólás módosítva: Márc 2, 2014
Szia!
Könnyen lehet, én j201 -el szoktam építeni, igaz annak valóban kisebb az Idss-e, tehát kisebb lesz a "nyugalmi árama" is, ezáltal a drain feszültség is magasabban lesz. Nem beszélve ,ha kettő van párhuzamban, akkor tényleg hihető, hogy majd az egész tápfesz leesik rajta. Nem kell eldobni az 5457-et, de akkor át kellene kicsit méretezni. Persze így az erősítés is szerényebb lehet...J201-et kell beletenni, ez van! Jogos a meglátás! Segítek a kollégának az átméretezésben, de nem itt, mert itt már elég OFF! Persze, csak ha igényt tart a segítségemre! Megtetted, nem szóltam! Zs. A hozzászólás módosítva: Márc 2, 2014
Sziasztok! Segítséget szeretnék kérni! Az egyik cimborámnak van egy beteg Blaupunkt MA-5850 erősítője. A "DIRECT"-gombnál bele van gányolva,amint a képeken látszódik.Azt szeretném kérdezni,hogy kapcsoló cserével,normális forrasztásokkal,a sérült,elégett áramkört szallag kábellal áthidalva helyre lehet-e állítani?
Előre is köszönöm a választ!
Sziasztok !
Lenne egy alap elméleti kérdésem: Van egy végfokom mondjuk 30V-os tápról. 3V -os bemenő jelet kap, a bétája 10-es. Változik valami ha mondjuk 30-as bétájúra kicserélem ? Jobban szól, rosszabbul, vagy fölösleges ? Érdemes nagyobb erősítésűt belerakni, vagy teljesen fölösleges, mert a tápfeszültség úgyis behatárolja ? Kösz !
Szia! A béta többnyire mint egy bipoláris tranzisztor kollektor-bázis áram viszony kerül említésre. Ennek magára a végfok jelerősítésére csak szélsőséges esetben van hatása, valamilyen visszacsatolás szokta meghatározni. Kérlek pontosíts ezen a kérdésen!
Akkor a béta az nem a feszültségerősítési tényezője ?
Mint az elektroncsöveknél a "mű" ?
A béta az nem erősítő, hanem tranzisztor jellemző. "Áramerősítési tényező ß˙´ – h21e néven is szokták emlegetni. Az áramerősítési tényező egy szorzószám, amely megmondja, hogy a bázisáram hányszorosa a kollektor és emitter közötti áram."
Esetleg elektroncsőre gondolsz? Bővebben: Link
Helló! Szeretném megjavítani a Philips Fa561 erősítőmet,segítséget szeretnék kérni hozzá.Csak a felső "A" kimeneti rész működik,ha átkapcsolok az előlapi gombal 4 hangfalas üzemmódra (A+B),akkor egyik kimenet sem szól.Mit cseréljek benne,és milyenre?Előre is köszönöm a segítséget!
A hozzászólás módosítva: Márc 2, 2014
Szia!
Szerintem semmit. Négy hangsugárzó esetén, sorosan köti a terheléseket, csak akkor szól, ha 4db hg. van rajta. Próbáld ki négyel, ha úgy sem ok, akkor valóban van valami hibája, de nem hiszem... A hozzászólás módosítva: Márc 2, 2014
Köszönöm szépen a segítséget,tökéletesen működik!!!! 4 db kis teljesítményű magas hangszóróval próbáltam ki!
A hozzászólás módosítva: Márc 2, 2014
Sejtettem, hogy nincs hibája.
Ezzel a megoldással védik, hogy véletlenül sem terheld túl a végfokot, pl. 4db 4 ohm os hangsugárzóval.
Sziasztok!
Egy panel érdekelne engem, hogy lényegében mi ez és tudok-e valamit kezdeni vele? Egy keverőből került ki, a fejhallgató részről. Esetleg egy táp kellene neki, vagy ez így önmagában használhatatlan?
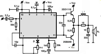
Sziasztok. Van bontott 2darab UPC1270 IC-m. Ebbol nehez lenne osszedobni erositot?
Egy másik érdekes dolgot tapasztaltam ma: a lánc legelejéről (DAC kimenete és a PGA bemenete között) kijövő jelet belevezettem egy kivezérlésjelzőbe árnyékolt kábellel. A kábel árnyékolásának mindkét végét rákötöttem a GND-re. A kivezérlésjelző tápfeszültségét pedig a lánc legutolsó (PGA utáni fejhallgató-erősítő) fokozatának a tápjáról vettem. (+12V) Így egy jó kis hurkot hoztam létre a GND ágon. Mégsem búg tőle egy kicsit sem. Viszont ha a kivezérlésjelző bemenetén az árnyékolást a kábel egyik végén megszakítom, hogy ne legyen hurok, el kezd búgni.
Sziasztok. Itt lenne a UPC1270 ic kapcsolási rajza. Mukodoképes?
Inkább az adatlapján lévő ajánlott kapcsolást építsd meg szerintem.
Itt az adatlap. A 11. oldalon találod, utána meg egy komplett erősítő rajzot is találsz.
Egy hurok arra is képes, hogy két pontja között épp kioltás jöjjön létre a zavaró jel szempontjából
Szia! Úgy néz ki a forrasztási oldal alapján, hogy két-két párhuzamos műveleti erősítő van benne. Működnie kéne.
Ejjha de bonyolult. Hány wattos ez?
Hmm... a 10. oldalt akartam írni, ott van maga a végfok.
A 11. oldalon koppanásgátló áramkörrel együtt van. A 11. oldal tetején a táblázatban van, hogy mekkora teljesítményt tud leadni, attól függően, hogy milyen végtranzisztorok vannak benne. |
Bejelentkezés
Hirdetés |








Megtetted, nem szóltam! 













