Fórum témák
» Több friss téma |
Ha jó a dinamó, kellemesen "szétdisszipálja" magát az analóg szabi
Oké köszi! A fesszabályzó már meg van, egy robogóból lett kibontva. Persze küldhetsz nyugottan, sokat segítene, főleg mint mondtad azt használod te is.
Szia! Ez az, értelemszerűen módosítható, és mindig van tartalék alkatrész hozzá.
Helló!
A fesz szabályzó jól működik az értékeket amiket írtam a világítás tekercsről feljövő vezetéken mértem amit kiszedtem a fesz szabályzó stekkeréből a feketével bekarikázott vezeték.
Sziasztok! Segítségre volna szükségem annak eldöntésében, hogy a két simi kapcsolási rajz közül az ELBA típusú fesszabályzó és index relés egységűhöz nem kell-e beszerezni egy EWR-es egységet is ha nem halogénes a világítás a motoron, mert hiányos a motor ezen része de 12V-os és elektronikus gyújtású. Gondolom elég beletenni egy Graetz-et és a megfelelő módon bekötni a rendszerbe és remélhetőleg működni fog?
Helló! Ha jól értelmezem, akkor kihúztad, és úgy mértél rá, vagy pedig volt valamely terhelés is rajta. Már csak a 32 V miatt kérdezem, mert az nagyon sok, már régen le kellett volna szabályozni a vezérlőnek. Mind úgy működik, hogy ráterhel a tekercs váltóáramú részére egy-egy tirisztorral ( jellemzően tirisztorral ) amit a regulátor szabályoz. Azon a rajzon is így van amit erre a lapra küldtem. Ez egy atom stabil, nagyon jó regulátor, többszörösen után építettem és mind kiválóan működött. A tirisztortól függően minden motortípusba be lehet építeni, amiben lendkerék van. Tettem már 400-as Kawába is, Amica mopedautóba is, nem győzött a gazdája hálálkodni.( 20-30 ezerért akarnak adni ilyesmit - nevetséges)
A te motorodba a led lámpához elég egy stab. kocka is 7812 pl. 1.5 A-nál ahol működne a rövidzár védelem, annyit nem fogyaszt az a led, amit beleraktál. Az a lényeg hogy a led állandó feszültségről menjen, ne kapjon se többet, se kevesebbet. üdv R.
Szia!
Graetz egyenirányítót nem tudsz rákötni csak úgy egyszerűen, mert a világítás, meg a töltéstekercseknek az egyik végük a testen van. És ott a bibi, a Graetznek a negatívja is testen kell hogy legyen. Csak egyutas egyenirányítót használhatsz, de akkor nem lesz valami káprázatos a fényerőd . Milyen a lendkereked? Eredeti még?
Szia! Akkor valamit nem értek a dologban. Az "S51-1C1" rajzon két fesszabályzó van és ebből az ELBA a kürtöt és a féklámpát látja el az EWR-ben lévő pedig a fényszórót, abból is a halogénes fajtát. Az EWR-es egységben a Graetz egy külön álló része az egésznek, mint az első rajzon az "S51-1B" bekötésében. Azt kérdeztem volna, hogy az EWR-es részt nélkülözhettem volna-e, mert nincs halogén világításra szükség és a többi elektromos rész az eredeti a motoron csak ez a rész hiányzik róla (kb. 10eFt). Megoldható-e így vagy muszáj beszerezni az EWR-t. Én csak gondoltam, hogy az ELBA fesszabályzó része is el tudja látni az akku töltését a Graetz áramterhelhetősége pedig az áramellátáshoz lenne igazítva.
Az EWR a töltésről gondoskodna, de drága, nem kicsit, és még a régi DDR alkatrészek vannak benne. Szerintem ne vegyél ilyet bele. Az meg, hogy milyen töltést szeretnél a Simire, csak a lendkerék kérdése túlnyomó részt. nekem elhiheted, mert vagy 20 éve Simivel járkálok, de meguntam a pislogó gyenge lámpákat, úgyhogy kínai lendkerék, Simson aggyal átszegecselve, 2 db egyforma tekercs a töltésnek a fentebbi rajzzal párosítva, 7 Ah zselés akksi, inverteres gyújtás, és kész. nagyjából ennyi, még soha semmi nem ment tönkre, csak az akkut kellett 4-5 évente cserélni. Mondjuk csak egyszer cseréltem. Hátsó lámpának meg egy jó erős ledes világít, a féklámpa maradt eredeti 21 W. Megcsinálhatnám 3 tekercsesre is, de már a kettő is szabályzó nélkül 3-ad gázon kiégeti a 45W-os izzót. Én a helyedben ugyanezt csinálnám, nem vennék ilyen drága dolgokat, amik már alapban is túlvariáltak. De annyit már tanultak a németek is, hogy legalább ezeknél már nem testre kötik a tekercsek végeit.
üdv R.
Na mégegyszer
nekem olyan kellene a feljebb belinkelt gilera runner világításához ami max. 50-60v váltóból 12-13v egyent csinál de az alapjárati kb. 11v se csökkenjen, az összes led kb 0,5-1A veszfel. A hozzászólás módosítva: Márc 25, 2014
Szia Patrol!
Erre írtam neked, hogy tegyél közvetlenül a lámpádba egy 12 V-os stabilizátort. miért kell az 50-60 V váltóból csinálnod 12-13V egyent? Nincs akkumulátor a motorodban? A 12 V-os stabilizátor garantálja a felső határt a 12 V-ot (és 1,5 A-t) Ha nincs akksi a gépedben, akkor elég nehézkes lesz megépíteni ezt :S.
Szia!
van akkumulátor a motoron de ha megnézed fent a kapcsolási rajzot két külön kör van az egyik az egyen fesz kör : töltés, féklámpa, index nem tudom hogy ez akör elbírná-e ha az összes világítást is rátenném a másik a világítás kör :váltó fesz. Ha a fesz szabályzó után mérem a világítási kört akkor 11-13v ha kihúzom a fesz szabályzóból a világítás tekercstől feljövő szálat akkor szabályzatlan 11-60v. Az a gondom ha simán berakom a 35W sima izzó helyére a ledes izzót alapjáraton 11v-nál jó de ha odahúzom akkor kialszik (gondolom a váltó fesz miatt) de a feszültség mégis megmarad kb.13v
Néztem a kapcsolást, csináld azt, hogy beleteszel egy Graetz patront + 1000 mfd kondi+stab kocka. Váltóáramot nem szereti egyik led sem, villognak tőle, és ez látszik is. Pl. 50 Hz es váltóáramra kötsz ledet, észrevehető a "stoboszkópikus" hatás. Okvetlenül egyenirányítsd az ott levő feszültséget, és stabilizáld is. Egy darabig így működött az én motorom is, a hátsó lámpa még úgy is maradt, mert lusta voltam újra vezetékelni. Az a lényeg hogy azt add meg a ledes lámpának ami kell, ne váltóáramot, ráadásul még változó formában. Ezek a ledek áramra vannak méretezve gyárilag, akkora a hűtőfelületük is. ha túlléped gyorsan tönkremennek, ráadásul addig se használhatod normálisan.
Szia! Eddig úgy néz ki a dolog, hogy sikerült átkötni a kapcsolást EWR nélkül ELBA-ra és így is működik. Az EWR-ben lévő Graezt helyett BY 125/100 egyenirányítót kapott, amivel meg lett táplálva a simi hálózata és az ELBA fesszabályzója végzi is a dolgát. A gazdi nem mondta, hogy nincs megelégedve a fényerővel.
A hozzászólás módosítva: Márc 27, 2014
Szia Reuter
Köszi a segítséget de a graetz híd biztos hogy jó megoldás? a másik kérdezőnek azt írtad nem jó a graetz híd mert a világítás tekercs testelt azért kérdezem mert nálam is olyan.
Üdv!
Ha nem halogénes a lámpa, akkor az EWR egység nem kell. Természetesen ha eredeti a tekercs és a lámpa. Ekkor csak egy graetz kell az ELBA elé, ahogy a rajz is mutatja. Az ELBA-ban van az indexrelé és a töltés áramköre.
Most látom a későbbi üzenetet. Az ELBA-nak és a graetz nek semmi köze a világításhoz. A világítás szabályzója az EWR-ben lévő tranyzisztoros/tirisztoros áramkör (59-es és 31c pont), ami csak a halogénhez kell. A benne lévő graetz már az ELBA-nak a "része". Ha ezt csak egy diódával helyettesíted, akkor a féklámpa fénye lesz gyengébb - félhullámú egyenirányítás és az akku töltése is emiatt kisebb lesz. (nem a feszültség, hanem az áram) Ettől függetlenül működhet.
Ezeknél a simsonoknál az a gond, hogy nem tudhatod eredeti állapotban van-e? Pl. eredeti-e a világítástekercs? Gyárilag 35W-os volt, nem 25W-os a fényszóró? A sok fiatal szereti cserélgetni a nagyobb fény reményében és általában csak rosszabb lesz a helyzet. Csak utólag nem tudod a benne lévő tekercs teljesítményét. Nekem volt régen B50-es és utána 51-es Enduro. Az B50-es még 6V-os volt 25W-os fényszóróval. Abban a 15W-os izzó kiégett, a 35-ös pedig alig pislákolt. Az Enduro 51-esnek halogén 35W-os lámpája volt. Az tökéletes volt, épp csak alapjáraton volt gyengébb. A hozzászólás módosítva: Márc 27, 2014
Fel kellene szedned a testpontot a tekercsnél, és kihozni a lámpához. Úgy betenni a Graetz patront. Ja igazad van ezt még nem írtam oda. De csak így tudod megcsinálni ledre, ebben a felállásban. Nekem a hátsó lámpám ledes, de ott csak elég volt egy soros dióda+patron, meg egy 1000 mikrós kondi. Itt azért nem jó ez, mert ide nagyobb áramra van szükséged a fényszóróhoz. Ezért kell kétutas egyenirányítás is, és a testpont megszüntetése nélkül nem megy.
üdv R.
Sziasztok. Olyan problémám van,hogy van egy Honda Bali 50 köbcentis robogó. Első probléma kiverte a világítás izzókat. feszkóra rámértem és max terhelésen 50 voltot adott ki. Akkumulátorra 30 voltot küldött. Valószínű meg is főtt ! gondoltam egy fesszabályzó cserével meglehet oldani a dolgot de sajna az új szabályzóval sem lett sokkal jobb a helyzet.
Valakinek lenne valami ötlete,hogy mi lehet a gond ?
A gond az akkumulátorod. Ha egy akku jó, akkor nem engedi fel a feszültséget semmiképp 30 voltra, mivel egy jó akkunak igen kis belső ellenállása van, ami alapban megakadályozza az ilyen magas értékű töltést. Ha viszont régi, elöregedett, vagy kiszáradt akkuról beszélünk, akkor lehet 30 V, még egy ilyen kis robogónál is a töltőfeszültség. nézd meg az akkut, hogy van e elegendő elektrolit benne. Ha ólomzselés, tehát gondozásmentes, akkor azonnal lehet másikat venni, ha savas, akkor még van esélyed után
tölteni. Az izzókat is a töltés miatt veri ki, mivel az akkutöltés nem szól bele a terhelésbe, így akár egyen,- akár váltóáramról megy a világítás, mindenképp "megszalad". Amint jó akksi kerül a gépbe, helyreáll a rend.
Tisztelt Reuter !
Megfogadtam a tanácsod,kapott másik akkumlátort. Mondjuk autóét kicsit, sajna sokkal jobb nem lett a helyzet , most akksira max terhelésen 18 volt környéke a töltés. Világítást pedig felviszi 27 - 28 voltra. Nagyon határon világít . Mint egy1000 wattos reflektor . Régi akksit beletettem egy olasz Malagutiba ott teljesen jó minden! Tehát az akksi jónak tűnik.
Nagy valószínűséggel tönkrement a feszültségszabályzó, így aztán annyit "nyom" a világításra, és az akkutöltésre, amennyit a tekercsek bírnak...
Cseréld mihamarabb.
Probléma abban van ,hogy az új fesszabályzóval is ugyanez a helyzet !
Nem lehet hogy a tekercsekkel van a gond ? Mennyi váltó áramot kellene maxba kiadni a tekercseknek ?
Tuti biztos, hogy a belevaló szabályzót vetted meg?
Sajna igen belevaló. Ezt dobta hozzá a gép, de bontottal is ugyanezt csinálja !
Üdv
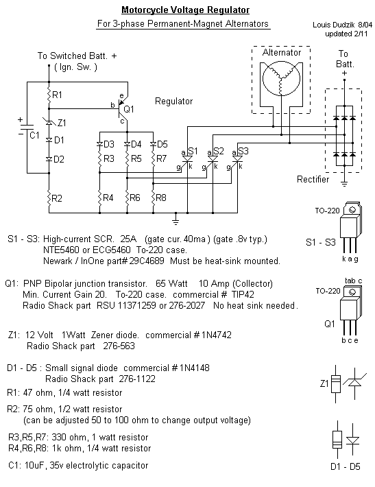
Helló! A mellékelt ábra szerint akkor jó a szabályzó bekötése? Köszi!
Köszönöm a segítséget mindenkinek !
Hali!
Igen, így egész biztosan jó lenne, ha minden ép a szabályzó belsejében. Éppen az a lényege a töltés szabályzásnak, hogy a váltóáramú kimenetet terhelik egy tirisztorral vagy több tirisztorral, amit a referencia áramkör vezérel. Ez a bekötés így jó. |
Bejelentkezés
Hirdetés |












