Fórum témák
» Több friss téma |
Tyűűű
Nem gondoltam, hogy ez ennyi embernek gond. Hátha adok jó ötletet, leírom, hogy én hogy oldottam meg. Én abból indultam ki, hogy egy H4-es bi-xenon izzónak elég 35 watt. Kivéve persze az induláskor. Be is építettem egy szokásostól nagyobb nagymotor aksit 12V 14 Ah. Úgy gondoltam, hogyha egy 1200 ccm-es nagymocit be bír indítani, akkor nekem is kibírja a xenon gyújtóáramát. A töltését úgy oldottam meg, hogy kihajítottam a régi 6 Volt-os tekercseket (kivéve gyújtót). És két 12 V-os töltő tekercset szereltem be. Ezek kaptak egy-egy elektronikus feszültségszabályzót és töltik a nagy aksit (párhuzamosan). Ezután minden fogyasztót az aksira kötöttem. Majd hogy tuti elég legyen a töltés, a xenon-on kívül az összes izzót lecseréltem ledesre. Az index nem volt egyszerű, mert ott egy elektromos indexrelé is kellett. Így a xenon-on kívül a többi eszköz fogyasztása bagatell (kivéve a kürt, de azt nem nyomom állandóan). Így tuti lett a rendszer. Egy igazi gondja van. Mikor a végén összedobtam a teljes költségvetést, hát magam is majd le estem a székről. Az asszony azóta sem tudja (megölne). De csak ízelítőnek: 1 db bixenon szett, 1 db 12 V 14 Ah aksi, 2 db 12 V-os töltő tekercs, 2 db elektronikus fesszab, 1 db elektronikus index relé, 1 db 21/5 wattos-nak megfelelő ledes izzó, 4 db sárga leses izzó az indexekbe, 1 db fehér ledes előre a helyzetjelzőbe, 4 db fehér kicsi ledes a műszerfalba (megvilágítás, üresjelző, index visszajelző. és fényszóró visszajelző). Hát igen, ennyiért lehet másik Simsont venni. Viszont poén az éber őrök reakciója: "a xenonozás tiltott átalakítás, bevonom a forgalmit és a rendszámot". Nem pont így szoktak fogalmazni, de ez a lényeg. Én meg szoktam kérdezni, hogy segédmocin? Mégis hogyan? Szokott ám tanakodás lenni Volt, hogy 5-en álltak körbe, aztán arra jutottak, hogy az erről szóló törvényrendeletben nincs segédmotor, vagy moped feltüntetve, csak motorkerékpár és gépjármű. Ez pedig nem az... Azért korrekten nem állítottam az egekbe, szépen, normálisan van beállítva. Nem hivalkodni akartam, hanem látni, ja és 3000 Kelvines sárgás xenon-t vetten, hogy ne bosszantsak senkit a kékeléssel. Sziasztok
Üdv!
Azt szeretném kérdezni hogy én evvellink tudom tölteni az aksit is?
Nem, mert ez egy EWR. Ebben van egy Graezt híd, ami az ELBA (feszültségszabályzó + indexrelé) számára egyenirányítja a töltőtekercs feszültségét, illetve a világítás számára van még benne egy korlátozó áramkör. Tehát akkutöltésre (önmagában) nem alkalmas!
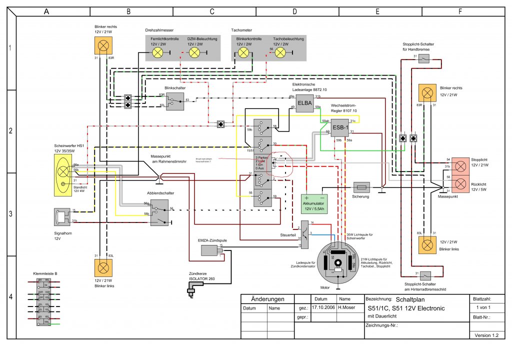
Üdv!
Az szeretném kérdezni hogy a mellékelt képen a meg jelőlt dolgokat melyik pontra kössem ?
A gyújtáskapcsoló hátán lévő hármas összekötőre. Ez a kapcsolótól függetlenül kialakított rész, nincs galvanikus kapcsolatban vele.
Tehát akkor arra kell kössem amit a képen megjelőltem ?
Vár benneteket a Simson Klub
Köszi, de én kiábrándultam abból a társaságból.
Én azt szeretem ott hogy mindenki ért ott mindenhez azt fele nem igaz
Aztán ha kijavítottad őket, akkor meg lelettél hülyézve. Hagyjuk, nem ide tartozik a téma!
Hát nem de köszi a választ sokat segített.
Üdvözletem mindenkinek!
Mint a téma címében szerepel a Simsonom világítását szeretném erősebbé tenni. A gyári 6V 25W-os fénytekercsem van. Ehelyett szeretnék tekerni egy 12V/35W-osat. A kérdésem az, hogy gyárilag a 12V/35W-os tekercs milyen menetszámú és keresztmetszetű vezetékből van tekerve? A 6V 25W-os tekercs menetszámából és huzalátmérőjéből ki lehetne következtetni, hogy a 12V/35W-hoz mennyi kell? Az első oldalon találtam egy hasonló jellegű hozzászólást, de ott a menetszám elég hasra ütés szerűnek tűnik: "1mm-es huzallal, ha feltekersz kb 180-190 menetet, akkor kb jó lesz (persze függ a vasmagod keresztmetszetétől is a kivehető teljesítmény)." Utángyártott, kisipari tekercset nem fogok venni, mert a minősége nem felel meg az igényeimnek (és drágább is, mintha egy régi vasmagra tekernék újat). Az is érdekelne, hogy az egyes paraméterek mit határoznak meg. Azt tudom, hogy a feszültséget a menetszám határozza meg. A teljesítményt mi határozza meg? (Olyat olvastam, hogy a vasmag keresztmetszete, de azt nem értem, hogy ez, hogy jön ki. Mivel a 25W-os fénytekercsek és a 35W-psaké megegyezik.) A vezeték átmérője mit határoz meg?
Szia!
Azért lesz nagyobb a teljesítményed, mert nagyobb feszültséget használsz.
Sziasztok. Látom itt is vannak simsonosok. Nekem is van egy 51es. Gyári megszakítós gyújtással. A gondom az hogy kevés a fény. A tekercs vasmag átmérője 14mm a drót 0,8mm es. Erre egy 12V 35W-os izzó van kötve de közel sem adja le a valós fényét. Ha az akkura kapcsolom az említett izzót sokkal jobban világít mint generátorról (12v-os akkum van) A töltés az kielégítő a féklámpa árama is elég gyenge de van. A hátsó lámpa akkuról megy így csak a 35W első van rajta a világító tekercsen. A gyújtás is erős mert elég kézzel oda vissza fordtanom a lendkereket a megszakító nyitásánál és már húzza is az ívet a gyertyán.
Mi lehet a gond?
Öregek már a lendkeréken lévő mágnesek, kisebb az indukció.. Tegyél rá egy újat (ha lehet még kapni), és jó lesz.
Én is ilyenre tippelek. Ma kicsit próbálkoztam méregettem. A 12V35/35W-os izzóval 5500 fordulaton 10,5V van az izzón. Egy 12V20W-os izzóval 4500-5000 nél visszaszabályoz az ewr. A 12V 60W-osra 6V jutott 6E fordulaton.
Akkor valószínű egy új lendekrék megoldja a dolgot? Csak mert szeretnék biztosra menni mert nem két forintról van szó.
Egyrészt az évek során a mágneseken kívül nem változott semmi (a vas vas maradt, és a tekercs sem lett rövidebb). Másrészt az enyémnek ugyanez volt a baja, egy másik lendkerékkel megjavult. Egy ismerősömé szintén kapott új lendkereket, utána nagy fordulaton ki is égetett néhány izzót. De kérj esetleg kölcsön egy olyan lendkereket ami biztosan jó és akkor kiderül.
Helyben 3e-ért delejeznek így csütörtökön viszem hozzájuk péntekre kész. Havernak CDI van . Próbáltam szerezni egy másikat próbára de sikertelenül.
Üdv!
Azt szeretném kérdezni hogy ez alapján Bővebben: Link ha ugyanerre a vasmagra mondjuk 1-1,2-es drótból tekerek fel ugyanennyi menetszámot a feszültség változik vagy teljesítmény nő meg,vagy a feszültség is esik? Igazából neten trafó számításról találtam képletet csak, de szeretnék kísérletezni és kivenni a tekercsből akkora teljesítményt amit csak kibírhat a mag Minden segítő hozzászólás szívesen fogadok
Ha ugyanennyi rezet tekersz rá, akkor jelentős teljesítény változást nem fogsz elérni (legfeljebb más paramétereket kapsz feszültség, ohmos ellenállás, induktivitás).
Ha annyi rezet tekersz fel, amennyi fizikailag elfér (és az több mint az eredeti) akkor némileg növelheted a teljesítményt (kb azonos arányban azzal, mint amennyivel több lett a réz). De hogy mekkora huzallal, az már kicsit komolyabb kérdés, méréseket és számításokat igényel. A hozzászólás módosítva: Ápr 20, 2014
Nincs erre némi képlet ? Trafót méreteztem már de ez csak tekercs ezért nem tudom mivel merjek számolni?!
Mi a cél?
Mekkora fordulaton legyen, mekkora feszültség, milyen fogyasztó mellett? Vagy csak az elvi része erdekel? A hozzászólás módosítva: Ápr 20, 2014
A cél kb 42 watt vagy több az egyenirányítási veszteség miatt, ugyanis töltéshez kéne, Ugy gondolom ha a 70 wattot akár két tekercsről nem érem el 30 Wattos halogén elől hátul led-ek,ha elérem akkor 60 wattos halogén elől.Azért szeretném kiszámolni hogy átlag 4-5000-en már leadjon akár (ezt csak olvastam és nehezen hiszem el 60 watt egy vasmagból)
A hozzászólás módosítva: Ápr 20, 2014
Sima egyszerű egyenirányítással teljesen reménytelen!
Egyenirányítva pufferelve talán még a fele telejsítményét sem fogja tudni annak mint, amit sima ohmos terhelésre leadhatna. Ha a fényerő növelése a fő cél, akkor használj ledeket, 500 forintér már kapsz 10W-os ledeket itt az apróban is! Ha 9-10V-os típust választasz, akkor egyszerű elektronikával megúszod, cserébe jó sok mechanikai módosítást kell csinálnod (nem feltétlen kell a hagyományos lámpabúra meg a foncsor, FONTOS hogy szemből ne vakíts!). (kiváncsiságból én is kipróbáltam, 1db 10W-os jobban világít, mint a simsonom alap fénye elöl). Szóval 5000 fordulaton meg kell határozni, hogy mennyi menet kell a kívánt feszültséghez (az összes feszültség eséssel), majd kisaccolni, hogy mekkora huzallal lehet éppen telitekerni az adott menetszámmal a vasat. Menetszám meghatározasa lehet pl úgy, hogy 5000 fordulatnál megméred terheletlenül az eredeti tekercs feszültségét, majd leszámolod, hogy hány menet volt rá feltekerve. Arányosítással kiszámolod, hogy 15V-hoz mennyi kell (legalább 15V (effektív) kell kb minden veszteséggel együtt), aztán a vason rendelkezésreálló tekercstér keresztmetszetét visszaosztod a kiszámolt menetszámmal és az eredményt csökkented kb 20%-kal, majd az ehez közel eső szabványos keresztmetszetű zománchuzallal megtekered. Figyelsz, hogy ne csinálj rövidzármeneteket a vas sarkain az első sorban, én nem közösíteném a tekercs egyik végét sem a testtel, felviném mindkettőt a kötődobozba.
Ez alapvető
De ennyit nem nagyon saccolok inkább meg számolok mert drága mulatság sajnos a tekercselő huzal is de majd veszek egy világítótekercset azt test függetlenítem és graetz híddal egyenirányítom utána párhuzamosítok és megy a feszültség szabályozóba , A ledeken már gondolkoztam én is előre de ha a fókuszpontot nem találom el valóban csak vakítok de semmit nem látok Maradok Ennél régi motoron is megvolt csak ugye a 30Watt halogénnel így még hatékonyabb lesz a töltés mint az 55 Wattal Azért köszönöm az eszmecserét egyszer még lehet neki ülök a tekercselésnek is
Igaz nekem robogóm van,de elöl 35W-os halogént egy 3W!!!-os ledlámpával felülmúlom teljesítményben...Kipróbáltam,nem a levegőbe beszélek!
Ha én teljesítményt akarok növelni,akkor ledet fogok használni. Sajnos nekem is kellene javítanom a világításon,mert siralmas a teljesítménye ![]() Bár az is lehet,hogy 25W-os halogén is elég lenne előre,azt még nem próbáltam ki. Sokszor lehet megoldás a kisebb teljesítményű ízzó is! |
Bejelentkezés
Hirdetés |




Volt, hogy 5-en álltak körbe, aztán arra jutottak, hogy az erről szóló törvényrendeletben nincs segédmotor, vagy moped feltüntetve, csak motorkerékpár és gépjármű. Ez pedig nem az... Azért korrekten nem állítottam az egekbe, szépen, normálisan van beállítva. Nem hivalkodni akartam, hanem látni, ja és 3000 Kelvines sárgás xenon-t vetten, hogy ne bosszantsak senkit a kékeléssel. Sziasztok 


) 