Fórum témák
» Több friss téma |
A kérdésed kicsit értelmetlen. Igyekszem kicsit elmagyarázni a dolgokat.
A szekunderen látsz 4 opampot/komparátort. Az egyik értelemszerűen figyeli az áramot a 0,15 Ohmos söntön. A bal alsó pedig a feszültséget figyeli. Ez a kettő vezérli lényegében az optót és így a PWM jelet. Mivel ez egy flyback táp, ezért CCM módban (ez itt közepes és nagy terhelések esetén van szerintem) a szekunder feszültség a primer feszültség és a kitöltési tényező egyértelmű függvénye. Kis terhelések esetén függ a terheléstől. A vezérlés úgy működhet, hogy gondolom nem engedi az áramot egy bizonyos érték fölé vinni (akksi túlmelegedése) és nem engedi a feszültséget egy bizonyos érték fölé vinni (akksiban mellékreakciók). Az hogy 52V van a kimeneten 54,5V helyett, az így valószínűleg azért van, mert a rárakott akksi elég merült állapotban van, és a max áramot (lásd opamp és sönt) már ezen a feszültségen is rányomja az akksira. Szóval ekkor a táp áramkorlátolt módban megy (vagy áramgenerátor módban).
Hozzáteszem még, mert a kérdésed alapján nem biztos, hogy teljesen tiszta lesz..
Az opamp 3. lába és a negatív közötti 2 párhuzamos ellenállással állíthatod be a kimenőfeszt.. A többit lorylaci leírta. Azt nem látom, milyen az IC típusa.. hacsak nem 60 voltos, nem ártana egy ellenállás -zener komplexum a 4-es lábra... ( pl. az LM324 csak 32 voltos..). Egy soros ellenállás nem az igazi.. ![]()
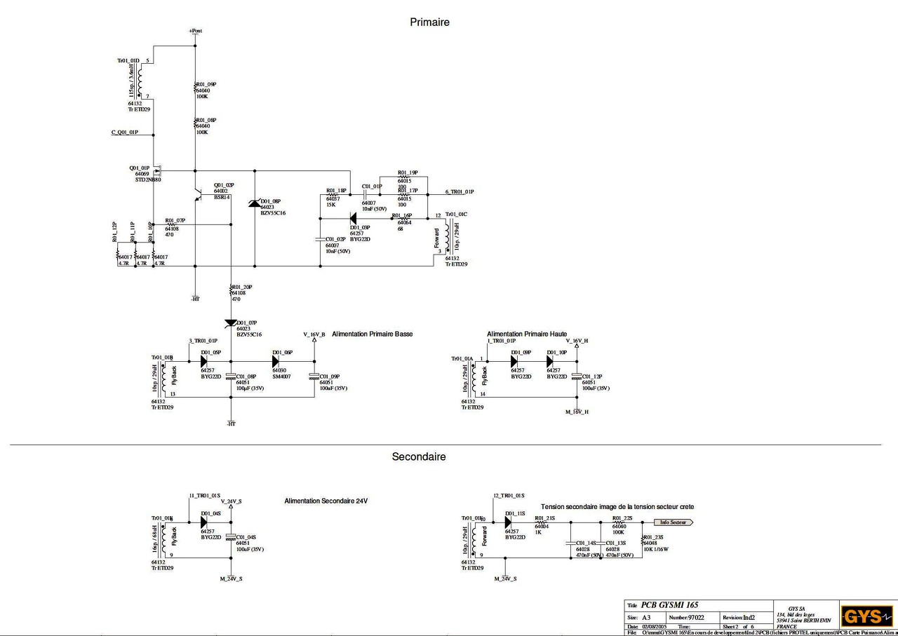
Hello! Köszönöm a magyarázatot! Az 52Voltot is,és az 54.5 Voltot is üresjáratban próbáltam(akksik nélkül). És nem tudom mitől változhat? Miért nem állandó? Az IC LM324 -es.Ha rákapcsolom az akksikat (amik jók),akkor melegszik az NTC a priméren,és kb.1 perc után elkezd valami sisteregni,a töltőáram rohamosan csökken,és kikapcsolom,mert nem akarom hogy kinyírjon valamit még rajta. 54.5 Voltot kellene aksi nélkül hogy leadjon a szekunder,és akksival 1.6 Amperrel kellene hogy töltsön. Igy pedig 52 Volt van,és a töltőáram is csak 0.8 Amper,és még túlmelegedés ois van az NTC-n. Az NTC hogyan múködik?Mi a szerepe itt?
Hogy ebben a kapcsolásban mi az NTC szerepe azt nem tudni, merthogy nincs olyan a rajzon. A működésének lényege benne van a nevében is (negative temperature coefficient), szóval olyan ellenállás aminek az ellenállása a hőmérséklet függvényében változik, mivel negatív, ezért negatív irányban (a PTC-nek vagy PTK-nak fordítva). Tehát ha melegszik, akkor csökken az ellenállása. Melegedni pedig azért melegszik, mert a rajta átfolyó áram hővé alakul az adott ellenálláson (disszipáció).
Valami ott a vezérléssel (szabályozással) nincs rendben szerintem. Nézd át az összes diódát, amelyik kicsit is gyanús azt cseréld ki még akkor is ha egyébként jónak tűnik.
Köszönöm a választ! Az NTC a gretz előtt van,csak lemaradt. Tehát akkor ha melegszik a rajta átfolyó áram hatására,és csökken az ellenállása,akkor még több áram folyik át rajta,amitől még jobban melegedni fog nem? De ezáltal tönkre megy. Ezt nem értem.
Olvasd el újra amit leírtam (sejtettem hogy az NTC ott van, csak jó volt belekötni az írásba a ténnyel, miszerint a rajzon nincs olyan
![]() Attól hogy csökken az ellenállása nem folyik rajta nagyobb áram, mert az átfolyó áramot nem az NTC határozza meg, hanem az utána lévő áramkör. Ha ez az NTC-n múlna akkor nem sokáig működne. Ezeken a helyeken 4-15ohm körüli értékűek vannak beépítve. Nem nehéz kiszámolni hogy mekkora áram folyna ott ha rákapcsolunk 300V DC-t. Ezeknek egyetlen szerepük van a primer körben, és ez a "lágyindítás". A bekapcsolás pillanatában a táp puffere töltetlen. Ha erre egyből rákapcsolnánk a feszültséget az (kapacitástól függően) brutális töltőáramot venne fel kezdetben, tehát úgymond "rövidzárként" viselkedne a kondi. Egy kisebb tápban amelyikben kicsi értékű elkó van (1-2uF) ez nem akkora gond (pl. telefon töltő), de ahol több száz vagy több ezer uF, ott ez az induló töltőáram akkora, hogy kiolvadna tőle a primer biztosíték. Ezért van beletéve az NTC, hogy ezt az induló áramot csökkentse. Az külön jó hogy melegedve csökken az ellenállása, mert így a működő áramkörben már kevesebb veszteség lesz rajta (a lecsökkent ellenállása miatt kevesebb disszipációja lesz az adott teljesítményfelvételű áramkör esetén).
Nem ártana, ha leírnád azt is, egyáltalán hány voltos az aksi.
Ha lecsökken a töltőáram 0.8 amperre, az is lehet, hogy már nagy a belső ellenállása és gyorsan nő a kapocsfesz, aztán beáll egy olyan állapot, hogy 1.6 amper már nem tud belemenni a feszkülönbség miatt. Mennyi olyankor a kapocsfesz? Az, hogy mi sistereg, neked kéne megnézni.. lehet a trafó is. utánépített cucc vagy miféle? Az NTC kicsit melegedhet üzem közben, mert kb. 40 watt kb. a szekunder és + a hatásfok miatt 0.3 amper is átmehet rajta és ha nagyobb ohmos, az I x U miatt watt is van rajta... ![]()
1., A kapcsrajzod szerint se igaz valami... töltés közben a rajzon megadott 0.15 ohm-on, 1.6 ampernél nem 160 mV esne, hanem 240 ... el van írva vmi, vagy 1 A töltőáram igaz az 1.6 helyett..- akkor viszont az általad írt 0.8 amper elfogadható.
2., akku: xx volt, yy Ah... ![]() A hozzászólás módosítva: Ápr 19, 2014
Hello! Nagyon szépen köszönöm a választ,így már érthető a dolog. Ezt sosem értettem meg,de most már igen, hogy mi a szerepe az NTC-nek. Üdv! Tibor
Hello! Megnézem még egyszer,de valószínű hogy én össze kevertem tévedésből valamit,az a gyanúm,hogy nem jó kapcsolási rajzot töltöttem fel.Ez másik töltőhöz tartozik,ami már nincs is meg. Bocsánatot kérek. Felteszem majd a jó rajzot,csak megtalálom.
Érdekelne engem egy rajz erről a hegesztőről. Előre is köszi.
A topikjában megtalálod, többször is előfordult az elmúlt 4 évben. A legelső rajzról hiányzik 4db dióda, az módosítva lett, és írtam is róla ezt azt azóta.
Sziasztok bontott pc táp supply trafójának primer oldali R-C snubber méretezésében szeretnék segítséget kérni. Ha erről már korábban írtatok ezer bocsi nem találtam meg. ha leírnátok újra köszi !
Adott egy IR 2153 ic két fetes félhíd kapcsolás, ami 40 KHz-en jár. Trafónak egy régi pc táp supply trafóját használom. Az ellenállás jelenleg 100 Ω 2 watt, a kondi 1 nF 1 KV. Az 100 Ω-os ellenállás eléggé melegszik. Milyen R és C értékeket javasoltok ? A másik kérdés jól tudom? Ha a félhíd fix frekin jár 40 Khz és a kitöltési tényező is állandó 50 % a kimenetre a schottky után nem kell fojtó ha mégis kell hogyan mi alapján méretezzem ? 2x5 vagyis 10 V kellene 1 - max 3 A-es áramerősséggel.
Konkrétan mit építesz?
Idézet: „Adott egy IR 2153 ic két fetes félhíd kapcsolás, ami 40 KHz-en jár.” Rezonáns? Ha igen, akkor nem kell RC snubber. Nem rezonáns? Mivel gondolom nincs se PWM szabályzás, se freki szabályzás, ezért a legegyszerűbb, ha rezonánssá teszed. Idézet: „Az 100 Ω-os ellenállás eléggé melegszik. Milyen R és C értékeket javasoltok ? ” A snubber ellenállás melegedni fog, ha nem melegszik akkor nem működik. Szerintem az érték jó. A méretezés amúgy a következő: - végy a parazita kapacitásokkal egy nagyságrendel lévő kondenzátort. Majd ehhez tegyél egy olyan ellenállást, mai a normál terheléssel egy nagyságrendbe esik. A pontos értékeket meg lődd be szkóp alapján, úgy hogy a legkisebbek legyenek a tullövések és a berezgések. Ennél pontosabb méretezés nincs, mivel parazita jelenséggekkel dolgozol. A legyegyszerűbb, ha a tápot ZVS rezonánssá teszed. Idézet: „nem kell fojtó ha mégis kell hogyan mi alapján méretezzem ?” Nem kell fojtó, pláne akkor ha rezonáns. Fojtó csak a PWM tápokba kell, mivel a fojtó és a kondi átlagolja a PWM jelet. Amúgy a méretezése: - legyen annyi induktivitása, hogy az általad kijelölt ponton (áltlaában terhelés 20%-a) is még CCM legyen (van egy szabadsági fokod) - ne telítsen be a legnagyobb áramcsúcsnál sem Ha ezt nem értenéd, akkor egyrészt olvasgassál, másrészt adig használhatod ezt.
Hello.
Azt szeretném kérdezni hogy a csatolt képen lévő tápegység milyen rendszerű? A "+Pont" és a "-HT" a 230V-os graetz-híd +,- pontjára csatlakozik. Köszönöm. A hozzászólás módosítva: Ápr 24, 2014
Szia Laci ! Nagyon köszi a segítséget ! Sima nem, rezonáns félhíd. Itt a kapcsolás is. Annyi hogy én az IR2153 most egy cfl elektronikával hajtott kis flyback trafót használnék segédtápként az IR 2153 hoz. A neten is nézegettem vki tesz elé snubbert vki nem. Köszi a szakirodalmat is még át kell magam rágni rajta. Ezt külön köszönöm !
![]()
Ez nem rezonáns, legalábbis én az 1µF kondi esetén nem tudom elképzelni, hogy értelmes frekvencián rezonáljon.
A CFL elektronikák többnyire önrezgő félhidak, szóval a flyback trafó nem jó hozzájuk! A flyback trafóban nagy légrés van, félhídban az óriási áramokat fog felvenni.
Szia . Igaz csak fogyasztásmérővel néztük de űresjáratban nem vészes a helyzet. Igen már más is írta hogy a Fllyback trafó nagy nyugalmi indukció miatt is nagyobb az áramfelvétele. Amúgy már power ledekkel is lett terhelve több órán keresztűl a CFL elkrtonika, nem volt semmi gond
![]() Az is érdekes ha viszont a tanyók helyett feteket teszünk be a CFL topológia és kivállóan működik nagyobb teljesítménnyel is csak a kis gyűrűmagot kell megfelelően belőni. A másik dolog amit te is írtál hogy akár rezonánsra is meg lehetne csinálni a tápot én is gondolkodtam. De vajon ezt 10 W-nál is be lehetne lőni volna értelme ? Az igazat megvallva csak egy vagy 2 db 10 W-os power led meghajtására kell a táp. De ez a teljesítmény a pc táp flybackjének már sok.
Ha a power LED-ek sorba vannak kötve, tehát mondjuk megelégszik 0,3 A-rel, akkor lehet kondenzátoros előtétet is csinálni neki.Én 24 db sorbakötött 1W-os LED-et hajtok így. Egyszerűbb, mint egy tápegység.
Idézet: „Igen már más is írta hogy a Fllyback trafó nagy nyugalmi indukció miatt is nagyobb az áramfelvétele” Micsoda? Nagy nugalmi indukió? Valamit itt rohadtul keversz. A flyback trafók légrésesek, és kicsi a mágnesező induktivitásuk (mivel lényegében induktivitások, amiket energiával töltünk fel). Emiatt félhyban baromi nagy mágnesező áram fog rajtuk folyni. Másik dolog az, hogy egy rezonáns félhídhoz nagy szórt induktivitású, laza csatolású trafó kell, minimális légréssel. Szóval teljesen más. Idézet: „fojtót kivesszük” Hol van ott fojtó? Az egy önrezgő félhíd kel, hogy legyen, abban van két MOSFET egy gate trafó, meg egy rendes trafó, meg mér pár apróság. Idézet: „De vajon ezt 10 W-nál is be lehetne lőni volna értelme ? Az igazat megvallva csak egy vagy 2 db 10 W-os power led meghajtására kell a táp. De ez a teljesítmény a pc táp flybackjének már sok.” 10-20W teljesen értelmetlen félhídat csinálni. 50W alatt a flyback minden feladatot ellát. Építeni nem is érdemes, mert kínából baromi olcsón lehet jót kapni. Ge Lee jól megírta, kell áramgenerátor. Vagy nagyon alul kell terhelned a LEDeket, hogy a hálózati fesz ingadozásakor se menjenek szét. Ha nagyon építgetni akarsz, akkor vegyéle gy flyback tápot, és a szekunder oldalt alakítsd át úgy, hogy áramgenerátorként működjön, feszültségkorláttal. Egész egyszerű.
Nagy szórt induktivitású trafó kell a rezonáns félhídhoz? Mekkora az a nagy? Cimó cikkébben van egy ''a még annál is szorosabbnál pedig 4,5uH'' ami mondjuk 1µF-os kondival Thomson képlet számolóval 75KHz. Hogy is van ez?
Érdemes felfedezni a kapcsolatot a szórási induktivitás értéke valamint az átvinni kívánt teljesítmény között.
Szia ! Köszi a helyregiaztást a flyback trafó működésvel kacspolatban arra gondoltam amit te is írtál csak rosszul fogalmaztam bocsi. Köszi a flybackes javaslatot is. Nem akartam plussz alkatrészt venni mármint trafót illetően ezért csináltam meg félhíddal. A cfl elkrtonika zöme tranyós ebben szerepel a fojtó és a kondi szóval ez korlátozza az áramot még flyback trafó esetén is. Skori csinálta meg az általad irt fojtó nélküli fetes 20 A-es dugasztápot fojtó nélkül illetve a szekunder oldalra ős is tesz folytót az alacsony terhelésen való beinduláshoz is.
Egy képet is beszúrok hátha vkit érdekel.A flyback trafó útán 5 V egy schottky meg egy 16 V-os 1000 µF-es low esr kondi van. A képen nem látszik de csak egy power led megy kb 150-200 mA-rel. Ez így már több 5 órát működött folyamtosan gond nélkül jó lenne egy mondjuk 100 órás tesztüzet csinálni.
Szia visszatérve a kapcsolóüzemű tápomra amit nemrégiben tárgyaltunk itt képeket is tettem fel, szóval nem lehet az is problémás a dologban hogy a feteket meghajtó kis trafót meghajtó tranzisztorok BC640/639 páros nem pedig BD139/140? Esetleg megpróbálnám azt mert MJE350/340 van itthon azok mégis olyan közepes teljesítményűek mint a kapcsolásban van.
OKOK
Idézet: „Ez így már több 5 órát működött folyamtosan gond nélkül jó lenne egy mondjuk 100 órás tesztüzet csinálni.” Igen de azt tudni kell, hogy a hálózati fesz nem mindig 230V, vannak ingadozások, tüskék. És perzs ha benyomsz egy zénert, csinálszlineáris táeresztőt, aztán soros ellenállás van a LEDen, akkor stabil marad az árama. Csak ez mind hatásfok, és plusz melegedés. Ha egy flyback tápot átalakítasz áramgenerátorossá (söntről csatolsz vissza), akkor az a legjobb hatásfok. Ha nem akarsz trafót tekerni, nem kell. A Lomex kínálatábna elég olcsón vannak flyback trafók. És amúgy a PC tápok standby trafói is fajátótl függően 10W felett is szoktak bírni, tehát 1-2 power ledre, áramgenerátor módban elég.
Üdv!
Lorylaci féle rezonáns tápról lenne kérdésem. Ugyanúgy tekercseltem, ahogy Laci is és a cikkében mellékelt segédletben is így láttam. (Elválasztó a primer és a szekunder közé.) Nekem a primerem 38 menetes lett, a szekunder pedig 6-6 illetve 3 menet. A kérdésem az lenne, hogy amikor bemérjük a trafót, akkor ez esetben a teljes induktivitást kell nézni? Ez nekem kb 1 mm légréssel meg is volt. VAGY a szórt induktivitást is külön le kell mérni a szekunderek rövidre zárásával? Cimopata cikkében az utóbbi eljárást láttam. Ezt is megtettem, viszont az előbbi légréssel 38,8uH-t kaptam (a 22,1 helyett). Ahhoz hogy a jó érték kijöjjön, kellett egy centis légrés. ![]() Lehet, hogy csak a hajnali 2 óra teszi, de a kétféle módszer, ha lehet így mondani, teljesen megkevert. Valaki el tudná magyarázni, hogy érdemes ennek az egésznek nekiállni, meg végig vinni?
Majd lorylaci eligazít, de addig is...
Ha teljes induktivitást is mértél, ne azt írd, mekkora légréssel volt, mert NEM kell légrés.. Inkább az értéket írtad volna be. Term. a szórt induktivitás értéke lényeges... az előző csak az arányok miatt kell. Spec. most én nem keresgélem, a szekunder meneteid melyik mit táplál, de a teljesítmény-részt rövidre kell zárnod ( gondolom, a 6-6 menet...) és úgy a szórtat mérni. Mi az, hogy a "jó érték kijöjjön"? Ne hidd azt, hogy teljesen egyforma értéket kapsz bármelyik leirásával. Centis légrés? Mint feljebb... Nincs légrés! Vagy rossz a műszered, vagy " éjjel 2 óra" effektus... ![]()
Nem tudom éppen miről van szó, de ha gate trafó meghajtásáról (komplementer emitterkövetők) akkor oda jó a 639/640 is ha egyébként elbírják a meghajtóáramot, és a gate trafó induktivitása sem túl kicsi. Ha kicsi azt úgyis észreveszed, mert akkor meg akarnak főni a tranyók a melegtől.
Nekem ez a megoldás valahogy egyszerűbbnek tűnik, de lehet olyat is alkalmazni amit több helyen is szoktak, hogy a bekapcsolást az adott vezérlő végzi közvetlenül a kis 0,5A körüli meghajtóáramával, a gyors kikapcsolásra meg ott van egy tranyó a kapcsolóelem lábai között.
Nagyon összekeverted a dolgokat. EZ megint az, amikor az illető nem érti meg a működést, nem olvassa el rendesen a cikket, és csak találomra probálgat. Mindkét cikkemben szerepel, hogy a rezonáns táp működése előtanulmány. Tehát cimopata cikkét és skory odlalát olasni ÉS ÉRTELMEZNI szükséges eltőte!
Amúgy melyiket építed? "mini rezonáns táp" vagy a "stabilizált rezonáns táp". Jó lenne, ha már ezt egyértelműen jelölnéd, minimum egy linkkel! Mindkét esetben a szórt induktivitásnak kell a 20-40uH nagyságrendi tartományban lennie. Pontos érték attól függ, hogy mekkora teljesítményt akarsz kinyerni, és mekkorára tervezed a rezonanciafrekvenciát. A trafó teljes induktivitáást a stabilizált rezonáns táp esetén a tervezéi paraaméterek kiadják, azt légréssel kell beállítani. A mini rezonáns táp esetében nincs konkrét érték a teljes induktivitásra, mindössze annyi a feltétel, hogy az értéke esetén átfolyó mágnesező áram töltse át a holtidő (IR21531 esetében 600ns) alatt a félhíd kapacitását. Én egy hajszálnyi légrést szoktam azért javasolni (a mágnesező induktivitás ne legyen nagyobb a szórt induktivitás 20-szorosánál). Jah, és írd le, hogy miylen induktivitásmérő műszert használsz! A hozzászólás módosítva: Ápr 25, 2014
|
Bejelentkezés
Hirdetés |