Fórum témák
» Több friss téma |
Fórum » Házilag építhető fémkereső
Gondolom az atxmega 32 nem egyenlő az atmega 32-vel.
Zsír, köszi! Nagyon hasznos! Tudsz, vagy tud valaki olyan szoftvert mondani, amivel tudok áramkört tervezni, tesztelni, eszközt irányítani(pl hangkártya), kijelezni? Az sem lenne gond, ha nyílt forráskódú lenne.
Másik kérdés: Tudtok egy kis infót adni, hol találkozhatok lock-in erősítővel a környezetemben?Vagy létezik-e valamilyen eszközben, ami usb-vel csatlakoztatható? Köszi
Semmi értelme. Van összesen kb. 4-5 kapcsolás amit építgetnek és azt is csak néhány ember, az meg elfér itt szerintem. Ott van a silver-es és egyéb topik a maga 7 oldalával, abba is bőven beférne minden (címében ott van hogy egyéb), az sem pörög.
Nem a geo-n vagyunk ahol minden gépnek külön topikja van, mert annyi a felhasználó és a hozzászólás. Aminek látnám értelmét az egy cikk, de annak is csak akkor ha valaki összedob egy olyan gépet ami az itt fellelhetőeknél szinte minden tekintetben jobb, nyilván olyan szinten és részletességgel megírva ami a kevésbé hozzáértőnek is egyértelmű, és nagyon komoly segítség. Egy cikknek még olyan velejáró tulajdonsága is van, hogy olyanok is építésbe fognak akiket eddig a dolog egyáltalán nem is érdekelt (saját tapasztalatom a saját cikkem alapján). Az más kérdés hogy ha valaki igazán jót tud építeni azt nem biztos hogy közzé fogja itt tenni, hanem megpróbál általa némi haszonra szert tenni (kit, stb.).
Milyen frekvenciatartományban kell mozognia a szenzor jelének, hogy lemenjen a föld alá és vissza is jöjjön?
Itt feljebb linkeltem egy rajzot, szerintem ott a megoldás kulcsa, csak a PIC-et kell kiváltani PC-re. Sajnos ehhez egyáltalán nem értek, de itt vannak még infók ehhez:
Bővebben: Link Frekvencia egy tág valami, a GPR-ek akár megahertz-es tartományban is működnek, a VLF alacsony frekvencia 1-20KHz meg azért alakult ki, hogy a földhatást csökkentsék. Jelenlegi IB (induktív híd) típusú detektorok, melyek az érmézőgépek 99%-át alkotják, alacsony frekisek. Általában az apró tárgyakra érzékeny, gold detektorok és társaik 13-18Khz között mennek. Mivel egyre inkább igény, hogy apró tárgyakra, 0,2-0,4grammos ezüst érmék, láncok, érzékenyek legyenek a gépek, a technológia pedig egyre újabb lehetőségeket nyújt, ma már az érmézőgépek is ebben a tartományban kezdenek dolgozni. Létezik még a multifrekis megoldás, mely egyszerre több frekvenciát használ, ezek a gépek elméletben nem mennek olyan mélyre, mivel a nagyobb sávszélesség alacsony Q-ju tekercset követel, azonban ezek a bonyolultság miatt procis felépítésűek, mely segítségével több stabilizáló és szabályzó műveletet tudnak végezni, így valamelyest növelhető a mélység. Ezeknek a gépeknek a nagy előnye, a nagyobb megkülönböztetés, és hogy a mineralizált talaj egyáltalán nem csökkenti az érzékenységüket (sőt az enyém kifejezetten mélyebbre megy). Itt a működési freki 1-100KHz, ilyen pl a Minelab explorer, e-track és a Feri-féle Magnum és azt hiszem az orosz Aka is.
Szia még korábban tetted fel ezt a rajzot a geotekről hoztad -sajnos én nem tudok beregisztrálni az én gépemmel van probléma nem nyit meg egy csomó fájt ehhez a géphez nem volt panel és beültetési rajz fent vagy a másikhoz ?
A hozzászólás módosítva: Máj 3, 2014
Ez egy teljesen közönséges TGSL EDU, meg egy TGSL kábelezési rajz, a TGSL vagy TGSL Coil topikból, nem tesoro golden sabre, hibás az elnevezés
Vagyis itt már volt beültetési meg kapcs rajz is.
Köszi!
Az elvről még egy kicsit: A Kinect ugye szenzorosan eléggé felszerelt, és érzékeny eszköz. Lehet vele pontos koordinátát is meghatározni a térben hanghatás alapján. Ebben van perspektíva, ha akad otthon egy Kinect? Akár egy szélsőséges eset: Mondjuk van egy rádiós eszköz, vagy valami tekercs...amivel adok mondjuk egy multifrekvenciás jelet, de ez az eszköz független mindentől, csak sugároz. Aztán egy másik független eszközzel, mint mondjuk a Kinect, az érzékenységet megfelelő szintre állítva fogná a mélyebbről visszajövő jeleket? Aztán a szoftver analizálná?
Ha valaki a téma címéhez legszorosabban kötődő információt szeretné magénak tudni, nézze meg a következő videót:
http://mods-n-hacks.wonderhowto.com/how-to/make-metal-detector-from-calculator-and-radio-237250/
Nem látom á a Kinect, hogyan menne, ugyanis amennyire érzékeny, annyira zavarbiztos, nem fog érzékelni semmi olyat, ami nekünk kellene.
A rádiós számológépes ügy gyakorlatban egy úgynevezett BFO detektor, ezen az elven leginkább a fali vezeték keresők működnek, másra nem is igazán jó szerintem, mivel a működéshez aránylag nagy frekvencia szükséges, ahol viszont a föld is komoly válaszjelet ad, ezért ez a detektor típus pl tengerparton használható, mert ott lehet állandó távolságra tartani a talajtól, azonban máshol nem igen jön be. Az IB rendszerű detektorok ma alapvetően fázisszöget mérnek. Általában 2-3 csatornát hoznak létre, ahol a fáziseltéréseket figyelik a válaszjelben és ezzel a módszerrel aránylag használható megkülönböztetés és talajkiszűrés valósítható meg. Ezt lehet még fokozni a több frekvenciával. Infra mint pl hőkamera, elég korlátozottan használható ezen a téren, csak a nagyon érzékeny, nagyon drága készülékek érnek valamit, hiszen a fémek jó hővezetők. A hozzászólás módosítva: Máj 4, 2014
Nem, az Xmega-knak más a belső felépítése, nagyobb frekiről mennek, komolyabb ADC van benne, stb. Ja, meg más programozó is kell hozzá. Egész korrektnek tűnik
Lehet szimulálni Pc-n a működését valahogy?
Sziasztok! Nem teljesen fémkeresős téma, konkrétan az érdekelne, hogy mi a legegyszerűbb és költségkímélőbb megoldás hobbi szinten föld alatti pincék, üregek, alagutak, barlangok kimutatására?
Nézelődtem georadar ügyben, de megfizethető megoldást nem találtam, még teljesen amatőr megoldáshoz sem. Köszi
EEEz tetszene nekem is.
A hozzászólás módosítva: Máj 4, 2014
Na azokat csillagászati árért árúlják , ha biztos tudod ,hogy valahól van csak nem találod a célt akkor szerintem bérelni
Nem tudom sajnos nagyjából hol lehet, vagy van-e egyáltalán, inkább keresgélnék
![]() A háttérsztori ködös, de röviden leírom: A kertünkben voltak gazdasági épületek a 40-es években, de a földig lettek dózerolva. Valószínűnek tartom, hogy voltak itt pincék is. De nem tudni. Ilyen lehet, nem lehet alapon meg nem akarom 100 ezerért megvizsgáltatni.... Másrészt hobbi szinten is jó dolog lehetne. Igazából nekem az is megfelelne, ha csak annyit meg tudna mondani, hogy van-e valami üreg alattam 2-3 méteren belül. Az is lehet, hogy valami mechanikus leütő, vagy leüthető szerkezet hatékonyabb lenne, (vékony acélpálca?) De ugye hobbi kereséshez ez eléggé időigényes és szerintem 2 percenként találnék vele valami sziklát, vagy építési hulladékot ![]() Kertbe talán a pálca is jó lenne, de hobbizáshoz már valami radar lenne az igazi.
Sajnos, csak elméleti segítséget tudok adni. A leszúrás nyilván nem működik, mert valami födémzet lesz a pince felett, és nem tudni, az, vagy csak egy kő, amit eltalálsz. Ehhez elég komoly aparátus kell, ha pl terméskő boltívek vannak, hát azt nem kalapálod át egy szögvassal.
Szóval ilyesmi vizsgálatokra alkalmasak pl a különböző magnetométerek, ezek elméletben egy egyszerű fémkereső bonyolultságúak, de önmagában a készülék még kevés. És nem nagyon van építési leírás. Alkalmas erre pl talaj ellenállás mérés, azonban önmagában ez is kevés. Ehhez viszont találsz megoldást házilag kivitelezhetőt. Mindkét módszerhez azonban kell egy adatgyűjtő, egy számítógép és egy progi, a progiból létezik ingyenes is. Ezzel aztán kapsz valami olyan 2D képet, amit pl a History tv csatorna régészeti sorozatában geofizikai felmérésként láthatsz. Az a lényeg, hogy pl méterenként kell csinálni egy mérést és ebből összeáll majd egy térkép a szoftver segítségével. Nem tűnik kivitelezhetetlennek, mégse nagyon épít ilyet senki. Egy működőt láttam a neten házi készítésűt, de az is árulja. Jók az ultrahangos készülékek, de ezek bonyolultabbak. Az érzékeny hőkamerás légifelvételek is jók. Az erre alkalmas hőkamerák millió felett vannak. A terület adottságainak függvényében támpontot adhatnak a google térkép felvételei. Ha van a telketekről jó kép, autó nagyságú foltok már felfedezhetőek. A növényzetet is érdemes figyelni, különböző fényviszonyok között, akár holdfényes éjszakán felfedezhető a fűben vagy a gabonában a régi épületek falainak a vonala. Léteznek még olyan two box detektorok, melyek erre valók, de mivel ezeket is ritkán építik, nem egyszerű megépíteni. Esetleg lehetne nagy fémtárgyakra keresni egy 2x2es kerettel, egy normál deltát könnyen megépítesz hozzá, vagy nem megfizethetetlen egy épített. Itt találsz egy ellenállásmérő projektet: ERM A felsőbb topikban még van némi hasznos info
Egy kis csemege
Pontossan nem tudom de a teszorók jó gépek szerintem van fent rólúk teszt videó is de ha jól emlékezem Vakond sokat tud ezek géprkről az oldalát megnézed ott van technikai leírás róluk http://youtu.be/r6pLEspYlaM
A hozzászólás módosítva: Máj 5, 2014
Nem rossz, tudsz küldeni kapcsolási rajzot?
Ezen az oldalon találtam őket : Bővebben: Link
A hozzászólás módosítva: Máj 6, 2014
Ez a Lobo elég sokat változott az idők során. Ezeket a rajzokat nézve nem esik le, mitől kerül 30%többe, mint a cibola. Arra figyelni kell, hogy ez egy aranykereső eredetileg, ami jól jöhet olyannak, akinek vannak középkori, nem szemetes helyei, azonban egy átlag mezőn kissé unalmas az 0,1grammos fészemeteket kibogarászni a földkupacból.
Egy cibola kissé általánosabban használható, ha abbol valaki csináltat vagy rendel jóminőségű nyákot, engem is érdekelne egy. Visszatérve, azért a golddetektorok jó dolgok, Ausztriában van egy patak, ahol lehet aranyrögöt keresni bár azt nem tudom, hogy találni is lehet-e ![]() A link nekem nem egészen jó, azt hiszem, használd a link gombot máskor. A hozzászólás módosítva: Máj 6, 2014
Fémkeresésről mindig az jut eszembe, hogy gyerekkoromban egy harcművészeti táborban kavicsokat vágtunk földhöz a margit szigeten. Látványos volt, ahogy kettépattannak, nos 10-20 ilyen kavics után az egyikben arany színű lemezkék voltak a kvarckristályok között. Az egyik felét le is nyúlta a dobálózó kispajtásom, a másikat én tettem el, de pár éve kidobtam. Nem biztos, hogy arany volt benne és nem tudom milyen mennyiség, de most kezdtem el nagyon nagyon bánni, hogy ki lett dobva, mert meg tudnám már nyitni a kavicsot. Egyébként ha tényleg arany volt, valahol van ilyen kristály. De lehet, hogy csak pirit.
Valami bányászott sóder lehetett abból is olyan 4-5 centis szemű tipikus sárga kavarckavics.
Egy tanulmány szerint a dunai szigetek tartalmazhatnak nagyobb mennyiségű aranyat, akár nagyobb szemcséket is, miután kialakulásukkor még elképzelhetően voltak szemcsék is, melyeket a víz sodort. Azért nem kezdjetek veszettül lobokat építeni, mert még nem igen talált senki pl 1g vagy annál nagyobb szemcsét szerintem.
Ugyan én nem hallottam, hogy aranyat kavicsok belseje rejtene, de nincsenek geológiai ismereteim, viszont ezt egyszerűen gyorsan lehet pl a csatolt röntgenfluoreszcenciás készülékkel mérni roncsolás mentesen. Nomost ha minden 10.kavicsban szemmel látható mennyiségű arany volna, már nem lenne kavics a dunában, hiszen a Tonna/gramm már gazdaságosan termelhető mennyiség. Viszont a csatolt XRF készülék érdekes dolog és ami még érdekesebb, hogy a vélhetően első ilyen berendezést kvázi házilag építették, természetesen a röntgen cső és a detektor készen vásárolt volt és a hordozhatóság úgy valósult meg, hogy egy zsiguli csomagtartóját foglalta el a dolog Még érdekesebb, hogy a techologia nagy vonalakban azonos azzal, melyet a bolygók összetétel elemzésénél használnak, csak ott a röntgen sugárzást a világűr biztosítja. Talán egyszer odáig fejlődik ez a dolog, hogy fémdetektorszerűen lesz használható.
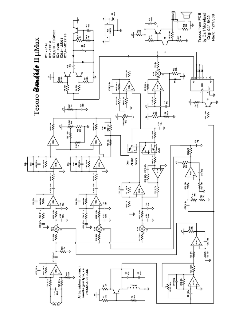
Nos elnézését mindenkitől, benéztem a rajzot
ez bandidó, azért volt fura, hogy más mint a lobo ![]() Szóval a bandidó rajz egy jó kis detektor, érdemesebb megépíteni szerintem mint a TGSL-t, bár ugyanakkor a Cibollát még inkább javaslom építésre. Ha már így jártunk, azért itt egy Lobo rajz, hátha valaki felásná a Margitszigetet némi aranyrögért. A hozzászólás módosítva: Máj 6, 2014
|
Bejelentkezés
Hirdetés |














bár azt nem tudom, hogy találni is lehet-e 

ez bandidó, azért volt fura, hogy más mint a lobo 

