Fórum témák

» Több friss téma
Fórum » Mágneses szenzor
 
Témaindító: herczegh, idő: Márc 25, 2006
Témakörök:
Lapozás: OK   1 / 1
(#) herczegh hozzászólása Márc 25, 2006 /
 
mágneses szenzorral akarok kapcsolni relét.
A mágneses szenor: MK 4/meder/egyszeri érintésre kapcsol másodszor kikapcsol.
Köszönet
(#) Sebi válasza herczegh hozzászólására (») Márc 25, 2006 /
 
Először is nézd meg az adatlapot, milyen terhelhetőségű a kimenet, milyen tápfesz kell neki és hogy a GND vagy a pozitív ág felé kapcsol.
(#) (Felhasználó 1594) válasza Sebi hozzászólására (») Márc 25, 2006 /
 
nem értjük egymást vagy rosszul írtam a mágneses szenzornak csak két kivezetése van mint kapcsoló müködik,nekem szükségem van kapcsolási rajzra hogy a mágnes érintésére az áramkört kapcsolja vagy megszakítsa.:yes:
(#) Sebi válasza (Felhasználó 1594) hozzászólására (») Márc 25, 2006 /
 
Akkor ez 1 reed-cső?
Mit akarsz kapcsoltatni? AC v. DC ?A
Leg1szerűbb hozzá 1 kis táp, flip-flop + relé.
(#) (Felhasználó 1594) válasza Sebi hozzászólására (») Márc 25, 2006 /
 
magnetically reed sensor with mounting holes for srcew fastening
szóval nem csö,de " nyelves "szenzor
(#) (Felhasználó 1594) válasza (Felhasználó 1594) hozzászólására (») Márc 25, 2006 /
 
DC szeretnék kapcsolni 12V/mint biztonsági kapcsolót akarom használni az autóban-magkérhetném ,hogy kapcs.rajzot küldjön-elöre is kösz.
(#) Sebi válasza (Felhasználó 1594) hozzászólására (») Márc 26, 2006 /
 
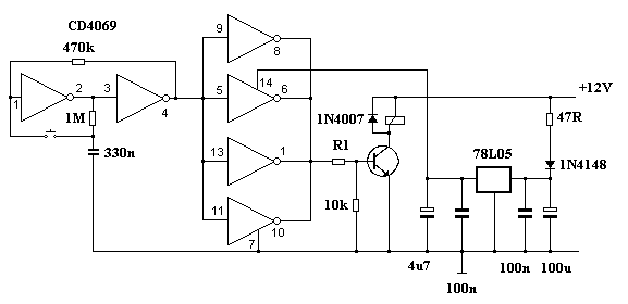
R1-et a tranzisztorhoz, tranzisztort a reléhez megfelelőt kell választani.

ON-OFF.gif
    
(#) Slope válasza Sebi hozzászólására (») Márc 27, 2006 /
 
Azt a 4db párhuzamos invertert akár el is hagyhatod...
(#) Sebi válasza Slope hozzászólására (») Márc 27, 2006 /
 
De mit csináljak vele? Valahova legalább a bemeneteket kötni kell, itt legalább van értelme...
(#) (Felhasználó 1594) válasza Sebi hozzászólására (») Márc 27, 2006 /
 
Nagyon szépen kőszönőm-pajtás
(#) Repvez hozzászólása Dec 19, 2013 /
 
Sziasztok! Érdeklődnék,hogy hogyan lehetne használni és milyen kapcsolással egy ilyen chipet ,hogy egy joystikban a 100k-s lineáris potmétereket ki tudjam váltani és az x és y irányú jeleket a számitogépre tudjam küldeni?
3d mágneses sensor ha megoldható akkor milyen mágnest érdemes hozzá venni és befolyásolja e az ha fémházban lenne?
Ezekből a mágnesekből gondoltam hozzá:mágnes
A másik kérdésem is hasonló,de lehet,hogy a fenti problémára is lehetne e használni ezt a panelt?
9dof sensor
Ezzel a panelt szeretném használni mint egy Headtracker (fejmozgás érzékelő) a jákékokon belüli nézet változtatására.

Van egy ilyen panelem amivel most a joystick gombjai müködnek matrix rendszerben,erre rá lehetne e kapcsolni a fenti panelt?
USB panel
Ha egyik megoldás sem müködik akkor a potmétereket ,hogyan tudom kiváltani hall effekt szenzorokkal a legolcsóbb modon?
Mert láttam már pár megoldást ezzel az érzékelővel hall szenzor ,denem tudom,hogy a fenti linkről melyik polaritású mágnest használjam hozzá, hogy a felfogatása és a stabilitása megfelelő legyen a potik kiváltásához. Illetve elég e csak simán a poti vezetékei helyére csak igy naturba bekötni vagy kell még valamit közbeiktatni?
Küszi elöre is remélem tudtok segiteni
Következő: »»   1 / 1
Bejelentkezés

Belépés

Hirdetés
XDT.hu
Az oldalon sütiket használunk a helyes működéshez. Bővebb információt az adatvédelmi szabályzatban olvashatsz. Megértettem