Fórum témák
» Több friss téma |
Elöször is köszi ezt a hosszú leírást!
Tehát most van egy True RMS képzönk és a másik ágon egy elmozdulás integrátorunk! Értem azt is, hogy miért kell mindkettöt megmérni! De azt nem értem, hogy most a konzulensnek mi lehet a problémája ezzel? A csúcsérték képzö elött van egy elmozdulás integrátor, hogy a gyorsulás kétszeres integráljából megkapjuk az elmozdulást! A PIC programot még ki kell egésziteni ezel, hogy a csúcsérték képzö jelét is feldolgozza! Ez mind tiszta! A két relé, amit berajzoltál a régi blokkvázlat reléivel megegyezöek? (Csatolom a fájlt) Tehát, hogy miért van rájuk szükség azt értem csak, hogy lerajzolhatom-e ugyanugy, mint az elsö blokkvázlatban? A másik, hogy az elmopzdulás integrátor kapcsolását ugyanugy, mint a sebesség integrátor kapcsolását meg kellene tervezni, ugye? És az utolsó kérdés, hogy a jeladó müködését ellenörzö DC munkapont figyelö egy egyszerü 7Hz-es aluláteresztö szürö és kész?
Amit irtál a sávszürövel kapcsolatban!
Tulajdonképpen két megoldás közül választhatunk, az egyik a szélessávú frekvencia mérés, és itt lehetne a sávhatárolást megoldani digitális potikkal! Ez nyilván bonyolultabb! A másik ha kiválasztunk egy frekvencia sávot és a szürönket arra méretezzük! Ezt akkor tehetnénk meg ha ismernénk a gép paramétereit és a csapágyaira jellemzö frekvencia értékeket! Jól mondom?
Az utolsó hozzászólásodhoz. Kicsit megkeverted a dolgot. A digitális potméterek a keskeny sávú szűrőhöz kellenek, a bemeneti szűrők pedig akár fixen beállíthatók is lehetnek .
Tehát a kettö közti különbség a kiválasztott frekvenciasáv! Mindkét esetben a bemeneti szürök határozzák meg a sávot, csak ha használunk digit potikat, akkor azokkal meg tudunk valósítani egy keskenysávú szürést is?
Szia!
- A feldolgozandó sávot (3Hz..10kHz) fix RC szűrők biztosítják, mely be van építve az első bemeneti fokozatban. - Jelenleg a digitális potméter egy erősítő erősítését állítaná kb. 0..30dB-es tartományban lépésenként, hogy a méréshatárt és a kalibrációhoz szükséges erősítéskorrekciót meg lehessen valósítani. (Egyszerűb megoldás, ha a digipotival csak a jelszintet kondicionáljuk, úgy hogy az A/D mindig felbontásán belül fel tudja dolgozni, tehát 6dB-enként. A pontos mért értéket már számítással határozzuk meg, és itt vesszük figyelembe a kalibrálási értékeket is. Magyarul, megmérjük a jelet egy rezgéspadon, megnézzük mit mér a mienk az ellenőrző műszerhez képest és a kettő közötti szorzót eltároljuk. Amikor meg mérünk, mindig ezzel a számmal szorozunk. Ennyi!) - Eredetileg szerintem a Te elgondolásod szerint egy keskenysávú szűrőt hangoltunk volna a potival, végig söpörve a frekisávot. Így letapogatva és megmérve a jellemző frekvenciákon mutatkozó sebességi értékeket. Javasoltam, hogy ezt most hagyjuk ki. üdv! proli007
čs ha kihagyuk ezeket a digit potikat, akkor milyen frekvencia sávra érdemes korlátozni a mérést? A hibák általában elöször magasabb frekvenciákon jelentkeznek! A fej 1Hz- 10Khz ig képes mérni! Szükség van egyáltalán ennek a korlátozására? Vagy ilyen nagy sávot nem lehet normálisan átvizsgálni? Mondjuk a zavarszürés miatt is szükség van a sávkorlátozásra!
Oké, már megvan! Értem a dolgot!
Tehát a sávszürö amit rajzoltál, 3Hz-10Khz-ig sávkorlátoz!
Ez a jelszint kondicionálás hogy valósulna meg? Csak mert ma jó lenne megirnom a PIC-re a programot!
Tehát mérés után a kalibrálási szorzóval mindig meg kell majd szorozni a mért értékünket, ugye?
Akkor szép sorban:
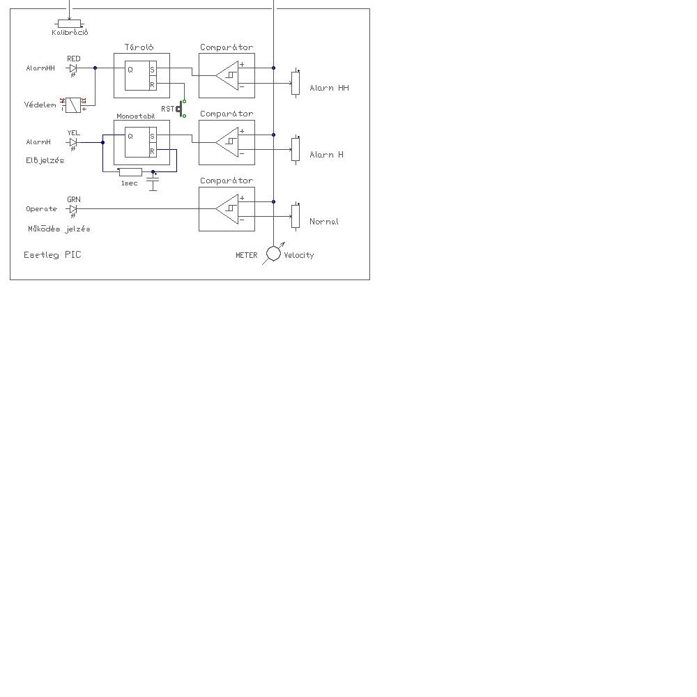
( a (#165812) hozzászólás ábráról beszélek) - Ha érted, akkor már jó úton vagyunk. De hogy a konzulensed mit nem ért, azt nem tudhatom, szerintem tenmaga sem tudja, vagy nem jól tolmácsoltad a kéréseit. Mert ha tudná, akkor a blokkvázlatra néhány tollvonással rárajzolta volna, mit akar. - Így van, tekintettel arra, hogy a két integrátor áramkör sorban van egymással, mire eljut a jel a csúcsdetektorig. De nem kell megtervezni az integrátorokat, mert az első rajzban bent van a sebesség integrátor, a második rajzon, pedig ott van az integrátor a csúcsdetektor előtt. De az első rajzon ott van az átviteli függvény is, abból látszik, az integrálási jelleggörbe (-20dB/dekád) de látszik a két sávhatárolás is. (Ezt Te nem ismered fel?) - Így van 7Hz-es aluláteresztő szűrő kell, meg egy 1/10-es feszültség osztó (a szűrő is csillapíthat), mert ugye a PIC csak 0..2,5V-ig mér, az érzékelő tápfesz meg 24V lesz. - A szélessávú mérés sávhatárolását felesleges lenne digipotival megoldani, nem beszélve arról, hogy azt nem kell változtatni. Ez a szűrő be van építve az első (integrátor) rajzba. (oda írtam) A potival jelenleg a méréshatárt lenne célszerű beállítani, úgy hogy egy erősítő fokozat erősítését változtatnánk vele. - Igen, ha ismernénk a gép jellemző paramétereit, akkor ezeket a frekiket külön-külön mérnénk és értékelnénk. (Hozzá hasonlítanánk egy általunk felállított és megengedett jeltartományi sávhoz. Magyarul, hogy ettől - eddig, ezen a frekin ilyen lehet a rezgésamplitúdó) Ha meg nem ismerjük a gépjellemzőket, akkor letapogatnánk és kikeresnénk a csúcsokat. Aztán ere nyilatkozhatna, a diagnosztikus vagy a gépész, hogy ezek a csúcsok mekkorák lehetnek maximum normál üzemállapotban. - Igen, "a kettő közti különbség a kiválasztott frekvenciasáv" de mint mondottam ez azért nem olyan egyszerű. A szűrőket nagy tartományban kellene hangolni, miközben az oldalmeredekségüknek állandónak kellene lenni, mert a jósági tényezőnek állandónak kellene lenni, és a frekvenciasávnak (dF) keskenynek illene lenni, mert nem lenne elég szelektív. Nos ezt nem igen látjátok megvalósítva sehol, legfeljebb néhány különböző válaszható sávhatárolást épített be e B&K is. Erre a problémára a válasz az FFT. - A reléket nem kell úgy lerajzolni, mint a mellékelt ábrádon, csak a PIC-re kell ráültetni a relé meghajtását. (egy tranyó) Ami az ábrán látható, azt mos a PIC programja fogja megoldani. üdv! proli007
Most elmegyek kajálni, 20 perc és visszatérek!
Ha így megy tovább még a végén mindent megértek!!! Köszi, hogy segítetek! Már csak ma meg holnap fárasztalak benneteket és befejezem!
Bocs, elírtam, a sáv helyesen 3Hz..1kHz-ig terjed. De hidd el, nem érdemes tovább feldolgozni. itt nem logaritmikus skálán dolgozunk, mint az FFT és az integrálások miattt a jelszint kicsi lenne. A technológiai zajok jelentősen befolyásolnák a méréseinket, tapasztalatból tudom. Csak akkor lenne indokolt a sávnövelés, ha kimondottan sokgörgős, vagy magasfordulatú gördülő csapágyakat vizsgálnánk, de az meg FFT nélkül értelmetlen. A beépített töltéserősítők is sávkorlátoltak. Nézd csak meg.
üdv! proli007
A "jelszint kondicionálás " csak annyit tesz, hogy a bemeneti jeleket széles amplitúdó tartományban kellene mérnünk. Ha az A/D-re kis feszültségek jutnának, akkor a felbontása romlana. Ezért ugymond "kondícionáljuk" a jelet, tehát felerősítjük olyan mértékben, hogy az A/D a leg kedvezőbb formában tudja digitalizálni. Tehát hozzá illesszük a jel maximális értékét a 2.5V-os szinzhez. Erre szolgál a digipoti az váltakozóáramú erősítőjével. Így az RMS és csúcsérték detektálása is kedvezőbb tartományban esik. (Pont úgy, mint amikor csavargatod a digimultid gombját, és a 100mV-ot nem a 100V-os állásban méred. Itt is kondícionálod a jelet, csak esetleg nem tudsz róla.)
üdv! proli007
Na most Én is megyek az unokámmal sétálni, esetleg 14h után visszanézek.
üdv! proli007
Egyébként ki lehetett volna hagyni a digit potit, pld. ha az E portára (három bit) rábarkácsoltunk volna néhány relét (v. 4051-es analóg kapcsolót) és ezzel változtattuk volna a méréshatárt (kapcsolható erősítésű erősítő). De vannak PGA-k is. (Analog Devices programozható erősítésű erősítő)
üdv! proli007
Felhívtam a konzulenst!
Azt mondja semmi probléma nincs az RMS képzövel és a csúcsérték detektorral, csak nehogy összekeverjük öket! Erre akarta felhívni a figyelmet! Hát mondjuk idézem mit írt emailben: "Ne keverje a csucsdetektort az RMS detektorral!" Én mondjuk nem ugy értelmeztem, ahogy ma elmondta! Mindegy! Most azt mondja nem kell tulbonyolítani a dolgot, elég egyiket beletenni! Vagy az RMS vagy a csúcsérték detektort! Mondtam neki, hogy mindkettö más jellemzöt ad meg, de azt mondja nem kell mindkettö! Vagy ha ragaszkodunk hozzá, akkor mondjuk legyen választható! (kapcsolható) Ahogy erröl már mi is beszéltünk!
Oké a kapcsolhatóságot megoldotam a PIC programban!
Ha a barátunk által felrakott doksinak ezt az oldalát nézed, akkor látható, miért kell az RMS és a csúcsérték. Mert amivel itt kűzdünk, pont erről lenne szó.
(Jólehet a DPM-el nem kellett volna töpizni.) üdv! proli007
Emlékszem erre, valahol ezt beírtam a dolgozatba is, csak már azt sem tudom hol az eleje és hol a vége!
Amúgy a műszerünk kijelzőjén most ugye egy olyan érték fog megjelenni, ami a 0 és a referencia fesz. közti elhelyezkedést mutatja.
Nyert! ha 8 bites módban használod, a 2,5V 265 felé osztva, ha 10 bites módban akkor 1024 felé osztva. (Kvantálási lépcső)
üdv! proli007
És ezt az értéket, hogy tudnám átalakítani valamilyen értelmezhetőbb mértékegységgé?
Gondolom a mért feszültség a mért jellemző, csak hát a műszert hitelesíteni kell. E nélkül nem sokat ér.
A mi műszerünk is pont így mér, csak nem 10, hanem 1KHz-ig! De nem egyidőben, hanem egyszer a effektív, aztán átkapcsoljuk és a csúcsértéket méri.
Pontossan, hitelesíteni kellene, mert különben nem sokat ér! Ehez kellene egy rezgőpadon egy hitelesített rezgésmérővel ugyanezeket az értékeket megmérni és utánna összehasonlítani a mi mért értékünkel. A szorzoszámot tárolni és mérés után ezzel a mért értéket beszorozni.
Ahogy mondod.
Esetleg ha a rezgésmérő fejhez van valami igen pontos bemérési jegyzőkönyv akkor abból is lehetne dolgozni.
A fejhez mindíg adnak jegyzőkönyvet a (#146419). sz nov 25. hozzászólásomban találsz egy példát. A kalibrálásról megkérdezheted a SPECTRIS Components Kft. (Link) vagy ha van ismerős akkor BME.
Megvan a jegyzökönyv!
Esetleg ehez a kapcs rajzhoz egy rövid leírást tudnátok írni?
Még egy kérés, ez az utolsó!
Be tudná rajzolni Valaki a Tinába a 7Hz-es aluláteresztö szüröt? Mert az én tinám sajna lejárt! :vigyor3:
Ez lenne a PIC program! De sajna nincs itt nálam a program verzió, csak txt-ben van meg.
Hello!
Nem tudom már nem késő-e, de miért nem szóltál amikor feltettem, már megírtam volna. (Ma egész nap a korházat jártam a barátommal). Hát ezt tényleg csak röviden lehet leírni. A három erősítő fokozat segítségével képezzük a sebesség jel útjellé történő konvertálását, és a mért érték Upp (kétszeres csúcsértékének) egyenirányítását, a tejes (3Hz..1kHz) frekvenciasávban. - Az első analóg erősítő (U1) az integrátor. Ez a fokozat képzi a gyorsulás jelből az elmozdulás (kitérés) jelet. Az integrátor meredeksége, -20dB/dekád. Az integrálási állandókat, a C1 R1 és R2 állítja be. C2 és C3 kondenzátor a DC komponenst választja le a váltóáramú erősítőkről. - A csúcsfeszültség egyenirányítókat, az U2 és U3 erősítő valósítja meg. A műveleti erősítő kiegyenlíti a diódák küszöbfeszültségéből adódó hibákat. Az U2 erősítő, összeveti a bemeneti feszültség csúcsértékét, a C4 kondenzátorban tárolt feszültséggel, és ha a jel pozitív periódusának csúcsértéke magasabb, akkor kinyitja a D3 diódát és így a C4 is erre a feszültségre, töltődik fel. Amennyiben a bemeneti feszültség esik, D3 dióda lezár, így a csúcsfeszültség értéke a C4 kondenzátorban tárolódik. A kondenzátor, az R9+R11 ellenállásokon sül ki, így az ellenállások értéke és a kondenzátor kapacitása határozza meg a kisütési időt. A Z1 zéner dióda a csúcsértéket határolja 5.1V feszültségszinten. Értelemszerűen a jel negatív csúcsértékét ugyan így képezzük, csak az U3 erősítő fokozattal és ellenkező polaritású eszközökkel. A pozitív és negatív csúcsérték, az U4 segítségével összeadódik, és az összeadó fokozat, egyben (kb. 50%) jelszint csökkentést is végez, hogy a kimeneti egyenfeszültség értéke, illeszkedjen a PIC kontrollerben elhelyezkedő A/D bemeneti szintjéhez. üdv! proli007 |
Bejelentkezés
Hirdetés |







