Fórum témák
» Több friss téma |
Fórum » Labortápegység készítése
Ma is be kell kapcsolni egy hiteles méréssorozat előtt a műszereket. Sőt, van olyan is, hogy soha nincsenek kikapcsolva, mindig üzemmeleg állapotban vannak. Számomra az alapvető követelmény, hogy a műszer ne tehesse tönkre a vizsgált eszközt. (Természetesen a felhasználó által elkövetett hibák nem sorolhatók ide)
És mielőtt acsarkodás lenne a vége, nem bántom, és nem minősítem senki munkáját, pusztán a véleményem mondtam el egy hiányosságról, melyet utólag is be lehet építeni, és sokkal üzembiztosabb lesz tőle a tápegység.
Sziasztok
Pár hozzászólás erejéig egy közös beszélgetésre hívnálak titeket. Előzmények: 2008-ban megépítettem ennek a 0-30V 0.02-3A labortápegységnek az eredeti kapcsolását. Azóta megelégedéssel, hiba nélkül használom. Most építenék egy dupla labortápot, ehhez már évekkel ezelőtt beszereztem a méretes fém műszerdobozt, méretes hűtőbordát, teljesítmény tranyókat, toroid trafókat. Most, hogy a padláson leporoltam ezeket a súlyos darabokat, hogy hozzáfogjak építeni, kicsit elbizonytalanodtam. 2014-ben még mindig van létjogosultsága az áteresztő tranyós megoldásnak? Az évek során mennyire hozzászoktunk a könnyű kis kapcsolóüzemű dugasztápokhoz. Az ebayen is kapni kapcsolóüzemű feszültség és áramszabályozós táp modulokat illetve emlékeim szerint ti itt a fórumban is építettek több kapcsolóüzemű tápot. Magam részéről szivesen és örömmel megépíteném a korábbihoz hasonlóan áteresztő tranyóval, de érdekelne a véleményetek. Véleményetek és mérési tapasztalatotok szerint a kapcsoló üzemű megoldással megépített táp lehet olyan jó, stabil, zajmentes, mint az áteresztő transziztoros? Előre is köszönöm a hasznos gondolatokat A hozzászólás módosítva: Aug 17, 2014
Nekem alkotó féle 2.7.4 van, kisebb módosításokkal. Abban sok hiba javítva lett. De vannak gyengeségei.
Az atilla86 féle tápegység jobb paraméterekkel rendelkezik. De a két tápegység egészen más. A hozzászólás módosítva: Aug 17, 2014
Kár a kérdést feszegetni, csak vita lesz belőle. Nekem van ilyen is meg olyan is, de áteresztőset nem építek 0,5A fölé mert minek. Arra ott a kapcsolóüzemű, amivel semmi baj nincs, csak van egy két remekül megtervezett PIC-es áramkör ami nem szereti.
Így van.Az SMPS labortáp,kapcsoló üzemű táppal,nálam is remekül működik vagy másfél éve.
Itt egy kapcsolóüzemű + analóg üzemű labortáp.
A hozzászólás módosítva: Aug 25, 2014
Sziasztok Tudna valaki nekem ellenőrizni egy nyáktervet nem tudom mi lehet a hibája! Privátban keresetek meg legyetek szívesek!
Keresünk,mivel ez egy olyan fórum ahol mindenki privátban beszélget.Ha szégyenled nem kell ide jönni.
Helló! Tedd fel ide az megnézzük , ha csak nem valami tudományos kisérlet!
Sziasztok
Proli mester készített egy nagyszerű hőfokfüggő ventillátorvezérlést, ha jól emlékszem, az Alkotó labortápjához. Sajnos nem találom, nem tudná valaki ismét feltenni? A hozzászólás módosítva: Aug 31, 2014
Köszi! Igen, ez az. Én már egyszer megépítettem egy labortápba, és kiválóan múködik!
Köszönet érte proli mesternek! Amit feltettél, az jóval egyszerűbb, és mivel egy besűrített forrasztóállomáshoz kell, biztos ki fogom próbálni! Köszönöm!
Ha kérdést teszel fel, esetleg oda biggyeszthetnéd a kérdőjelet is, akkor egyértelmű.
Ez a rajz nem labortáp, így nem is ide való. Választhatnál egyet az itteni kapcsolásokból, azokat nagyon sokan megépítették, a megbízhatóságuk nem kérdés! (proli007, pioneer, alkotó nevekre keress rá, ha nem megy segítünk)
Ez ugyan nem "labortáp", de tápegység. A tranzisztorok helyett bármilyen hasonló paraméterűeket használhatsz A készítőnek ezek voltak kéznél, "100" éve mi is megcsináltuk, egészen más tranyókkal, csak a 2N3055 volt az eredeti; kiválóan működött, míg az öcsém haverja el nem lejmolta, de szerintem ma is megy. Vedd igénybe a helyettesítő témát, vagy guglizd ki a hasonlókat.
![]() Az igekötőket írd egybe az igével, tégy ki minden szükséges írásjelet! A hozzászólás módosítva: Szept 5, 2014
Szia! rendben
van egy orister erősítő trafóm .az szerintem jó lesz hozzá üdv Lali
Sziasztok!
Szerettem volna építeni egy 2 kimenettel rendelkező SMPS labortápegységet. Természetesen a panelmérőkkel együtt. Igazából, ez az egység hiányzik még a műhelyből. Elkezdtem gondolkozni a költségeken. Először is kapható 80e.-től már elfogadható labortápegység. Ha mindent bekalkulálok, akkor arra hajlok, hogy, bár jobbnak tartom az SMPSII-t a vásárolhatónál, de egy 50V10A es kettős labortáp fejegysége, a trafó elég szép summa önmagában is. A tudásom, még nem elegendő, hogy egy nagyteljesítményű kapcsolóüzemű fejegységet készítsek. Szumma szummárum arra a következtetésre jutottam, hogy vásárolok egy labortápot. Annak ellenére, hogy az SMPSII szolgáltatásaiban meghaladja a gyári tápegység szolgáltatásait. A megtakarítás ha az SMPSII mellett döntenék nagyon csekély. Vagy ha a dobozolást is bekalkulálom nem áll meg 80e ft-ból nyilván azonos esztétikai minőség mellett. Üdv
Köszi, de proli mester tápját már összeraktam, és kiválóan működik!
Tápegységgel kapcsolatban: Amit Te raksz össze, és olyanra, amilyenre szeretnéd, azzal soha nem vetekszik egy gyári készülék!
Tudom, csak időm nincs most, helyesebben nem erre kell most az idő.
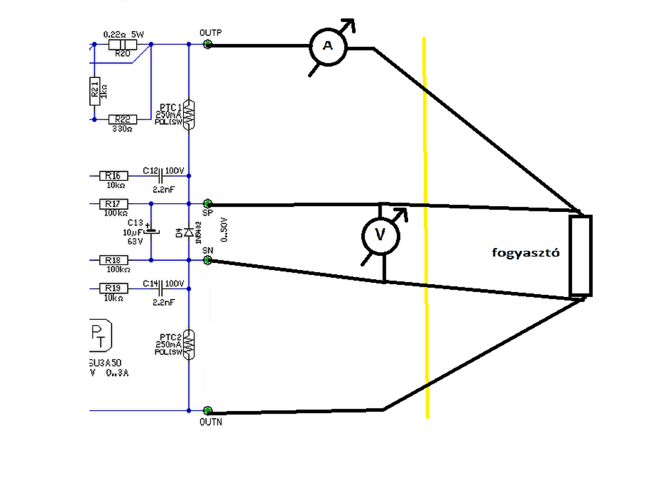
Erről a labortápról lenne egy kérdésem: Bővebben: Link . Nem teljesen világos számomra az SP és SN kivezetések szerepe, örülnék ha valaki felfedné a szerepüket.
Szia!
SP és SN egy amolyan visszacsatoló kivezetés. Mivel a vezetéknek amit a labortápegység és a rá kapcsolt fogyasztó közé bekötsz, annak ellenállása van. Köztudott, hogy egy ohm-os ellenálláson (ami jelen esetben a vezeték <egyenes vezető> ellenállása) minél nagyobb áram folyik, azon az állandó értékű ellenálláson annál nagyobb feszültség fog esni, tehát a vezeték végén már nem biztos, hogy az a feszültség lesz amit te a labortáp közvetlen kimenetén mérsz. Ez az SN és SP kivezetés elvileg azt a célt szolgálja, hogy a vezetéken keletkező veszteségeket valamelyest csökkentse. Sokan ezt már a labortápon belül összekötik, nem vezetik ki külön banán aljzatra. Igazából a veszteség marad, a vezeték ugyan úgy "elfűti" a magáét, csak a vezérlés olyankor a vezeték végéről, a terhelésről szabályoz, és nem a labortáp kimeneti banánaljzatáról. A hozzászólás módosítva: Szept 14, 2014
Köszi, így már világos. Tehát akkor ha jól értem a csatolt mórickarajz szerint lehetséges 4 vezetékes labortápként használni.
Sziasztok!
A 2.7.4-v2 -es labortápot szeretném megépíteni és az lenne a kérdésem hogy a mekkora teljesítményü trafót kellene vennem hozzá?
Vagy ezt a labortápot lenne érdemesebb megépíteni?Bővebben: Link
Melyik kapcsolás alkatrészeit lenne egyszerűbben és olcsóbban beszerezni?
Ez bizonyos értelemben elvi lehetőség, mert nagyon körültekintő kezelés mellett lehetséges csak a használata, és csak hosszú vezetékek esetén jelentős a hatás.
Általában az ilyen tápoknál két gond lehetséges. Ha a "mérőkör" felszakad, akkor kiszámíthatatlan szabályozási helyzetek keletkezhetnek, illetve ha a "segéd" vezetéket terheled szintén galibáknak nézel elébe. Eltérő megoldásokkal próbálnak védekezni, több kevesebb sikerrel ezek ellen. A dolog valódi értelmét szerintem az adja, hogy a labortápon belüli viszonyokat lehet vele optimalizálni, azaz ha a kimeneti csatlakozón közösíted a két pontot, akkor a belső vezetékeken eső feszültségek nem befolyásolják a kimeneti pont feszültségét, tehát ott lesz a stabil pont. Csak annyi lesz a hiba, amit a csatlakozó vezeték okoz.
Ehhez milyen tápot kellene vennem?
Mert a táplálását nem nagyon értem. Gondolom ez a kapcsolási rajza: Bővebben: Link |
Bejelentkezés
Hirdetés |













