Fórum témák

» Több friss téma
Fórum » Elektromos vízkőmentesítő
 
Témaindító: onorbert, idő: Jan 12, 2006
Témakörök:
Lapozás: OK   19 / 28
(#) Raiden hozzászólása Jún 11, 2014 /
 
Hát Én nem vettem figyelembe, csak a menetirányt. Nekem tuti h működik a kapcsolás, savazás után is folyamatosan jön a vízkő és tuti , hogy a kombi kazántól, naponta tisztítom a csapi szűrőket.
(#) Bakman válasza Raiden hozzászólására (») Jún 11, 2014 /
 
Idézet:
„naponta tisztítom a csapi szűrőket.”


Miért? Eldugul? Itthon perpillanat semmilyen szűrő nincs a vízhálózatban, de a csaptelepek szűrőit elég kb. évente kétszer vízkőmentesíteni.
(#) Raiden válasza Bakman hozzászólására (») Jún 11, 2014 /
 
Igen naponta, de mondom a kombi kazánunk miatt is, több mint 6 éves és még nem volt hőcserélő cserélve benne, ami benne lerakódott az kezd feloldódni. már lassan 2éve működik nálam. És mielőtt valaki arra gondolna, hogy a vízhálózatom öreg akkor tájékoztatok nálam műanyag csőhálózat van ami úgy 3 éves.
(#) Rumcájsz hozzászólása Jún 12, 2014 /
 
Akkor jó lenne ha valaki leírná már, hogy milyen elven működik a kapcsolás?! Eddig csak tudományos találgatások voltak, de kezd a vallástudomány felé átcsapni, ugyanis hit is kell hozzá.

Olyanok is állítják hogy működik a kapcsolás akik fém csőre spulnizták fel a két tekrencet, de ez szembe megy minden eddigi fizikai jelenséggel, pláne faraday kalitka létével.

Érdekes tudomány.
(#) enree válasza Rumcájsz hozzászólására (») Jún 13, 2014 /
 
Nálam a bejövő 20as réz csövön van és működik! A feleségem három éve minden fürdőszoba takarításkor dicséri! A csaptelepekről egy !száraz! ronggyal letörölhető a kicsapódott vízkő!
Ha nem hiszed, gyere el, nézd meg, szívesen látunk egy kávéra. Ja, majd elfelejtettem a Vicsys félét építettem meg.
(#) Rumcájsz válasza enree hozzászólására (») Jún 14, 2014 /
 
Oké, de ha valóban működik szembe megy a fizika számos törvényével!
Tehát valami nem kóser!
(#) enree válasza Rumcájsz hozzászólására (») Jún 14, 2014 /
 
Nem kóser, ebben biztos lehetsz, rühellem a kóser dolgokat!!!
Na, viccet félretéve; ilyen mélységekben nem értek hozzá, de tuti működik.
Egyik barátomnak számítógépekkel foglalkozó vállalkozása van, egyszer kapott egy megrendelést; x-típusú alaplap, x-típusú házzal. Minden gépet, ami új úgy rak össze, hogy asztalon összedugja, install és ha minden stimmel, megy a házba, egy próba indítás, aztán mehet a megrendelőnek. Az ominózus géppel is így tett. De a házba való berakás után a bootoláskor megakadt, és nem ment tovább. Nem nyújtom hosszúra a történetet, két hétig hajtotta a szopórollert, mire rájött, hogy nem hardver összeférhetetlenség (hiszen asztalon napokig hibátlanul működött), hanem valami a házzal nem ok. Minden alkatrész cserélve lett, mindent kipróbáltunk, de az az alaplap, soha nem indult el abban a házban. Más lap simán ment benne, de az soha! Az ominózus konfig a mai napig működik, egy másik házban... Kellemetlen volt előadni a megrendelőnek a dolgot, de végül választott egy másik házat hozzá. Sokan hülyének néztek már ezzel a történettel, amit magasról les*arok, de a mi napig nincs rá magyarázat, és azóta se fordult elő ilyen, pedig szerintem mát több ezer gépet rakott össze. Ezek után semmin se csodálkozom...
(#) vicsys válasza enree hozzászólására (») Jún 14, 2014 /
 
Zárlat volt az alaplapi távtartónál. Van ilyen...
(#) enree válasza vicsys hozzászólására (») Jún 14, 2014 /
 
Erre mi is gondoltunk. A teljes lap műanyag távtartókkal le lett választva a házról, tápcsere, procicsere, memóriacsere, mindencsere, változás nulla, az a lap abban a házban nem indult el...
(#) Kovabe válasza enree hozzászólására (») Jún 14, 2014 /
 
Szia
Csak egy kicsi vau, 20-as rézcsövet nem használnak sehol max 22-est. A másik dolog hogy én is szereltem nem egy vizkömentesítő készüléket ami (flodravin) került rézcsőre, vascsőre, horganycsőre és pp-re is de évek elteltével mindenki dicsérte az eszközt. Így én is azt mondom hogy nem probléma a fémcsővezeték.
A másik dolog hogy ha belegondolunk a működésébe akkor igazéból még jóbb is ha fémcső.
(#) enree válasza Kovabe hozzászólására (») Jún 14, 2014 /
 
Jól van na, tényleg 22es itt van mellettem a műhelyben, csak ránéztem, aztán írtam, de most megmértem, és tényleg De a belső átmérője20!
Ahogy az akusztika tanárom mondta, az elbas*ott dolgok kimagyarázása egzakt tudomány
(#) niedziela hozzászólása Jún 15, 2014 /
 
Szia !

kb 10 évvel ezelőtt a szomszédom kérte, hogy készítsek neki egy ilyen áramkört.
Szerencsére van egy ismerős akinek volt egy "eredeti", azt megnéztem, és után építettem.
Nem hittem benne, de ám legyen a szomszédnak... aztán később annyira mondta a szomszéd, hogy alig látszik a vízkő, gondoltam ok, akkor kipróbálon én is, végül is mit veszthetek
És... tényleg jó mert a hetente szokásos vízkő foltok, lerakódások mennyisége lecsökkent annyira, hogy elég havonta egyszer elővenni a vízkőoldót.
Ami durva egy kicsit, hogy kb:400Ft önköltségbe kerül az egész, és ezt 17.000Ft árulják.
De ez már más kérdés.
(#) IMi válasza niedziela hozzászólására (») Jún 15, 2014 /
 
Sziasztok!
Én is építettem egyet magamnak. Mikor felszereltem, kitakarítottam a forróvíztárolót, ez vagy 8-9 éve volt. Ekkor szinte televolt vízkővel, amit alig lehetett letakarítani a főtőbetétről, egyéb alkatrészekről. A tavaly szétszedtem a bojlert (mondván már biztos tele van, a készülék felszerelése előtt 1-2 évente kellet takarítani) szinte alig volt az alján lerakódás, a főtőbetétről csak le kellet rázni a vízkövet(?)! A csapokról is sokkal könnyebb letakarítani.
Nálam biztosan működik. Horganyzott csőre telepítve.
(#) Bakman hozzászólása Jún 15, 2014 /
 
Kedves niedziela és IMi, milyen frekvenciával működik a szerkentyűtök? Egyre kíváncsibb vagyok.
(#) IMi válasza Bakman hozzászólására (») Jún 15, 2014 /
 
Szia!
ITT egy terv. Nincs fix frekvencia.
(#) Bakman válasza IMi hozzászólására (») Jún 15, 2014 /
 
Ezt kipróbálom, de inkább egy PWM képes 12F PIC-kel, lényegesen kevesebb alaktrészt igényel. Azt lehet tudni, hogy a hatásra mennyi idő múlva lehet számítani?
(#) niedziela válasza Bakman hozzászólására (») Jún 15, 2014 /
 
Az első 5Khz működött folyamatosan. (mint annak idején a flodra)
Második 0-10KHz változott egy ideig aztán volt egy fix 5KHz, és ez ciklikusan.
Harmadik(PIC ez csak azért született mert kevesebb anyag kell,kisebb méret...)
0-20KHz változik, fix5KHz - fix10KHz - fix15KHz és ez ciklikusan.

Második és harmadik van használatban, látszatra nincs különbség.
tekercs hossza kiterítve 2.5m x2
(#) gyök2 válasza Bakman hozzászólására (») Jún 15, 2014 /
 
Szia!
Amit én csináltam az 2kHz-en dolgozik. Nagyon egyszerű, PIC sem kell bele. 11 éve teszi a dolgát.
(#) niedziela válasza gyök2 hozzászólására (») Jún 15, 2014 /
 
Nem azért van PIC-el építve mert nem lehet nélküle, hanem mert azt a működési formát amiben van fix freki és sweep is, egyszerübb megoldani.
(#) Tomi111 válasza gyök2 hozzászólására (») Jún 15, 2014 /
 
Üdv!
Én is még egy régebbi flodravint(talán 2000 vagy 3000??) másoltam le. Az is fix frekis. 2-2.5kHz-en megy. Egy 4060-as IC-vel működik és jó! Egyik kimenete a tekercsekre megy, egy másik a LED-et villogtatja. Akár állítható is lehetne, mert van olyan kimenet, ahol 2.5kHz, a másikon pl:5kHz van.
(#) gyök2 válasza niedziela hozzászólására (») Jún 15, 2014 /
 
Csak a tapasztalat (11 év) mondatja velem hogy teljesen felesleges a frekvenciát változtatni. Az a lényeg hogy a vízben lévő kalcium kristályok hegyes tüskéi letörjenek a kristályok "legömbölyödjenek" és így ne tudjanak egymásba kapaszkodni. Ennyi a dolog működés mechanizmusa.
(#) zosza18 válasza Tomi111 hozzászólására (») Jún 15, 2014 /
 
Szia.
Nálam is volt javítani valamilyen magyar gyártmányú készülék, abban egy 556-os volt az "agy" és volt még egy pár alkatrész körítés, de nem volt egy nagy valami, viszont azt csinálta amire való. Fix frekis volt, ha jól emlékszem olyan 2kHz-en ment. Volt működést jelző és hálózati LED is rajta, hogy lássa az ember, hogy működik. Akkor nem keltette fel az érdeklődésem, hogy visszarajzoltam volna, most viszont kezd érdekelni a dolog, úgyhogy össze is rakok majd ha lesz időm egyet, meglátjuk mit produkál.
(#) niedziela válasza gyök2 hozzászólására (») Jún 15, 2014 /
 
Vagy felesleges vagy nem, a floadravin fix frekin kezdte, aztán áttértek a sweep-re 0-5KHz -ig, később ezt kitolták 0-10KHz-re most ahogy látom 2-30KHz -nél tartanak.
Én szubjektive használom a sweep-et is meg a fix frekit is, nem mondtam, hogy csak ez jó
Amire reagáltam sem arra utalt, hogy nem jó a fix freki, ezen kár összekapaszkodni.
(#) Bakman hozzászólása Jún 15, 2014 /
 
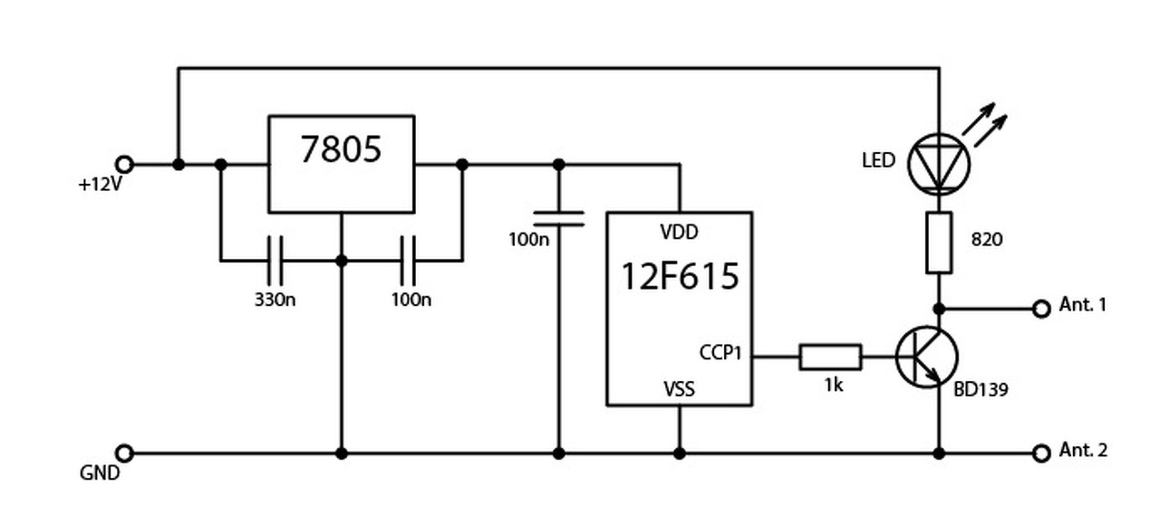
Körbenéztem mi van itthon, egy ilyet (melléklet) megépítek délutáni pihenés gyanánt. Nálunk még horganyzott vascsövön jön be a víz, kíváncsi vagyok. Egy-két hozzászólás szerint működik azon is.

vizko.jpg
    
(#) Bakman válasza Bakman hozzászólására (») Szept 5, 2014 /
 
Nos, úgy tűnik, működik horganyzott csövön keresztül is. Fix 10 kHz-es frekvenciára állítva, 50% -os kitöltési tényező. A csőre kb. 2 x 3 m 1,5-ös MCU-t tekertem, a tekercsek kb. 15 cm-re vannak egymástól.

A fürdőszobai csaptelepet már éppen szedtem volna szét, mert szorult nagyon, de mára olyan simán jár, mintha új lenne.
(#) Rumcájsz válasza Bakman hozzászólására (») Szept 8, 2014 /
 
.hex?
(#) Bakman válasza Rumcájsz hozzászólására (») Szept 8, 2014 /
 
LEgközelebb pénteken leszek a gépem közelében, majd akkor feltöltöm.
(#) vicsys válasza Rumcájsz hozzászólására (») Szept 8, 2014 /
 
Gyorsan összekalapáltam egy tesztet. Ha kell, szivesen megosztom. Itt a video: Bővebben: Link
(#) niedziela hozzászólása Szept 9, 2014 /
 
Egy másik amiről fentebb írtam Bővebben: Link
Ciklusok 5 részből állnak, ezek 25 percenként futnak le, és kezdődnek előröl.
Ez a szegmens változási sebesség csak a video hossza miatt van.
A hozzászólás módosítva: Szept 9, 2014
(#) hkarcsi válasza gyök2 hozzászólására (») Szept 9, 2014 /
 
Szia! Nincs meg veletlenul a nyakterv? Kosz!
Következő: »»   19 / 28
Bejelentkezés

Belépés

Hirdetés
XDT.hu
Az oldalon sütiket használunk a helyes működéshez. Bővebb információt az adatvédelmi szabályzatban olvashatsz. Megértettem