Fórum témák
» Több friss téma |
Köszi az adatlapot, megméregetem azt a mütyűr dual fetet persze csak kiváncsiságból,
mert még ha javítható is, a gépbe már nem szívesen tennék vissza egy mókolt akksit. A kissebbik ícéről nincs valami infód? Ha tudnám mi az, visszarajzolnám az áramkört.
Kinyiffant a második rend NiCd akkupakk a Bosch PVR 18 V fúrógépemből, nagyon rövid életűek voltak ilyent többet nem veszek.Nagyon dicsérik ezeket a 18650 Li-ion aksikat, megpróbáltam és a 2X4 vagy a 2X5 cellás is belefér az akkutartóba.Balanszeres elektronikát rendeltem 4 c-hez de az 5 c-nek az ara egy kicsit húzós 22 euró és úgy döntöttem, hogy jobban járok ha egy Imax töltőt vásárolok ebből a pénzből (max. 6 cellát tud tölteni az adatlapja szerint).Ehhez az Imax töltőhöz 12 V 5 A tápot ajánlanak, most akkor a 4-5-6 cellát hogy tölti fel 12 V-al, van benne DC-DC konverter?
Igen, egy fullos kapcsolás van benne, fel is meg le is tud konvertálni.
Üdv Uraim! A neten kering egy legenda a liio és lipo akkumulátorokkal kapcsolatban, miszerint, ha az akku már nem bírja, le kell fagyasztani 15-20 órára, majd újra feltölteni és ez regenerálja a cellákat. Valakinek ezzel kapcsolatba van tapasztalata vagy próbálta már valaki?
Sziasztok van pár ilyen akksim és szeretném tölteni őket, milyen töltőt ajánlotok hozzá?
nincs rajtuk védő áramkör, az se baj ha egyesével kell töltögetni.
Szia! Elsőre az mondanám, hogy elég nagy hülyeség, de lehet kipróbálom egy telefonakkumulátorral, épp van elfekvőben ilyen célra...
Én is gondolkozok rajta, csak ahogy utána olvastam erősen megoszlanak a vélemények.
Hát ami árt a LiPo-nak stb. az a hideg.
Azaz fel a fejjel, lesz az még rosszabb is, föleg ha olyan emberek osztják az észt, akik még a termék leirását sem tudják értelmezni....
Én is így gondoltam, csak mégis rákérdeztem.
Üdv! Segitségetek kérném, egy fejhallgató töltő ICje LTC4054-4,2. Na most ez az IC valószinűleg tönkrement. A fejhallgatóban van egy kis akksi, amihez van egy USB-s töltő. A kérdésem az lenne, hogy ha én ezt direktbe kötöm az aksival, nagy károkat okozhat-e? Mennyire lenne érdemes ilyen módon "javítani" a készüléket?
Az az IC vezérli az akkumulátor töltését. Ha direktbe kötöd, egyenesen megküldöd az USB 5V-jával ( ha nem szakadt ). Akár fel is robbanhat az akksi.
Esetleg valami áramkorlátot rakni elé ne legyen akkora a töltőáram? Mert igazán nézegetve mire én ezt kicserélném annyit nem ér az egész cucc...1000ft körüli az IC ára+posta plusz javitás, és első töltésnél ez a problámja akadt a készüléknek, tehát valószinünek tartom nem lenne hosszú életű az új ICvel sem.
Szia!
Ebay-n filléres cucc, szerintem rendelj onnan. Bővebben: Link Vagy nem sokkal drágábban kapsz kész töltőt: Bővebben: Link A hozzászólás módosítva: Jan 27, 2015
Ez a 150mAes itt is ilyen árban van vagyis nem sokkalta drágább. viszont töltöttem az aksit 650mA-rel tolta. Van ennek egy 800mAes változata ahogy néztem az ebayen 8-900ft. A lényeg, hogy akkor mindenképp kell valami töltőeletronika. Köszönöm a segítségetek.
Szia!
Ezek fél amperesek,működnek is,nem is kezelhetetlen az áruk. Gondolom panel az másik kell alájuk. Meg vigyázni kell a kiválasztásnál mert egyazon típuson belül többféle végfeszülségű kivitel van.(4,2V 4,35V 4,4V 4,5V).
Jól látom hogy még a tokozás,lábkiosztás is stimmel?
Ha igen,lottózzál!
Helló!
Olyan áramkört szeretnék építeni, amellyel az akku merülésekor 3 és 3,7V között szabályozhatom a nyitási feszültséget, majd a visszakapcsolási hiszterézist szintén állíthassam az oszcilláció elkerülése érdekében. Van erre IC vagy kész kapcsolás?
A használt tápfeszültség is ennyi vagy az több? Ha több akkor relével szoktam megoldani azzal a legegyszerűbb. A relé egy nyomógombbal el van indítva, és öntartásba teszi magát. A relét működtető tranyó bázisosztója pedig állítható egy helitrimmerrel. Ha lecsökken az akkufesz és elenged, utána már nem tud visszakapcsolni mert ahhoz a nyomógomb is kellene.
Magukra hagyott akkukhoz szoktunk ilyet építeni, egyrészt hogy ne menjenek mély kisütésbe, másrészt hogy ne kapcsolgassanak vissza a megszűnő terhelés után megemelkedő feszültség miatt.
Használt? nem teljesen értem a kérdést. Valószínűleg teljesen feltöltött állapottól fogva, tehát 4,2V-tól 3,3V-ig fogom engedni merülni az akkut, majd mondjuk 3,5V-nál vissza engedem zárni az áramkört, amennyiben ilyen beállítás mellett nem kezd el oszcillálni. Habár jelenleg egy öreg akkuval kísérletezem. Egy Li cellás rendszer lesz ez.
Egy relé meg mennyit fogyaszt? több 10mA-t? Ez nem megengedhető ebben az alkalmazásban, még 1mA stand by fogyasztás sem.
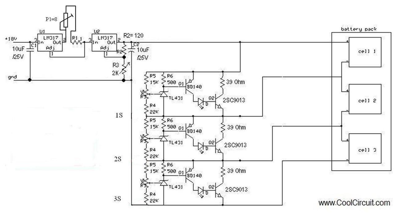
Sziasztok!
Megépítettem ezt a kapcsolást, és segítséget szeretnék kérni. A korábbi hozzászólások alapján beállítottam a kimeneti feszültségeket, de az a bajom, hogy a ledek irtózatos fényerővel világítanak. Mit nem jól csináltam? Kérlek segítsetek! Köszi
Hello! Nem Te rontottad el, hanem aki tervezte a balancer kapcsolást. Ha a 2SC már teljesen nyitva van, és a 39ohm nem tud több áramot átengedni (4V/39ohm=105mA), akkor a BD a bázisáram növelésével próbálja jobban kinyitni a 2SC-t. Csak már tovább nem lehet. Így az áram, a BD-LED-2SC útvonalon folyik le. Ami akár mind a hármat ki is nyírhatja.
Így kialakítva a kapcsolást, cseppet ésszerűbb lett volna.. A hozzászólás módosítva: Feb 18, 2015
Sziasztok!
Egy Galaxy Ace telefonba szeretnék új akkumulátort venni. A kérdésem az, hogy kell-e azt formázni, vagy simán használhatom formázásnélkül? A válaszokat előreis köszönöm!!!
Lépésről lépésre úgy működik a dolog, hogy:
1. Rákeresel ebay-en az akkura, fogsz találni néhány száz Ft-ostól a néhány ezresig bezárólag több félét. Egyiket sem veszed meg, hanem keresel egy köztes megoldást 1000-1500Ft körül, ami jó is lesz és nem lesz drága sem. 2. Megveszed, belerakod a telóba. Ha akarod simán használod, ha akarod teljesen feltöltöd és utána veszed csak használatba. Teljesen mindegy, az akku nem fog megsértődni, nem kell formázni.
Kösz a választ! Amúgy tudom, hogy az ebay-ről nem szabad ilyen dolgokat rendelni...
LiPo akkupakk töltésére keresek töltő IC-t. Adatai alapján a TIBQ24616 tökéletesen megfelelne, csak sajnos a foglalata miatt nem tudom megoldani az otthoni NYÁK-ra ültetését. Nem tudnátok ajánlani valami hasonló tulajdonságokkal rendelkező, de otthon is szerelhető alternatívát?
Üdv!
Az a kérdésem,hogy van egy balancer töltőm Li-ion polymer.Ezzel lehet Li-ion akksit tölteni??Nem értek hozzá ezért kérdezem!!!A töltőn három vezeték van +/- a harmadik nem tudom mi!!Az akksin csak +/- van!Azért kérdezem mert a töltő áram megfelelő lenne. Össze lehet hozni valahogy??vagy felejtős!!
Típus, fénykép?
aksi----https://taviranyitosjatek.hu/Carrera-Li-Ion-akkumulator-7-4-V-700-mAH-800001
töltő---http://managertoys.hu/termek/1303/
Nem lehet mert a töltőd csak balanszolva tud tölteni, ha kihozod az akkumulátor közös kivezetését akkor esetleg.
A LiIon töltési feszültsége 4,2V / cella a LiPo szintén, bár nekem IMAXB6 töltőm van ott külön be kell állítani hogy melyiket akarod tölteni. |
Bejelentkezés
Hirdetés |











