Fórum témák
» Több friss téma |
- Ez a felület kizárólag, az elektronikában kezdők kérdéseinek van fenntartva és nem elfelejtve, hogy hobbielektronika a fórumunk!
- Ami tehát azt jelenti, hogy a nagymama bevásárlását nem itt beszéljük meg, ill. ez nem üzenőfal! - Kerülendő az olyan kérdés, amit egy másik meglévő (több mint 17000 van), témában kellene kitárgyalni! - És végül büntetés terhe mellett kerülendő az MSN és egyéb szleng, a magyar helyesírás mellőzése, beleértve a mondateleji nagybetűket is!
Sziasztok!
Van valami módszer arra, amivel szét lehet szedni a fénycsőfojtót? Le szeretném bontani a tekercset, de egyben. Jó lenne pl. kimenőnek, stb.
És ha kicsi antennával építem meg, és csak a lakáson belül lehet fogni,akkor megoldható?(nem baj ha kb. az összes rádióval vehető sávot lefoglalja a házban)
Nem szabad. Ez illegális. Nem győzzük hangsúlyozni hogy így is eléggé zavartak a sávok, nem kellene még jobban zavarni ilyen valamikkel. Amúgy az NMHH súlyos büntetéseket szab ki ha elkapnak vele. Egyik szomszédod feljelent, bemérnek és már kobozzák is el a készüléket, illetve súlyos összegről kapsz csekket. A terjedés kiszámíthatatlan, van hogy ilyen ,,adóval" a szomszéd szobában sem veszed a jeleket, lehet hogy pár pillanat múlva már a harmadik szomszédot is zavarja. Ha mindenáron építeni akarsz, olyat építs ami nem zavarja a teljes rádiós sávot, és olyan frekvencián üzemeltesd ahol nincs műsorszóró adó, így nem zavarod a szomszéd kedvenc rádióműsorát. Kisebb az esély hogy feljelentenek.
Mivel sok helyen, és széles sávban sugároz, nem lehet tudni kit hogyan talál meg, nemcsak a szomszédot. A jeledet pedig nem tudod a szobában tartani, hacsak nem építesz köré egy Faraday kalickát.
A rádiókomunikációs sávban a vevők érzékenysége kb 3 - 4 nagyságrenddel nagyobb, mint egy kommersz műsorvevőnek. Úgyhogy ne építs zavaró adót.
Egy labortápnak nem csak a feszültsége állítható, hanem a kimenő áramot is korlátozni lehet. Ha szóhoz jut az áramkorlát, akkor a beállított feszültség csökken.
A hozzászólás módosítva: Okt 24, 2014
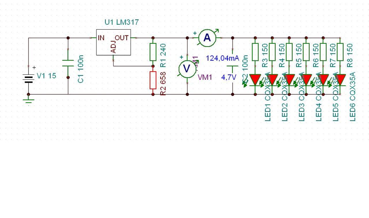
Valamennyit eshet 1-2 tizedet max. Rajzold le a teljes kapcsolást, hogy van kötve az a 317-es, a ledek hogy vannak, mekkora feszültségről megy, mivel, hol, mit mérsz?
Üdv! Az lenne a kérdésem, hogy van egy csomó mikróból való kondim, hogy ezt mire lehetne felhasználni?? Indukciós hevítőt majd szeretnék csinálni ahhoz lehetne használni?
Pont így van megépítve ahogyan lerajzoltad.Gondoltam hogy az lm317 hibás, így megépítettem a nélkül, a ledeket közvetlenül hajtva a táprol. Ilyenkor beállítottam a 4,7 V-ot, amit terheletlenül mértem, amint rákötöttem a ledeket, a feszültség leesett 4 V-ra. 1 led esetében csak 4,5-re.
Valószínű ez lesz a probléma amit nedugi leírt, "Ha szóhoz jut az áramkorlát, akkor a beállított feszültség csökken.", csak nem értem hogy mit is jelent ez pontosan..
Ha a labortápodnál alacsonyabb áram van beállítva mint ami egyébként folyna az áramkörben akkor csökkenti a feszültséget, de Te építettél egy másik kapcsolást is. Egyébként minél nagyobb a bemeneti és kimeneti feszültségek különbsége annál kevesebb áramot lehet kivenni egy feszstab ic-ből, de Nálad a 13-ról 4,7-re még ideális állapot és 120ma-t még max különbségnél is tudnia kell stabilizálni tizedvolton belül. Ha a kapcsolásod jó, akkor rossz az ic.
Erre én is gondoltam hogy rossz az ic, ezért kivettem,nem használtam, hanem a tápról hajtottam közvetlenül a ledeket, és akkor is csökkent a feszültség, a beállított 4,7 V-ról 4 V-ra, de ezt körülbelül 4.-szer írom le.
![]() Itt a probléma részletesen leírva, aki tud megoldást annak nagyon szépen köszönöm! A hozzászólás módosítva: Okt 24, 2014
Üdv!
Egy olyan kérdésem lenne, hogy a CD4017-es johnson számláló ic tud-e olyat, hogy irányváltás a kimeneten? Tehát ha van egy épített futófény megoldható-e, hogy gombnyomással a ledek világításának iránya megváltozzon? Köszi!
Fényképezd le a tápegységet, hogyan van beállítva és a kapcsolást is.
Nem tud.
A labortáp lényege, hogy be lehet állítani egy fix (maximált) kimenő feszültséget rajta. A kimenő áram addig nőhet, amíg a másig forgatógombbal beállított áramot el nem éri a kivett áram.
Nem találtam olyan képet, amin látszik a gombok felirata, de Te látod, segíts.
Üdv!
Ha LM317 nélkül, közvetlenül a labortápról üzemeltetve ugyan azt csinálja, még akkor is, ha az áramkorlát a maximumra van tekerve, akkor hibás a labortáp sajnos. Pár darab LED-nek nem szabad így lehúznia.
Szia! Szét szedtem a trafót és az lenne a kérésem,hogy jelöld már a rajzon látható a vezeték hossza és a csapolások,hol kapom meg itt a fűtés csapolást és a skála izzók csapolását ,Most már a 110 v nem kell és úgy szeretném hajtani,
A hozzászólás módosítva: Okt 25, 2014
Valakinek van ötlete, hogy mi ez a kapcsolás és mire való? Köszönöm.
Bővebben: Link A hozzászólás módosítva: Okt 25, 2014
Megoldódott a probléma: a próbapanel volt a ludas.Olyan nagy számottevő ellenállása volt ami miatt nagy feszültségesés keletekezett.Kipróbáltam egy másik fajta próbapanellel, ugyanazzal az áramkörrel, és nem 6 tized volt feszültségeést tapasztaltam, hanem 3 századot! Azért az nem mindegy!
Többet kínai vackot nem veszek. Köszönöm mindenkinek a segítséget!
Üdv!
Engem valami áramgeneráttorra emlékeztet.
Van egy autórádió antenna erösitöm és van rajta egy fehér kábel, azt hová kell bekötni?
Itt egy kép rolla: Kép!!!
Hasonlítsd össze a többi rajzzal és akkor véleményt mondhatsz erről. Bővebben: Link
Van topikja külön a TDA 7000-nek. ott tudsz tájékozódni! Egyébként Igen.
Kösz a válaszokat. Lenne egy másik kérdésem. Ennek a csatlakozója milyen? (a másik oldalon)
Megfelelő lehet, de a TDA-hoz kell építened valami végfokot, ahhoz a 9V-os elem kevés lesz...
Mit értesz másik oldalon? Két vezeték lóg ki a klipszből. A vezetékek pedig rá vannak forrasztva a patentokhoz.
Erre gondoltam csak nem láttam mert homályos volt a kép.
A hozzászólás módosítva: Okt 25, 2014
A csatlakoztatási eljárást lágyforrasztásnak hívják. Bátran alkalmazd te is!
Csak simán fogjam a két vezetéket és forrasszam bele?
|
Bejelentkezés
Hirdetés |












