Fórum témák
» Több friss téma |
Hát, attól függ, hogy mit táplál. Ha trafót, ami mondjuk egy egyenirányítótóval rendelkezik a szekunderen és még egy jó nagy fojtó is van benne, akkor a szekunder feszültség középértékére kell szabályozni, nem az effektív értékére. Ha motor, akkor is középérték, hiszen a trafó-és a motor fluxusát a feszültség középértéke hozza létre. Ha egy trafót táplál, aminek a vége csúcsegyenirányítás, akkor szerintem nincs korrekt megoldás. Egyébként sem korrekt a négyszögjel miatt... ez a kvázi szinusz, vagy akár az is lehet... de ugye a szinusznál nincs rendesebb megoldás.
Nem is kell foglalkozni trapéz jellel, sokat kísérleteztem szinuszos inverterrel is, egy kis kínait át is alakítottam szinuszosra egy mikrokontroller segítségével. Meg a trafós is megoldható szinuszosra inkább teljes hidas kapcsolásban ebben a megoldásban is már vannak eredmények.
De ennek ellenére amit most használok invertert ami egy szünetmentes táp tulajdonképpen és akkumulátorát napelem tölti az egyszerűen DC 300V!!! Ez azért jó mert a legtöbb fogyasztóban kapcsolóüzemű táp van, illetve a hálózatot is egyenirányítom így sikerült megoldani hogy az átkapcsolás átlapolással szünet nélkül történjen. Szerintem ma már újra lenne létjogosultsága az egyenáramú hálózatnak. A hozzászólás módosítva: Aug 9, 2014
Publikus ez a kis kapcsolási rajz? Érdekelne, mert ezt az ict is betudom szerezni.
Melyikre gondolsz? A napelemes annyira bonyolult hogy ha meglátod elmegy a kedved tőle, de felvázolhatok egy egyszerűbb rajzot is amiből el lehet indulni.
Igen, ha tudod a fogyasztót, hogy az mi, akkor jó. Én nem trapézjelre gondoltam, hanem olyanra, ami négyszög, csak nem teljes kitöltéssel megy. Akkor a középértékre szoktak szabályozni. ( Én ilyet biztos nem használnék semmire... )
A szinuszost is meg lehet csinálni, de ha azt akarod, hogy mindent tudjon, akkor nagyon bonyolult. Pl: áramkorlát? Természetesen áramgenerátoros üzemben. Egyenáramú hálózat? És ha kihúzol egy fogyasztót ami be volt kapcsolva, akkor esetleg húzol egy akkora ívet, ami nem alszik el ( nincs nullátmenet! ) és felgyújtod a lakást... jó ez a váltó, hidd el. A hozzászólás módosítva: Aug 9, 2014
Kihúztam a dugót és megszakadt az ív, ilyen csak 5-10A áramfelvétel felett lehet veszélyes, de csak 50 - 100W-ig használom.
Egy nagyon egyszerü rajzot azt mutathatsz. Én az sg3525-el kérdeztem, vagy ugyanaz a kettő? Egy egyszerü amit tényleg megépíthetek és nem kell hozza oszcilloszkop hogy most nagyon pontosan állítsam be. 100 maximum 200W lenne szükségem így első építésnek.
A lemezelt trafók (pláne hipersil) is elmennek 1(sőt több)kHz-en is; lásd kimenőtrafó.
Sziasztok!
Sokat olvasom ezt a témakört, magam is foglalkozom valódi szinuszos inverterekkel. Kisebb-nagyobb tapasztalattal már rendelkezem, de még mindig vannak "szögletes és habos, szőrös kimeneti jeleim, aránylag szinusz hullám alakúak 100-200W teljesítményen. Böngésztem a neten és találtam egy DRIVER IC-t ez az EG8010. Komplett nyákra van felszerelve, és két IR2110-es meghajtót is tartalmaz. Minden SMD rajta, "csak" 400V egyen kell meg némi alacsony feszültség amiről megy és kész is a szinusz fesz. Akár kilowatt értékű (kimenő tranzisztor a határ) teljesítmény is kivehető. szerintem 2011-es fejlesztés, nem PIC hanem valami cél IC. Ha valakinek van valamilyen tapasztalata erről, kérem írjon, az E-bay-on vettem is kettőt néhány ezer forint volt, még az ára is olyan, ha magam raknám össze, már drágább lenne . Arra gondoltam, hogy a 400V-ot egy TL494-es és némi PC táp trafóval készíteném, egyenirányítanám, szűrném... a kimenő fojtótekercs és a kondija ami kritikus... Ha valaki már találkozott ezzel a modullal, kérem írjon... köszi mindenkinek...
Szia!
Az a gyanúm, hogy a 400V-os DC feszültség szint azért is lehet, hogy a bemenő fokozata aktív PFC is lehessen. kW-os nagyságrendben indokolt lehet a használata.
A 400V-os DC szint azért kell, hogy ne kelljen transzformátort használni a híd kimenetén. A 400V-ból kényelmesen kijön a 325V csúcsértékű szinusz.
PFC a bemenetre? Hát a PFC azért van, hogy a váltakozó feszültségű hálózatból szinuszos áramot vegyen fel egy berendezés, miközben ő maga DC feszt termel a kimenetén. Akkor ez úgy lenne, hogy a bemenet 230 V AC 50 Hz, aztán 400V DC, aztán egy inverter, ami megint 50 Hz, 230 V AC-t csinál. Ennek legfeljebb akkor lenne értelme, ha a 400V-on még lógna egy akkumuklátortelep. De akkor már szünetmentesnek hívjuk.
Igen okos kis alkatrész. Köszi, hogy felhívtad rá a figyelmet.
Sziasztok!
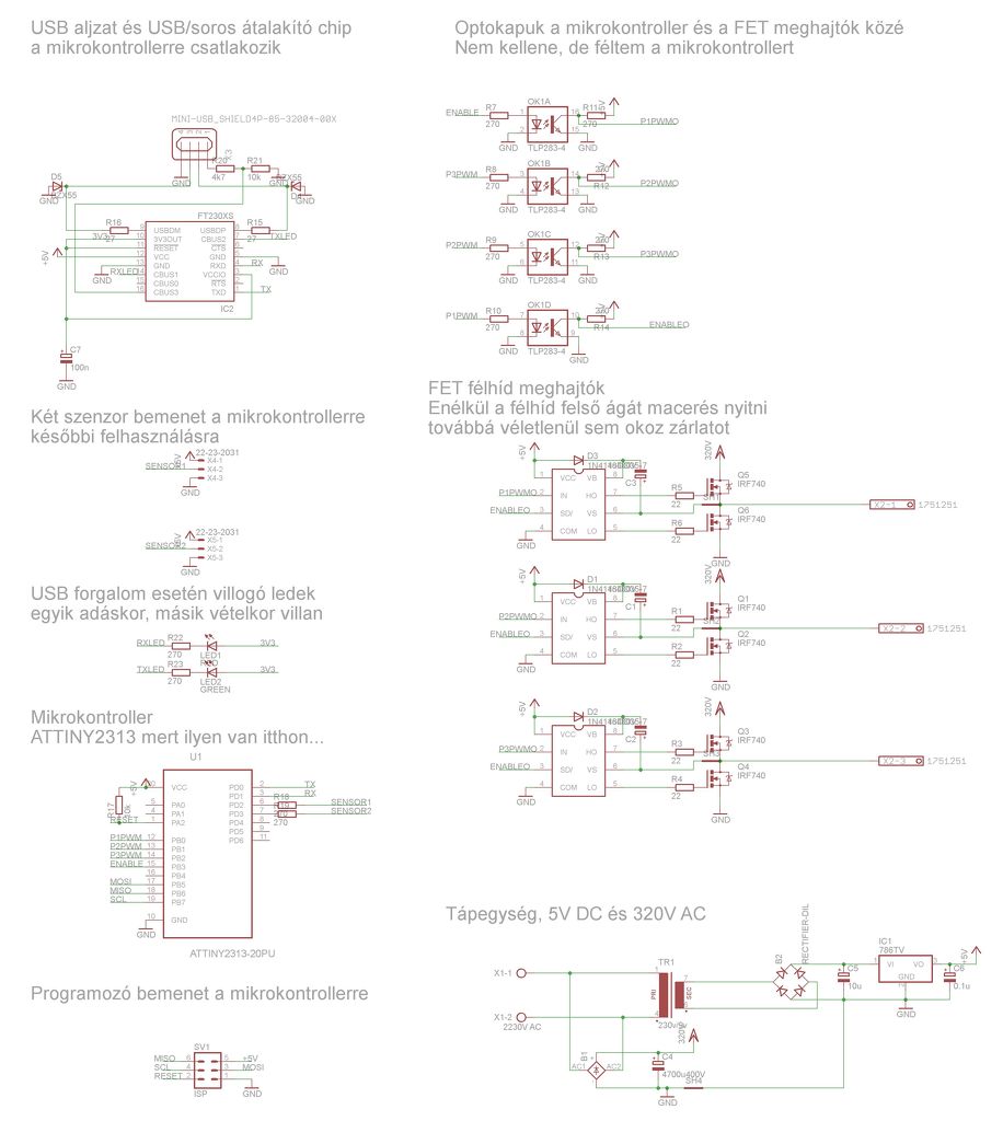
Iskolai feladatként kezdtem el építeni egy PC-ről vezérelhető 3 fázisú invertert, közel már a vége, de elakadtam. Nem várom, hogy megoldjátok helyettem, de közel a leadási határidő, ezért ha tippetek lenne az alább vázolt hibát illetően, azt szívesen látnám. Felépítése, ami a kapcsolási rajzon nem biztos, hogy látszik: PC (USB) -> FT230XS (USB-UART) -> ATtiny kontroller -> 3db félhíd meghajtó -> 6db FET Kapcsolási rajzot csatoltam, de a megvalósítás során némileg eltértem tőle. A kontrollernek más-más lábaira került a PWM jel, DIP8 tokos félhíd meghajtó helyett SO8 lett egy picike átalakítóval (mert DIP tokosat nem kaptam), illetve nem IR2104 hanem IR2302S meghajtót használtam. Jelenleg a trafó még nincs beforrasztva, a 7805-ös IC-t külső forrásból táplálom, tehát a FET-eken sincs még terhelés. Probléma: A bekapcsolás után a PC felismeri az áramkört, kommunikálnak szépen, majd pár másodperc múlva a 3 félhídmeghajtó egyike (mindig ugyanaz) tűzforró lesz, lábain a forrasztás serceg (nincs zárlat, elvileg) majd az USB kapcsolat is megszakad. Utóbbin nem csodálkozom, mert a forró meghajtó megrángatja picit a tápfeszt és az FTDI chip ezt nem szereti. A kontroller talán még él, a kivezetett ICSP lábakon programozni még lehet. Gondom, hogy ha az áramkör alapvetően hibás, akkor miért csak az egyik meghajtó hal meg? Érdekes adalék, hogy a FET-ek közül 5db azonos gyártótól származik, a hatodik másiktól. Természetesen pont az eltérő gyártók párosa van a forrófejű meghajtóra kötve. Analóg szkóppal a meghajtó lábain -általam- nem várt értékeket mérek. Ti mit mérnétek elsősorban? Merre kezdjem el keresni a hibát? Köszönettel, Vince
Szia!
Egy azonnal látható probléma: az 5V-os gate tápfeszültség nagyon kevés. A melegedő IC körül ellenőrizd az alkatrészeket, dióda polaritást, stb.
A melegedés lehet nem ettől van, de a 320V GND-jét nem szabad összekötni az 5V GND-vel. Így balesetveszélyes az áramkör.
Az 5V az adatlap szerint elegendő, ha jól értelmezem: IRF740 datasheet
Diódát és kondit már néztem, más meg nincs ott... A túl nagy frekvencia nem lehet baj? (31kHz)
Köszönöm a hozzászólást, jelenleg a 320V még nincs bekötve, tehát a melegedés oka nem lehet.
Figyelmeztetésed észben tartom majd arra a pár percre, amíg bemutatom az áramkört. Ha majd működni kezd.... aztán kukázom, mert belátom, igazad van.
Érdemes legalább 10V-os gate-feszültséget adni, mert a treshold-feszültség környékén még jócskán nem nyit ki teljesen a MOSFET.
A hozzászólás módosítva: Nov 2, 2014
Ok. De arra is vigyázz, hogy a bemutató alatt az 5v-os rendszer galvanikus kapcsolatban lesz a 230v-tal, aminek a PC USB portja lehet hogy nem fog örülni. De ami a lényeg: az áramkör bármely pontjának megérintése áramütést okoz.
3 fázisú 16W-os motort szereztem, annak elég lesz. B terv hogy nem teszek rá motort, csak szkópot. De ott még nem tartok, amíg a meghajtóból kijön a füst.
A fetnek minimum 8-9V kell a normális bekapcsoláshoz, és jó nagy áram ha azt szeretnéd hogy ez a bekapcsolás minél gyorsabban végbemenjen.
Az optó egyáltalán nem ide való, szerintem ez is gond. Az adatlapja szerint akár 20us is lehet a be és 90us ! a kikapcsolási ideje, miközben az áramkörnek 32us-al kellene működni. Ide gyors optó kellene (HCPL sorozat us alatt), ami nagyságrendekkel gyorsabban kapcsol. Mondjuk az elé meg nem árt trigger fokozatot tenni, mert a billenés határán érdekes dolgokat művel.
Elméleti ismeretrim szerint ebben nem vagyok ennyire bizonyos, legfeljebb majd alaplapot cserélek. De ott a felmerült hiba miatt még nem tartok.
Kimegy a fázis a közös testekre, tehát egy másodpercig sem lesz jó a dolog és ezt nem csak elméleti szinten kell belátni.
Melegedhet (konkrétan megégetett) a félhíd meghajtó amiért nem nyitott ki a terheletlen FET?
Alkatrész beszerzési gondok miatt amúgy másik, gyorsabb opto került bele, de teszek egy próbát és áthidalom.
Az eagle-t meg kellett erőszakolnom, hogy összekösse a nyákterven a két GND-t, egy kis kapargatással szét tudom választani őket. De ettől még fennáll a hiba...
Írtam már, hogyha csak egy gate-drájvernél áll fenn a hiba, akkor ott, annál az egynél lell keresni azt. Hasonlítsd össze a többivel és keresd meg a különbséget, akár ohm-mérésekkel is.
Szkóp nélkül ez csak tapogatózás a sötétben.
Fet-et vagy drivert mérjek? Vagy bármit ami a környéken van?
Leginkább bármit, összehasonlításos módszerrel.
|
Bejelentkezés
Hirdetés |




. Arra gondoltam, hogy a 400V-ot egy 






