Fórum témák
» Több friss téma |
Szia! Ezt hogy gondoltad? Töltöm-merítem-töltöm merítem? És lehet hoyg magához tér? Ez olyan ólmos akksis megoldás, de én is gondoltam erre, de nem egyszerű lemeríteni mert kis pihenő után újult erővel dolgozik és sokszor képes erre.
Leírom hogyan (nem) működik: Az a fura benne, megy a fűnyíró full feltöltés után 5 percet, de már 3 percnél lehet hallani hogy gyengébb. Aztán megáll, de (még mielőtt leállna a forgás) elindul, leáll, elindul, majd megint megy 3-4 percet. Ha hagyom állni csak 5 percet is, akkor megint full erővel megy 4-5 percnyi időt és kezdi a leáll, elindul dolgot. De ezt a "pihenő után kicsit megint megy" dolgot tök sokszor meg lehet ismételni vele, és az ismétlések alatt nem, vagy csak alig-alig megy kevesebbet, mint az első pihenés utáni körben. Ezért gondoltam arra, hogy van 1-2 cella, ami nem jó, és azok kimerülnek, leesik a feszültség összeg, megáll a gép. Kis pihenő után a többi cella feltölti a lemerülteket és megint tud működni. Ha jól tudom a LI-ionos gépek nagyon figyelik a merülést, nehogy túlmerülés legyen. Viszont ha ebben igazam van, akkor hiába mérem a cellákat, amíg azok össze vannak kötve, mert töltik egymást. Pedig ahol láttam ilyen videót, ott simán kimérték, hogy melyik a hibás cella, mert alig adott le feszültséget. Persze lehet hogy azok döglöttek voltak, ezek meg csak nem jól működnek. A megoldás az lenne, hogy lemerítés után gyorsan szétszedni cellákra az egészet és úgy kimérni? Talán... De amíg nincs csere akksi addig nem merem teljesen szétvágni őket. Kovidivi: ilyesmire gondoltam, köszi. Csak a hosszas lemerülés és ismétlés miatt nehéz megmondani mikor van tényleg lemerülve az akksi. Cellákra bontás nélkül esély sincs a kimérésre?
Akksi helyett adj neki labortápról feszültséget. Nagyon ùgy tünik, mintha nem az akksival lenne a gond, hanem valami tùlmelegszik, és bekapcsol a védelem. Ha párhuzamos kapcsolásban egy cella rossz, attól még nem fog a feszültség leesni, csak rövisebb ideig fogja bírni az a rész. Ha egy egész ilyen párhuzamos csomag rossz, azt észre fogod venni multival.
Feltöltöd rákötsz szorban 4 autólámpát rövid fény 90W például, az 360W/48V azaz 5,6A terhelés 36Von. A megbontott csomagban mész sorban és méred melyik cellán mennyi a feszültség. Hamar megmutatkozik melyik gyenge. Vigyáz mert eshet is a feszültség még méregetsz. Ha van gyanús, akkor lekapcsolod a lámpákat vársz, mikor helyreállt az aku, voltmétert rá a gyanús cellára, kapcsolod a terhelést és nézed, hogy esik a feszültsége.
Ha nincs balanszer a töltőben, akkor lehet, hogy csak külsőleg fel kell tölteni a legyengült cellákat és megy tovább, ha még nem károsodott tartósan. Szer.: Most látom, hogy nem csak soros hanem párhuzamos is. Akkor csak terhelésre mutatkozik a gyenge pár, de hogy a párból melyik rossz azt tényleg csak megbontással lehet megállapítani. A hozzászólás módosítva: Okt 15, 2014
Idézet: „Szia! Ezt hogy gondoltad? Töltöm-merítem-töltöm merítem? És lehet hoyg magához tér? Ez olyan ólmos akksis megoldás, de én is gondoltam erre, de nem egyszerű lemeríteni mert kis pihenő után újult erővel dolgozik és sokszor képes erre.” Így van, pontosan így csináltam én is, nekem életre kelt az a cella, amelyik * anno. Ma is üzemel, igaz már nem vesz fel annyit, mint újkorában, és egy * rövidebb ideig is bírja mint az egészséges társa. De még így is jobb, mintha úgymaradt volna anno. ![]() * Nem a kocsmában vagyunk! A hozzászólás módosítva: Okt 15, 2014
Ha egymástól függetlenül töltesz cellákat, akkor igen. Ha sorbakötött akkupakkot töltenél, akkor nem.
Üdv.
segítséget szeretnék kérni, az lenne a gondom hogy van egy laptop akkumulátorom li-ion 11,1V 4400mAh, 6 cellás és sorba vannak kötve párosával. Szeretnék építeni hozzá egy töltőt amire már csak rá kéne dugni az xVoltos XAmperes adaptert és tölt. Mikor szétszedtem akkor volt benne egy gyári ilyen elektronika de nagyon bonyolultnak tűnt és nehezen tudnám hasznát venni.
ez szuper
köszönöm, kár lenne vele bajlódni.
Sziasztok! Érdeklődni szeretnék, hogy egy ,,modern" LI akku pakk mitől kezd el felfújódni? Egy ideje már látszott hogy kissé puklis az akku, de eddig nem volt vészes a puklisodása. Aztán néhány napja elkezdett egyre jobban puklisodni, majd ma végül megváltam a kicsikétől, mert igen csak erősen és határozottan elkezdett púposodni az akku. Egy kis 3,7V pár mA kapacitású akksiról van szó, ami egy kis övre csíptethető mp3 lejátszó áramforrása volt. Az akkuhoz nem volt nyúlva részemről, rövidre sem volt zárva, egyszerűen le volt téve az asztalra, és álló helyében kezdett el puklisodni, és az egyik sarkánál már láthatóan szivárgott is belőle valami... Tud valaki magyarázatot adni erre nekem?
Szia !
Valószínű meghibásodott a töltő elektronika és túltöltötte az akkut. Az ilyen kis méretű készülékbe épített akkuk töltőáramköre a készülék panelján található.
Túltöltés-mélykisütés-természetes elhasználódás. Olyan púpos lett, hogy nem tudtam felrakni a telefon hátsó fedőlapját.
Elképzelhető, hogy a gyári elektronika túltölti-mélykisüti néha. Ne tartson 10 évig, fogyasztói társadalom.
Sziasztok,
Segítséget kérnék.Vásároltam TP4056 IC-vel felépített töltőket.Ebből szeretnék balanszeres töltőt készíteni.Mellékeltem egy rajzot,hogyan kötöttem össze.Az akkupack-ra először az "A" majd a "D" pontot kötöttem.Amikor a "C" pontot akartam forrasztani az "A" pontnál lévő modul elfüstölt. Van valakinek elképzelése mit rontottam el? A cellákat kettesével tudom tölteni 1 modullal.
Szia
Én nem értek hozzá de szerintem ez így nem működőképes.Főleg ha közös táprol hajtod a töltőpanelokat.Nem tudom mennyiért vetted ezeket,de az e-bay-on kb 5000 egy normális balanceres töltő amihez csak egy táp kell.Az úgy tölt,hogy egyszerre tölti a sorba kapcsolt cellákat pakkokat.Majd egy bizonyos feszültség szint elérése után visszaveszi a beállított töltőáramot.Amelyik cella elérte a végleges feszűltségét arra a balance kábellel rákapcsol egy ellenállást és elfűti a töltőáramot.Mindezt egy processzor vezérli.
Szia,
Köszi az észrevételt. Kapcsoló üzemű töltőből(230be/4,2ki) már kötöttem össze hármat,az megy gond nélkül.Feszültséget nem kapcsoltam a töltőkre.Csak az akku volt rajta amikor elfüstölt.
Szia, nézd meg ennek az IC-nek a javasolt kapcsolását. Ott látszik hogy a betáp 0 pontja (GND) közös az akku negatívjával. Szóval ha két ilyen töltőt egymás mellé teszel és a bemenet ugyanazon tápról megy, akkor az akkukat nem közösítheted, mert valamelyik cellát rövidrezárod értelemszerűen. 3-nál is ugyanez a helyzet, csak ott egyből két töltő kimenete és 2 cella (a te esetedben 4 cella) lesz rövidzárban. Ezt így felejtsd el. Vagy fogj egy olyan trafót, aminek van 3 elkülönített szekunder köre, és azt egyenirányítva add be a töltőnek vagy 3db 5V-os kapcsitáp. Vagy töltés közben szét kell választanod a sorbakapcsolt cellákat.
Helló
Ezeknél a töltőknél honnan tudom, hogy mikor töltődött fel az akku? Nem látok rajta ledet.
Szia,
Köszi a segítséget.Akkor maradok az eredeti elképzelésnél. üdv
Sziasztok!
Van egy régi laptop akkumlátorom, ami a gépben már 1 percig nem bírta. Eredetileg ez egy 14,8V 4400mAh -s HP akku, 8db SF US18650GR T G5149LK15G feliratú zöld cella van benne. Ledes lámpában szeretném hasznosítani ezeket, ha lehet. De hogy lehetne működésre bírni? Valahogy szét kéne szedni a ponthegesztett összekötő lemezeket és egyenként feltölteni a cellákat? Köszönöm
Sziasztok!
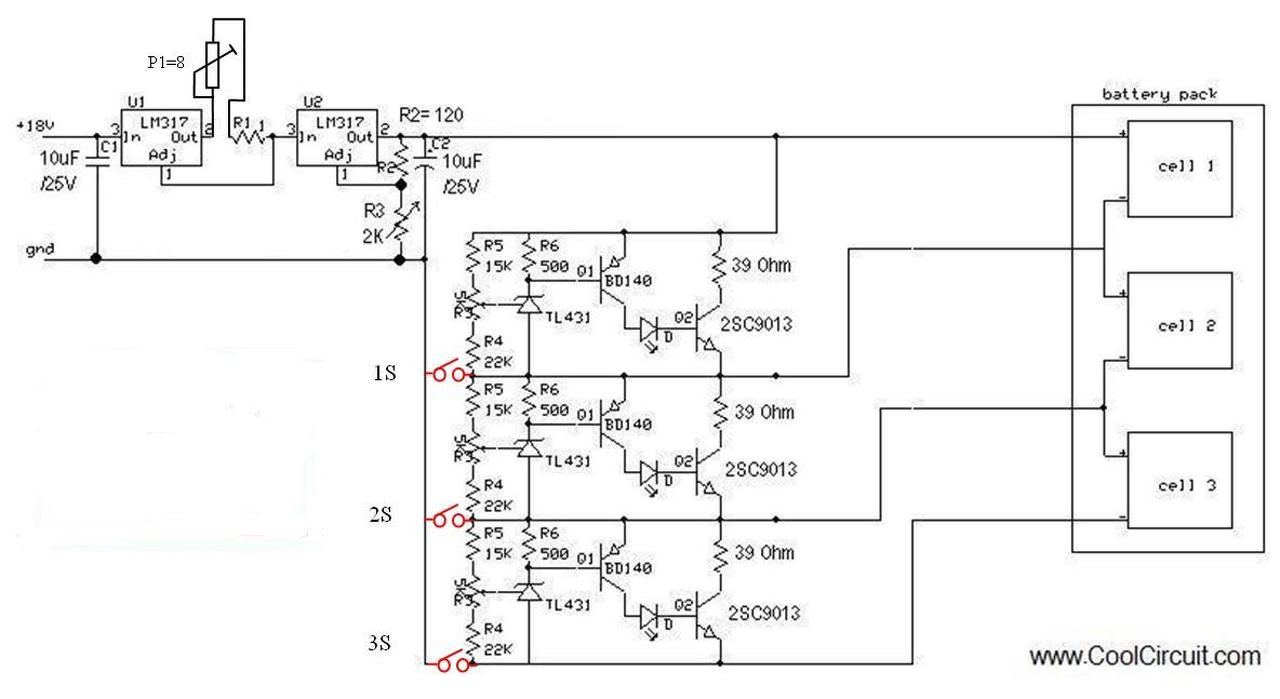
Segítségre lenne szükségem. Ezt a kapcsolást szeretném megépíteni. De egy kicsit megvariáltam, hogy szabályozható legyen, és a cellák számát is lehessen állítani. A kérdésem az lenne, hogy ez így működőképes? Főleg a potis részre gondolok a cellaszám nem annyira fontos. A poti 8 ohm/15W-os. Előre is köszi.
Hello!
- Az áramszabályozással nincs gond, ha a poti tényleg egy 15W-os huzal, mert az várhatóan elbírja a töltőáramot. Ami kb. 100mA..1,2A-ig lesz így szabályozható. - De a cellák kapcsolása így nem lesz jó. Hiszen a feszültségszabályzó kimenti feszültségét is változtatni kell a cellaszám szerint. Vagy is a szabályzót is kapcsolgatni kell, nem csak az aksit. Egyébként az is megoldható, csak két-áramkörös kapcsoló kell és más szabályozási mód. - Viszont ezt két okból sem javasolnám. Ha figyelmetlen vagy, akkor a kapcsolóval rövidrezárod a betett cellát. Másik, hogy az áramszabályzó pld. egy cella töltésénél fűteni fog rendesen. Tehát talán célszerűbb a Shunt szabályzót úgy kialakítani, hogy ne csak a cellák közötti kiegyenlítő áramot, hanem a teljes töltőáramot képes legyen "felzabálni". Így, ahol "hiányzik a cella", ott elfűti a töltőáramot, és kapcsolgatni sem kell. Az áramgenerátor terhelése így cellaszám független és a hőtermelés is szétoszlik. Kapcsolni sem kell semmit. A kimenő feszültséget meg maximális cellaszámra be lehet állítani vagy egyszerűen nincs is rá szükség, hiszen ott vannak a Shunt szabályzók, majd azok elvégzik a dolgukat.
Késsel meglazítottam a ponthegesztést, ragasztást, aztán adtam neki kombinált fogóval.
![]() Mindhárom cellán 4,04V-ot mértem. Ez is új korában 1 órát tudott, most 10 perc után kikapcsol. 1C kisütőáramra szerintem nem érdemes terhelni a 18650-eseket, a 0,5C kisütőáramot valószínűleg tartósan elviselik.
Köszönöm a válaszodat.
Én is gondoltam, hogy a cellaszám kapcsolgatása így nem lesz az igazi, de inkább megkérdeztem. Most már mehet az építés.
A bóvli kategória az valóban. A jobbakat meg terhelni is lehet. A Sanyo ami nekem az akkus fúrómban van ezer párszáz mAh kapacitású, és folyamatosan lehet 20-25A-el terhelni.
A beépített védelemtöl is függ a kimenö áram. Védelem nélkül lead sok Ampert is, de akkor rövidzárlatnál bajok lesznek, plusz a cella melegedését is kezelni kell. Egy laptopban pedig be van korlátozva a maximálisan folyó áram, ez hardverkiépítéstöl függ, és a cellákat is ehhez választják. A védelmet meg is tudod kerülni, vagy kiszedni próba erejéig, de csak óvatosan! Nekem egyik cellámnak megsérült az oldalán a borítás, akkorát szikrázott mikor véletlenül rövidzárat kapott, ugrottam egyet...
Hegeszteni vagy gyorsulási versenyre biztosan jó, de én 2 órás kisütésre keresek gazdaságos megoldást.
Sziasztok! Kérdésem a következő: van egy ilyen eszközöm, ami törött, töltő, egyebek nincs hozzá, a benne lévő akksi le van merülve 2,8V-ra. A másik hasonló kérdésem:van egy mobiltelefon akksim, az pedig 3V-ra van lemerülve. Fel lehet ezeket még valahogy tölteni(óvatosan)? Előre is köszönöm a válaszokat!
|
Bejelentkezés
Hirdetés |






köszönöm, kár lenne vele bajlódni. 






