Fórum témák
» Több friss téma |
Idézet: „Neked aztán bármit leírhat az ember...” Most ezt nem értem miért írod? A hozzászólás módosítva: Dec 6, 2014
Sajnos, nem tudom elmagyarázni, mert azt sem értenéd meg. Tőled rögtön sikítófrászt kapok...
Ha nem cél a stabil feszültség, akkor ebből is tudsz pillanatok alatt rezonánsat csinálni. Kiveszed a szekunder körből a fojtót, a trafó primerjével meg sorba kötsz egy megfelelő értékű kondit, ami rezonál majd a trafód szórásával. Ha simán van tekerve, akkor próbaképpen beteszel először egy 220 vagy 330nF-ot és megnézed hogy néz ki a primer áram.
A stabil feszültség mindenképpen cél. Ez elsőre jól működött, az IR2110 kimenetei 2A-t bírnak, szemben az IRS27951 párszáz mA-ével, így nagyobb MOSFET-ek alkalmazásának sincsen akadálya. Számításaim szerint ETD59-es maggal az 1200-1300W is simán elérhető - nagyobb teljesítmény igény esetén meg úgyis teljes hídban kell gondolkodni. (Természetesen nem azt állítom, hogy a rezonáns nem használható - egyszerűen nekem nem jött össze, míg ezt a típust gond nélkül után tudtam építeni.)
Kialakítás és felhasználás kérdése. Gyári és épített hegesztő inverter is létezik félhidas elrendezésben is, és ott 3-3,5kW szaladgál. Van benne 2-2db IGBT. Persze az nem az IR meg IRS kategória, ott ezeket el kell felejteni.
Sziasztok! Egy gyári kapcsolóüzemű 12V-os tápot szeretnék használni egy saját készítésű erősítőhöz. Eddig trafós tápról ment zajmentesen, de bedobozolás és a helyhiány miatt akartam a kisebb méretű kapcsolóüzemű tápra váltani. A gondom ezzel az, hogy a kapcsolóüzemű táppal halk sipolás is jelen van a hangszórókban. Milyen megoldás van ennek kiküszöbölésére?
Kb 20 Ft és az IRS27951 is tud nem 2A, hanem >3A-t. (NPN, PNP tranyó)
Én konkrétam 3A bekapcs és 9A kikapcsot mértem 10nF-ba. 1,2-1,3kW elérhető akár egy ETD44 maggal is, persze attól is függ, milyen a mag anyaga.
Érdekelne, milyen adatlapon láttad ezt a 3A-t? Amiket én találtam, azokon:
Output source current: 300 mA Output sink current: 900 mA
Az IC után beraksz kimenetnként 1-1 darab NPN és PNP tranyót. Előbb ott volt zárójelben, nagyon trivi dolog, gondoltam leesik. Kb 20 Ft, vagy max 30
![]() Vagy még most sem érthető?
Más néven buffer: Bővebben: Link.
Szevasztok,
ha már a gate meghajtásról van szó, nem emlékszem hogy ki e lett vesézve a gate ellenálás észszerű nagysága. Például egy FET adatlapján 10Voltos gate (3.9nF) feszültségnél, 22Ohmos kisütő ellenálással a teljes kikapcsolási idő 480ns. A kérdés:Tehetünk kissebb ellenálást, például 4.7Ohmossat, vagy mi a minimális határ?És az ellenálás csökkentésével arányossan csökken a kikapcsolási idő?
Szia!
Ha ezek szerint láttad kiszámítást, kisebb lesz biztos. ![]() Én pl. 3R3-mat rakok oda. Tranyóknál is többfajta áramot megadnak, mint egyéb félvezetőknél (FET, tirisztor, triac, LED..) és az impulzusáram idő függvényében többszörös lehet általában. Mindenhol nem tüntetik fel, vagy éppen nem nézi(te)k meg a karakterisztikákat.
Hogyne lenne érthető! De ez esetben nem az " IRS27951 is tud nem 2A, hanem >3A-t", hanem külső áramköri elemek segítségével éri el azt, amit az IR2110 önmagában tud. Ilyen alapon én is mondhatom, hogy egy tonnát tudok felemelni - emelőtargoncával... Ja és ha adnál egy linket az IRS27951 20 (max.30) forintos beszerzési helyére, azt megköszönném!
Kicsit félreértetted. A tranyók kerülnek annyiba, nem az ic.
A hangsúly azon volt hogy a 4 tranyó olcsóbb mint az IR. Egyébként meg amikor már kW-okról van szó teljesen mindegy hogy melyik hány A-t tud, mert úgyis előjönnek a problémák a felső oldali gate meghajtás és a zavarérzékenység miatt.
A gate trafó rendszeresen szidva van, pedig az elhajtja a 2db párhuzamosan kötött IGBT-t is, (de olyat is láttam gyári megoldásban ahol 4-4db fetet hajtott) sőt ilyen helyre nem is nagyon használnak mást. Tapasztalatom alapján is okkal.
Az lenne a kérdésem, hogy van hálózati zavarszűrő trafó ami mondjuk 2*0.5 Ampert bír. És nekem közel 1 Amperre kellene. Akkor jó-e az úgy, hogy párhuzamosan kötöm egynek a tekercseit és külön teszek egy egy zavarszűrőtrafót a fázisra is és a nullára is? -Vagy a kettőnek párhuzamosítsam egy egy tekercsét?
Nem, de azért rajzold le, mert csak félig értem az elgondolásodat.
Közös módusú, vagy differenciális? Én úgy veszem le, hogy te nem tudod melyik melyik.
Ha közös módusú, akkor ott nincs telítés, így egyszerű megnézni szimplán a huzalt. A legtöbbnél bizonyos melegedésre definiálják az áramot, így mondjuk egy olyan dobozban, ahol ventillátor hűtést is bír, ott elbír többet. Differenciálisnál telítéssel kell számolni, így ott nem fog többet bírni. Ha nagyobb áramú közös módusút szeretnél, akkor újratekerheted vastagabb huzallal, de a kisebb menetsám miatt kisebb lesz a csillapítása (de amúgy szélesebb frekisávon, mert csökken a parazita kapacitás). Ha azonos csillapítás kell, akkor a vastgabb huzallal tekertből köthetsz kettőt sorba. Párhuzamba én nem kötném őket. Idézet: „teszek egy egy zavarszűrőtrafót a fázisra is és a nullára is” Ha külön teszel, akkor az differenciális módust fog szűrni. Általában célszerű közös módúsú és differenciális módusú zavarszűrést is alkalmazni (feladatfüggő mindig, kapcsolófreki áramhullámossága mennyire megy ki), így amit írsz, alkalmazzák, de nem azért mert az áramot növelik. A hozzászólás módosítva: Dec 7, 2014
Igen ez újdonság. Mikor használnak közös módusút és mikor differenciálisat?
Abba a hitbe voltam eddig, hogy csak spórolás miatt teszik egy magra a két tekercset. De akkor van valami szerepe a közös vasmagnak ezek szerint. Amit még nem értek, hogy eddig úgy tudtam a fázis és a nulla tekercs ellenfázisban van bekötve, de ahogy látom nem, mert a tekercs kezdővégére jön be a nulla is és a fázis is menetirány is egyforma. Azt sem értem miért ne lehetne párhuzamosan kötni akkor megoszlik az áram a két trafó között és az induktivitása egyforma maradna.
Valahogy nem tiszta az egész. Ha a fázis és a nulla tekercse nincs ellenfázisba kötve akkor mit szűr? Olyan mint egy bifiláris tekercs. Hacsak nem a földelés-fázis vagy föld-nulla között keletkező zavart akarná szűrni.
Idézet: „Valahogy nem tiszta az egész. Ha a fázis és a nulla tekercse nincs ellenfázisba kötve akkor mit szűr?” Pont a közös módúsú zajt ![]() Itt van ni egy kis angol nyelvű anyag, vagy német nyelvű anyag a közös és differenciális módú azvarokról. Sajnos magyart nem tudok így hirtelen mellékelni. Először ezeket tanulmányozd át, és értsd meg a közös módusú és differenciális módusú zaj fogalmát.
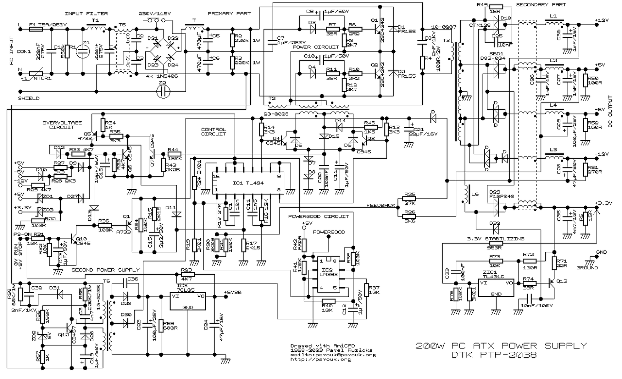
Csatolok egy PC táp rajzot, ezen látszik hogy melyik zavarszűrő hogy van bekötve. A régebbiek mind így néztek ki, már amelyikből nem volt kispórolva.
Nem baj, ha nincs villamos képzettséged, utána kell olvasni (de ha csak nem figyeltél a suliban, akkor is).
Nyugodtan köss párhuzamosan kettőt, vagy tekerd át a kettőt eggyé, vastagabb huzallal (párhuzamosan a régi huzallal). Legjobb,-ahogy Laci írta-, mindkét módot alkalmazni. Az angol jól leírja a legszükségesebbeket a megértéshez, de azért ez hosszabb téma. Németül nem tudok (még annyira sem).
Akkor bocsánat - valóban azt hittem, az IC-re mondod, hogy 20-30 Ft!
Nem sokat tudok angolul, de aszem már kezdem érteni a lényegét.
Sziasztok! Egy gyári kapcsolóüzemű 12V-os tápot szeretnék használni egy saját készítésű erősítőhöz. Eddig trafós tápról ment zajmentesen, de bedobozolás és a helyhiány miatt akartam a kisebb méretű kapcsolóüzemű tápra váltani. A gondom ezzel az, hogy a kapcsolóüzemű táppal halk sipolás is jelen van a hangszórókban. Milyen megoldás van ennek kiküszöbölésére?
Szia!
Attól tartok, hogy a helyhiányod kicsit nagyobb lesz. Az írásodból nem derül ki, hogy beépítetted az erősítődbe vagy külön van. Próbálj ki többfajta LC szűrést, elkók mellett pár µF indukciómenetes kondikról se feledkezz meg. Ha nincs kötelezően összekötve a két GND, mindkét ágban is lehet fojtó. Ha ezt az oldalt elolvasod, találsz párhuzamot a hálózatival.
A halk sípólás nekem laptoptápoknál volt ismerős, ahol ez pont egy nagyon durva közös módusú zaj volt.
Megpróbálhatsz először zajszűréseket (LC szűrő a legjobb a választás), de mindenképpen játsz a doboz testelésével is.
Üdv! Köszönöm a tanácsokat!
A táp a gyári fém dobozában van és minden mással együtt egy nagyobb fémdobozban van, ami maga a test! Gnd vezetékezve nincs, mert ez maga a fémház. A jelvezeték árnyéka csak egy ponton csatlakozik a házhoz, nincs földhurok. Nem is brumm hiba van hanem a táp magas frekije hallható. Sajnos ezek szerint bele kell ásnom magam az LC szűrők világába.
Tudnál egy sematikus ábrát rajzolni? (a modulok hogyan vannak összekötve, és hálózati védőföld hogyan van kötve)
Ugye van a tápegységnek a kimenete 12V+ és 12V- ág. Kezdetben csináld azt, hogy ugye ezeket kötöd be, és a hálózati védőföld megy a dobozra és ugye a táp hálózati védőföld csatlakozására. Ezek után következne olyan, hogy a 12V- ágat, ami ugye az erősítőd közöse is egyben, azt rákötöd a védőföldre, na de hogyan ezen kell kísérletezni. Azt is jó lenne tudni, hogy a 12V táp hány Wattos vagy amperes, és a modulod mennyit eszik alapjáraton. A legtöbb táp nagoyn kis terheléseknél nem a névleges kapcsolófrekin megy, hanem burst módban, aminek a frekije lehet hallható tartományban. |
Bejelentkezés
Hirdetés |







Nyugodtan köss párhuzamosan kettőt, vagy tekerd át a kettőt eggyé, vastagabb huzallal (párhuzamosan a régi huzallal). Legjobb,-ahogy Laci írta-, mindkét módot alkalmazni. Az angol jól leírja a legszükségesebbeket a megértéshez, de azért ez hosszabb téma. Németül nem tudok (még annyira sem).






