Fórum témák

» Több friss téma
Fórum » Elektronikában kezdők kérdései
- Ez a felület kizárólag, az elektronikában kezdők kérdéseinek van fenntartva és nem elfelejtve, hogy hobbielektronika a fórumunk!
- Ami tehát azt jelenti, hogy a nagymama bevásárlását nem itt beszéljük meg, ill. ez nem üzenőfal!
- Kerülendő az olyan kérdés, amit egy másik meglévő (több mint 17000 van), témában kellene kitárgyalni!
- És végül büntetés terhe mellett kerülendő az MSN és egyéb szleng, a magyar helyesírás mellőzése, beleértve a mondateleji nagybetűket is!
Lapozás: OK   2454 / 4057
(#) hapsika8 válasza gernerakos hozzászólására (») Dec 24, 2014 /
 
Köszönöm szépen!
(#) lukacsp válasza hapsika8 hozzászólására (») Dec 24, 2014 /
 
Melegen pont (U^2)/P = (230^2)/40 = 52900/40 = 1322,5 Ohm
(#) kadarist válasza hapsika8 hozzászólására (») Dec 24, 2014 /
 
A néveges 230V-os feszültségen, 40W-os izzónál az ellenállás így alakul: 230 a négyzeten osztva 40-el. Az eredményt ohm-ban kapod meg.
(#) qvasz2 válasza gernerakos hozzászólására (») Dec 24, 2014 /
 
Az lenne vagy 400 W Pontatlanul számolsz!
(#) qvasz2 válasza végfokVadász hozzászólására (») Dec 24, 2014 /
 
A bemenet nem akarja nyitni a tranzisztort, inkább a kimenet! Egy CMOS bemenet az pl. egy MOSFET gate elektródája. Az nem igen fog kinyitni egy tranyót. Persze lehet ott más is, védőáramkör, felhúzás, akármi, az már elképzelhető, hogy kinyitja.
A hozzászólás módosítva: Dec 24, 2014
(#) végfokVadász válasza qvasz2 hozzászólására (») Dec 24, 2014 /
 
http://www.hestore.hu/files/74hct14.pdf róla van szó, egy inverterről, nem értem miért van ez a jelenség
(#) jdani hozzászólása Dec 24, 2014 /
 
Hali. Nincs konkrét rajz, de általánosságban:
Ha egy PIC vezérlet eszközt használok a motorban / autóban, a duda szinte mindíg bezavar. Vagy megbolondul a vezérlés, vagy újraindul.. Mi az alap, amit be kellene tartanom? 7805 előtti és utáni alaktrészek..
(#) Bakman válasza jdani hozzászólására (») Dec 24, 2014 /
 
Itt is van pár tipp.
(#) végfokVadász válasza vicsys hozzászólására (») Dec 24, 2014 /
 
Így néz ki a problémás rész, a bázisra nincs más kapcsolva csak az inverter bemenete. A tranzisztor nyitva van, viszont még mindig nem értem, hogy miért.

problem.png
    
(#) Bakman válasza végfokVadász hozzászólására (») Dec 24, 2014 /
 
Szerintem túl nagyok az ellenállás értékek és egyszerűen a legkissebb zavar is ki tudja nyitni a tranzisztort.
(#) eSDi válasza végfokVadász hozzászólására (») Dec 24, 2014 /
 
Ilyen lehet a 74HCT14 inverter belső kapcsolása is (csak nem normál tranyókkal). Ha megnézed van felhúzó ellenállás a bemeneten. Amúgy mire lenne jó ez akapcsolás?
(#) adamka199 hozzászólása Dec 24, 2014 /
 
Sziasztok! 8ohmos csöves kimenőre mennyire egészséges az 5,1ohmos hangsugárzó terhelése? Valamint, mi az a minimum ami 8ohm alatt még ráköthető lenne? Köszönöm, kellemes ünnepeket!
(#) janikukac hozzászólása Dec 24, 2014 /
 
A tegnapi potméteres gond megoldódott, az már félig jól működik, de van még egy kis gondom vele. A többit leírtam ide hátha tud valaki segíteni. Elég sürgős lenne..
(#) kadarist válasza eSDi hozzászólására (») Dec 24, 2014 / 1
 
A komplementer MOS kapuk, inverterek bemenetén nincs fel vagy lehúzó ellenállás. Bővebben: Link.
A hozzászólás módosítva: Dec 24, 2014
(#) végfokVadász válasza Bakman hozzászólására (») Dec 24, 2014 /
 
Igen ez elgondolkodtató, amint tudom megpróbálom lejjebbhúzni az értékeket.
(#) Bakman válasza végfokVadász hozzászólására (») Dec 24, 2014 /
 
Mit akarsz kapcsolgatni a tranzisztorral?
(#) végfokVadász válasza Bakman hozzászólására (») Dec 24, 2014 /
 
cmos bemenetet kapcsol
(#) Sebi válasza adamka199 hozzászólására (») Dec 24, 2014 / 2
 
A csöves (kimenőtrafós) erősítők a túlterhelést (ohmban) jobban szeretik, mint nagyobb impedanciájú hangszóróval való terhelést. (A kimenőtrafóban "maradó" energia átütést eredményezhet). Minimum értéket nem tudok mondani, de veszélytelenül méregethetsz.
Nagyobb teljesítmény sosem fog kijönni belőle, mint az ajánlott 8 ohmmal.
(#) adamka199 válasza Sebi hozzászólására (») Dec 24, 2014 /
 
Akkor ha jól értelmezem használhatom ezekkel a hangdobozokkal is, akár nagy hangerőn. Otthon csak 4-ohmos dobozaim lennének. Tranzisztorosnál értem, de a kimenőtrafó működését nem. Köszönöm!
(#) adamka199 válasza Sebi hozzászólására (») Dec 24, 2014 /
 
Jobban átgondolva, akár 1ohm-al is terhelhetem, mivel transzformátorról lenne szó, hisz a primer oldalról leveszem a terhelést a szekunderrel, és így a trafó határozza meg a kivehető teljesítményt is. Jól gondolom?
(#) kendre256 válasza végfokVadász hozzászólására (») Dec 24, 2014 /
 
Egy tranzisztor saját magát is ki tudja nyitni a kollektor-bázis visszárammal. Ha meg hosszú vezeték csatlakozik rá, a zavaroktól (hálózati brumm) is ki tud nyitni. A bázis és az emitter közé tenni kell egy ellenállást (az a kikapcsolást is gyorsítja mellesleg). Az ellenállás értéke a bázisellenállástól függ, minél kisebbnek kellene lennie, jelen esetben párszáz kOhmra gondolok. Az 1 MOhmos bázisellenállás kicsit soknak tűnik (jószerivel a panel párásodása is hasonló bázisáramot csinál), de az áramkör további részeinek ismerete kellene a korrektebb méretezéshez.
(#) teszti hozzászólása Dec 26, 2014 /
 
Sziasztok!
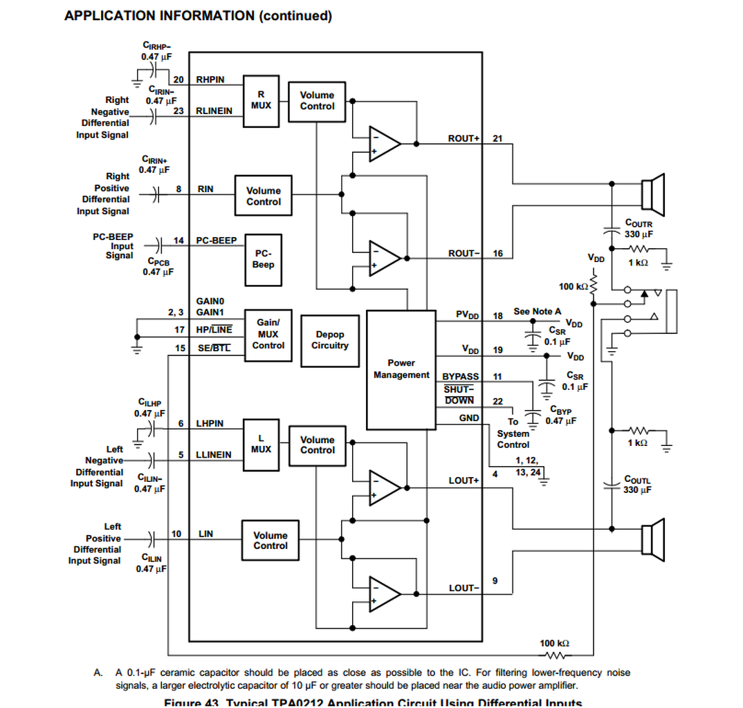
Ennek az erősítő ic-nek hogyan kell bekötni a jelbemenetet? Melyik a pozitív és melyik a negatív része? A fülesről szeretném küldeni a jelet.

nl.png
    
(#) Csupasz válasza teszti hozzászólására (») Dec 26, 2014 /
 
A RIN és a LIN a bemenete, de ez csak a blockdiagramm. A pontos bekötést az IC adatlapjából, vagy egy kapcsolásról látod meg.
(#) teszti válasza Csupasz hozzászólására (») Dec 26, 2014 /
 
A teljes kapcsolás ilyen.
Ezek szerint a LIN-RIN a pozitív és a R(L)LINEIN a negatív?

bi.png
    
(#) gernerakos válasza teszti hozzászólására (») Dec 26, 2014 /
 
Igen, az lesz az.
(#) Kary13 hozzászólása Dec 26, 2014 /
 
Az NPN tranzisztor akkor kapcsol be amikor a bazisa a tap pozitiv labara van kotve, a PNP pedig mikor a negativ labra?
(#) teszti válasza gernerakos hozzászólására (») Dec 26, 2014 /
 
Köszi.
A negatív ágra miért kell kondit kötni?
(#) Bakman válasza Kary13 hozzászólására (») Dec 26, 2014 /
 
Ezt így nem lehet kijelenteni. A tranzisztornak vannak határadatai, amit túllépve az tönkremegy. Pl. egy 100 V-ot is kibíró tranzisztor bázisára nem lehet 100 V-ot kötni, mert azonnal távozik a kapcsolásból. Normál tranzisztorok kb. 0,6 V-os BE (bázis - emitter) feszültségre már kinyitnak, de ezt sem úgy kell elképzelni, mint egy kapcsolót, hanem inkább mint egy potenciométert. Ahogy növeled a BE feszültséget, úgy nő a kollektor áram. Az összefüggést az adatlapja tartalmazza. Példaként lásd a mellékleteket.
(#) gernerakos válasza teszti hozzászólására (») Dec 26, 2014 /
 
Hogy le legyen válsztva a jelforrás az ICről, mert ha nincs, akkor könnyen begerjedhet.
(#) pucuka válasza Kary13 hozzászólására (») Dec 26, 2014 /
 
Kinek a lábára?
A tranzisztorokat a bázisuk és emitterük között vezéreljük akar NPN, akár PNP típusról van szó. Az NPN tranzisztornak a bázisa pozitívabb mint az emittere (legpozitívabb a kollektora), a PNP -nek a bázisa negatívabb mint az emittere (legnegatívabb a kollektora). A bázison az emitterhez képest ezesetben 0,6 V körüli feszültséget fogsz mérni, mint egy nyitott diódán, ahogy az előző hozzászólásban linkelt diagrammokból is kitűnik. A BE diódára fordított irányban, nagyjából 5 V körüli feszültségnél nagyobbat nem adhatsz rá, mert átüt. Mivel a BE kapcsolat egy dióda, mindíg kell lennie előtte egy áramkorlátozó ellenállásnak, ennek a bbázisra kötött végén mérheted a bázis feszültségeket az emitterhez képest.
A hozzászólás módosítva: Dec 26, 2014
Következő: »»   2454 / 4057
Bejelentkezés

Belépés

Hirdetés
XDT.hu
Az oldalon sütiket használunk a helyes működéshez. Bővebb információt az adatvédelmi szabályzatban olvashatsz. Megértettem