Fórum témák
» Több friss téma |
Esetleg fotózd le és tedd fel azt a fekete valamit, hátha ráismerünk.
A rajzot elküldtem az email címedre. Erre gondolsz?
Köszönöm a razot hétvégén rá lesek mert othon kaptam szét és sajna csak én nem vagyok ott de nem ez rémlik. Ha esetlegesen nem sikerül belöni akkor mindenképpen csinálok egy képet.
Sziasztok, van nekem egy Technics SA-EX 500 tipusú erősítőm és azt szokta játszani, hogy néha elhallgat a bal hangszórója, ha hirtelen odahúzom neki a hangerőt, vagy kicsit ráütök a tetejére, akkor újra szól. Ez a jelenség mitől lehet?
Üdv! Nekem ugyan Sa-Ex 120 am van de egyszer volt egy hasonló problémám vele amikor is valamelyik meghajtótranzisztornál kontakthiba lépett fel.Valamint a ventillátornál is nézz körül a 3 eres szalagkábel kontakthibája az alaplappal is okozhat ilyen bibit, ha az nem kontaktol rendesen a ventivel Overload hibával le is kapcsolhat a végfok,tehát alaposan nézz körül kontakthibával kapcsolatosan a kimeneteket is nézd meg esetleg nem vált e fel valamelyik forrpont a fóliáról. Egyébként a legjobb Japó gépek nekem kb 15 éve szolgál ez már nagyobb hiba nélkül.
A hozzászólás módosítva: Okt 27, 2014
olyat szokott játszani, hogy lekapcsol, de újra is indul és megy tovább... holnap szétnézek benne... előre is köszi
Tisztelt szakik!
Van nálam egy duál Cr 1750 erősítő mely a ballansz tekerésénél bercseg illetve időközönként zajos olyan recsegő hangot produkál mi lehet a gond hol keressem a hibát, talán a táp, vagy az elkók vannak kiszáradva, vagy valami más, szerintetek mi lehet a gond? Tistelettel : Feri
Leginkább a balansz potméter gyanús a leírtak alapján.
lenne még egy kérdésem az erősítővel kapcsolatban, mégpedig, hogy a SUB kimeneten csak "3 stereo"-ban vagy "Dolby Surround"-ban van jel? mert mióta megvettem az erősítőt azóta nem nem ad ki jelet bármelyikre kapcsolom... Haverral rámértünk multiméterrel de a testnél van valami, mert arra nem reagált, szakadásba néztük (elvileg ha a testnél nézzük szakadásba és ha a SUB negativját hozzáérintem bármely más negatívjához, akkor jelezni kellene neki, de lehet nem jól tudom...) vélemény?
Sziasztok!
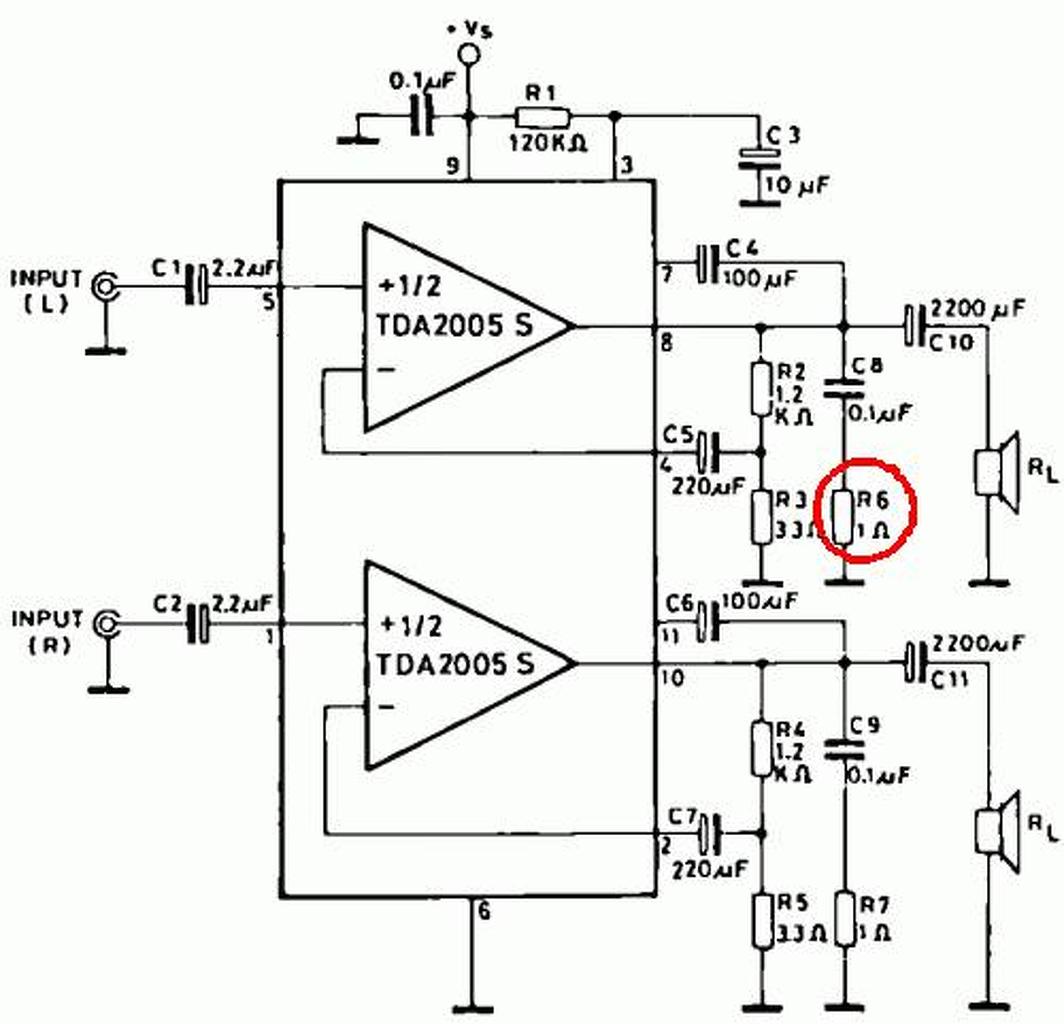
Na ezt segítsetek megoldnai: Adott egy TDA2005-ös erősítő, alapkapcsolásban megépítve. Ha a bemenetére kötök egy sztereo hangforrást, akkor a jobb csatorna szól rendesen, de a bal meg úgy szól, mintha a GND-t és a jelet összecserélzem volna. Pedig nem, mert néztem, jól van bekötve, meg ugye a jobb csatorna hibátlan. De ha a bal jelet kikötöm, majd monóvá alakítom, úgy hogy mindkét oldanon a jobb csatorna szóljon, akkor minden rendbe van. Ha felcserélem a bemeneten az oldalakat, akkor a kimeneten megint a bal csatorna rosszul fog működni. Másik hangforrással szintén, másik hangszórókkal is. Összegezve: sztereo módban a bal csatorna furcsán szól, de mono módban rendesen. Mi lehet a gond, és hogyan lehetne orvosolni? Köszönöm a segítséget!
Szia! Hogy is volt ez a kikötés és monóvá alakítás? Nem a bal csatorna csatoló kondenzátora rossz? Ha oda kötöd (bal) mindkét oldalt akkor működik?
Először kikötöttem a bal oldalt, majd a jobb oldalból egy vezetéket kötöttem a már szabad bal oldalra. Ebben a konstrukcióban működött. Tehát kétlem hogy a csatolókondi rossz, mert egyrészt új, meg ha így működik...
Szia! Nekem szakadt volt az 1 ohm a kimeneten, és nagyon torz hangja volt. Először IC-t cseréltem, azután jöttem rá, hogy az újjal is olyan volt. Akkor végigmértem mindent. Nem biztos, hogy nálad is ez van, de szóltam, hogy abból a kevés külső alkatrészből is tud néha rossz lenni valamelyik.
A hozzászólás módosítva: Dec 5, 2014
A mai nap be kapcsoltam működött szépen utána csend. A led nem világít rajta h be van e kapcsolva vagy nincs ki mértem a led jó, a kapcsolót is néztem az is jó. Biztik rendben. A tarfó kicsit érdekes hangot ad ha be nyomom a bekapcsoló gombot kis pattanást hallani (üveghang). Ez lehet a baj?
Szia!
Itt úgy szokás, hogy a megoldást, -bármily banális-, megírjuk mások okulására! Mindenkinél vannak kezdőbbek.
Szia. Trafó probléma volt ki kellet cserélni
Ma kaptam egy Telefunken márkájú erősítőt, azzal a híbával hogy a végfok állandóan leég. Valakinek van ezzel kapcsolatban információi hogy mitől lehet? STK4191V IC van benne, próbálgatni hogy mitől éghet le ahhoz drága..
Szia! A gyakori okok egyike, hogy 8 ohm-nál kisebb impedanciájú hangsugárzóval használják. A másik, hogy rendre hitvány minőségű utángyártott STK kerül bele.
Sziasztok!
Van egy Yamaha márkájú házimozi erősítőm, ami mostanában azt csinálja, hogy nam lehet bekapcsolni sem távirányítóval sem az előlapi gombjával. Amikor előszőr tapasztaltam, kihúztam a konektorból egy pillanatra, aztán vissza dugtam és működött. Aztán már hosszabb időre kellett kihúzni, hogy feléledjen. Legutóbb már órákra kellett kihúzni. Találkozott már valaki hasonló problémával, vagy van esetleg valakinek tippje, hogy mi lehet a hiba? Nemrég belenéztem, de semmi gyanúsat nem láttam.
Üdvözlök mindenkit!
Egy olyan problémám lenne a következő erősítővel ( KODA AV 502): bekapcsolás után -40 dB-en jön be a hangerő. A hangerő -80dB-00dB-ig vezérelhető. A másik probléma -80 dB-en hallatszik súgás a hangszórókból. Coaxial bemeneten nincs súgás csak a jel leadásakor kezdődik. Mi lehet a probléma? Boldog Új Esztendőt kívánok!
Sziasztok!
Segítséget szeretnék kérni egy elég nagy problémában. Az egyik barátommal kitaláltuk,hogy a Panasonic SA-HR50-es erősítőjét egy kicsit átépítjük mégpedig úgy,hogy a jack kimenetére ráforrasztunk egy stereo RCA kábelt. Maga az ötlet az jónak ígérkezett,csak sajnos a barátom szétszedte a jack aljzat burkolatát és akkor vettük azt észre,hogy a műanyag burkolatban járatok vannak kimarva a kis érintkező lemezeknek. A barátom megpróbálta visszarakni a burkolatot,de nem járt sikerrel cserébe az erőltetéstől megsérült a NYÁK forrasztás felőli rétege,így azokat a lemez érintkezőket amelyeknél megsérült a NYÁK,forrasztó segítségével eltávolítottam. Amikor ezzel megvoltunk akkor kipróbáltuk az erősítő hangfal kimenetét,de sajnos nem sikerült hangot kicsikarnunk a hangfalak irányában,a jack aljzatnál viszont van hang. Azt szeretném megkérdezni,hogy tudnátok-e valamilyen jó tanáccsal ellátni,hogy hogyan tudnánk orvosolni a fent említett problémát? Illetve lenne még egy kérdésem,lehet-e valahogyan direkt hang kimenetet levenni erről az erősítőről úgy,hogy a hangerő ne függjön össze a hangerő szabályozóval? Itt arra gondolok,hogy egy olyan kimenetet szeretnénk csinálni amin akkor is hallható valami ha a hangerő szabályozó teljesen le van halkítva. Feltöltők egy képet magáról a NYÁK-ról,hogy könnyebben be lehessen azonosítani a dolgot. Köszönöm szépen előre is a segítséget. A hozzászólás módosítva: Jan 1, 2015
A fenének csináltok ilyet
![]() Bár ami nem öl meg, attól okosabb leszel ![]() Az a része, hogy elviszitek szervizbe és "némi" pénzért kicserélik az "E VOLUME P.C.B" panelt gondolom nem játszik. A "B" terv az az lehet (nem javasolt!), hogy mivel nagy okosan Idézet: ettől kezdve úgy érzékeli "a digitális agy" hogy be van dugva a füles és tilt mindent... Ha rövidre zárod a szalagkábel 1-es (fehér) és 4-es (középső) pontját, akkor többé nem érzékeli a fülhallgató bedugását....„így azokat a lemez érintkezőket amelyeknél megsérült a NYÁK,forrasztó segítségével eltávolítottam” Mellesleg komoly darab én gyári állapotba állittatnám vissza és nem gányolnám tovább
Szia!
Először is a rehabilitációról: ezen a hangerőszabályzó / fejhallgató kimenet nyákon amit leamortizáltatok látsz számozást. Egy darab vékony dróttal kösd át a 4-es és 5-ös kivezetéseket. Most azért nem szól a cucc, mert azt gondolja, hogy be van dugva a fejhallgató, ezért némitja az összes hangszóró erősítőt. A doksi szerint a 6-os, és 7-es lábakat az áramkör nem használja, így azokkal nem kell semmit csinálni. Idézet: „Illetve lenne még egy kérdésem,lehet-e valahogyan direkt hang kimenetet levenni erről az erősítőről úgy,hogy a hangerő ne függjön össze a hangerő szabályozóval? Itt arra gondolok,hogy egy olyan kimenetet szeretnénk csinálni amin akkor is hallható valami ha a hangerő szabályozó teljesen le van halkítva.” A linkelt doksiban a (11.4 DSP Block Diagram fejezet) rendelkezésre áll pontosan 12. Azt csak úgy mondom, hogy valószinűleg egy DSP panel csere drágább mint a fülesé
IC 106 8. lábáról a jobb oldali, 7-es lábáról a bal oldali hangerőszabályozás előtti jelet lehet egy-egy 10 µF / 16V kondival kicsatolni.
Ahogy Gafly kolléga írja, kissé óvatosabban kellene eljárni, mint az előzőekben. ![]() Rendes páka (nem bádogozásra használatos), odafigyelés, stb. Sok sikert! Szerk.: a biztonság kedvéért a 10 µF / 16V és a vonalkimeneti csatlakozó közé még sorosan egy 1 k Ohm ellenállást is tegyél! A hozzászólás módosítva: Jan 2, 2015
Sziasztok!
Segítséget szeretnék kérni!Van egy Universum M-A 1000 Sztereó erősítőm.De mikor bekapcsolom az automata hangerőszabályzó elkezd villogni és letekeri a hangerőt .Próbáltam úgyis h mindent lekötöttem róla de nem megy,és ilyenkor a relét se lehet hallani hogy kattanna,előtte lehetett.(nem lett túl hajtva meg semmi)
Mások okulására: úgy vettem észre, hogy ez egy tipikus Yamaha hiba, mert több helyen van róla infó. A táp panelen a hálózati csatlakozás mellett van egy 22 nF/630V kerámia kondi. Ez szokott tönkremenni, elveszti a kapacitását. Nálam 7,6 nF volt. Találtam itthon egy ezer éves REMIX 22 nF/1500 V-os példányt. Van elég hely körülötte, simán befért. A csere után tökéletesen működik újra!
Ezt kellene cseréni? Csak E2 van írva E6 helyett nem tudom h számít-e.
A hozzászólás módosítva: Jan 3, 2015
|
Bejelentkezés
Hirdetés |






















