Fórum témák
» Több friss téma |
Legelső oldal -27es- bal alsó sarka. Amelyiken a szkóp és a kész generátor kép is van.
Kiszúrta a szemem..
A hozzászólás módosítva: Jan 3, 2015
Valami nemokés- Terhelésnél leesik a szekunderem 11VAC -ra, és mintha elfogyna a nafta a jelalakokból. Nagyon le kell csavarnom, hogy hasonlítson a kivántakra.
Nézd meg mennyi áramot fogyaszt a generátor. 50 Ohm terhelésnél maximum amplitúdónál kb. 100mA alatt van, akkor az jó. Illetve ha nem haladja meg a 100mA a fogyasztás, és úgy esik le a táp szekunder 11VAC-ra, akkor gyenge ide a táp trafó.
Átraktam egy nagyobb szekunderre. Stab után az IC 11,4VDC-t kap. (min 12VDC?)
50 ohmnál: Szin. 1,2V ; Háromszög 2,4V ; Négyszög 3,6V (nagyon szétesve. ) 600 ohmnál: Szin 3,2V ; Háromszög 6,3V ; Négyszög 8,5V ( itt szép a jel).
A freki legyen 1Khz körüli. Nézd szkópon a 12VDC tápot, a szkóp itt AC csatolásban legyen. A12VDC-nek rezdülni sem szabad. Ha rajta van az 1Khz generátor jel a 12VDC-n, gyenge a táp. Milyen trafó? Milyen a stabilizátor? Ha 7812, annak minimum 15VDC kell.
Mit jelent, hogy " szétesve " . A hozzászólás módosítva: Jan 3, 2015
Labortápról meghajtva ugyanekkora feszről 6 volt négyszög szépen kijön belőle 50 ohmos terhelésnél. Lehet későn van már, és elnézek valamit. Holnap megpróbálom ismét.
Egyébként ekkora terhelésen 36mA áram megy át rajta. ( Labortáp is ugyanezen a trafón van. 4 szekunderes. Én tekertem. ) 7812 stabon keresztül kapja a 12VAC tápot... Lehet az a gond? Holnp hajtok rá pár menetet. A hozzászólás módosítva: Jan 3, 2015
36mA terhelés nagyon kicsi, ez nem okozhat gondot még egy kicsike trafónak sem. A 7812-nek minimum 15VDC -egyenfesz- kell, de inkább annyival több, hogy terhelésnél is meglegyen a 15V. Tehát pld. 16-18V. Jó a 7812 ide.
Stab feszültségnek 11,4V elég kicsi, a 7812-esnek nem szokott ekkora szórása lenni.
Kapcsold le róla a cuccost a kimeneti szűrőkondi kivételével, és mérd meg a terheletlen feszültséget. Utána tedd rá az áramkört, ha 50 ohm -mal terheled és kevesebbet mérsz a stabon, akkor a bemeneti feszültsége kevesebb a stabnak mint kellene. Ha jól mérted a 36 mA áramfelvételt, akkor ott valami gubanc van, mert ha a stabot minimum 16V-17V -al hajtod, nincs az a kis teljesítményű trafó ami ne bírná el. Az XR áramfelvétele 10 mA fölött van, 1,2V szinusz 50 ohm terhelésen 24mA, vagy 2V 50 ohm terhelésen 40mA, plusz a többi alkatrész áramfelvétele, még rossz esetben is 100mA alatt van, ezt a legkisebb 1,5-2 VA-es trafónak is bírni kell ! Ami még lehetséges, hogy 50 ohm terhelésen elfogy az erősítés, ez lehet hibás, vagy nem jó értékű alkatrésztől is.
Hiába emelem a bemenő feszültséget akár 20 voltra, stab után akkoris 11,4V jön ki.( Visszaszívom az esti bejegyzésem. Reggel vettem észre, hogy 600 ohm volt a kimeneten.) - ugyanolyan rossz és kevés a jelalak amplitudója, mint előtte. Tekerek pár menetet a trafóra, biztos ami biztos.
Stabbal lesz a gond. Egyszer szereztem elfekvőkészletből egy dobozzal mindenféléből. L7812CV Mit szólna az IC, ha 15V stabilizátort kapna? A hozzászólás módosítva: Jan 4, 2015
Ne vacakolj, emeld meg a hibás sorozatú stabod lábát egy 1N4148-al(vagy 2-vel), és van 12V-od.
Megtekertem a trafót.
KEreken 17VAC jön le a szekunderről. Graetz után 23,5VDC -t mérek. 7812 után még mindíg 11,4V mérhető. A hozzászólás módosítva: Jan 4, 2015
Melyik a bázisa?Milyen 2-2 kondi? Adatlap szerinti ajánlás?
3. oldal jobb közepe, 3b ábra.
A hozzászólás módosítva: Jan 4, 2015
Egyébként felemeltem 2 diodaval a stab feszt 12,5V -ra, és eltűnt minden a generátor kimenetén.
Kidobom a francba belőle.
Szerintem a stabkocka biztos rossz. Én is vettem már ilyen kínai 7812-öt. Egyik sem tudta normálisan a 12 V-ot.
Ez kissé furcsa, az XR 26V-ig mehet tápban, ugyan úgy kéne működnie tőle.
Hajtsd meg labortápról, ha ugyan azt csinálja, a kapcsolásban van a hiba, ha nem, akkor stabkocka. Ellenőrizd le az alkatrészeket, mindegyik megfelelő értékű e. Mondjuk nekem már az is magas, hogy a két BD bázis között 3 dióda van, nem kettő, valószínűleg a két 100 ohmos ellenállás miatt. Általában két diódát és két 10 ohmos ellenállást szoktak oda tenni.
Kicseréltem a stabot, az is ebből a kínai sortimentből van. Az már 11,7V -ot tudott. (L4812cv)
Megemeltem a lábát egy diódával, és így megemelkedett kicsit a generátor végén 50 ohm -os terhelésen a feszültség. Szépek is a jelalakok, kivéve a négyszög. Ezzel a megoldással letudtam menni egész 2Hz-ig. Mintha a dióda beleszolna a négyszög tetejébe. Keresek már egy normális stabilizátort. A hozzászólás módosítva: Jan 4, 2015
Akkor a stab volt a hibás. A négyszög nem is lesz szép a kondenzátoros kimenet miatt.
Ha jó TTL kimenetet akarsz, nézd meg a szinkronkimenet megoldását. Közvetlenül rákötheted a SYNC OUT-ra, de azért egy ellenállás elfér a bázis elé. A diódák a kereszttorzítás miatt kellenek a végfokhoz. Szkóppal mindig DC állásban vizsgálj, meglásd szép lesz a jelalakod. Az AC állást inkább csak a DC jelre ültetett zavarfeszültségnél használják. PL.: 12V tápon 50mV zavar van, az 50mV-ot csak AC állásban tudod hatásosan vizsgálni. A hozzászólás módosítva: Jan 4, 2015
Most nézem csak, a bázis előtt van egy 10 Kohmos.
Idáig vacakoltam vele. A végén raktam bele egy 7815 -öst. Négyszög sohasem lesz az igazi. Ennyit tudtam kihozni belőle. Alacsony frekvenciát nagyon nemszereti. Lehet csak én szeretnék többet mint, ami. Említetted ezt a TTL kimenetet. Utánanézek. Nem lenne valami egyszerű rajz, ahol csak a fokozatot rajzolták?
Egyébként a mért értékekkel elégedett vagyok. Nagyobb amplitudót tud így, mint a megadott értékek. C8 bővítését nem szedem le, azt már tegnap megállapítottam, hogy jobb tőle.
50 ohm terhelésen ezt produkálja. Mennyire számít ez megfelelőnek?
Erősítő tesztelésre szeretném a ketyerét. Terheletlenül a generátornak nagyonszép jele van. A hozzászólás módosítva: Jan 4, 2015
A négyszögjelet hajtsd át egy schmitt-trigger bemenetü NAND kapun és mindjárt jo lesz. Én ezt ugy csináltam, higy van egy ilyen kimenet mint a tiéd - nagy amplitudoju meg szimmetrikus a GND-hez viszonyitva, meg van egy TTL kimenet a NAND kapun át.
Na, ezaz amiből semmit nemértek.
![]() (Azt nemírtam ezelőtt, hogy csináltam egy 17VAC szekundert, amivel nem lesz már gond. ) A hozzászólás módosítva: Jan 4, 2015
Idézet: „Na, ezaz amiből semmit nemértek” Na ez az ! De már függvény generátort építesz és egyéb "aljasságokra" is képes vagy !SCHMITT - TRIGGER : arra való , hogy határozott kimeneti jelet adjon a részben kissé libegő hullámos bemenő jelek hatására, Impulzus formázó, négyszögesítő. Általában 2 küszöb érték hatására billen át. Jel növekedése eléri a felső értékét (küszöbnek) fix magas szintet ad. Azután már mindegy mennyit növekszik csökken amíg el nem éri a jel időbeli változása az alsó küszöbértékét. Azután határozott alacsony szintet ad a kimenetére. Digitális IC-k bemeneteit szokták ilyenre is kialakítani. lásd pl CD4093 . Idézet: „Lehet csak én szeretnék többet mint, ami.” Valószínűleg erről van szó. Jónak tűnnek a jelalakok. Az AC csatolás miatt van alacsony frekvencián a négyszög "hiba", ami nem hiba. 50 Ohm-on természetes az alacsony frekis négyszög erősebb "hibája" a 600 Ohm-hoz képest, ez a C10 növelésével csökkenne. A C10 és a terhelő ellenállás felüláteresztő (alulvágó) szűrőt képez. Tehát a négyszög "hiba" mértéke függ a terhelő ellenállás nagyságától is, és a C10-től is. Ha erősítőkhöz használod, az erősítők bemenete lényegesen több 600 Ohm-nál, olyan lesz, mintha terhelés nem lenne rajta. mintha a szinusz szimmetriája nem lenne tökéletes, P4-el esetleg állítani kell.
Tényleg nemlátom át. Egyébként olyan vagyok, mint a szivacs. Jól leírtad, érthető is, - aztán hogyan kivitelezem? Van erre egy DIN tokos valami, aminek a 3-7 lábát OUt-ra rakom, és kész? Vagy a forgókapcsoló négyszögjele közé? Dinokal írt az imént egy ötletet, de nekem az több órába kerül, mire kigobozom. (+ még az ötletre is rájövök! )
![]() Nagym6: C10 -et 1000µF -al növeltem. P4-est valószínűleg már ösztönből csak kb. valahová állítottam hogy jó legyen. Sajnálom, mert egy 555 -el már meg is lenne ez a része. Lehet nemkellene ezzel már tovább vacakolnom, hanem egy egyszerű 555 -el megoldani. Nem mondtam le a TTL ; NAND párosról. Szivacsolok. A hozzászólás módosítva: Jan 4, 2015
A schmitt triggerre rákeresel guglin, vannak erre dip tokos ic-k is.
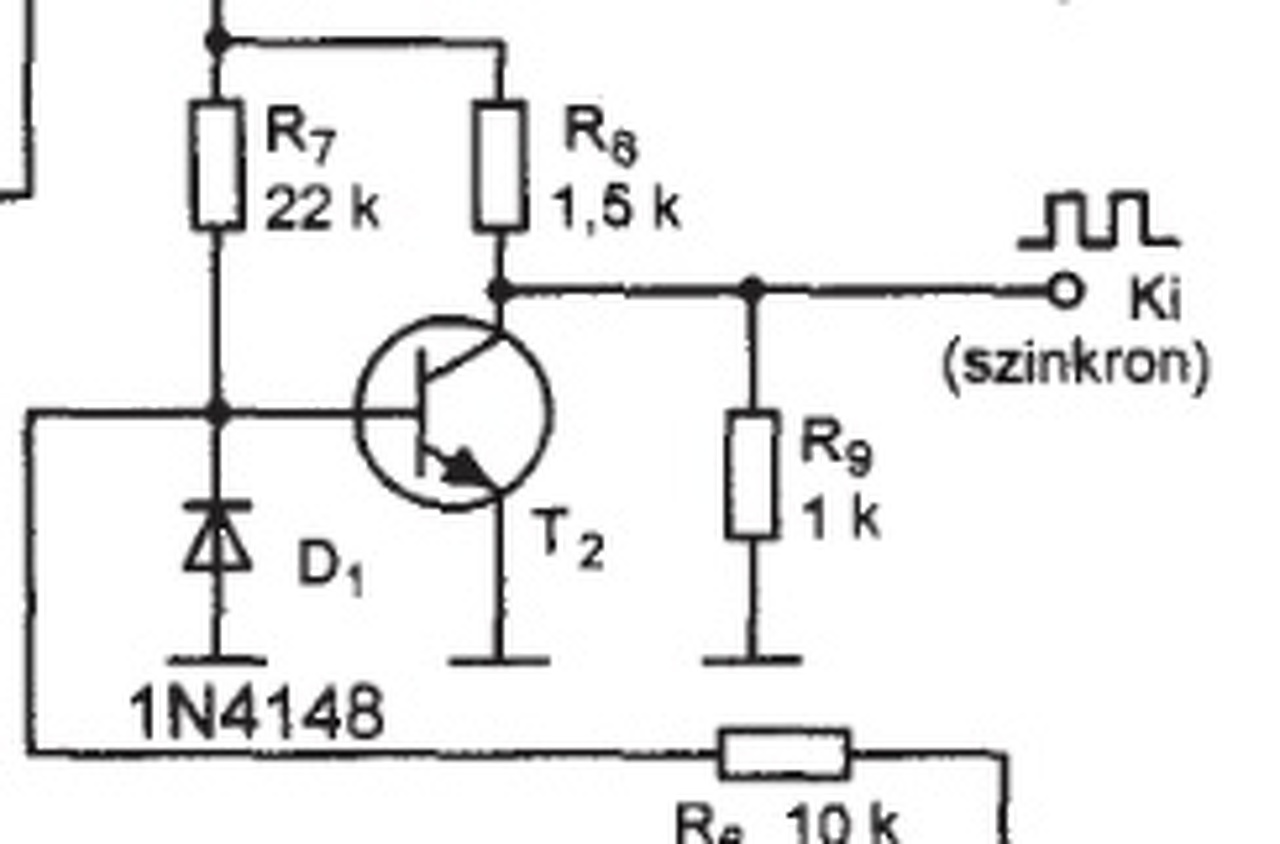
A legegyszerűbb és számodra érthetőbb ez a kis rajz. 1 dióda, 1 tranzisztor, négy ellenállás. A 22 Kohmosra megy a 12V táp. A SYNC OUT-ra kötöd a 10 kohmost. A hozzászólás módosítva: Jan 4, 2015
Úgy nézem, tekintheted késznek. P4-el a szinusz szimmetrikus legyen, azaz alul és felül egyforma. P5-el a vágás mértéke állítható. Pontosabban a háromszögjel csúcsának vágásával állítja elő a szinuszjelet, a háromszögjelből. P5-el lehet állítani, hogy mennyire vágja a háromszög csúcsát, akkor jó, amikor minél tökéletesebb szinusz lesz.
Nem tudom mire érted az 555-ös megoldást. |
Bejelentkezés
Hirdetés |











!






