Fórum témák

» Több friss téma
Fórum » TV hiba, mi a megoldás?
Lapozás: OK   31 / 1282
(#) zoz11 válasza Szami66 hozzászólására (») Jan 28, 2008 /
 
OK, ezt még megpróbálom délután. Amúgy mit jelent az hogy zajzáras???
(#) Szami66 válasza zoz11 hozzászólására (») Jan 28, 2008 /
 
a zajzárat ugy értettem, hogy ha nincs ráhangolva valamalyik csatornára a tv akkor a hang automatikusan lenémul és a képen nem "hangyákat látsz hanem olyan mint amikor AV bemenere van kapcsolva vagyis egyszinű háttért látsz.
(#) zoz11 válasza Szami66 hozzászólására (») Jan 28, 2008 /
 
Így már világos ha ki van húzva az antenna csati akkor egy fekete háttér szokott lenni, de most az kék, hiába húzom le a színtelitettséget akkor sem változik semmit. Ahogyan próbáltam rajta állítani, közbe elszállt benne egy TDA4173-as IC minden előjel nélkül, ez mitől lehet???
(#) Szami66 válasza zoz11 hozzászólására (») Jan 28, 2008 /
 
Hol próbáltál állítani?
(#) Szami66 válasza zoz11 hozzászólására (») Jan 28, 2008 /
 
Ezek szerint már csak egy vízszintes csíkod van a képen?
(#) zoz11 válasza Szami66 hozzászólására (») Jan 28, 2008 /
 
A TV-nek a menüjében állítottam dolgokat, nem a panelján!!!! Szabályosan szétnyílt az IC, és csak egy pillanatra indul el a TV, mert szerintem le is tiltja a procija, mivel szabályosan kikapcsol és mikor be akarom kapcsolni akkor is csak egy pillanatra elindul az egész(sorkimenő, csőfűtés, stb.).
(#) Szami66 válasza zoz11 hozzászólására (») Jan 28, 2008 /
 
Ha sikerül újra életet lehelni a tv-be ic cserével akkor a tápfeszültségeket azonnal ellenőrizd le.
(#) ht1080z hozzászólása Jan 29, 2008 /
 
Ennek a kis junosztynak mi lehet a baja?
Kiszáradt kondezátor? Vagy mi?

http://imageshack.usKép: Hivatkozás[/URL]

kép1.jpg
    
(#) kocici17 válasza ht1080z hozzászólására (») Jan 29, 2008 /
 
Igen porosak a kondik
(#) Szami66 válasza ht1080z hozzászólására (») Jan 29, 2008 /
 
Csatlakozom az előttem szólóhoz, a függőleges eltérítés kondikat cseréld ki.
(#) ht1080z válasza kocici17 hozzászólására (») Jan 30, 2008 /
 
Köszi , akkor csere !

(Csak tudnám honnan veszek majd például olyat ami 125V/6.8uF
Ez is is milyen lehet bipoláris? Polaritás nincs jelölve , tömbkondit meg nem találtam ekkorát.)
(#) kocici17 válasza ht1080z hozzászólására (») Jan 30, 2008 /
 
Az elkokat pakold ki belőle mert azok csinálják a cirkuszt.
Ha mondjuk 43uf a kondi ami nem létezik mert a szabvány 47 akkor a 47 et beleteheted, a feszültségekre is figyelj, bár nem sértödik meg a 6,3 volt helyett 10 voltért de haragszik a 250 volt helyett a 125.ér.
Remélem világos, ugyhogy jó idegeket a forrasztgatáshoz.
(#) zoz11 hozzászólása Jan 30, 2008 /
 
Sziasztok
Megoldódott a problémám, először is a tápjába kellet kicserélnem egy TAA765-ös műveleti erőlködőt, mivel nem lehetet állítani a tápfeszültségen, mert beállt fix 210V-ra a 154V helyett . Elszállt benne egy TDA4173-as IC is a tápfesz miatt, meg szerintem az miatt szállt el mind a 3 színvégok is(TDA6110), meg kicseréltem benne a kritikus ELKO-kat, beállítottam a tápfeszt, és most este már azt fogom nézni
(#) djhans hozzászólása Jan 30, 2008 /
 
LG 51cm TV bekapcsoláskor a készenlétiled egyet villan a táp letilt. Sorvég tranyó jó. Szerintetek sorkimenő? A táp fél másodperc alatt felszalad majdnem 100 voltra amíg letilt. Aramkimaradás után halt be a tv. Tud valaki segíteni mit nézzek meg?
(#) ht1080z válasza kocici17 hozzászólására (») Jan 31, 2008 /
 
Kb. 500 Ft-ba volt , kicseréltem az összes elektrolitkondenzátort.
Az eredmény csatolva!

Mi a sz.. lehet még , ez a csik a közepén?

LPO.jpg
    
(#) Dudus válasza ht1080z hozzászólására (») Jan 31, 2008 /
 
Szinkronhiba.
(#) ht1080z válasza Dudus hozzászólására (») Jan 31, 2008 /
 
Jó.
:yes:
Mi a teendő?
(#) Mátó Mihály válasza ht1080z hozzászólására (») Feb 1, 2008 /
 
Szevasz.Van egy topik, Junoszt-406B.Van eggy rajz a 402-röl (#172464)CK2 kondi 10µF a hiba ,azon jön a függ. sinkron jel,-csere-ha nem 402 -es a tv-d akkor is az a kondi a hibás csak más az érték és a helyrajzi szám.Üdv.Misi
(#) ht1080z válasza Mátó Mihály hozzászólására (») Feb 1, 2008 /
 
Köszi , már nézem és cserélem is.
(#) kocici17 válasza ht1080z hozzászólására (») Feb 1, 2008 /
 
Ha itt visszaolvasol kb 2 honapja felraktam a telyes rajzát, igaz a 402-nek, de alényeg és az orosz "logika" ugyanaz.
M Misinek igaza van ott keresd.
Függöleges sincron hiba. Egyébbként már látni is valamit.

(#) ht1080z válasza kocici17 hozzászólására (») Feb 1, 2008 /
 
Köszi megtaláltam pont szerencsém van ez egy Junoszty 402V , csak már egy kicsit módosítottak rajta 87-88 -ban valamikor tudja a +5,5Mhz-es hangot. ( PAL szabvány)

Meg találtam egy javítási kézikönyvet is ott.
(#) ht1080z válasza kocici17 hozzászólására (») Feb 2, 2008 /
 
ho-ho_ho !
KÉSZ.
http://imageshack.usKép: Hivatkozás[/URL]
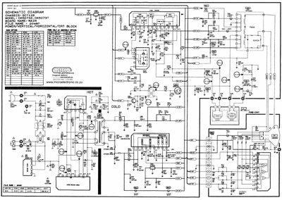
(#) Szami66 hozzászólása Feb 2, 2008 /
 
Hello fórumlakók!
A segítségeteket kérem, egy régi samsung CK-5073 Z típusú tv-be szeretnék képet gerjeszteni, de a KF-rész megfogott. Tudna valaki egy rajzot " kölcsönözni " ? Köszönöm!
(#) scooby_ hozzászólása Feb 2, 2008 /
 
Sziasztok!

Nekem van egy UNIVERSUM 72CM-es tv-m a tipusát nem tudom!

A baja az hogy beledugom az antennát nem ad adást faterral nem tudjuk megálapítni hogy van e neki menüje mert lehet hogy azzal van a gond de lehet hogy a tunerral?

Amúgy videón keresztül néztük úgy egész szép képe van!!!!!!
(#) scooby_ válasza Szami66 hozzászólására (») Feb 2, 2008 /
 
eme megfelel:(használd a google-t)
--------------------------------------------

samsung.gif
    
(#) Szami66 válasza scooby_ hozzászólására (») Feb 2, 2008 /
 
Tökéletes, köszi! Legközelebb kitartóbb leszek a keresésnél.
(#) Sebi válasza scooby_ hozzászólására (») Feb 2, 2008 /
 
Ha videó(bemenet)ről OK, akkor a menűnek is mennie kell (ha van neki). Meg kellene nézni a video átkapcsoló IC-t. Sajnos ez gyakran a KF-erősítőben található, erre utalhat az is, hogy a hang sem kapcsol át.

Sajnos a rajz nem igazán alkalmas hibakeresésre.
(#) kocici17 válasza ht1080z hozzászólására (») Feb 3, 2008 /
 
Dratulálok ügyes voltál . Jó szórakozást hozzá. :taps:
(#) saab7 válasza saab7 hozzászólására (») Feb 10, 2008 /
 
Csáó hard! Mostanában sajnos nem nagyon voltam erre, úgyhogy nem is foglalkoztam a tv-vel sokat... Itt van nééhány kép, de nem a legjobbak... Majd vmikor megpróbálok csinálni jobbakat, addig megnézhetnéd ezeket... kössz!!!
(#) Pulyka hozzászólása Feb 24, 2008 /
 
Sziasztok

Válasz erre

Most a hétvégén került hozzám a tv,és még mindig a linkelt hsz-ban lévő tüneteket produkálja
Nem régi tv,tehát kapcsoló üzemű tápja van(ugy értem,nincs benne vasmagos trafó),és pár smd ellenállás,dióda is van a nyákon(smd ic nincs)
A csipogás a nagyfesz résznél hallható,de csak a tv műanyag burkolatát szedtem le,a panelt nem néztem meg közelebbről(alkatrész felöli oldalára gondolok)

Ugy tudom,ha ki is van húzva a konnektorbol a tv,akkor is marad vagy a képernyőbe,vagy a sorkimenőbe nagyfeszültség,ezért félek szétszedni - Nem féltem szétszedni
Következő: »»   31 / 1282
Bejelentkezés

Belépés

Hirdetés
XDT.hu
Az oldalon sütiket használunk a helyes működéshez. Bővebb információt az adatvédelmi szabályzatban olvashatsz. Megértettem