Fórum témák
» Több friss téma |
Fórum » ICL7106/ICL7107
A egy tranyó ugyan úgy invertál mint az ULN. De volt már egy ilyen projekt ahol így oldottuk meg a gondot. Azt figyelembe kell venni, hogy az 5V-os tápot így a kijelző árama is terheli.
köszönöm így márt világos. Akkor tervezem újra.
Bocsesz de uln2803 50v ig működik. Mi van ha 5 voltól külön választom. csinálok egy 12 vagy 24 v ágat a ic-k és a kijelzők meghajtására.
Amúgy is növelt feszültség kellett volna a kijelző miatt. De az invertálás probléma akkor is fennáll. Maximum ha eléje invertereket teszel.
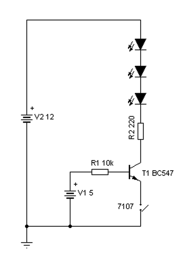
De jut eszembe, neked nem is jó amit ajánlottam, mert az közös katódos kijelzőhöz van. Így még is +12V kell. Viszont az illesztést meg lehet oldani egy tranyóval, ha a kijelző tényleg megelégszik a 8mA árammal, amit a 7107 tud. Közös bázisú kapcsolás kell, ami fázist nem fordít.. A hozzászólás módosítva: Feb 25, 2015
Igen, ez jó lehet. A bemeneteket viszont fel kell húzni egy-egy ellenállással az 5V-ra. (1..2,2k)
Helló! Elméletileg ha jól olvastam az adat lapot 7407, 5v-ból invertál 30v-ot 40ma áramerősséggel. De a 2 db kevés lenne 22-darab kimenethez. És ha jól számolok 30 szegment van,3X8+4dip pont és AB+pol láb. 1 darab tok 6 db invertert tartalmaz, 5 tok x6 db inverterrel és pont elég 30 darab szegmenthez.
A hozzászólás módosítva: Feb 26, 2015
Szia! Itt van 4 1/2 digites 3xmultiplex LCD ha még érdekel. (most rendeltem én is)
Bővebben: Link
1 tok CD4009 (6 darab inverter) + 6/8 tok ULN2003 (8 darab invertáló megjahtó) helyett ajánlottam egy tok 7407 -est (6 darab nem invertáló 30V -os meghajtó). Mindkét 6 jel illesztését oldja meg.
Köszönöm így lesz , meg oldva , az is amit proli007 ajánlott csal több alkatrésszel de kivitelezhető.
A 7407 kiváló csak az előtét ellenállást kell hozzá igazítanom a kijelzőkhöz.
- Használj 74LS07-et, és kisebb lesz a rengeteg meghajtó fogyasztása.
- Ha a mérendő áramkör GND pontját közösíteni szeretnéd a műszer GND pontjával, akkor használj a referencia előállításához külön stabilizátort. (Lásd adatlap.) Mert amennyiben a COMM pontot közösíted a GND ponttal, az 5V-os táp lesz a referencia a belső referencia helyett. - A szegmensek előtét ellenállását egyébként is méretezni kell a Led-ek nyitófeszültsége és a Led tápfesz szerint. Ebben nincs sem plusz munka, sem változás.
Jelenleg 4 db van a panel-ra tervezve. Alkotó kapcsolása szerint csináltam az sch-t. Ezt vettem alapul. De meg próbálom megkeresni, hogy mért így csináltam. És amúgy ezért tévedhet a műszer mérés közben ? Csatoltam egy file-t a kapcsolásról. És szerintem kell még a szeg menteknek még egy szekunder ? Te hogyan oldanád meg ? vagy mehet 5V ról a 1/5 lábról ?
A hozzászólás módosítva: Feb 28, 2015
Megtaláltam e-szerint csináltam. Kijavítottam ami hiba volt!
Sziasztok! Megépítettem Attila86 által tervezett hőmérő modult, ami megkapja a +/-5V-ot, a nyákon nincs zárlat vagy szakadás, minden stimmel, mégis nagyon halványak a 7 szegmenses kijelzők. A számok látszanak, de nagyobb fényben már nem nagyon. Az adatlapjuk: LSD5122-20(K)
Mit rontok el?
Hello!
- A szegmensek nem mehetnek 5V-ról, hiszen azt írtad 8..10V van 8mA mellett. Viszont az 5V stabilizálatlan oldaláról működhet, ha ott meg lesz a feszültség. Esetleg stabilizálni kell magasabb feszültséget belőle. De a lényeg, a nyák tervezésnél van, azt nézd meg hogy készül. Hogy a digitális GND árama ne folyjon bele az analóg rész GND áramába. Mert akkor a kijelzés változni fog ahogy a szegmensek áramfelvétele változni fog. (Jelenleg a szegmensek még nem kapnak feszültséget a rajzon. ) - A lényeg, hogy a 7107-ben a belső referencia a plusztáphoz képest van előállítva, ami a +5V-hoz képest mérve kb. -2,8V. Ez a COMM feszültsége. De ha a COMM az 5V GND pontjára van kötve, akkor a +5V feszültségből lesz a referencia előállítva a belső referencia helyett. Ha az elvárt pontosságnak - stabilitásnak ez megfelel (mint a labortápnál) akkor megfelelő lehet. Ha nem, külső referenciát kell létrehozni a +5V-ból a GND ponthoz képest és abból leosztani a 100mV referenciát.. "És amúgy ezért tévedhet a műszer mérés közben ?" Ezt nem túlzottan érthető, hogy ez tény, vagy elvi kérdés. Valamint mit kell érteni a "tévedés" alatt.
Hello!
Lehet semmit. Az IC mindössze 8mA-al hajtja a kijelzőt, és lehet ezen az áramon még kicsi a fényereje. Mérd mag az áramot, vagy próbáld ki a kijelzőt más áram értékkel. (Pld. egy tápról, egy megfelelő ellenállással.)
Akkor így jártam, mert multiméterrel dióda állásban jobban világít egy szegmens, mint az IC-ről. Megnéztem szkóppal is és gyanús az is, hogy nem láttam semmilyen négyszöget, sima egyenfesz van a szegmenseken. Létezhet ez?
De még mennyire hogy létezhet. Ez nem multiplexált kijelzés. De nem találgatni kell, hanem megmérni. Bár nem tudom melyik az a műszer, ami 8mA-nál nagyobb áramot ad ki dióda állásban.
Helló!
IOsys: Ha jól olvastam az adatlapot akkor 20-30ma áramerősség kell 5-V-on. De a 7107 valóban csak 8ma-tud. Vagy cseréled olyanra amit a szerző ír (Attila86) vagy 7107 adatlapjában is megtaláltam a 7407 meghajtó ic-t, de ehhez módosítani kellene a panel. Szerintem jobban jársz ha veszel hozzá megfelelő szegmenseket. proli007: 1. Idézet: Pontosban az zavart meg hogy a 7407-ic 5V-ból csinál 30V-ot amit ellenállásokon eső feszültség keresztül megy a szegmenshez. És ha meg táplálom +5V-tal az 1-es vagy az 5 lábat, és az ellenálláson után is kap 8V-ot, nem fog össze adódni 12V-ra ? Ami szerintem márt károsítaná a szegmenseket. Vagy rosszul látom? „- A szegmensek nem mehetnek 5V-ról, hiszen azt írtad 8..10V van 8mA mellett.” 2. Idézet: Ez mondjuk meg tudom oldani TL-431 diódával és 2 db ellenállással. Az adatlapba ezt is meg találtam, de sajnos nem kaptam arra válasz hogy milyen esetekben kell ez így alkalmazni.„- A lényeg, hogy a 7107-ben a belső referencia a plusztáphoz képest van előállítva, ami a +5V-hoz képest mérve kb. -2,8V. Ez a COMM feszültsége.” 3. Idézet: A legtöbb alapkapcsolás így van elkészítve hogy a Common láb Gnd-ra van kötve. És is így tettem.„De ha a COMM az 5V GND pontjára van kötve, akkor a +5V feszültségből lesz a referencia előállítva a belső referencia helyett. Ha az elvárt pontosságnak - stabilitásnak ez megfelel (mint a labortápnál) akkor megfelelő lehet.” 4. Idézet: Az 5v tápfeszültségből a 22k ellenálláson keresztül és az 1k helipotival állítom be a 100mV referenciát. Azt be tudtam állítani és rendben volt.„Ha nem, külső referenciát kell létrehozni a +5V-ból a GND ponthoz képest és abból leosztani a 100mV referenciát..” 5. Idézet: Sajnos ez tény mert Alkotó fórumtárs által tervezet műszereket csináltam meg labortápegységhez és 1mv-ot téved 200v méréshatárban, ami egyben a ellenláss osztó hibája. Ha a kijelzőn megjelenik 32V. és a multival mérem akkor 32.1v van a kimeneten vagy 31.9V a 32V képest. „És amúgy ezért tévedhet a műszer mérés közben ?” 6. Sajnálom a kicsit hosszú voltam, lehetőleg a lényegre törő.
Hello!
- A 7407 nem gyárt semmiből semmit. Az, egy neminvertáló fokozat, aminek nyitott kollektoros kimenete van. Így bár a tápfeszültsége a TTL-nél szokott +5V, a kollektor viszont kapcsolhat akár 30V feszültségről is. Tehát csak annyi, hogy 5V-ról megy a bement, a kimenet meg mehet akár 30V-ról is. (Pont úgy mint ahogy az UL2803, csak nem invertál, és nem darlington a kiment.) - Az adatlapot nem csak olvasni kell, az adatokat, kapcsolási rajzokat - sémákat is érteni kell. A TL431-el lehet 2,5V feszültséget stabilizálni, ha a Gate-t a katódra kötjük. Ebből már a 100mV leosztható. A belső referencia pontossága hőegyütthatója 80ppm/°C, a TL431-é 50ppm/°C, az 5V-os stabi kb. 120ppm/°C. Plusz a stabinak kb. 0,5% feszültség változása van 250..750mA áramváltozásra. - Hogy a legtöbb kapcsolás mit használ, az számunkra teljesen mindegy, mert nem tudod mi a kitűzött pontosság igénye, környezte, stb. - Mutatott érték eltérése, nem "tévedés", hanem pontatlanság. Az adatlapon le van írva pontosság, linearitás, hőfok függvényében mire számíthatunk. Természetesen az osztód pontatlansága nincs benne, mert a gyártó nem tudhatja Te mit használsz és miért. Egyébiránt az osztó pontatlansága kalibrálható a referencia állításával. Feltétel, hogy csak egy méréshatárt használunk. Hiszen a műszer nem tudja mit mér, csak arányokat mutat. Ube/Uref*1000 formátumban, három és fél digiten.
A tegnapi nap idáig jutottam. A Common a -2.8V -ot külön 7805-el beállítható ?
Köszi a válaszokat. Emeltem a tápot +/-5.7V-ra és így sokkal jobban látható a kijelző, de napfényes szobában nem igazán van mit nézni rajta. De jó ez így, majd legközelebb okosabb leszek.
- Nem jól érted vagy írod. A Common feszültségét, a belső stabilizátor állítja a +5V-hoz képest -2,8V-ra. De csak addig, míg a Common a "levegőben lóg". Ha Te a Common pontot a GND-re kötöd, akkor a belső stabi "ki van kapcsolva", vagy is meg van erőszakolva. És ekkor, ebben az alkalmazásban amit rajzolsz, a +5V-os stabi lesz a referencia alapja.
- Nem írtad a Led-ek tápfeszét. A 2,2kohm megfelelő lesz előtétnek?
7808 Hajtom meg. 2,2kohm meg 30v-8v =22V /10mV .
Itt azért nálad erős alapgondok vannak..
- Ha 7808-ról hajtod meg, akkor hol lesz ott 30V? A 30V az IC maximális feszültsége, amit még elvisel. Neked a tápfeszültségnek valamivel nagyobbnak kell lenni, mint a Led-ek nyitófeszültsége. A kettő közötti feszültség különbség fog az előtét ellenállásra jutni. - Ha pld. a Led-ek nyitófeszültsége 8V, a táp pedig 12V, akkor az ellenállásra 4V marad. (A meghajtó feszültség veszteségét nem számolva.) Ha 10mA Led-áramot szeretnénk, akkor 4V/10mA=400ohm-ot kell használnunk. -Ha 8V kell a Led-eknek, akkor nem lehet 8V a táp, mert nem marad az ellenállásra semmi, így értékének is nullának kellene lenni. Akkor meg nem korlátozza az áramot semmi..
Ne haragudj de teljesen igázzad van. Szerintem kipihenem magamat éjjeles után.
Sziasztok.Gondban vagyok a képen mellékelt áramkörrel.Neki ellenállást kellene mérni 0,00 és 19,99 Ohm között egy ICL 7106 megfelelő lábaira kötve. A számÍtható feszültségek beállnak de csak nullát jelez ki.Az IC oszcija megy, hibát nem látok sehol.
Van valakinek tippje, hogy mi lehet rossz ? (IC-t már cseréltem) Köszi
Igen, így kéne működnie, köszönöm. A mért értékekből ki is jön a helyes eredmény, de mégis nullát mutat.Úgy látszik két lehetőségem maradt, vagy tanulok még angolul, vagy tovább keresem a Wheatstone-hidat
. |
Bejelentkezés
Hirdetés |






. 




