Fórum témák
» Több friss téma |
Van egy aranyos RobotX R800 -as tipusú robotporszívóm. Szépen teszi a dolgát, de ennek a tipusnak egyik nagy hibája, hogy az akkut rosszul kezeli, nem meríti le teljesen (mégcsak közel teljesen se) és a memória hatás miatt az akkupakk pár hónapos használat után megdöglik.
12 darab Nimh cella van sorosan felfűzve az akkupakkjában, névleges feszültsége 14,4 V. Teljesen feltöltve 17 V -ot mutat a multiméter, 15 V -nál elkezdi keresni a dokkolóját, amígnem a feszültség 14,5 V alá esik, a gép kikapcsol (mivel úgy hiszi, üres az akku) Egy másik fórumban, 2 éve ki lett vesézve a dolog elég rendesen, és egy Zoo X nevű felhasználó átalakította a saját kütyüjét, amivel a gép úgy érzékelte, hogy magasabb feszültségen van az akksi, mint egyébként. Elmondása szerint így több, mint 1 órát volt képes működni azzal az akkuval, amivel korábban csak 5-10 percet. Az átalakítás lépéseit sajnos nem osztotta meg túl részletesen, tömören ennyit írt róla: "Az átalakítás anyagköltsége az pár forint mert csak a fesz osztó egyik alkatrészének az ellenállását kell megváltoztatni, de nem árt némi forrasztósban jártas szakit keresni ,mert az alkatrész az nem nagyobb mint 1mmx0.5 mm mivel SMD alkatrész." Tehát egy ellenállást kell kisebbre cserélni. Ez menne. A kérdés az, hogy a kiszerelt alaplapon hogyan tudnám megtalálni ezt a bizonyos ellenállást? Hogyan kellene hozzákezdeni?
Készíthetsz éles, jó felbontású képet a panelről, ami alapján talán döntést lehet hozni és elkerülheted a visszarajzolást. 14,4V-nál lekapcsolni teljesen felesleges (tervezési hiba), hiszen cellánként 1V-ig mindenkép érdemes lemeríteni a pakkot.
Ezeket sikerült csinálnom, remélem használhatóak.
A fenti 4 tüskés csatlakozón jön be az aksi. Bal + jobb -, alatta lévő két tüskén az akku hőmérsékletét méri.
Sajnos nem látom át, túl sok alkatrész van... Azt feltételezem az elrendezésből, hogy a lekapcsolás nem teljes, hanem a processzor dönti el, hajt, vagy sem. Tehát - a visszarajzolás előtt - azt még megtenném, hogy az akku helyére szabályozható tápegységet kötve - és azt szabályozva - méregetném végig a processzor lábait, hogy melyikre jut leosztva ez a feszültség. Erre a lábra nyilván egy osztó csatlakozik, aminek az alsó tagját kellene csökkenteni.
A hozzászólás módosítva: Jún 25, 2014
Logikusan hanzik a gondolatmenet, amint lesz rá lehetőségem, ki is próbálom.
A neten megtaláltam a CPU datasheet-jét, amiben van lábkiosztás is. A tipusa STM32F101 V8T6 Ezeket a chippeket hogyan programozzák? Gyárilag feltöltenek rá egy programot, amit később nem is lehet módosítani, vagy van rá valami mód, hogy az ilyen beforrasztott chippeknél átírja az ember a szoftvert?
Valami betűjelből kiderülhet, hogy maszkprogramozott, vagy beégethető típusú, de nem is számít, mert csak törlés után lehet újraprogramozni. Van egy biztonsági bit, amit a programozás alkalmával beállítanak, aztán már nem olvasható a chip.
Sziasztok.
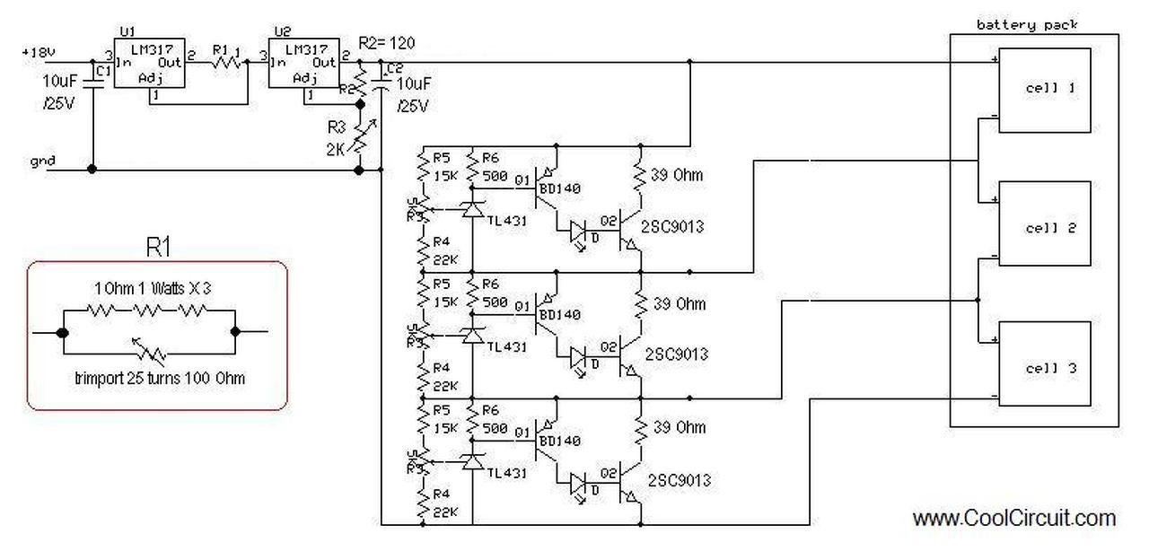
Nem gondoltam hogy elöbb utóbb el jut az átalakításom ide is. A geeksen megszűnt a cikkhez tartozó hozzászólások és ezért nem is foglalkoztam a dologgal tovább.A robi még mindig működik igaz cseréltem benne akkut mert a NiMh akkut tényleg kinyiffantotta mert mindig töltötte és meleg volt amit persze nem bírt ki.Valóban az átalakítás után a 10 perces akku bírt 1 órát egy darabig de pár hónap után végül megadta magát. Írtam is a fórumon hogy egy öreg noti elhasznált Liion akkucellát építettem bele és ma is azzal él tovább (kb 1 éve megy) 1.5 órát naponta .A sok használattól már hangosodik és kopnak az alkatrészei de azért még dolgozik szorgalmasan. Akkupack 3 db 3.7 cellából készült és az ebay-ról kell hozzá protection áramkör hogy megvédjük a cellákat Ebajjj A robi PCB-jén megkerestem azt az áramkört ami figyeli a töltöttséget és itt cseréltem ki az osztó áramkör ellenállásait .(mivel 1 éve csináltam már nem emlékszem pontosan ,de ha titeket érdekel akkor szétszedem és készítek képeket róla.
Szia ZooX
![]() Kicsi a világ, örülök, hogy jársz ide is! Ha csinálnál egy fényképet melyik ellenállást cserélted le, azt nagyon megköszönném
Sikerült ujból szétszednem !
Csatolom a képeket . Röviden : R150 ellenállást kicseréltem (hát igen nem látni az értékét de nem is fontos) kb 68k-ra,de az eredő ellenállása a lényeg.Az R150 poz számú ell. párhuzamosan kötöttem egy heli potit amivel sorba kötöttem egy 15K hogy ne lehessen 15K alá csökkenteni a poti min ellenállását biztonsági okokból.Az eredő ellenállása a körnek most 32.2K ez az érték a Liion akkuhoz van próbálgatás utján beállítva. Most kb 1.5-2.0 órát bír a régi noti akkuval és mindig vissza tér a töltőre (kb 20 perc max). Kapcsi rajz a csatolt képen a robira rajzolva. A potit kivezettem a kézi töltö csatija helyére (ugy sem használtam igy a robit). A hozzászólás módosítva: Júl 13, 2014
Szép munka, vendégem vagy egy sörre.
![]() Az akkukat nem balanszírozod valahogy, hogy egyforma legyen a töltöttségük? A hozzászólás módosítva: Júl 14, 2014
Jogos az észrevétel,de még nem.
Ja és még a Liion töltésvezérlő is hiányzik (még mielött megkérdezed) Tudom hogy nem elegáns ,de most jelen pillban a protection Á.K ami vigyáz az akku packra. Valamiért pedig még is jól tölti a packot mert kb 3óra a teljes töltés . Rendeltem már ebaj-ról töltő,csak a beépítésre vár. Esetleg ha tudsz valami jó balacert akkor érdekelne engem is.
Szia!
Én az asszony átalakított villanyseprűjéhez ennek a töltőnek a balancer részét építettem meg, lassan már 3 éve gond nélkül teszi a dolgát.
Sziasztok!
Tudom nem ide tartozik a téma de csak Ti foglalkoztok az R800-al. Az enyémben (kaptam egy havertól) megállt a kijelző. szerintem a kijelzővezérlő IC (CMS1621B) bár igazán nem tudom mert most tudtam meg hogy anno lelocsolták. Mikor megkaptam akkor még 1-1 szegmens működött de az IC újraforrasztása után megpusztult minden és csak a háttérvilágítás megy. Van tippetek, hogy hogy tudom kitesztelni a kijelzőt és az ICT-t lehet hogy már az IC tápjával is gond van. köszönöm
Szia.
Lehet hogy már későn írok....de... lehet a kijelző is rossz de szerintem oscilloscope kellene hozzá és megnézni hogy a szegmensek kapnak -e vezérlést.link
Üdv mindenkinek! Van egy RobotX R800 -as tipusú robotporszívóm ami tökéletesen működött idáig!Még a nyáron vettem bele egy új akkumulátort ,szépen tette is a dolgát és a tegnapi napon töltés közben égett szaga volt neki!
Szétszereltem és a töltés vezérlőnek a négy vezetéke közül a piros vezetéknél a nyáklap meg volt égve és a forrasztás is elengedte a vezetéket! Na most ezt én visszaforrasztottam és mégsem működik a gép.Tudna e nekem valaki segíteni a dologban!Előre is köszönöm! Üdv Norbi
hi
Esetleg képet feltennél mert igy leírva nem teljesen fogom a dolgot. Ha erre gondolsz akkor az nem a töltésvez hanem a főtáp 5V és a 3.3V. Meg kellene nézni hogy a piros és a test között mennyi az ellenállás,szerintem kicsi lesz pár ohm akkor nagy a baj. A hozzászólás módosítva: Dec 28, 2014
Üdv:Erre gondoltam!Én nem értek hozzá esetleg ha el tudnám neked postázni és esetleg meg tudnád nekem javítani persze nem ingyen kérném akkor azt nagyon megköszönném!
Hmm...
Ha csak a stab ment ki vagy valamelyik dioda az olcsón megoldható ,de..... ha valami komolyabb cucc pl. ST mikrokontroller akkor sajna kuka a cucc mert nincs hozzá firmware-m . Szerintem skypen beszéljük meg vagy irj PÜ-t.
Nincsen skypom A facen fent vagyok vagy a telcsi számom +3630 388 9590
Csörizz meg és visszahívlak Üdv:Reiprich Norbert
Nekem meg face nincs de a telcsit megcsörgettem.
Sziasztok,
Szeretnék egy kis segítséget kérni mert megcsinalnam a robi toltojet kicserelve az ellenallast amiről szó van, de egy pont utan nem tudom tovább szétszedni. Az összes csavart kivettem, szinte már szétcsúszik minden, de az orránál, az elejénél még valami tartja. Segítsetek kérlek .
Hali mindenki!
Kérnék én is egy kis segítséget. Ha valakinek van ilyen készüléke és jártas a programozásban, az szedje már le nekem legyen szíves a készülék firmwarét. Vagy ha megmondja honnan tudom leszedni, azt is megköszönöm, elég fontos lenne. Sikerült kinyírnom az ARM procit. ): Procit még csak tudnék szerezni, de a firmware kifogott rajtam. Vagy ha valakinek hibás készüléke van működő alaplappal az is érdekelne... Előre is köszi... kerteszg: a bolygó kereket szedd ki (csak húzd le), az alatt is van egy csavar. Összesen 5 nagy és 4 kicsi csavar van, ami összetartja. A hozzászólás módosítva: Márc 9, 2015
Koszonom az infot, de ugye arra gondoltal , hogy kiveszem a gumikereket a bolygóműből és kihúzom az egészet? Az alatt van csavar gondolom. Sikerult egy teljesen új robit vennem (garázsban volt original csomagolásban) és nem akarom osszebarmolni, mivel maga a gumi kerék alatt nincsen csavar.
Két hete láttam ezt a modellt az OLX/jofogás-en/on akku hibásan 20e forintért használtan talán ott lesz alkatrész. Ebay? Köszi
Nem, az egész bolygóműt vedd ki, csak meghúzod és kijön kerekestől dobostól. Az alatt van 1 csavar.
A NiMH akkupack tönkre megy egy idő után bármit csinálsz vele, a töltésvezérlése nem a legjobb. A cserével csak azt éred el, hogy később jelzi a lemerülést ergo többet mászkál és kevesebb kraft jut a töltőkeresgélésre. A 12 sorba kötött aksi közül ha 1 megpusztul vagy csak előbb lemerül, akkor már töltőre akar menni. Töltésnél pedig nem töltődik föl teljesen, tehát még rosszabb lesz. Nem nagyon van hirdetve, pedig biztos vagyok benne, hogy több 10000 van belőle az országban. Külföldön se nagyon láttam hirdetve, pedig rengeteg márkanév alatt fut.
Koszonom a segitseget.
ezt 6. töltötték fel az olx re. megprobaloma linket megadni, de ha beirod r800 akkor latni fogod. Bővebben: Link
Sziasztok.
Segítségre lenne szükségem. Egy robotszívót forrasztgatok, de nehézségbe ütköztem. Egy véleményem szerinti kerámia kondi meghalt benne. A gond az lenne, hogy nem bírom behatárolni az értékét. Ez egy Trisa robot de ha jól látom megegyezik a többiek által beküldött robotok képeivel. Ha lennétek olyan szívesek megmérhetnétek nekem. Előre is köszönöm.
Ranezesre inkabb egy tizmikros csepptantal.
Ellent mond ennek, hogy a polaritasjelzest nem latom. A masik oldalon mi van? Elvileg lehet pl. ongyogyulo biztositek is.
Nem is rossz ötlet. De polaritás nincs rajta. Másik oldalán sem.
A másik oldalra mi van írva?
|
Bejelentkezés
Hirdetés |






















